8W-41 HORN/CIGAR LIGHTER/POWER OUTLET
Component Page
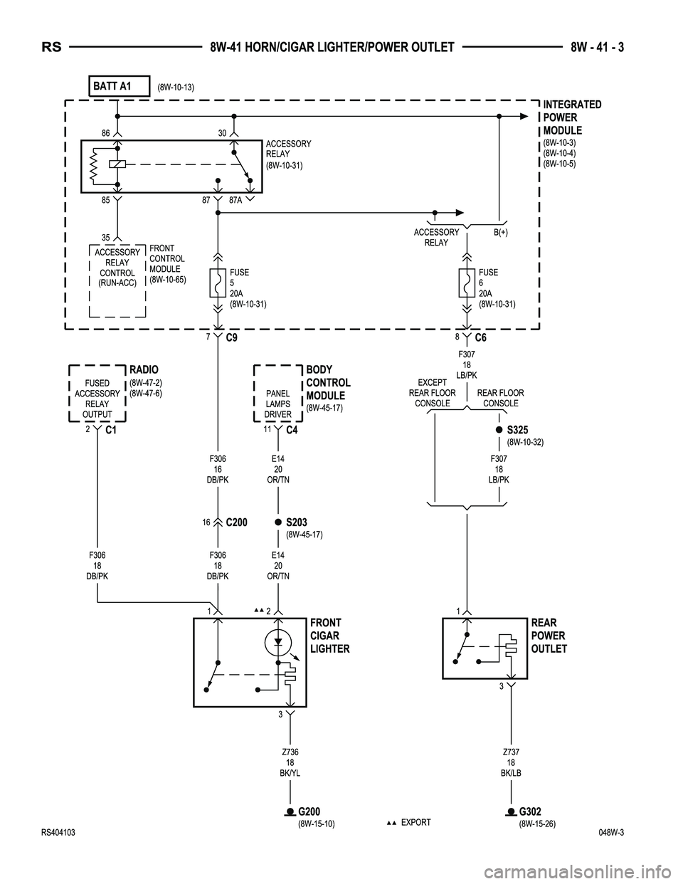
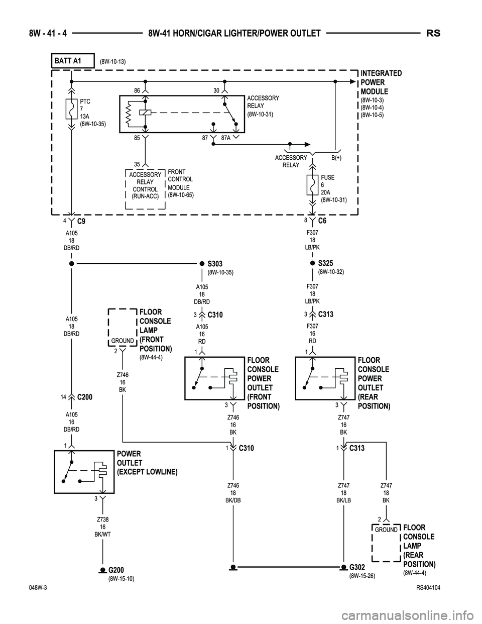
Accessory Relay................... 8W-41-3, 4
Body Control Module................. 8W-41-3
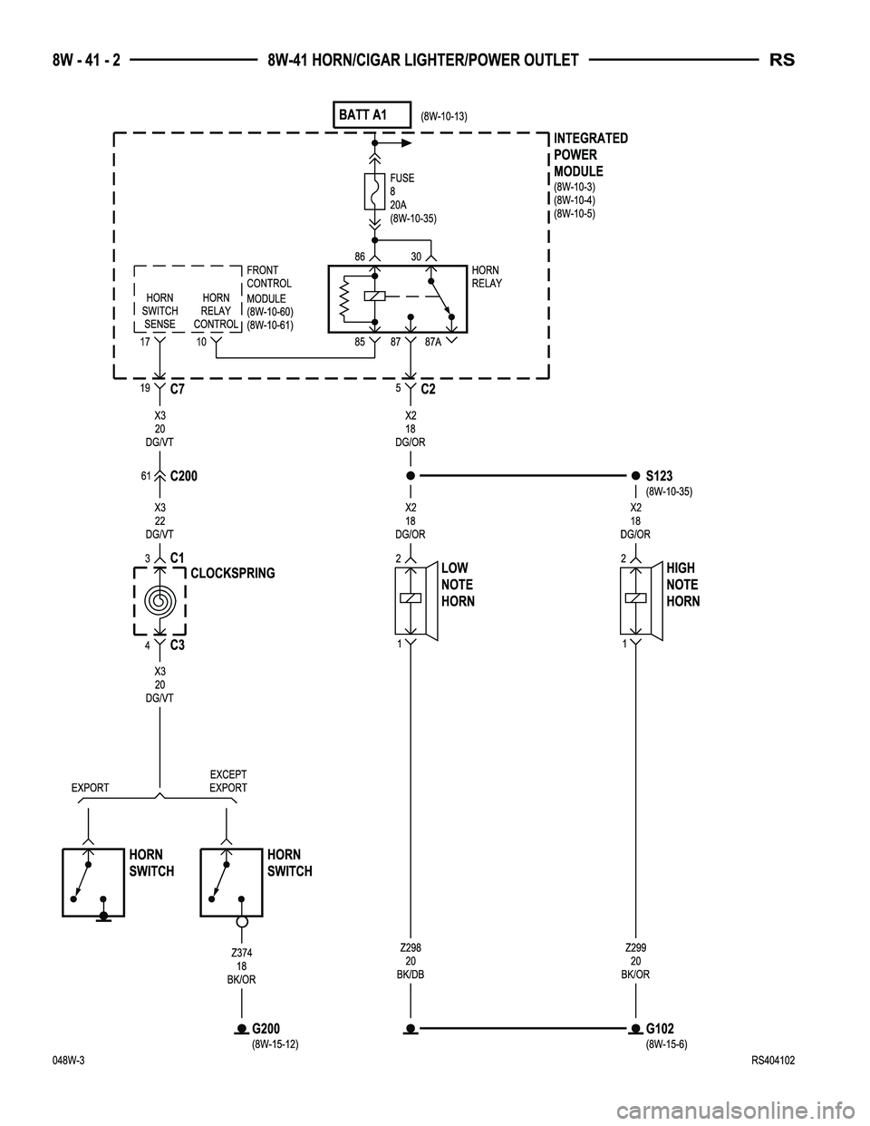
Clockspring........................ 8W-41-2
Floor Console Lamp.................. 8W-41-4
Floor Console Power Outlet............ 8W-41-4
Front Cigar Lighter.................. 8W-41-3
Front Control Module............. 8W-41-2, 3, 4
Fuse 5............................ 8W-41-3
Fuse 6.......................... 8W-41-3, 4
Fuse 8............................ 8W-41-2
G102.............................. 8W-41-2Component Page
G200.......................... 8W-41-2, 3, 4
G302............................ 8W-41-3, 4
High Note Horn..................... 8W-41-2
Horn Relay......................... 8W-41-2
Horn Switch........................ 8W-41-2
Integrated Power Module.......... 8W-41-2, 3, 4
Low Note Horn...................... 8W-41-2
Power Outlet....................... 8W-41-4
PTC7............................. 8W-41-4
Radio............................. 8W-41-3
Rear Power Outlet................... 8W-41-3
RS8W-41 HORN/CIGAR LIGHTER/POWER OUTLET8W-41-1
8W-42 AIR CONDITIONING-HEATER
Component Page
A/C Compressor Clutch............ 8W-42-16, 19
A/C Compressor Clutch Relay....... 8W-42-16, 19
A/C Pressure Sensor.............. 8W-42-16, 19
A/C-Heater Control....... 8W-42-2, 3, 4, 5, 6, 7, 9
ATC Remote Sensor................. 8W-42-13
Auto Temp Control.... 8W-42-10, 11, 12, 13, 14, 15
Battery........................... 8W-42-17
Blower Motor Resistor.............. 8W-42-2, 3
Body Control Module.......... 8W-42-6, 9, 11, 15
Driver Blend Door Actuator......... 8W-42-7, 12
Ecm/Pcm Relay..................... 8W-42-17
Engine Control Module............ 8W-42-16, 17
Evaporator Temperature Sensor...... 8W-42-7, 12
Front Blower Module................ 8W-42-13
Front Blower Motor............. 8W-42-2, 3, 13
Front Blower Motor Relay........ 8W-42-2, 3, 13
Front Control Module....... 8W-42-2, 3, 8, 13, 14
Fuse 10....................... 8W-42-2, 3, 13
Fuse 12......................... 8W-42-8, 14
Fuse 14........................... 8W-42-10
Fuse 16........................... 8W-42-17
Fuse 18........................ 8W-42-16, 19
Fuse 27........................ 8W-42-18, 20
Fuselink.......................... 8W-42-17
G101............................. 8W-42-19
G102.......................... 8W-42-18, 20
G103............................. 8W-42-16Component Page
G200........... 8W-42-2, 3, 4, 5, 6, 8, 10, 11, 13
G300........................... 8W-42-9, 15
G302............................. 8W-42-14
Integrated Power Module.... 8W-42-2, 3, 8, 10, 13,
14, 16, 17, 18, 19, 20
Mode Door Actuator............... 8W-42-7, 12
Passenger Blend Door Actuator...... 8W-42-7, 12
Powertrain Control Module......... 8W-42-19, 20
Radiator Fan No. 1............ 8W-42-17, 18, 20
Radiator Fan No. 2............... 8W-42-18, 20
Radiator Fan Relay................. 8W-42-20
Radiator Fan Relay No. 1.......... 8W-42-17, 18
Radiator Fan Relay No. 2............. 8W-42-18
Radiator Fan Relay No. 3............. 8W-42-18
Rear A/C-Heater Unit............... 8W-42-8, 9
Rear Auto Temp Control Switch........ 8W-42-15
Rear Blower Front Control Switch....... 8W-42-8
Rear Blower Motor.................. 8W-42-14
Rear Blower Motor Power Module...... 8W-42-14
Rear Blower Motor Relay........... 8W-42-8, 14
Rear Blower Rear Control Switch...... 8W-42-8, 9
Rear Mode Motor................... 8W-42-14
Rear Temperature Motor............. 8W-42-14
Rear Wiper/Washer Indicator........... 8W-42-4
Rear Wiper/Washer Switch............. 8W-42-4
Recirculation Door Actuator......... 8W-42-7, 12
RS8W-42 AIR CONDITIONING-HEATER8W-42-1