INFINITI FX35 2004 Service Manual

INFINITI FX35 2004 Service Manual FX35 2004 INFINITI INFINITI https://www.carmanualsonline.info/img/42/57021/w960_57021-0.png INFINITI FX35 2004 Service Manual
Trending: oil capacities, child lock, No crank no power, tire pressure reset, remote control, rack & pinion steering, air suspension

Page 2141 of 4449

INFINITI FX35 2004  Service Manual EC-800
[VK45DE]
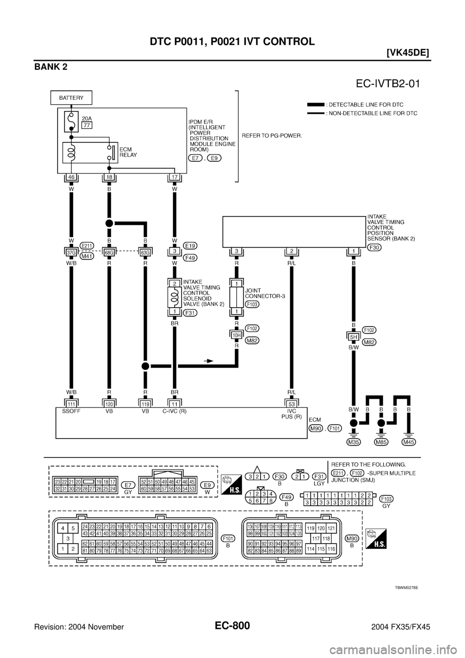
DTC P0011, P0021 IVT CONTROL
Revision: 2004 November 2004 FX35/FX45
BANK 2
TBWM0278E

Page 2142 of 4449

INFINITI FX35 2004  Service Manual DTC P0011, P0021 IVT CONTROL
EC-801
[VK45DE]
C
D
E
F
G
H
I
J
K
L
MA
EC
Revision: 2004 November 2004 FX35/FX45
Specification data are reference values and are measured between each terminal and ground.

Page 2143 of 4449

INFINITI FX35 2004  Service Manual EC-802
[VK45DE]
DTC P0011, P0021 IVT CONTROL
Revision: 2004 November 2004 FX35/FX45
2. CHECK INTAKE VALVE TIMING CONTROL POSITION SENSOR POWER SUPPLY CIRCUIT
1. Disconnect intake valve timing control

Page 2144 of 4449

INFINITI FX35 2004  Service Manual DTC P0011, P0021 IVT CONTROL
EC-803
[VK45DE]
C
D
E
F
G
H
I
J
K
L
MA
EC
Revision: 2004 November 2004 FX35/FX45
5. DETECT MALFUNCTIONING PART
Check the following.
Harness connectors F102, M82
Harness

Page 2145 of 4449

INFINITI FX35 2004  Service Manual EC-804
[VK45DE]
DTC P0011, P0021 IVT CONTROL
Revision: 2004 November 2004 FX35/FX45
9. DETECT MALFUNCTIONING PART
Check the following.
Harness connectors E19, F49
Harness for open or short between i

Page 2146 of 4449

INFINITI FX35 2004  Service Manual DTC P0011, P0021 IVT CONTROL
EC-805
[VK45DE]
C
D
E
F
G
H
I
J
K
L
MA
EC
Revision: 2004 November 2004 FX35/FX45
Component InspectionABS00C0L
INTAKE VALVE TIMING CONTROL POSITION SENSOR
1. Disconnect int

Page 2147 of 4449

INFINITI FX35 2004  Service Manual EC-806
[VK45DE]
DTC P0031, P0032, P0051, P0052 HO2S1 HEATER
Revision: 2004 November 2004 FX35/FX45
DTC P0031, P0032, P0051, P0052 HO2S1 HEATERPFP:22690
DescriptionABS00C0N
SYSTEM DESCRIPTION
The ECM p

Page 2148 of 4449

INFINITI FX35 2004  Service Manual DTC P0031, P0032, P0051, P0052 HO2S1 HEATER
EC-807
[VK45DE]
C
D
E
F
G
H
I
J
K
L
MA
EC
Revision: 2004 November 2004 FX35/FX45
DTC Confirmation ProcedureABS00C0Q
NOTE:
If DTC Confirmation Procedure has

Page 2149 of 4449

INFINITI FX35 2004  Service Manual EC-808
[VK45DE]
DTC P0031, P0032, P0051, P0052 HO2S1 HEATER
Revision: 2004 November 2004 FX35/FX45
Wiring DiagramABS00C0R
BANK 1
TBWM0221E

Page 2150 of 4449

INFINITI FX35 2004  Service Manual DTC P0031, P0032, P0051, P0052 HO2S1 HEATER
EC-809
[VK45DE]
C
D
E
F
G
H
I
J
K
L
MA
EC
Revision: 2004 November 2004 FX35/FX45
Specification data are reference values and are measured between each termi
Trending: change language, Temperature sensor, Window reset, tire size, tank, alarm, key fob