INFINITI FX35 2008 Service Manual
Manufacturer: INFINITI, Model Year: 2008, Model line: FX35, Model: INFINITI FX35 2008Pages: 3924, PDF Size: 81.37 MB
Page 2101 of 3924
![INFINITI FX35 2008 Service Manual
DTC P0171, P0174 FUEL INJECTION SYSTEM FUNCTION
EC-861
< SERVICE INFORMATION > [VK45DE]
C
D
E
F
G H
I
J
K L
M A
EC
NP
O
DTC P0171, P0174 FUEL IN
JECTION SYSTEM FUNCTION
On Board Diagnosis LogicINFOID INFINITI FX35 2008 Service Manual
DTC P0171, P0174 FUEL INJECTION SYSTEM FUNCTION
EC-861
< SERVICE INFORMATION > [VK45DE]
C
D
E
F
G H
I
J
K L
M A
EC
NP
O
DTC P0171, P0174 FUEL IN
JECTION SYSTEM FUNCTION
On Board Diagnosis LogicINFOID](/img/42/57017/w960_57017-2100.png)
DTC P0171, P0174 FUEL INJECTION SYSTEM FUNCTION
EC-861
< SERVICE INFORMATION > [VK45DE]
C
D
E
F
G H
I
J
K L
M A
EC
NP
O
DTC P0171, P0174 FUEL IN
JECTION SYSTEM FUNCTION
On Board Diagnosis LogicINFOID:0000000001326698
With the Air-Fuel Mixture Ratio Self-Learning Control, the actual mixture ratio can be brought closely to the
theoretical mixture ratio based on the mixture ratio feedback signal from the air fuel ratio (A/F) sensor 1. The
ECM calculates the necessary compensation to corre ct the offset between the actual and the theoretical
ratios.
In case the amount of the compensation value is extrem ely large (The actual mixture ratio is too lean.), the
ECM judges the condition as the fuel injection system malfunction and lights up the MIL (2 trip detection logic).
DTC Confirmation ProcedureINFOID:0000000001326699
NOTE:
If DTC Confirmation Procedure has been previously conduc ted, always turn ignition switch OFF and wait at
least 10 seconds before conducting the next test.
WITH CONSULT-III
1. Start engine and warm it up to normal operating temperature.
2. Turn ignition switch OFF and wait at least 10 seconds.
3. Turn ignition switch ON and select “SELF-LEARNING CONT” in “WORK SUPPORT” mode with CON- SULT-III.
4. Clear the self-learning control coefficient by touching “CLEAR”.
5. Start engine. If it is difficult to start engine, t he fuel injection system has a malfunction.
Perform the following procedure is advised.
a. Crank engine while depressing accelerator pedal.
b. If engine starts, go to EC-866, "
Diagnosis Procedure".
If engine does not start, check exhaust and intake air leak visually.
6. Keep engine at idle for at least 10 minutes.
7. Check 1st trip DTC.
8. If 1st trip DTC is detected, go to EC-866, "
Diagnosis Procedure".
If 1st trip DTC is not detected, per forming the following procedure is advised.
a. Turn ignition switch OFF and wait at least 10 seconds.
b. Start engine and drive the vehicle under the similar condi tions to (1st trip) Freeze Frame Data for 10 min-
utes. Refer to the table below.
Hold the accelerator pedal as steady as possible.
The similar conditions to (1st trip) Freeze Frame Da ta means the vehicle operation that the following con-
ditions should be satisfied at the same time.
Sensor Input Signal to ECM ECM function Actuator
A/F sensor 1 Density of oxygen in exhaust gas
(Mixture ratio feedback signal) Fuel injection control Fuel injector
DTC No. Trouble diagnosis name DTC detecting condition Possible cause
P0171
0171
(Bank 1) Fuel injection system too
lean Fuel injection system does not operate properly.
The amount of mixture ratio compensation is too
large. (The mixture ratio is too lean.) Intake air leaks
A/F sensor 1
Fuel injector
Exhaust gas leaks
Incorrect fuel pressure
Lack of fuel
Mass air flow sensor
Incorrect PCV hose connection
P0174
0174
(Bank 2)
3AA93ABC3ACD3AC03ACA3AC03AC63AC53A913A773A893A873A873A8E3A773A983AC73AC93AC03AC3
3A893A873A873A8F3A773A9D3AAF3A8A3A8C3A863A9D3AAF3A8B3A8C
Page 2102 of 3924
![INFINITI FX35 2008 Service Manual
EC-862
< SERVICE INFORMATION >[VK45DE]
DTC P0171, P0174 FUEL IN
JECTION SYSTEM FUNCTION
9. Check 1st trip DTC.
10. The 1st trip is detected, go to EC-866, "
Diagnosis Procedure".
WITH GST
1. Start INFINITI FX35 2008 Service Manual
EC-862
< SERVICE INFORMATION >[VK45DE]
DTC P0171, P0174 FUEL IN
JECTION SYSTEM FUNCTION
9. Check 1st trip DTC.
10. The 1st trip is detected, go to EC-866, "
Diagnosis Procedure".
WITH GST
1. Start](/img/42/57017/w960_57017-2101.png)
EC-862
< SERVICE INFORMATION >[VK45DE]
DTC P0171, P0174 FUEL IN
JECTION SYSTEM FUNCTION
9. Check 1st trip DTC.
10. The 1st trip is detected, go to EC-866, "
Diagnosis Procedure".
WITH GST
1. Start engine and warm it up to normal operating temperature.
2. Turn ignition switch OFF and wait at least 10 seconds.
3. Disconnect mass air flow sensor (1) harness connector.
4. Restart engine and let it idle for at least 5 seconds.
5. Stop engine and reconnect mass air flow sensor harness con-
nector.
6. Select Service $03 with GST. Make sure DTC P0102 is detected.
7. Select Service $04 with GST and erase the DTC P0102.
8. Start engine. If it is difficult to start engine, the fuel injection system has a mal-
function.
Perform the following procedure is advised.
a. Crank engine while depressing accelerator pedal.
b. If engine starts, go to EC-866, "
Diagnosis Procedure".
If engine does not start, check exhaus t and intake air leak visually.
9. Keep engine at idle for at least 10 minutes.
10. Check 1st trip DTC.
11. If 1st trip DTC is detected, go to EC-866, "
Diagnosis Procedure".
If 1st trip DTC is not detected, per forming the following procedure is advised.
a. Turn ignition switch OFF and wait at least 10 seconds.
b. Start engine and drive the vehicle under the similar conditions to (1st trip) Freeze Frame Data for 10 min- utes. Refer to the table below.
Hold the accelerator pedal as steady as possible.
The similar conditions to (1st trip) Freeze Frame Da ta means the vehicle operation that the following con-
ditions should be satisfied at the same time.
12. Check 1st trip DTC.
13. The 1st trip is detected, go to EC-866, "
Diagnosis Procedure".
Engine speed Engine speed in the freeze frame data ± 400 rpm
Vehicle speed Vehicle speed in the freeze frame data ± 10 km/h (6 MPH)
Engine coolant temperature (T)
condition When the freeze frame data shows lower than 70
°C (158 °F),
T should be lower than 70 °C (158 °F).
When the freeze frame data shows higher than or equal to 70 °C (158 °F),
T should be higher than or equal to 70 °C (158 °F).
PBIB3230E
Engine speed Engine speed in the freeze frame data ± 400 rpm
Vehicle speed Vehicle speed in the freeze frame data ± 10 km/h (6 MPH)
Engine coolant temperature (T)
condition When the freeze frame data shows lower than 70
°C (158 °F),
T should be lower than 70 °C (158 °F).
When the freeze frame data shows higher than or equal to 70 °C (158 °F),
T should be higher than or equal to 70 °C (158 °F).
3AA93ABC3ACD3AC03ACA3AC03AC63AC53A913A773A893A873A873A8E3A773A983AC73AC93AC03AC3
3A893A873A873A8F3A773A9D3AAF3A8A3A8C3A863A9D3AAF3A8B3A8C
Page 2103 of 3924
![INFINITI FX35 2008 Service Manual
DTC P0171, P0174 FUEL INJECTION SYSTEM FUNCTION
EC-863
< SERVICE INFORMATION > [VK45DE]
C
D
E
F
G H
I
J
K L
M A
EC
NP
O
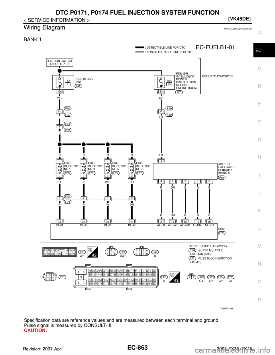
Wiring DiagramINFOID:0000000001326700
BANK 1
Specification data are reference v INFINITI FX35 2008 Service Manual
DTC P0171, P0174 FUEL INJECTION SYSTEM FUNCTION
EC-863
< SERVICE INFORMATION > [VK45DE]
C
D
E
F
G H
I
J
K L
M A
EC
NP
O
Wiring DiagramINFOID:0000000001326700
BANK 1
Specification data are reference v](/img/42/57017/w960_57017-2102.png)
DTC P0171, P0174 FUEL INJECTION SYSTEM FUNCTION
EC-863
< SERVICE INFORMATION > [VK45DE]
C
D
E
F
G H
I
J
K L
M A
EC
NP
O
Wiring DiagramINFOID:0000000001326700
BANK 1
Specification data are reference values
and are measured between each terminal and ground.
Pulse signal is measured by CONSULT-III.
CAUTION:
TBWM1332E
3AA93ABC3ACD3AC03ACA3AC03AC63AC53A913A773A893A873A873A8E3A773A983AC73AC93AC03AC3
3A893A873A873A8F3A773A9D3AAF3A8A3A8C3A863A9D3AAF3A8B3A8C
Page 2104 of 3924
![INFINITI FX35 2008 Service Manual
EC-864
< SERVICE INFORMATION >[VK45DE]
DTC P0171, P0174 FUEL IN
JECTION SYSTEM FUNCTION
Do not use ECM ground terminals when measuring in put/output voltage. Doing so may result in dam-
age to the EC INFINITI FX35 2008 Service Manual
EC-864
< SERVICE INFORMATION >[VK45DE]
DTC P0171, P0174 FUEL IN
JECTION SYSTEM FUNCTION
Do not use ECM ground terminals when measuring in put/output voltage. Doing so may result in dam-
age to the EC](/img/42/57017/w960_57017-2103.png)
EC-864
< SERVICE INFORMATION >[VK45DE]
DTC P0171, P0174 FUEL IN
JECTION SYSTEM FUNCTION
Do not use ECM ground terminals when measuring in put/output voltage. Doing so may result in dam-
age to the ECM's transistor. Use a ground ot her than ECM terminals, such as the ground.
: Average voltage for pulse signal (Actual pulse signal can be confirmed by oscilloscope.)TER-
MI-
NAL NO. WIRE
COLOR ITEM CONDITION DATA (DC Voltage)
2P A/F sensor 1 heater
(Bank 1) [Engine is running]
Warm-up condition
Idle speed Approximately 5V
16 R A/F sensor 1 (Bank 1) [Engine is running]
Warm-up condition
Idle speed Approximately 3.1V
35 G Approximately 2.6V
56 B Approximately 2.3V
75 OR Approximately 2.3V
21
22
23
44 W
R
P
OR Fuel injector No. 5
Fuel injector No. 3
Fuel injector No. 1
Fuel injector No. 7 [Engine is running]
Warm-up condition
Idle speed
NOTE:
The pulse cycle changes depending on rpm
at idle BATTERY VOLTAGE
(11 - 14V)
[Engine is running]
Warm-up condition
Engine speed: 2,000 rpm BATTERY VOLTAGE
(11 - 14V)
PBIB1584E
PBIB0042E
PBIB0043E
3AA93ABC3ACD3AC03ACA3AC03AC63AC53A913A773A893A873A873A8E3A773A983AC73AC93AC03AC3
3A893A873A873A8F3A773A9D3AAF3A8A3A8C3A863A9D3AAF3A8B3A8C
Page 2105 of 3924
![INFINITI FX35 2008 Service Manual
DTC P0171, P0174 FUEL INJECTION SYSTEM FUNCTION
EC-865
< SERVICE INFORMATION > [VK45DE]
C
D
E
F
G H
I
J
K L
M A
EC
NP
O
BANK 2
Specification data are reference values
and are measured between each t INFINITI FX35 2008 Service Manual
DTC P0171, P0174 FUEL INJECTION SYSTEM FUNCTION
EC-865
< SERVICE INFORMATION > [VK45DE]
C
D
E
F
G H
I
J
K L
M A
EC
NP
O
BANK 2
Specification data are reference values
and are measured between each t](/img/42/57017/w960_57017-2104.png)
DTC P0171, P0174 FUEL INJECTION SYSTEM FUNCTION
EC-865
< SERVICE INFORMATION > [VK45DE]
C
D
E
F
G H
I
J
K L
M A
EC
NP
O
BANK 2
Specification data are reference values
and are measured between each terminal and ground.
Pulse signal is measured by CONSULT-III.
CAUTION:
Do not use ECM ground terminals wh en measuring input/output voltage. Doing so may result in dam-
age to the ECM's transistor. Use a ground ot her than ECM terminals, such as the ground.
TBWM1333E
3AA93ABC3ACD3AC03ACA3AC03AC63AC53A913A773A893A873A873A8E3A773A983AC73AC93AC03AC3
3A893A873A873A8F3A773A9D3AAF3A8A3A8C3A863A9D3AAF3A8B3A8C
Page 2106 of 3924
![INFINITI FX35 2008 Service Manual
EC-866
< SERVICE INFORMATION >[VK45DE]
DTC P0171, P0174 FUEL IN
JECTION SYSTEM FUNCTION
: Average voltage for pulse signal (Actual pulse signal can be confirmed by oscilloscope.)
Diagnosis ProcedureI INFINITI FX35 2008 Service Manual
EC-866
< SERVICE INFORMATION >[VK45DE]
DTC P0171, P0174 FUEL IN
JECTION SYSTEM FUNCTION
: Average voltage for pulse signal (Actual pulse signal can be confirmed by oscilloscope.)
Diagnosis ProcedureI](/img/42/57017/w960_57017-2105.png)
EC-866
< SERVICE INFORMATION >[VK45DE]
DTC P0171, P0174 FUEL IN
JECTION SYSTEM FUNCTION
: Average voltage for pulse signal (Actual pulse signal can be confirmed by oscilloscope.)
Diagnosis ProcedureINFOID:0000000001326701
1.CHECK EXHAUST GAS LEAK
1. Start engine and run it at idle.
2. Listen for an exhaust gas leak before three way catalyst (manifold).
OK or NG
OK >> GO TO 2.
NG >> Repair or replace.
2.CHECK FOR INTAKE AIR LEAK
TER- MI-
NAL
NO. WIRE
COLOR ITEM CONDITION DATA (DC Voltage)
24 P A/F sensor 1 heater
(Bank 2) [Engine is running]
Warm-up condition
Idle speed Approximately 5V
40
41
42
63 PU
BR
B
G Fuel injector No. 6
Fuel injector No. 4
Fuel injector No. 2
Fuel injector No. 8 [Engine is running]
Warm-up condition
Idle speed NOTE:
The pulse cycle changes depending on rpm
at idle BATTERY VOLTAGE
(11 - 14V)
[Engine is running]
Warm-up condition
Engine speed: 2,000 rpm BATTERY VOLTAGE
(11 - 14V)
57 G A/F sensor 1 (Bank 2) [Engine is running]
Warm-up condition
Idle speed Approximately 2.6V
58 L Approximately 2.3V
76 R Approximately 3.1V
77 OR Approximately 2.3V
PBIB1584E
PBIB0042E
PBIB0043E
PBIB1216E
3AA93ABC3ACD3AC03ACA3AC03AC63AC53A913A773A893A873A873A8E3A773A983AC73AC93AC03AC3
3A893A873A873A8F3A773A9D3AAF3A8A3A8C3A863A9D3AAF3A8B3A8C
Page 2107 of 3924
![INFINITI FX35 2008 Service Manual
DTC P0171, P0174 FUEL INJECTION SYSTEM FUNCTION
EC-867
< SERVICE INFORMATION > [VK45DE]
C
D
E
F
G H
I
J
K L
M A
EC
NP
O
1. Listen for an intake air leak after the mass air flow sensor.
2. Check PCV h INFINITI FX35 2008 Service Manual
DTC P0171, P0174 FUEL INJECTION SYSTEM FUNCTION
EC-867
< SERVICE INFORMATION > [VK45DE]
C
D
E
F
G H
I
J
K L
M A
EC
NP
O
1. Listen for an intake air leak after the mass air flow sensor.
2. Check PCV h](/img/42/57017/w960_57017-2106.png)
DTC P0171, P0174 FUEL INJECTION SYSTEM FUNCTION
EC-867
< SERVICE INFORMATION > [VK45DE]
C
D
E
F
G H
I
J
K L
M A
EC
NP
O
1. Listen for an intake air leak after the mass air flow sensor.
2. Check PCV hose connection.
OK or NG
OK >> GO TO 3.
NG >> Repair or replace.
3.CHECK AIR FUEL RATIO (A/F)
SENSOR 1 INPUT SIGNAL CIRCUIT
1. Turn ignition switch OFF.
2. Disconnect air fuel ratio (A /F) sensor 1 harness connector.
3. Disconnect ECM harness connector.
4. Check harness continuity between the following terminals. Refer to Wiring Diagram.
5. Check harness continuity between the following terminals and ground. Refer to Wiring Diagram.
6. Also check harness for short to power.
OK or NG
OK >> GO TO 4.
: Vehicle front 1. A/F sensor 1 (Bank 2) harness connector2. A/F sensor 1 (Bank 1)
harness connector
A/F sensor 1 terminal ECM terminal
Bank 1 116
275
535
656
Bank 2 176
277
557
658
Continuity should exist.
Bank 1 Bank 2
A/F sensor 1 terminal ECM terminal A/F sensor 1 terminal ECM terminal 116176
275277
535557
656658
Continuity should not exist.
PBIB3246E
3AA93ABC3ACD3AC03ACA3AC03AC63AC53A913A773A893A873A873A8E3A773A983AC73AC93AC03AC3
3A893A873A873A8F3A773A9D3AAF3A8A3A8C3A863A9D3AAF3A8B3A8C
Page 2108 of 3924
![INFINITI FX35 2008 Service Manual
EC-868
< SERVICE INFORMATION >[VK45DE]
DTC P0171, P0174 FUEL IN
JECTION SYSTEM FUNCTION
NG >> Repair open circuit or short to ground or short to power in harness or connectors.
4.CHECK FUEL PRESSURE
INFINITI FX35 2008 Service Manual
EC-868
< SERVICE INFORMATION >[VK45DE]
DTC P0171, P0174 FUEL IN
JECTION SYSTEM FUNCTION
NG >> Repair open circuit or short to ground or short to power in harness or connectors.
4.CHECK FUEL PRESSURE](/img/42/57017/w960_57017-2107.png)
EC-868
< SERVICE INFORMATION >[VK45DE]
DTC P0171, P0174 FUEL IN
JECTION SYSTEM FUNCTION
NG >> Repair open circuit or short to ground or short to power in harness or connectors.
4.CHECK FUEL PRESSURE
1. Release fuel pressure to zero. Refer to EC-665, "
Fuel Pressure Check".
2. Install fuel pressure gauge and check fuel pressure. Refer to EC-665, "
Fuel Pressure Check".
OK or NG
OK >> GO TO 6.
NG >> GO TO 5.
5.DETECT MALFUNCTIONING PART
Check the following.
Fuel pump and circuit (Refer to EC-1155
.)
Fuel pressure regulator (Refer to EC-665, "
Fuel Pressure Check".)
Fuel lines (Refer to FL-3, "
Checking Fuel Line".)
Fuel filter for clogging
>> Repair or replace.
6.CHECK MASS AIR FLOW SENSOR
With CONSULT-III
1. Install all removed parts.
2. Check “MASS AIR FLOW” in “DATA MONITOR” mode with CONSULT-III.
With GST
1. Install all removed parts.
2. Check mass air flow sensor signal in “Service $01” with GST.
OK or NG
OK (With CONSULT-III)>>GO TO 7.
OK (Without CONSULT-III)>>GO TO 8.
NG >> Check connectors for rusted terminals or loose connections in the mass air flow sensor circuit or
grounds. Refer to EC-768
.
7.CHECK FUNCTION OF FUEL INJECTOR-I
With CONSULT-III
1. Start engine.
2. Perform “POWER BALANCE” in “A CTIVE TEST” mode with CONSULT-III.
3. Make sure that each circuit produces a momentary engine speed drop.
OK or NG
OK >> GO TO 10.
NG >> Perform trouble diagnosis for EC-1149
.
8.CHECK FUNCTION OF FUEL INJECTOR-I
Without CONSULT-III
1. Turn ignition switch OFF.
2. Disconnect harness connectors F21, F 201 (Bank 1) and F41, F221 (Bank 2).
At idling: Approximately 350 kPa (3.57 kg/cm
2, 51 psi)
2.0 - 6.0 g·m/sec: at idling
7.0 - 20.0 g·m/sec: at 2,500 rpm
2.0 - 6.0 g·m/sec: at idling
7.0 - 20.0 g·m/sec: at 2,500 rpm
3AA93ABC3ACD3AC03ACA3AC03AC63AC53A913A773A893A873A873A8E3A773A983AC73AC93AC03AC3
3A893A873A873A8F3A773A9D3AAF3A8A3A8C3A863A9D3AAF3A8B3A8C
Page 2109 of 3924
![INFINITI FX35 2008 Service Manual
DTC P0171, P0174 FUEL INJECTION SYSTEM FUNCTION
EC-869
< SERVICE INFORMATION > [VK45DE]
C
D
E
F
G H
I
J
K L
M A
EC
NP
O
3. Turn ignition switch ON.
4. Check voltage between the following;
harness con INFINITI FX35 2008 Service Manual
DTC P0171, P0174 FUEL INJECTION SYSTEM FUNCTION
EC-869
< SERVICE INFORMATION > [VK45DE]
C
D
E
F
G H
I
J
K L
M A
EC
NP
O
3. Turn ignition switch ON.
4. Check voltage between the following;
harness con](/img/42/57017/w960_57017-2108.png)
DTC P0171, P0174 FUEL INJECTION SYSTEM FUNCTION
EC-869
< SERVICE INFORMATION > [VK45DE]
C
D
E
F
G H
I
J
K L
M A
EC
NP
O
3. Turn ignition switch ON.
4. Check voltage between the following;
harness connector F21 terminal 5 and ground,
harness connector F41 terminal 5 and ground.
5. Turn ignition switch OFF.
6. Disconnect ECM harness connector.
7. Check harness continuity between the following terminals.
8. Also check harness for short to ground and short to power.
OK or NG
OK >> GO TO 9.
NG >> Perform trouble diagnosis for EC-1149
.
9.CHECK FUNCTION OF FUEL INJECTOR-II
Provide battery voltage between the following terminals, and then
interrupt it. Listen to each fuel injector operating sound.
: Vehicle front 1. Harness connectors F41, F221 2. Harness connectors F21, F201
Voltage: Battery voltage
Cylinder Harness connector terminal ECM terminal
1 F21 terminal 3 23
3 F21 terminal 2 22
5 F21 terminal 1 21
7 F21 terminal 6 44
2 F41 terminal 3 42
4 F41 terminal 2 41
6 F41 terminal 1 40
8 F41 terminal 6 63
Continuity should exist.
PBIB3248E
PBIB0180E
Cylinder Harness connector terminal
(+) (–)
1
F201 5 3
32
51
76
PBIB2449E
3AA93ABC3ACD3AC03ACA3AC03AC63AC53A913A773A893A873A873A8E3A773A983AC73AC93AC03AC3
3A893A873A873A8F3A773A9D3AAF3A8A3A8C3A863A9D3AAF3A8B3A8C
Page 2110 of 3924
![INFINITI FX35 2008 Service Manual
EC-870
< SERVICE INFORMATION >[VK45DE]
DTC P0171, P0174 FUEL IN
JECTION SYSTEM FUNCTION
OK or NG
OK >> GO TO 10.
NG >> Perform trouble diagnosis for EC-1149
.
10.CHECK FUEL INJECTOR
1. Turn ignition INFINITI FX35 2008 Service Manual
EC-870
< SERVICE INFORMATION >[VK45DE]
DTC P0171, P0174 FUEL IN
JECTION SYSTEM FUNCTION
OK or NG
OK >> GO TO 10.
NG >> Perform trouble diagnosis for EC-1149
.
10.CHECK FUEL INJECTOR
1. Turn ignition](/img/42/57017/w960_57017-2109.png)
EC-870
< SERVICE INFORMATION >[VK45DE]
DTC P0171, P0174 FUEL IN
JECTION SYSTEM FUNCTION
OK or NG
OK >> GO TO 10.
NG >> Perform trouble diagnosis for EC-1149
.
10.CHECK FUEL INJECTOR
1. Turn ignition switch OFF.
2. Confirm that the engine is cooled down and there are no fire hazards near the vehicle.
3. Disconnect all fuel injector harness connectors.
4. Remove fuel tube assembly. Refer to EM-190
.
Keep fuel hose and all fuel inje ctors connected to fuel tube.
5. For DTC P0171, reconnect fuel injector harness connectors on bank 1. For DTC P0174, reconnect fuel injector harness connectors on bank 2.
6. Disconnect all ignition coil harness connectors.
7. Prepare pans or saucers under each fuel injector.
8. Crank engine for about 3 seconds. For DTC P0171, make sure that fuel sprays out from fuel injec-
tors on bank 1.
For DTC P0174, make sure that fuel sprays out from fuel injec-
tors on bank 2.
OK or NG
OK >> GO TO 11.
NG >> Replace fuel injectors from which fuel does not spray out. Always replace O-ring with new ones.
11 .CHECK INTERMITTENT INCIDENT
Refer to EC-717
.
>> INSPECTION END
2
F221 5 3
42
61
86
Operating sound should exist.
Cylinder Harness connector terminal
(+) (–)
Fuel should be sprayed even ly for each fuel injector.
PBIB1726E
3AA93ABC3ACD3AC03ACA3AC03AC63AC53A913A773A893A873A873A8E3A773A983AC73AC93AC03AC3
3A893A873A873A8F3A773A9D3AAF3A8A3A8C3A863A9D3AAF3A8B3A8C