INFINITI M35 2006 Factory Service Manual
M35 2006
INFINITI
INFINITI
https://www.carmanualsonline.info/img/42/57023/w960_57023-0.png
INFINITI M35 2006 Factory Service Manual
Trending: fuse box location, roof, oil temperature, brake rotor, wiring diagram, combination meter, towing
Page 3041 of 5621
EI-36
DOOR FINISHER
Revision: 2006 January2006 M35/M45
FRONT DOOR SASH COVER INNER
Removal
1. Remove front door finisher.
2. Disconnect harness connector for door mirror and tweeter.
3. Remove clips of front door sash cover inner.
4. Remove front door sash cover inner.
Installation
Install in the reverse order of removal.
REAR DOOR SASH COVER INNER
Removal
1. Remove rear door finisher.
2. Remove clip of rear door sash cover inner.
3. Remove rear door sash cover inner.
Installation
Install in the reverse order of removal.
PIIB4934E
PIIB4935E
Page 3042 of 5621
BODY SIDE TRIM
EI-37
C
D
E
F
G
H
J
K
L
MA
B
EI
Revision: 2006 January2006 M35/M45
BODY SIDE TRIMPFP:76913
Removal and InstallationNIS0024V
CAUTION:
Wrap the tip of flat-bladed screwdriver with a cloth when removing metal clips from garnishes.
1. Front pillar garnish 2. Dash side finisher 3. Front body side welt
4. Front kicking plate outer 5. Front kicking plate inner 6. Center pillar lower garnish
7. Rear kicking plate inner 8. Rear wheel house garnish 9. Rear pillar finisher
10. Rear body side welt 11. Center pillar upper garnish 12. Rear kicking plate outer
Clip Pawl Metal clip
PIIB2755J
Page 3043 of 5621
EI-38
BODY SIDE TRIM
Revision: 2006 January2006 M35/M45
FRONT PILLAR GARNISH
Removal
Remove pillar garnish mounting clips using a clip clamp remover,
and then remove pillar garnish.
Installation
Install in the reverse order of removal.
FRONT KICKING PLATE OUTER
Removal
Remove front kicking plate outer mounting clips using a clip clamp
remover, and then remove kicking plate outer.
Installation
Install in the reverse order of removal.
FRONT KICKING PLATE INNER
Removal
1. Remove front kicking plate inner mounting clips using a clip
clamp remover.
2. Disconnect kicking plate illumination harness connector.
3. Remove front kicking plate inner.
Installation
Install in the reverse order of removal.
PIIB2760J
PIIB2761J
PIIB2762J
Page 3044 of 5621

BODY SIDE TRIM
EI-39
C
D
E
F
G
H
J
K
L
MA
B
EI
Revision: 2006 January2006 M35/M45
FRONT BODY SIDE WELT
Removal
1. Remove center pillar lower garnish.
2. Remove center kicking plate inner.
3. Remove front body side welt.
Installation
Install in the reverse order of removal.
CENTER PILLAR LOWER GARNISH
Removal
Remove center pillar lower garnish mounting clips using a screw-
driver, and then remove center pillar lower garnish.
CAUTION:
Be careful not to damage the body.
Installation
Install in the reverse order of removal.
CENTER PILLAR UPPER GARNISH
Removal
1. Remove center pillar lower garnish.
2. Remove front seat belt floor anchor bolt and front seat belt shoulder anchor bolt. Refer to SB-30,
"Removal and Installation of Front Seat Belt" .
3. Remove front body side welt and rear body side welt.
4. Remove center pillar upper garnish mounting clips using a
screwdriver, and then remove center pillar upper garnish.
Installation
Install in the reverse order of removal.
PIIB2763J
PIIB2764J
Page 3045 of 5621
EI-40
BODY SIDE TRIM
Revision: 2006 January2006 M35/M45
REAR KICKING PLATE OUTER
Removal
Remove rear kicking plate outer mounting clips using a clip clamp
remover, and then remove kicking plate outer.
Installation
Install in the reverse order of removal.
REAR KICKING PLATE INNER
Removal
1. Remove rear seat cushion. Refer to SE-176, "Removal and Installation" .
2. Remove kicking plate inner mounting clips using a clip clamp
remover, and then remove kicking plate inner.
Installation
Install in the reverse order of removal.
REAR BODY SIDE WELT
Removal
1. Remove center pillar lower garnish.
2. Remove rear seat cushion. Refer to SE-176, "
Removal and Installation" .
3. Remove rear kicking plate inner.
4. Remove rear body side welt.
Installation
Install in the reverse order of removal.
PIIB2765J
PIIB2766J
Page 3046 of 5621

BODY SIDE TRIM
EI-41
C
D
E
F
G
H
J
K
L
MA
B
EI
Revision: 2006 January2006 M35/M45
REAR WHEEL HOUSE GARNISH
Removal
1. Remove rear seat cushion and rear seatback. Refer to SE-176, "Removal and Installation" .
2. Remove rear body side welt.
3. Remove clip of rear wheel house garnish.
4. Remove rear wheel house garnish.
Installation
Install in the reverse order of removal.
NOTE:
To install, check if all clips are matched over holes of panel on vehicle, then push on.
REAR PILLAR FINISHER
Removal
1. Remove rear seat cushion and rear seatback. Refer to SE-176, "Removal and Installation" .
2. Remove rear seat belt floor anchor bolt. Refer to SB-32, "
Removal and Installation of Rear Seat Belt" .
3. Remove rear kicking plate inner.
4. Remove rear wheel house garnish.
5. Remove pillar finisher mounting clips using a screwdriver, and
then remove pillar finisher.
CAUTION:
Insert a clip clamp remover wrapped with a shop cloth or
clip clamp remover into the part shown by the arrow
(between the clips and the body side panel). Remove clips.
Installation
Install in the reverse order of removal.
CAUTION:
Make sure that clips are securely fitted in panel holes on body when installing, and then press them in.
PIIB2769J
PIIB2768J
Page 3047 of 5621
EI-42
REAR PARCEL SHELF FINISHER
Revision: 2006 January2006 M35/M45
REAR PARCEL SHELF FINISHERPFP:79910
Removal and InstallationNIS0024W
REMOVAL
1. Remove rear seatback and rear seat cushion. Refer to SE-176, "Removal and Installation" .
2. Remove rear seat belt floor anchor bolt and rear seat belt shoulder anchor bolt. Refer to SB-32, "
Removal
and Installation of Rear Seat Belt" .
3. Disengage child anchor cover front pawls, and then pull out child anchor cover (LH/RH center) toward
front of vehicle. (Models with rear window sunshade)
4. Remove rear kicking plate inner, rear wheelhouse garnish, rear pillar finisher. Refer to EI-37, "
BODY SIDE
TRIM" .
1. Rear parcel shelf lid 2. High-mounted stop lamp 3. Child anchor cover
4. Rear parcel shelf finisher 5. Rear seat belt shoulder anchor cover 6. Rear window sunshade
PIIB4590E
Page 3048 of 5621

REAR PARCEL SHELF FINISHER
EI-43
C
D
E
F
G
H
J
K
L
MA
B
EI
Revision: 2006 January2006 M35/M45
5. Disconnect high-mounted stop lamp harness connector from
front side of rear parcel shelf finisher. (Models with rear window
sunshade)
6. Remove rear parcel shelf finisher mounting clip using a clip clamp remover.
7. Remove the following parts after removing rear parcel shelf finisher.
Rear speaker grille (for woofer)
High-mounted stop lamp
High-mounted stop lamp harness
INSTALLATION
Install in the reverse order of removal.
CAUTION:
Make sure that clips are securely fitted in panel holes on body when installing, and then press them in.
Rear Window SunshadeNIS0024X
REMOVAL AND INSTALLATION
CAUTION:
Be careful not to damage the rear window glass.
Removal
1. Remove rear parcel shelf finisher. Refer to EI-42, "REAR PARCEL SHELF FINISHER" .
2. Disconnect rear window sunshade harness connector.
3. Remove rear window sunshade mounting bolts.
4. Lift up rear window sunshade and pull out locating pin from body side panel hole, and then remove rear
window sunshade.
Installation
Install in the reverse order of removal.
PIIB5130E
Page 3049 of 5621
EI-44
SUNSHADE
Revision: 2006 January2006 M35/M45
SUNSHADEPFP:97580
Component Parts and Harness Connector LocationNIS0024Y
PIIB5864E
1. Fuse block (J/B) 2. Back-up lamp relay E19 3.Rear sunshade cancel relay B141
(View with the trunk side finisher RH
removed)
4.Rear sunshade unit (With built-in
motor) B122
(View with the rear parcel shelf fin-
isher removed)5.a: Rear sunshade front switch M137
b: Rear control cancel switch M1516. Rear sunshade rear switch B557
Page 3050 of 5621
SUNSHADE
EI-45
C
D
E
F
G
H
J
K
L
MA
B
EI
Revision: 2006 January2006 M35/M45
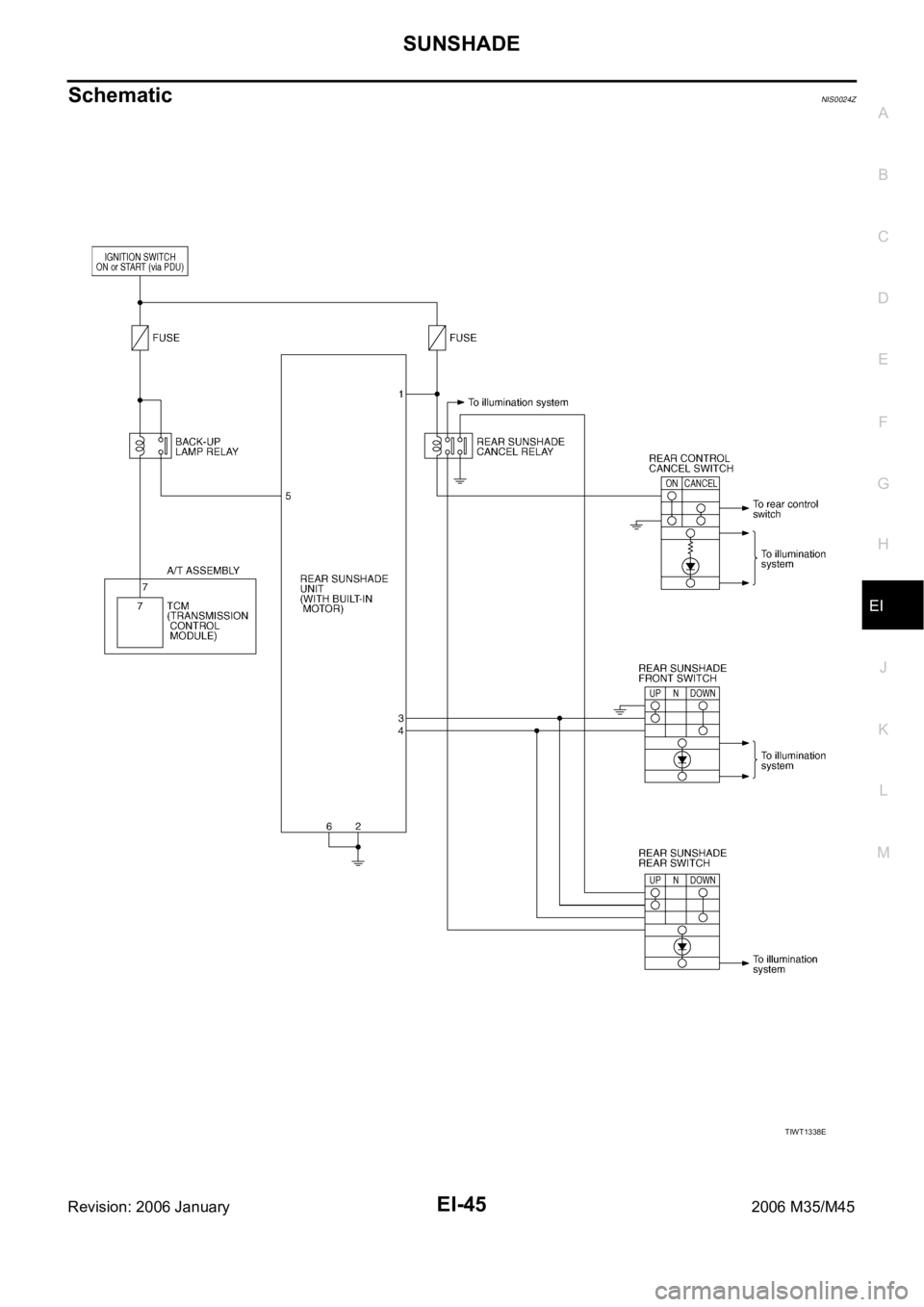
SchematicNIS0024Z
TIWT1338E
Trending: change time, brake pads replacement, satellite, tow bar, weight, camshaft position sensor, VDC