INFINITI M35 2006 Factory Service Manual
Manufacturer: INFINITI, Model Year: 2006, Model line: M35, Model: INFINITI M35 2006Pages: 5621, PDF Size: 65.56 MB
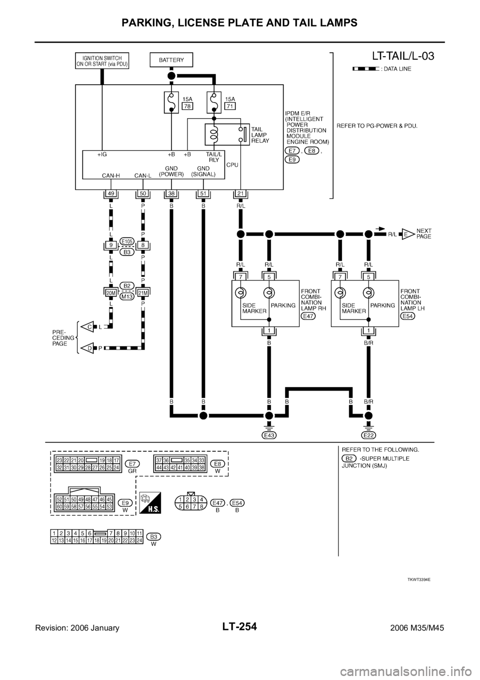
Page 4681 of 5621

LT-254
PARKING, LICENSE PLATE AND TAIL LAMPS
Revision: 2006 January2006 M35/M45
TKWT3394E
Page 4682 of 5621

PARKING, LICENSE PLATE AND TAIL LAMPS
LT-255
C
D
E
F
G
H
I
J
L
MA
B
LT
Revision: 2006 January2006 M35/M45
TKWT3395E
Page 4683 of 5621

LT-256
PARKING, LICENSE PLATE AND TAIL LAMPS
Revision: 2006 January2006 M35/M45
TKWT3396E
Page 4684 of 5621

PARKING, LICENSE PLATE AND TAIL LAMPS
LT-257
C
D
E
F
G
H
I
J
L
MA
B
LT
Revision: 2006 January2006 M35/M45
Terminals and Reference Values for BCMNKS003SN
CAUTION:
Check combination switch system terminal waveform under the loaded condition with lighting
switch, turn signal switch and wiper switch OFF not to be fluctuated by overloaded.
Turn wiper dial position to 4 except when checking waveform or voltage of wiper dial position.
Wiper dial position can be confirmed on CONSULT-II. Refer to LT- 5 8 , "
DATA MONITOR" .
Terminal
No.Wire
colorSignal nameMeasuring condition
Reference value
Ignition
switchOperation or condition
2L/RCombination
switch input 5ONLighting, turn, wiper
switch
(Wiper dial position 4)Lighting switch 1ST
Approx. 1.0V
OFF Approx. 0V
11 VIgnition switch
(ACC)ACC — Battery voltage
33 GRCombination
switch output 4ONLighting, turn, wiper
switch
(Wiper dial position 4)Lighting switch 1ST
(The same result with
lighting switch 2ND)
Approx. 1.2V
OFF
Approx. 7.0 - 7.5V
38 WIgnition switch
(ON) ON — Battery voltage
39 L CAN
H — — —
40 P CAN
L — — —
42 PBattery power
supplyOFF — Battery voltage
52 B Ground ON — Approx. 0V
55 WBattery power
supplyOFF — Battery voltage
PKIB4957J
PKIB4958J
PKIB4960J
Page 4685 of 5621

LT-258
PARKING, LICENSE PLATE AND TAIL LAMPS
Revision: 2006 January2006 M35/M45
Terminals and Reference Values for IPDM E/RNKS003SO
How to Perform Trouble DiagnosesNKS003SP
1. Confirm the symptom or customer complaint.
2. Understand operation description and function description. Refer to LT- 2 4 9 , "
System Description" .
3. Carry out the Preliminary Check. Refer to LT- 2 5 8 , "
Preliminary Check" .
4. Check symptom and repair or replace the cause of malfunction.
5. Do the parking, license plate and tail lamps operate normally? If YES, GO TO 6. If NO, GO TO 4.
6. INSPECTION END
Preliminary CheckNKS003SQ
CHECK POWER SUPPLY AND GROUND CIRCUIT
1. CHECK FUSE
Check for blown fuses.
Refer to LT-252, "Wiring Diagram — TAIL/L —" .
OK or NG
OK >> GO TO 2.
NG >> If fuse or fusible link is blown, be sure to eliminate cause of malfunction before installing new fuse
or fusible link. Refer to PG-3, "
POWER SUPPLY ROUTING CIRCUIT" .
Terminal
No.Wire
colorSignal nameMeasuring condition
Reference value
Ignition
switchOperation or condition
21 R/LParking, license plate, and
tail lamp outputONLighting switch
1STOFF Approx. 0V
ON Battery voltage
38 B Ground ON — Approx. 0V
49 L CAN
H — — —
50 P CAN
L — — —
51 B Ground ON — Approx. 0V
Unit Power source Fuse and fusible link No.
BCMBatteryF
21
Ignition switch ON or START position 1
Ignition switch ACC or ON position 6
IPDM E/R Battery71
78
Page 4686 of 5621

PARKING, LICENSE PLATE AND TAIL LAMPS
LT-259
C
D
E
F
G
H
I
J
L
MA
B
LT
Revision: 2006 January2006 M35/M45
2. CHECK POWER SUPPLY CIRCUIT
1. Turn ignition switch OFF.
2. Disconnect BCM connector.
3. Check voltage between BCM harness connector and ground.
OK or NG
OK >> GO TO 3.
NG >> Check harness for open or short between BCM and
fuse.
3. CHECK GROUND CIRCUIT
Check continuity between BCM harness connector and ground.
OK or NG
OK >> INSPECTION END
NG >> Check harness ground circuit.
CONSULT-II Functions (BCM)NKS003SR
Refer to LT- 5 7 , "CONSULT-II Functions (BCM)" in HEADLAMP - XENON TYPE.
Refer to LT- 2 2 , "
CONSULT-II Functions (BCM)" in HEADLAMP - CONVENTIONAL TYPE.
CONSULT-II Functions (IPDM E/R)NKS003SS
Refer to LT- 6 0 , "CONSULT-II Functions (IPDM E/R)" in HEADLAMP - XENON TYPE.
Refer to LT- 2 5 , "
CONSULT-II Functions (IPDM E/R)" in HEADLAMP - CONVENTIONAL TYPE.
Terminal Ignition switch position
(+)
(-) OFF ACC ON
BCM
connectorTerminal
M111
GroundApprox. 0VBattery
voltageBattery
voltage
38 Approx. 0V Approx. 0VBattery
voltage
M242Battery
voltageBattery
voltageBattery
voltage
55 Battery
voltageBattery
voltageBattery
voltage
PKIA5204E
BCM connector Terminal
GroundContinuity
M2 52 Yes
SKIB5125E
Page 4687 of 5621

LT-260
PARKING, LICENSE PLATE AND TAIL LAMPS
Revision: 2006 January2006 M35/M45
Parking, License Plate and Tail Lamps Do Not IlluminateNKS003ST
1. CHECK COMBINATION SWITCH INPUT SIGNAL
With CONSULT-II
1. Select “BCM” on CONSULT-II. Select “HEAD LAMP” on
“SELECT TEST ITEM” screen.
2. Select “DATA MONITOR” on “SELECT DIAG MODE” screen.
Make sure “TAIL LAMP SW” turns ON-OFF linked with operation
of lighting switch.
Without CONSULT-II
Refer toLT-240, "
Combination Switch Inspection" .
OK or NG
OK >> GO TO 2.
NG >> Check combination switch (lighting switch). Refer to LT-240, "
Combination Switch Inspection" .
2. ACTIVE TEST
With CONSULT-II
1. Select “IPDM E/R” on CONSULT-II. Select “ACTIVE TEST” on
“SELECT DIAG MODE” screen.
2. Select “TAIL LAMP” on “SELECT TEST ITEM” screen.
3. Touch “ON” screen.
4. Make sure parking, license plate and tail lamp operation.
Without CONSULT-II
1. Start auto active test. Refer to PG-24, "
Auto Active Test" .
2. Make sure parking, license plate and tail lamp operation.
OK or NG
OK >> GO TO 3.
NG >> GO TO 4.
3. CHECK IPDM E/R
1. Select “IPDM E/R” on CONSULT-II. Select “DATA MONITOR”
on “SELECT DIAG MODE” screen.
2. Make sure “TAIL & CLR REQ” turns ON when lighting switch is
in 1ST position.
OK or NG
OK >> Replace IPDM E/R. Refer to PG-31, "Removal and
Installation of IPDM E/R" .
NG >> Replace BCM. Refer to BCS-17, "
Removal and Installa-
tion of BCM" . When lighting switch is 1ST
position: TAIL LAMP SW ON
SKIB4822E
Parking, license plate and tail lamps should operate.
Parking, license plate and tail lamps should operate.
PKIA6359E
When lighting switch is 1ST
position: TAIL & CLR REQ ON
SKIA5958E
Page 4688 of 5621

PARKING, LICENSE PLATE AND TAIL LAMPS
LT-261
C
D
E
F
G
H
I
J
L
MA
B
LT
Revision: 2006 January2006 M35/M45
4. CHECK INPUT SIGNAL
With CONSULT-II
1. Turn ignition switch OFF.
2. Disconnect front combination lamp, license plate lamp and rear combination lamp connectors.
3. Select “IPDM E/R” on CONSULT-II, and select “ACTIVE TEST” on “SELECT DIAG MODE” screen.
4. Select “TAIL LAMP” on “SELECT TEST ITEM” screen.
5. Touch “ON” screen.
6. When tail lamp relay is operating, check voltage between front combination lamp, license plate lamp, rear
combination lamp harness connector and ground.
Without CONSULT-II
1. Turn ignition switch OFF.
2. Disconnect front combination lamp, license plate lamp and rear combination lamp connectors.
3. Start auto active test. Refer to PG-24, "
Auto Active Test" .
4. When tail lamp relay is operating, check voltage between front combination lamp, license plate lamp, rear
combination lamp harness connector and ground.
Terminal
Vo l ta g e (+)
(-)
Front combination lamp
(parking) connectorTerminal
RH E47
5 Ground Battery voltage
LH E54
SKIB4832E
Terminal
Vo l ta g e (+)
(-)
Front combination lamp
(side marker) connectorTerminal
RH E47
7 Ground Battery voltage
LH E54
SKIB4833E
Terminal
Voltage (+)
(-)
Rear combination lamp
(tail) connectorTerminal
RH B130
1 Ground Battery voltage
LH B135
SKIB4834E
Page 4689 of 5621

LT-262
PARKING, LICENSE PLATE AND TAIL LAMPS
Revision: 2006 January2006 M35/M45
OK or NG
OK >> GO TO 6.
NG >> GO TO 5.
Terminal
Voltage (+)
(-)
License plate lamp
connectorTerminal
RH T105
1 Ground Battery voltage
LH T108
PKIB7987E
Page 4690 of 5621

PARKING, LICENSE PLATE AND TAIL LAMPS
LT-263
C
D
E
F
G
H
I
J
L
MA
B
LT
Revision: 2006 January2006 M35/M45
5. CHECK PARKING, LICENSE PLATE AND TAIL LAMP CIRCUIT
1. Turn ignition switch OFF.
2. Disconnect IPDM E/R connector.
3. Check continuity between IPDM E/R harness connector (A) and
front combination lamp harness connector (B).
4. Check continuity between IPDM E/R harness connector (A) and
front combination lamp harness connector (B).
5. Check continuity between IPDM E/R harness connector (A) and
rear combination lamp harness connector (B).
6. Check continuity between IPDM E/R harness connector (A) and
license plate lamp harness connector (B).
OK or NG
OK >> Replace IPDM E/R. Refer to PG-31, "Removal and
Installation of IPDM E/R" .
NG >> Repair harness or connector.
AB
Continuity
Connector Terminal Connector Terminal
E7 21RH E47
5Yes
LH E54
SKIB4835E
AB
Continuity
Connector Terminal Connector Terminal
E7 21RH E47
7Yes
LH E54
SKIB4836E
AB
Continuity
Connector Terminal Connector Terminal
E7 21RH B130
1Yes
LH B135
SKIB4837E
AB
Continuity
Connector Terminal Connector Terminal
E7 21RH T105
1Yes
LH T108
SKIB4838E