INFINITI M35 2007 Factory Service Manual
M35 2007
INFINITI
INFINITI
https://www.carmanualsonline.info/img/42/57024/w960_57024-0.png
INFINITI M35 2007 Factory Service Manual
Trending: oil pressure, radio controls, steering wheel adjustment, fuse box location, gas type, GI-11, sec 117
Page 301 of 4647
AT-222
SHIFT CONTROL SYSTEM
Revision: 2007 April2007 M35/M45
SHIFT CONTROL SYSTEMPFP:34901
Control Device Removal and InstallationNCS001QL
CONTROL DEVICE COMPONENTS (2WD MODELS)
1. Selector lever knob 2. Lock pin 3. Control device assembly
4. Snap pin 5. Plain washer 6. Color
7. Plain washer 8. Pivot pin 9. Control rod
10. Insulator 11. Dust cover plate 12. Dust cover
Refer to GI section to make sure icons (symbol marks) in the figure. Refer to GI-11, "
Components" .
SCIA6755E
Page 302 of 4647
SHIFT CONTROL SYSTEM
AT-223
D
E
F
G
H
I
J
K
L
MA
B
AT
Revision: 2007 April2007 M35/M45
REMOVAL
CAUTION:
Make sure that parking brake is applied before removal/installation.
1. Move selector lever to “N†position.
2. Remove knob cover (1) below selector lever downward.
3. Pull lock pin (3) out of selector lever knob (2).
4. Remove selector lever knob (2).
5. Remove cup holder, switch finisher, cluster lid C and A/T con-
sole finisher. Refer to IP-10, "
INSTRUMENT PANEL ASSEM-
BLY"
6. Remove center console. Refer to IP-10, "INSTRUMENT PANEL
ASSEMBLY" .
7. Disconnect A/T device harness connector.
8. Remove control device assembly.
INSTALLATION
Note the following, and install in the reverse order of removal.
After installation is completed, adjust and check A/T position. Refer to AT- 2 2 7 , "Adjustment of A/T Posi-
tion" and AT- 2 2 8 , "Checking of A/T Position" .
SCIA6754E
Page 303 of 4647
AT-224
SHIFT CONTROL SYSTEM
Revision: 2007 April2007 M35/M45
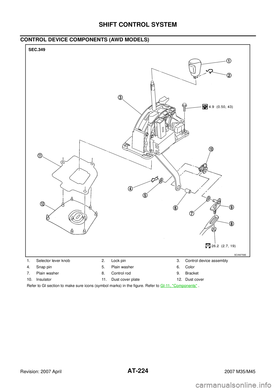
CONTROL DEVICE COMPONENTS (AWD MODELS)
1. Selector lever knob 2. Lock pin 3. Control device assembly
4. Snap pin 5. Plain washer 6. Color
7. Plain washer 8. Control rod 9. Bracket
10. Insulator 11. Dust cover plate 12. Dust cover
Refer to GI section to make sure icons (symbol marks) in the figure. Refer to GI-11, "
Components" .
SCIA6756E
Page 304 of 4647

SHIFT CONTROL SYSTEM
AT-225
D
E
F
G
H
I
J
K
L
MA
B
AT
Revision: 2007 April2007 M35/M45
REMOVAL
CAUTION:
Make sure that parking brake is applied before removal/installation.
1. Disconnect lower lever of control device and control rod.
2. Move selector lever to “N†position.
3. Remove knob cover (1) below selector lever downward.
4. Pull lock pin (3) out of selector lever knob (2).
5. Remove selector lever knob (2).
6. Remove cup holder, switch finisher, cluster lid C and A/T con-
sole finisher. Refer to IP-10, "
INSTRUMENT PANEL ASSEM-
BLY" .
7. Remove center console. Refer to IP-10, "
INSTRUMENT PANEL
ASSEMBLY" .
8. Disconnect A/T device harness connector.
9. Move selector lever to “P†position.
10. Move driver side seat to the end.
11. Remove one of floor carpet attachment clips (1).
12. Remove control device assembly mounting dolts.
13. Lift control device assembly (1). Then slide to the right till touch-
ing floor carpet.
14. Pull control device assembly out in the right-slanting direction
while pressing to the right.
SCIA6754E
SCIA6415J
SCIA6416J
SCIA6417J
Page 305 of 4647
AT-226
SHIFT CONTROL SYSTEM
Revision: 2007 April2007 M35/M45
INSTALLATION
Note the following, and install in the reverse order of removal.
NOTE:
Bend control device assembly (1) to vehicle, then insert lower lever
(2) to the rear of vehicle.
After installation is completed, adjust and check A/T position.
Refer to AT- 2 2 7 , "
Adjustment of A/T Position" and AT- 2 2 8 ,
"Checking of A/T Position" .
Control Rod Removal and InstallationNCS001QM
CONTROL ROD COMPONENTS (2WD MODELS)
Refer to the figure below for control rod removal and installation procedure.
SCIA6418J
1. Control device assembly 2. A/T assembly 3. Manual lever
4. Control rod 5. Lower lever
Refer to GI section to make sure icons (symbol marks) in the figure. Refer to GI-11, "
Components" .
SCIA6504J
Page 306 of 4647

SHIFT CONTROL SYSTEM
AT-227
D
E
F
G
H
I
J
K
L
MA
B
AT
Revision: 2007 April2007 M35/M45
CONTROL ROD COMPONENTS (AWD MODELS)
Refer to the figure below for control rod removal and installation procedure.
Adjustment of A/T PositionNCS001QN
2WD MODELS
1. Loosen nut (2) of pivot pin (1).
2. Place PNP switch and selector lever in “P†position.
3. While pressing lower lever (3) toward rear of vehicle (in “P†posi-
tion direction), tighten nut (2) to specified torque.
Refer to AT- 2 2 6 , "
CONTROL ROD COMPONENTS (2WD
MODELS)" .
AWD MODELS
1. Loosen nut (2) of bracket (1).
2. Place PNP switch and selector lever in “P†position.
3. While pressing lower lever (3) toward rear of vehicle (in “P†posi-
tion direction), tighten nut (2) to specified torque.
Refer to AT- 2 2 7 , "
CONTROL ROD COMPONENTS (AWD
MODELS)" .
1. Control device assembly 2. A/T assembly 3. Manual lever
4. Control rod 5. Lower lever
Refer to GI section to make sure icons (symbol marks) in the figure. Refer to GI-11, "
Components" .
SCIA7055E
SCIA6354J
SCIA6353J
Page 307 of 4647

AT-228
SHIFT CONTROL SYSTEM
Revision: 2007 April2007 M35/M45
Checking of A/T PositionNCS001QO
1. Place selector lever in “P†position, and turn ignition switch ON (engine stop).
2. Make sure that selector lever can be shifted to other than “P†position when brake pedal is depressed.
Also make sure that selector lever can be shifted from “P†position only when brake pedal is depressed.
3. Move the selector lever and check for excessive effort, sticking, noise or rattle.
4. Confirm the selector lever stops at each position with the feel of engagement when it is moved through all
the positions. Check whether or not the actual position the selector lever is in matches the position shown
by the shift position indicator and the A/T body.
5. The method of operating the lever to individual positions cor-
rectly should be as shown in the figure.
6. When selector button is pressed in “Pâ€, “Râ€, or “N†position with-
out applying forward/backward force to selector lever, check but-
ton operation for sticking.
7. Confirm the back-up lamps illuminate only when lever is placed
in the “R†position. Confirm the back-up lamps does not illumi-
nate when selector lever is pushed against “R†position in the
“P†or “N†position.
8. Confirm the engine can only be started with the selector lever in
the “P†and “N†positions. (With selector lever in the “P†position,
engine can be started even when selector lever is moved for-
ward and backward.)
9. Make sure that A/T is locked completely in “P†position.
10. When selector lever is set to manual shift gate, make sure that manual mode is displayed on combination
meter.
Shift selector lever to “+†and “-†sides, and check that set shift position changes.
SCIA6760E
Page 308 of 4647
A/T SHIFT LOCK SYSTEM
AT-229
D
E
F
G
H
I
J
K
L
MA
B
AT
Revision: 2007 April2007 M35/M45
A/T SHIFT LOCK SYSTEMPFP:34950
DescriptionNCS001QP
The mechanical key interlock mechanism also operates as a shift lock:
With the ignition switch turned to ON, the selector lever cannot be shifted from “P†position to any other posi-
tions unless the brake pedal is depressed.
Shift Lock System Electrical Parts LocationNCS001QQ
A. Control device assembly B. Engine room, right side C. Brake pedal, upper
1. Shift lock unit (Shift lock solenoid installed) 2. A/T device harness connector 3. Shift lock relay
4. Brake pedal 5. Stop lamp switch
SCIA6743E
Page 309 of 4647
AT-230
A/T SHIFT LOCK SYSTEM
Revision: 2007 April2007 M35/M45
Wiring Diagram — AT — SHIFTNCS001QR
TCWT0353E
Page 310 of 4647
A/T SHIFT LOCK SYSTEM
AT-231
D
E
F
G
H
I
J
K
L
MA
B
AT
Revision: 2007 April2007 M35/M45
TCWT0354E
Trending: fuel tank removal, fuel tank capacity, tension, sunroof, engine overheat, weight, navigation system