INFINITI QX4 2005 Factory Service Manual

INFINITI QX4 2005 Factory Service Manual QX4 2005 INFINITI INFINITI https://www.carmanualsonline.info/img/42/57035/w960_57035-0.png INFINITI QX4 2005 Factory Service Manual
Trending: oil temperature, parking brake, overheating, night vision, belt, checking oil, instrument panel

Page 591 of 3419

INFINITI QX4 2005  Factory Service Manual AV-2Revision: October 20052005 QX56 “VIEW” MODE  ..................................................... 70
“HEADING” MODE  .............................................. 71
“NEARBY DISPLAY IC

Page 592 of 3419

INFINITI QX4 2005  Factory Service Manual AV-3
C
D
E
F
G
H
I
J
L
MA
B
AV
Revision: October 20052005 QX56 Previous NAVI Conditions are Not Stored  ............ 146
Previous Vehicle Conditions are Not Stored  ........ 146
Position of Current Lo

Page 593 of 3419

INFINITI QX4 2005  Factory Service Manual AV-4
PRECAUTIONS
Revision: October 20052005 QX56
PRECAUTIONSPFP:00001
Precautions for Supplemental Restraint System (SRS) “AIR BAG” and “SEAT 
BELT PRE-TENSIONER”
EKS00BI4
The Supplemental Res

Page 594 of 3419

INFINITI QX4 2005  Factory Service Manual PREPARATION
AV-5
C
D
E
F
G
H
I
J
L
MA
B
AV
Revision: October 20052005 QX56
PREPARATIONPFP:00002
Commercial Service ToolEKS00BI6
Tool nameDescription
Power toolLoosening bolts and nuts
PBIC0191E

Page 595 of 3419

INFINITI QX4 2005  Factory Service Manual AV-6
AUDIO
Revision: October 20052005 QX56
AUDIOP F P : 2 8 111
Component Parts and Harness Connector LocationEKS00BI7
WKIA3548E

Page 596 of 3419

INFINITI QX4 2005  Factory Service Manual AUDIO
AV-7
C
D
E
F
G
H
I
J
L
MA
B
AV
Revision: October 20052005 QX56
System DescriptionEKS00BI8
Refer to Owners Manual for audio system operating instructions.
Power is supplied at all times
through

Page 597 of 3419

INFINITI QX4 2005  Factory Service Manual AV-8
AUDIO
Revision: October 20052005 QX56
through audio unit terminals 26, 27, 28 and 29
to terminals 1, 2, 3, and 4 of rear audio remote control unit.
SATELLITE RADIO TUNER (PRE-WIRING)
The satell

Page 598 of 3419

INFINITI QX4 2005  Factory Service Manual AUDIO
AV-9
C
D
E
F
G
H
I
J
L
MA
B
AV
Revision: October 20052005 QX56
SchematicEKS00BI9
WKWA2518E

Page 599 of 3419

INFINITI QX4 2005  Factory Service Manual AV-10
AUDIO
Revision: October 20052005 QX56
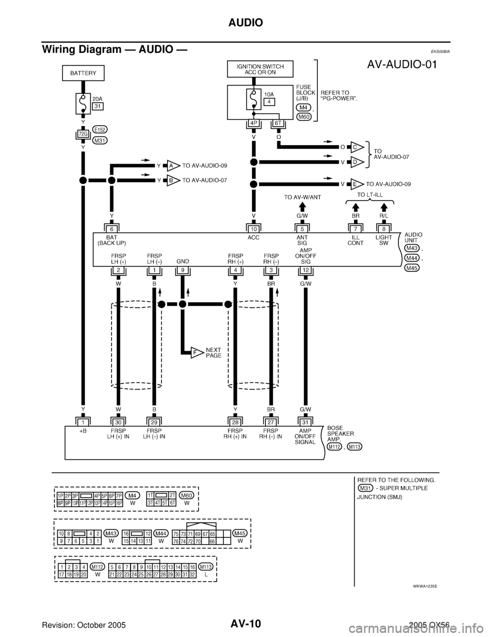
Wiring Diagram — AUDIO —EKS00BIA
WKWA1235E

Page 600 of 3419

INFINITI QX4 2005  Factory Service Manual AUDIO
AV-11
C
D
E
F
G
H
I
J
L
MA
B
AV
Revision: October 20052005 QX56
WKWA1236E
Trending: brake pads replacement, flat tire, wiper blades, fuel tank removal, wiper size, fuse diagram, key fob battery