NISSAN TEANA 2003 Service Manual
TEANA 2003
NISSAN
NISSAN
https://www.carmanualsonline.info/img/5/57392/w960_57392-0.png
NISSAN TEANA 2003 Service Manual
Trending: INJECTORS, Cylinder head, instrument panel, Bolt main bearings cap, transmission oil, remote control, change wheel
Page 2011 of 3502
![NISSAN TEANA 2003 Service Manual HO2S2 HEATER
EC-729
[VQ]
C
D
E
F
G
H
I
J
K
L
MA
EC
5. CHECK HEATED OXYGEN SENSOR 2 HEATER
Refer to EC-729, "
Component Inspection" .
OK or NG
OK >> GO TO 6.
NG >> Replace malfunctioning heated oxyge NISSAN TEANA 2003 Service Manual HO2S2 HEATER
EC-729
[VQ]
C
D
E
F
G
H
I
J
K
L
MA
EC
5. CHECK HEATED OXYGEN SENSOR 2 HEATER
Refer to EC-729, "
Component Inspection" .
OK or NG
OK >> GO TO 6.
NG >> Replace malfunctioning heated oxyge](/img/5/57392/w960_57392-2010.png)
HO2S2 HEATER
EC-729
[VQ]
C
D
E
F
G
H
I
J
K
L
MA
EC
5. CHECK HEATED OXYGEN SENSOR 2 HEATER
Refer to EC-729, "
Component Inspection" .
OK or NG
OK >> GO TO 6.
NG >> Replace malfunctioning heated oxygen sensor 2.
6. CHECK INTERMITTENT INCIDENT
Refer to EC-450, "
TROUBLE DIAGNOSIS FOR INTERMITTENT INCIDENT" .
>>INSPECTION END
Component InspectionBBS0055H
HEATED OXYGEN SENSOR 2 HEATER
1. Check resistance between HO2S2 terminals as follows.
2. If NG, replace heated oxygen sensor 2.
CAUTION:
Discard any heated oxygen sensor which has been dropped
from a height of more than 0.5 m (19.7 in) onto a hard sur-
face such as a concrete floor; use a new one.
Before installing new oxygen sensor, clean exhaust system
threads using Oxygen Sensor Thread Cleaner and
approved anti-seize lubricant.
Removal and InstallationBBS0055I
HEATED OXYGEN SENSOR 2
Refer to EM-140, "EXHAUST MANIFOLD AND THREE WAY CATALYST" .
Terminal No. Resistance
2 and 3 5.0 - 7.0 Ω [at 25°C (77°F)]
1 and 2, 3, 4
∞ Ω
(Continuity should not exist)
4 and 1, 2, 3
SEF249Y
Page 2012 of 3502
EC-730
[VQ]
IAT SENSOR
IAT SENSORPFP:22630
Component DescriptionBBS0055J
The intake air temperature sensor is built-into mass air flow sensor.
The sensor detects intake air temperature and transmits a signal to
the ECM.
The temperature sensing unit uses a thermistor which is sensitive to
the change in temperature. Electrical resistance of the thermistor
decreases in response to the temperature rise.
*: These data are reference values and are measured between ECM terminal 34
(Intake air temperature sensor) and ground.
CAUTION:
Do not use ECM ground terminals when measuring input/output
voltage. Doing so may result in damage to the ECM's transistor.
Use a ground other than ECM terminals, such as the ground.
PBIB1604E
Intake air temperature
°C (°F)Voltage* V Resistance kΩ
25 (77) 3.3 1.800 - 2.200
80 (176) 1.2 0.283 - 0.359
SEF012P
Page 2013 of 3502
IAT SENSOR
EC-731
[VQ]
C
D
E
F
G
H
I
J
K
L
MA
EC
Wiring DiagramBBS0055K
TBWM1539E
Page 2014 of 3502
EC-732
[VQ]
IAT SENSOR
Diagnostic ProcedureBBS0055L
1. CHECK OVERALL FUNCTION
1. Turn ignition switch ON.
2. Check voltage between ECM terminal 34 and ground with CON-
SULT-II or tester.
OK or NG
OK >>INSPECTION END
NG >> GO TO 2.
2. CHECK GROUND CONNECTIONS
1. Turn ignition switch OFF.
2. Loosen and retighten two ground screws on the body.
Refer to EC-457, "
Ground Inspection" .
OK or NG
OK >> GO TO 3.
NG >> Repair or replace ground connections.Voltage: Approximately 0 - 4.8V
MBIB0041E
PBIB2160E
Page 2015 of 3502
![NISSAN TEANA 2003 Service Manual IAT SENSOR
EC-733
[VQ]
C
D
E
F
G
H
I
J
K
L
MA
EC
3. CHECK INTAKE AIR TEMPERATURE SENSOR POWER SUPPLY CIRCUIT
1. Turn ignition switch OFF.
2. Disconnect mass air flow sensor (intake air temperature s NISSAN TEANA 2003 Service Manual IAT SENSOR
EC-733
[VQ]
C
D
E
F
G
H
I
J
K
L
MA
EC
3. CHECK INTAKE AIR TEMPERATURE SENSOR POWER SUPPLY CIRCUIT
1. Turn ignition switch OFF.
2. Disconnect mass air flow sensor (intake air temperature s](/img/5/57392/w960_57392-2014.png)
IAT SENSOR
EC-733
[VQ]
C
D
E
F
G
H
I
J
K
L
MA
EC
3. CHECK INTAKE AIR TEMPERATURE SENSOR POWER SUPPLY CIRCUIT
1. Turn ignition switch OFF.
2. Disconnect mass air flow sensor (intake air temperature sensor
is built-into) harness connector.
3. Turn ignition switch ON.
4. Check voltage between mass air flow sensor terminal 2 and
ground with CONSULT-II or tester.
OK or NG
OK >> GO TO 4.
NG >> Repair harness or connectors.
4. CHECK INTAKE AIR TEMPERATURE SENSOR GROUND CIRCUIT FOR OPEN AND SHORT
1. Turn ignition switch OFF.
2. Disconnect ECM harness connector.
3. Check harness continuity between mass air flow sensor terminal 1 and ECM terminal 67.
Refer to Wiring Diagram.
4. Also check harness for short to ground and short to power.
OK or NG
OK >> GO TO 5.
NG >> Repair open circuit or short to ground or short to power in harness or connectors.
5. CHECK INTAKE AIR TEMPERATURE SENSOR
Refer to EC-734, "
Component Inspection" .
OK or NG
OK >> GO TO 6.
NG >> Replace mass air flow sensor (with intake air temperature sensor).
6. CHECK INTERMITTENT INCIDENT
Refer to EC-450, "
TROUBLE DIAGNOSIS FOR INTERMITTENT INCIDENT" .
>>INSPECTION END
PBIB2105E
Voltage: Approximately 5V
PBIB1598E
Continuity should exist.
Page 2016 of 3502
EC-734
[VQ]
IAT SENSOR
Component InspectionBBS0055M
INTAKE AIR TEMPERATURE SENSOR
1. Check resistance between mass air flow sensor terminals 1 and
2 under the following conditions.
2. If NG, replace mass air flow sensor (with intake air temperature
sensor).
Removal and InstallationBBS0055N
MASS AIR FLOW SENSOR
Refer to EM-131, "AIR CLEANER AND AIR DUCT" .
Intake air temperature °C (°F) Resistance kΩ
25 (77) 1.800 - 2.200
PBIB1604E
SEF012P
Page 2017 of 3502
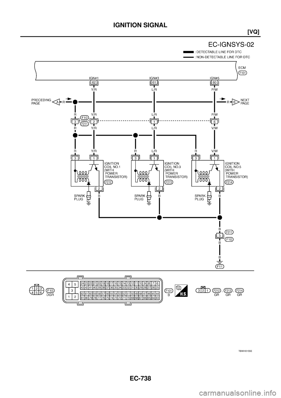
IGNITION SIGNAL
EC-735
[VQ]
C
D
E
F
G
H
I
J
K
L
MA
EC
IGNITION SIGNALPFP:22448
Component DescriptionBBS00560
IGNITION COIL & POWER TRANSISTOR
The ignition signal from the ECM is sent to and amplified by the power transistor. The power transistor turns
ON and OFF the ignition coil primary circuit. This ON/OFF operation induces the proper high voltage in the coil
secondary circuit.
PBIB2181E
Page 2018 of 3502
EC-736
[VQ]
IGNITION SIGNAL
Wiring DiagramBBS00561
TBWM1467E
Page 2019 of 3502
IGNITION SIGNAL
EC-737
[VQ]
C
D
E
F
G
H
I
J
K
L
MA
EC
Specification data are reference values and are measured between each terminal and ground.
CAUTION:
Do not use ECM ground terminals when measuring input/output voltage. Doing so may result in dam-
age to the ECM's transistor. Use a ground other than ECM terminals, such as the ground.
TER-
MINAL
NO.WIRE
COLORITEM CONDITION DATA (DC Voltage)
111 W / BECM relay
(Self shut-off)[Engine is running]
[Ignition switch: OFF]
For a few seconds after turning ignition
switch OFF0 - 1.5V
[Ignition switch: OFF]
More than a few seconds after turning igni-
tion switch OFFBATTERY VOLTAGE
(11 - 14V)
11 9
120R/G
R/GPower supply for ECM[Ignition switch: ON]BATTERY VOLTAGE
(11 - 14V)
Page 2020 of 3502
EC-738
[VQ]
IGNITION SIGNAL
TBWH0155E
Trending: automatic transmission, Engine lubrication system, steering wheel adjustment, INTAKE MANIFOLD, key fob battery, horn, air conditioning