NISSAN TEANA 2003 Service Manual
TEANA 2003
NISSAN
NISSAN
https://www.carmanualsonline.info/img/5/57392/w960_57392-0.png
NISSAN TEANA 2003 Service Manual
Trending: change time, warning light, srs, f102, four wheel drive, low oil pressure, center console
Page 2091 of 3502
REAR PARCEL SHELF FINISHER
EI-43
C
D
E
F
G
H
J
K
L
MA
B
EI
REAR PARCEL SHELF FINISHERPFP:79910
Removal and InstallationB I S 0 0 11T
PIIA9529E
1. Rear parcel shelf finisher (standard) 2. Clip (C106) 3.Rear seat belt shoulder anchor cover
(center)
4. Rear speaker grille (for woofer) 5.High-mounted stop lamp harness
connector6. High-mounted stop lamp
Page 2092 of 3502

EI-44
REAR PARCEL SHELF FINISHER
REMOVAL
1. Remove rear seatback and rear seat cushion. Refer to SE-112, "REAR SEAT" .
2. Remove rear seat belt floor anchor bolt and rear seat belt shoulder anchor bolt. Refer to SB-5, "
Removal
and Installation of Rear Seat Belt" .
3. Disengage child anchor cover front pawls, and then pull out child
anchor cover (LH/RH center) toward front of vehicle.(Models
with rear window sunshade)
4. Remove rear kicking plate inner, rear seatback finisher, rear pillar finisher. Refer to EI-38, "
BODY SIDE
TRIM" .
5. Disconnect high-mounted stop lamp harness connector from
trunk room side. (Models without rear window sunshade)
6. Disconnect high-mounted stop lamp harness connector from
front side of rear parcel shelf finisher. (Models with rear window
sunshade)
7. Remove rear parcel shelf finisher mounting clip using a clip clamp remover.
8. Remove rear parcel shelf finisher while disengaging dual-lock fastener on back of rear parcel shelf fin-
isher. (Models with rear window sunshade)
9. Remove the following parts after removing rear parcel shelf finisher.
Rear speaker grille (for woofer)
High-mounted stop lamp
INSTALLATION
Install in the reverse order of removal.
7. Screw 8.Rear parcel shelf finisher (with sun-
shade)9. Child anchor cover (LH/RH center)
10. Rear window sunshade 11. Bolt 12. Locating pin
PIIA9530E
PIIA9531E
PIIA9535E
Page 2093 of 3502
REAR PARCEL SHELF FINISHER
EI-45
C
D
E
F
G
H
J
K
L
MA
B
EI
REAR WINDOW SUNSHADE
Removal
1. Remove rear parcel shelf finisher. Refer to EI-43, "REAR PARCEL SHELF FINISHER" .
2. Disconnect rear window sunshade harness connector.
3. Remove rear window sunshade mounting bolts.
4. Lift up rear window sunshade and pull out locating pin from body side panel hole, and then remove rear
window sunshade.
Installation
Install in the reverse order of removal.
PIIA9536E
Page 2094 of 3502
EI-46
SUNSHADE
SUNSHADEPFP:97580
Component Parts and Harness Connector LocationBIS0011U
1. Rear sunshade front switch
M172. Rear sunshade rear switch
B1723. Rear sunshade (Open condition)
B172
4. Rear sunshade (Close condition)
B172
PIIB8829E
Page 2095 of 3502
SUNSHADE
EI-47
C
D
E
F
G
H
J
K
L
MA
B
EI
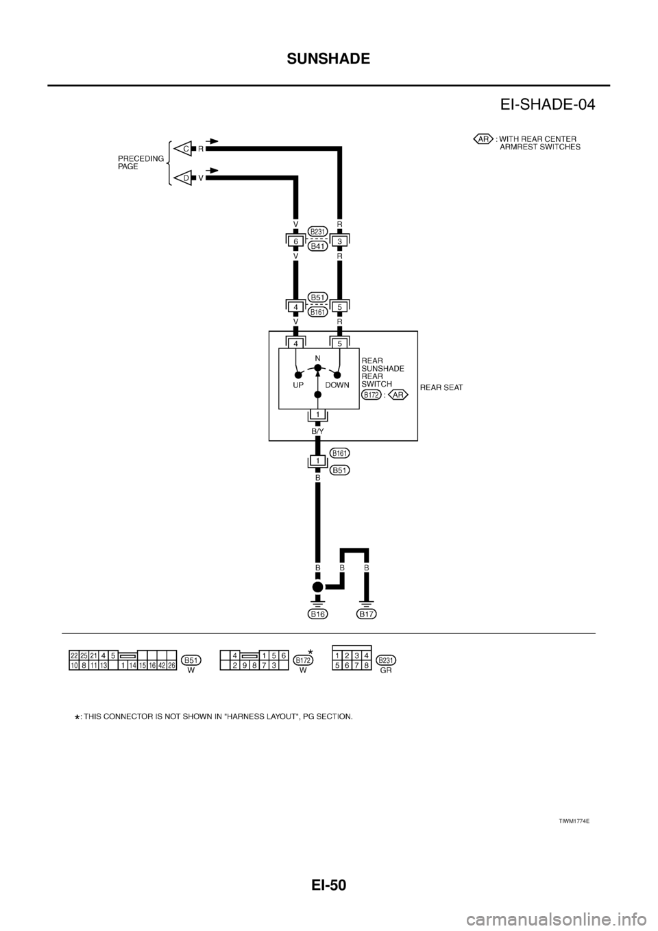
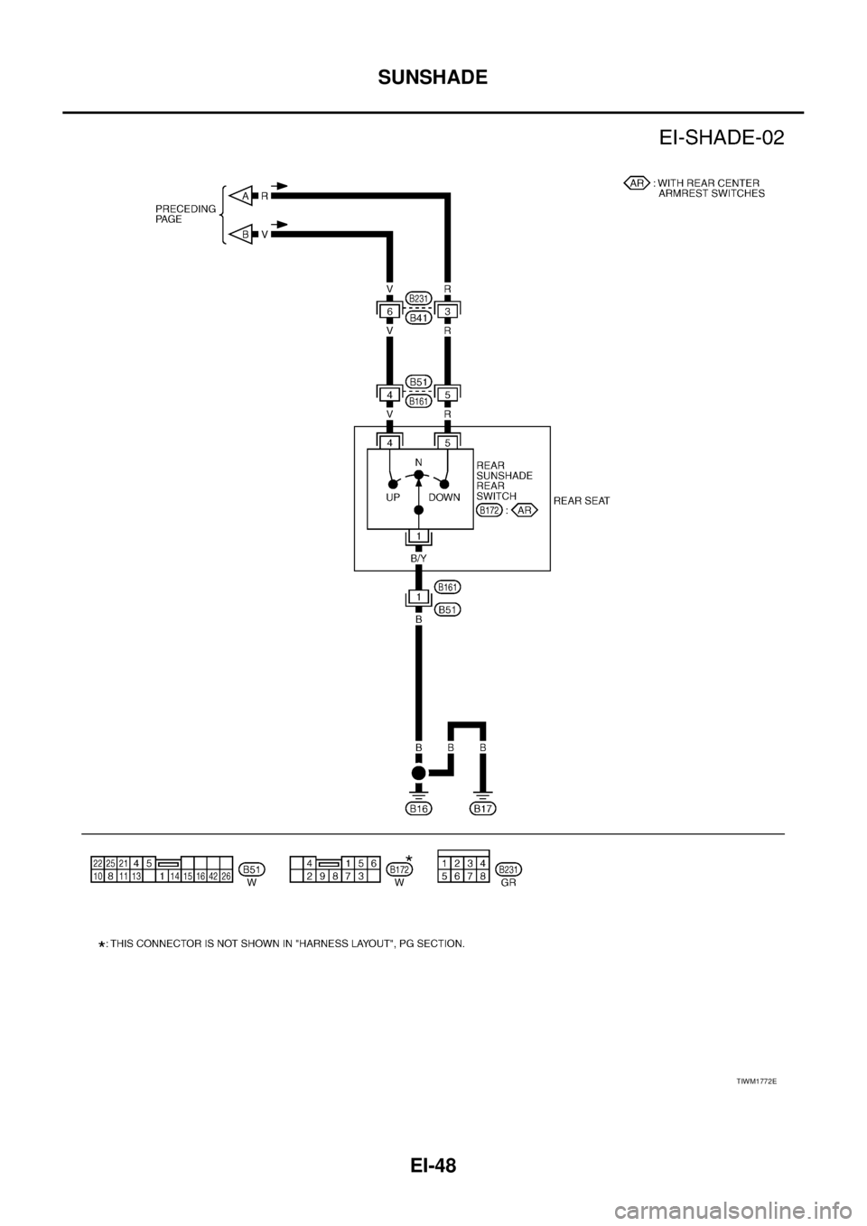
Wiring Diagram — SHADE —/For A/T ModelsBIS0011V
TIWM1771E
Page 2096 of 3502
Page 2097 of 3502
SUNSHADE
EI-49
C
D
E
F
G
H
J
K
L
MA
B
EI
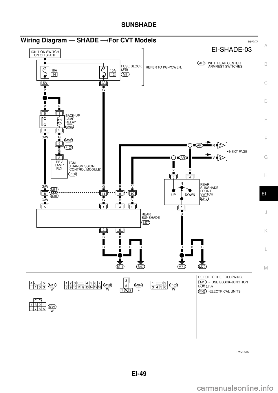
Wiring Diagram — SHADE —/For CVT ModelsBIS001TJ
TIWM1773E
Page 2098 of 3502
Page 2099 of 3502
SUNSHADE
EI-51
C
D
E
F
G
H
J
K
L
MA
B
EI
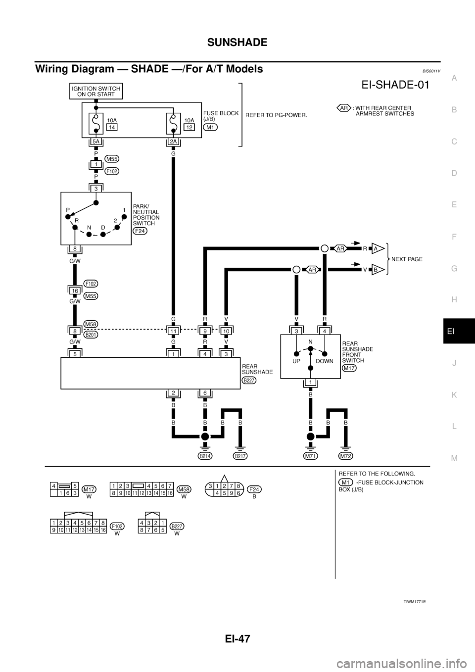
Terminals and Reference Values for Rear SunshadeBIS0011W
Te r m i -
nalWire
colorItemSignal
Input/OutputConditionVoltage (V)
(Approx.)
1 G Ignition switch (ON or START) Input Ignition switch is ON or START position Battery voltage
2 B Ground — — 0
3 V Rear sunshade UP signal InputRear sunshade front switch or rear sunshade
rear switch (rear center armrest switch) operates
UP position 0
Other than above Battery voltage
4 R Rear sunshade DOWN signal InputRear sunshade front switch or rear sunshade
rear switch (rear center armrest switch) operates
DOWN position0
Other than above Battery voltage
5 G/W R range switch signal InputWhen A/T or CVT shift lever is R position Battery voltage
When A/T or CVT shift lever is other than
R position0
6 B Ground — — 0
Page 2100 of 3502
EI-52
FLOOR TRIM
FLOOR TRIMPFP:74902
Removal and InstallationBIS0011X
REMOVAL
1. Remove front seat (LH/RH) and rear seat cushion. Refer to SE-97, "FRONT SEAT" and SE-112, "REAR
SEAT" .
2. Remove front seat belt floor anchor bolt (LH). Refer to SB-3, "
SEAT BELTS" .
3. Remove center console box. Refer to IP-10, "
INSTRUMENT PANEL ASSEMBLY" .
4. Remove instrument panel cover (lower, LH). Refer to IP-10, "
INSTRUMENT PANEL ASSEMBLY" .
5. Remove floor hook.
6. Remove front kicking plate inner, center pillar lower garnish, and rear kicking plate inner. Refer to EI-38,
"BODY SIDE TRIM" .
7. Remove parking brake cable clamp mounting bolts.
PIIB1764E
1. Floor trim 2. Floor hook 3. Spacer (LH)
4. Spacer (RH) 5. Through hole for A/C drain hose 6.Mounting hole for parking brake
lever clamp
7. Section A,B,C
PIIA6274E
Trending: load capacity, disc brake, reset sun roof, bolt pattern, key fob, brake rotor, ESP inoperative