NISSAN X-TRAIL 2001 Service Repair Manual
Manufacturer: NISSAN, Model Year: 2001, Model line: X-TRAIL, Model: NISSAN X-TRAIL 2001Pages: 3833, PDF Size: 39.49 MB
Page 1071 of 3833
![NISSAN X-TRAIL 2001 Service Repair Manual VIAS
EC-721
[QR25(WITHOUT EURO-OBD)]
C
D
E
F
G
H
I
J
K
L
MA
EC
Removal and InstallationEBS00NKQ
VIAS CONTROL SOLENOID VALVE
Refer to EM-16, "INTAKE MANIFOLD" . NISSAN X-TRAIL 2001 Service Repair Manual VIAS
EC-721
[QR25(WITHOUT EURO-OBD)]
C
D
E
F
G
H
I
J
K
L
MA
EC
Removal and InstallationEBS00NKQ
VIAS CONTROL SOLENOID VALVE
Refer to EM-16, "INTAKE MANIFOLD" .](/img/5/57405/w960_57405-1070.png)
VIAS
EC-721
[QR25(WITHOUT EURO-OBD)]
C
D
E
F
G
H
I
J
K
L
MA
EC
Removal and InstallationEBS00NKQ
VIAS CONTROL SOLENOID VALVE
Refer to EM-16, "INTAKE MANIFOLD" .
Page 1072 of 3833
![NISSAN X-TRAIL 2001 Service Repair Manual EC-722
[QR25(WITHOUT EURO-OBD)]
START SIGNAL
START SIGNAL
PFP:48750
CONSULT-II Reference Value in Data Monitor ModeEBS00NKR
Specification data are reference values.
ECM Terminals and Reference ValueEB NISSAN X-TRAIL 2001 Service Repair Manual EC-722
[QR25(WITHOUT EURO-OBD)]
START SIGNAL
START SIGNAL
PFP:48750
CONSULT-II Reference Value in Data Monitor ModeEBS00NKR
Specification data are reference values.
ECM Terminals and Reference ValueEB](/img/5/57405/w960_57405-1071.png)
EC-722
[QR25(WITHOUT EURO-OBD)]
START SIGNAL
START SIGNAL
PFP:48750
CONSULT-II Reference Value in Data Monitor ModeEBS00NKR
Specification data are reference values.
ECM Terminals and Reference ValueEBS00NKS
Specification data are reference values and are measured between each terminal and ground.
CAUTION:
Do not use ECM ground terminals when measuring input/output voltage. Doing so may result in dam-
age to the ECM's transistor. Use a ground other than ECM terminals, such as the ground.
MONITOR ITEM CONDITION SPECIFICATION
START SIGNAL
●Ignition switch: ON → START → ON OFF → ON → OFF
TER-
MINAL
NO.WIRE
COLORITEM CONDITION DATA (DC Voltage)
41 B/Y Start signal[Ignition switch “ON”]Approximately 0V
[Ignition switch “START”]9 - 14V
Page 1073 of 3833
![NISSAN X-TRAIL 2001 Service Repair Manual START SIGNAL
EC-723
[QR25(WITHOUT EURO-OBD)]
C
D
E
F
G
H
I
J
K
L
MA
EC
Wiring DiagramEBS00NKT
TBWA0085E NISSAN X-TRAIL 2001 Service Repair Manual START SIGNAL
EC-723
[QR25(WITHOUT EURO-OBD)]
C
D
E
F
G
H
I
J
K
L
MA
EC
Wiring DiagramEBS00NKT
TBWA0085E](/img/5/57405/w960_57405-1072.png)
START SIGNAL
EC-723
[QR25(WITHOUT EURO-OBD)]
C
D
E
F
G
H
I
J
K
L
MA
EC
Wiring DiagramEBS00NKT
TBWA0085E
Page 1074 of 3833
![NISSAN X-TRAIL 2001 Service Repair Manual EC-724
[QR25(WITHOUT EURO-OBD)]
START SIGNAL
Diagnostic Procedure
EBS00NKU
1. INSPECTION START
Do you have CONSULT-II?
Ye s o r N o
Yes >> GO TO 2.
No >> GO TO 3.
2. CHECK OVERALL FUNCTION
With CO NISSAN X-TRAIL 2001 Service Repair Manual EC-724
[QR25(WITHOUT EURO-OBD)]
START SIGNAL
Diagnostic Procedure
EBS00NKU
1. INSPECTION START
Do you have CONSULT-II?
Ye s o r N o
Yes >> GO TO 2.
No >> GO TO 3.
2. CHECK OVERALL FUNCTION
With CO](/img/5/57405/w960_57405-1073.png)
EC-724
[QR25(WITHOUT EURO-OBD)]
START SIGNAL
Diagnostic Procedure
EBS00NKU
1. INSPECTION START
Do you have CONSULT-II?
Ye s o r N o
Yes >> GO TO 2.
No >> GO TO 3.
2. CHECK OVERALL FUNCTION
With CONSULT-II
1. Turn ignition switch “ON”.
2. Check “START SIGNAL” in “DATA MONITOR” mode with CON-
SULT-II under the following conditions.
OK or NG
OK >>INSPECTION END
NG >> GO TO 4.
3. CHECK OVERALL FUNCTION
Without CONSULT-II
Check voltage between ECM terminal 41 and ground under the fol-
lowing conditions.
OK or NG
OK >>INSPECTION END
NG >> GO TO 4.
4. CHECK STARTING SYSTEM
Turn ignition switch “OFF”, then turn it to “START”.
Does starter motor operate?
Ye s o r N o
Yes >> GO TO 5.
No >> Refer to SC-20, "
STARTING SYSTEM" .
5. CHECK FUSE
1. Turn ignition switch “OFF”.
2. Disconnect 10A fuse.
3. Check if 10A fuse is OK.
OK or NG
OK >> GO TO 6.
NG >> Replace 10A fuse.
Condition START SIGNAL
Ignition switch “ON” OFF
Ignition switch “START” ON
PBIB0182E
Condition Voltage
Ignition switch “START” Battery voltage
Other positions Approximately 0V
PBIB0583E
Page 1075 of 3833
![NISSAN X-TRAIL 2001 Service Repair Manual START SIGNAL
EC-725
[QR25(WITHOUT EURO-OBD)]
C
D
E
F
G
H
I
J
K
L
MA
EC
6.CHECK START SIGNAL INPUT SIGNAL CIRCUIT FOR OPEN AND SHORT
1. Disconnect ECM harness connector.
2. Disconnect ignition switch h NISSAN X-TRAIL 2001 Service Repair Manual START SIGNAL
EC-725
[QR25(WITHOUT EURO-OBD)]
C
D
E
F
G
H
I
J
K
L
MA
EC
6.CHECK START SIGNAL INPUT SIGNAL CIRCUIT FOR OPEN AND SHORT
1. Disconnect ECM harness connector.
2. Disconnect ignition switch h](/img/5/57405/w960_57405-1074.png)
START SIGNAL
EC-725
[QR25(WITHOUT EURO-OBD)]
C
D
E
F
G
H
I
J
K
L
MA
EC
6.CHECK START SIGNAL INPUT SIGNAL CIRCUIT FOR OPEN AND SHORT
1. Disconnect ECM harness connector.
2. Disconnect ignition switch harness connector.
3. Check harness continuity between ECM terminal 41 and fuse block (J/B), ignition switch and fuse block
(J/B). Refer to Wiring Diagram.
4. Also check harness for short to ground and short to power.
OK or NG
OK >> GO TO 8.
NG >> GO TO 7.
7.DETECT MALFUNCTIONING PART
Check the following.
●Harness connectors
●Fuse block (J/B) connectors M1, E102
●Harness for open or short between ignition switch and fuse block (J/B)
●Harness for open or short between ECM and fuse block (J/B)
>> Repair open circuit or short to ground or short to power in harness or connectors.
8.CHECK INTERMITTENT INCIDENT
Refer to EC-115, "
TROUBLE DIAGNOSIS FOR INTERMITTENT INCIDENT" .
>>INSPECTION END Continuity should exist.
Page 1076 of 3833
![NISSAN X-TRAIL 2001 Service Repair Manual EC-726
[QR25(WITHOUT EURO-OBD)]
FUEL PUMP CIRCUIT
FUEL PUMP CIRCUIT
PFP:17042
DescriptionEBS00NKV
SYSTEM DESCRIPTION
The ECM activates the fuel pump for several seconds after the ignition switch is tu NISSAN X-TRAIL 2001 Service Repair Manual EC-726
[QR25(WITHOUT EURO-OBD)]
FUEL PUMP CIRCUIT
FUEL PUMP CIRCUIT
PFP:17042
DescriptionEBS00NKV
SYSTEM DESCRIPTION
The ECM activates the fuel pump for several seconds after the ignition switch is tu](/img/5/57405/w960_57405-1075.png)
EC-726
[QR25(WITHOUT EURO-OBD)]
FUEL PUMP CIRCUIT
FUEL PUMP CIRCUIT
PFP:17042
DescriptionEBS00NKV
SYSTEM DESCRIPTION
The ECM activates the fuel pump for several seconds after the ignition switch is turned on to improve engine
startability. If the ECM receives a 180° signal from the camshaft position sensor (PHASE), it knows that the
engine is rotating, and causes the pump to operate. If the 180° signal is not received when the ignition switch
is ON, the engine stalls. The ECM stops pump operation and prevents battery discharging, thereby improving
safety. The ECM does not directly drive the fuel pump. It controls the ON/OFF fuel pump relay, which in turn
controls the fuel pump.
COMPONENT DESCRIPTION
A turbine type design fuel pump is used in the fuel tank.
CONSULT-II Reference Value in Data Monitor ModeEBS00NKW
Specification data are reference values.
ECM Terminals and Reference ValueEBS00NKX
Specification data are reference values and are measured between each terminal and ground.
CAUTION:
Do not use ECM ground terminals when measuring input/output voltage. Doing so may result in dam-
age to the ECM's transistor. Use a ground other than ECM terminals, such as the ground.
Sensor Input Signal to ECMECM
FunctionActuator
Crankshaft position sensor (POS) Engine speed
Fuel pump
controlFuel pump relay Camshaft position sensor (PHASE) Engine speed and cylinder number
Ignition switch Start signal
Condition Fuel pump operation
Ignition switch is turned to ON. Operates for 1 second.
Engine running and crankingOperates.
When engine is stoppedStops in 1.5 seconds.
Except as shown aboveSto ps.
PBIB0513E
MONITOR ITEM CONDITION SPECIFICATION
FUEL PUMP RLY
●For 1 seconds after turning ignition switch ON
●Engine running or crankingON
●Except above conditions OFF
Page 1077 of 3833
![NISSAN X-TRAIL 2001 Service Repair Manual FUEL PUMP CIRCUIT
EC-727
[QR25(WITHOUT EURO-OBD)]
C
D
E
F
G
H
I
J
K
L
MA
EC
TER-
MINAL
NO.WIRE
COLORITEM CONDITION DATA (DC Voltage)
29 B/P Fuel pump relay[Ignition switch “ON”]
●For 1 seconds NISSAN X-TRAIL 2001 Service Repair Manual FUEL PUMP CIRCUIT
EC-727
[QR25(WITHOUT EURO-OBD)]
C
D
E
F
G
H
I
J
K
L
MA
EC
TER-
MINAL
NO.WIRE
COLORITEM CONDITION DATA (DC Voltage)
29 B/P Fuel pump relay[Ignition switch “ON”]
●For 1 seconds](/img/5/57405/w960_57405-1076.png)
FUEL PUMP CIRCUIT
EC-727
[QR25(WITHOUT EURO-OBD)]
C
D
E
F
G
H
I
J
K
L
MA
EC
TER-
MINAL
NO.WIRE
COLORITEM CONDITION DATA (DC Voltage)
29 B/P Fuel pump relay[Ignition switch “ON”]
●For 1 seconds after turning ignition switch “ON”
[Engine is running]0 - 1.0V
[Ignition switch “ON”]
●More than 1 seconds after turning ignition switch
“ON”.BATTERY VOLTAGE
(11 - 14V)
Page 1078 of 3833
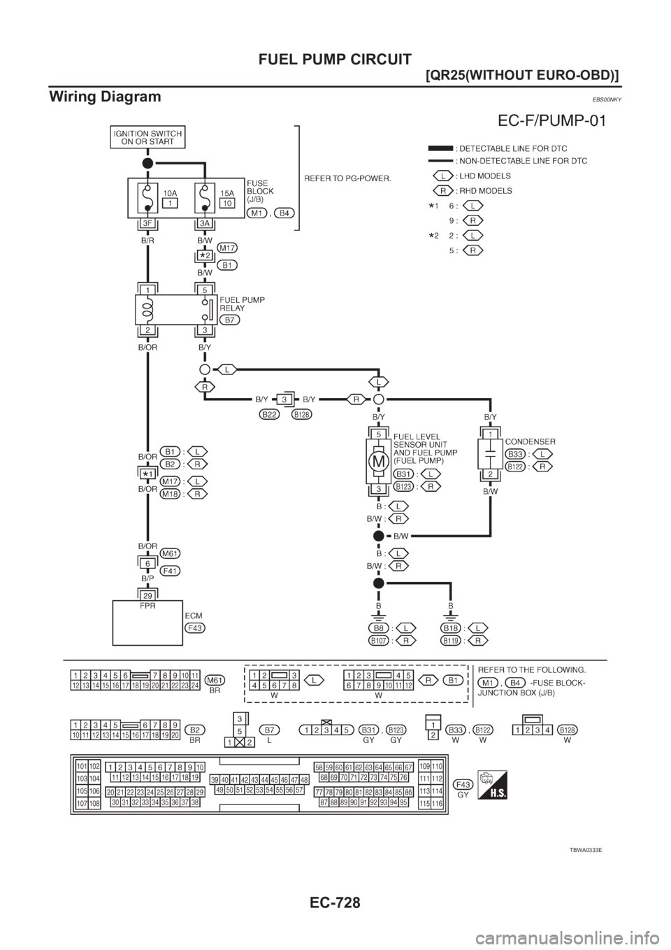
![NISSAN X-TRAIL 2001 Service Repair Manual EC-728
[QR25(WITHOUT EURO-OBD)]
FUEL PUMP CIRCUIT
Wiring Diagram
EBS00NKY
TBWA0333E NISSAN X-TRAIL 2001 Service Repair Manual EC-728
[QR25(WITHOUT EURO-OBD)]
FUEL PUMP CIRCUIT
Wiring Diagram
EBS00NKY
TBWA0333E](/img/5/57405/w960_57405-1077.png)
EC-728
[QR25(WITHOUT EURO-OBD)]
FUEL PUMP CIRCUIT
Wiring Diagram
EBS00NKY
TBWA0333E
Page 1079 of 3833
![NISSAN X-TRAIL 2001 Service Repair Manual FUEL PUMP CIRCUIT
EC-729
[QR25(WITHOUT EURO-OBD)]
C
D
E
F
G
H
I
J
K
L
MA
EC
Diagnostic ProcedureEBS00NKZ
1.CHECK OVERALL FUNCTION
1. Turn ignition switch “ON”.
2. Pinch fuel feed hose with two fin NISSAN X-TRAIL 2001 Service Repair Manual FUEL PUMP CIRCUIT
EC-729
[QR25(WITHOUT EURO-OBD)]
C
D
E
F
G
H
I
J
K
L
MA
EC
Diagnostic ProcedureEBS00NKZ
1.CHECK OVERALL FUNCTION
1. Turn ignition switch “ON”.
2. Pinch fuel feed hose with two fin](/img/5/57405/w960_57405-1078.png)
FUEL PUMP CIRCUIT
EC-729
[QR25(WITHOUT EURO-OBD)]
C
D
E
F
G
H
I
J
K
L
MA
EC
Diagnostic ProcedureEBS00NKZ
1.CHECK OVERALL FUNCTION
1. Turn ignition switch “ON”.
2. Pinch fuel feed hose with two fingers.
Fuel pressure pulsation should be felt on the fuel hose for 1
second after ignition switch is turned “ON”.
OK or NG
OK >>INSPECTION END
NG >> GO TO 2.
2.CHECK FUEL PUMP RELAY POWER SUPPLY CIRCUIT
1. Turn ignition switch “OFF”.
2. Disconnect fuel pump relay.
3. Turn ignition switch “ON”.
4. Check voltage between fuel pump relay terminals 1, 5 and
ground with CONSULT-II or tester.
5. Also check harness for short to ground and short to power.
OK or NG
OK >> GO TO 4.
NG >> GO TO 3.
3.DETECT MALFUNCTIONING PART
Check the following.
●Fuse block (J/B) connector M1, B4
●Harness connectors M17, B1
●10A fuse
●15A fuse
●Harness for open or short between fuse and fuel pump relay
>> Repair open circuit or short to ground or short to power in harness or connectors.
PBIB0517E
PBIB0507E
Voltage: Battery voltage
PBIB0657E
Page 1080 of 3833
![NISSAN X-TRAIL 2001 Service Repair Manual EC-730
[QR25(WITHOUT EURO-OBD)]
FUEL PUMP CIRCUIT
4. CHECK CONDENSER CIRCUIT FOR OPEN AND SHORT
1. Turn ignition switch “OFF”.
2. Disconnect condenser harness connector.
3. Check harness continuit NISSAN X-TRAIL 2001 Service Repair Manual EC-730
[QR25(WITHOUT EURO-OBD)]
FUEL PUMP CIRCUIT
4. CHECK CONDENSER CIRCUIT FOR OPEN AND SHORT
1. Turn ignition switch “OFF”.
2. Disconnect condenser harness connector.
3. Check harness continuit](/img/5/57405/w960_57405-1079.png)
EC-730
[QR25(WITHOUT EURO-OBD)]
FUEL PUMP CIRCUIT
4. CHECK CONDENSER CIRCUIT FOR OPEN AND SHORT
1. Turn ignition switch “OFF”.
2. Disconnect condenser harness connector.
3. Check harness continuity between fuel pump relay terminal 3 and condenser terminal 1, condenser termi-
nal 2 and body ground.
Refer to Wiring Diagram.
4. Also check harness for short to ground and short to power.
OK or NG
OK >> GO TO 6.
NG >> GO TO 5.
5. DETECT MALFUNCTIONING PART
Check the following.
●Harness connectors B22, B128 (RHD models)
●Harness for open or short between fuel pump relay and condenser
●Harness for open or short between condenser and body ground
>> Repair open circuit or short to ground or short to power in harness or connectors.
6. CHECK CONDENSER
Refer to EC-731, "
Component Inspection" .
OK or NG
OK >> GO TO 7.
NG >> Replace condenser.
7. CHECK FUEL PUMP POWER SUPPLY AND GROUND CIRCUIT FOR OPEN AND SHORT
1. Turn ignition switch “OFF”.
2. Disconnect fuel level sensor unit and fuel pump harness con-
nector.
3. Check harness continuity between
fuel pump relay terminal 3 and fuel pump terminal 5,
fuel pump terminal 3 and body ground.
Refer to Wiring Diagram.
4. Also check harness for short to ground and short to power.
OK or NG
OK >> GO TO 9.
NG >> GO TO 8.
8. DETECT MALFUNCTIONING PART
Check the following.
●Harness connectors B22, B128 (RHD models)
●Harness for open or short between fuel pump relay and fuel pump
●Harness for open or short between fuel pump and body ground
>> Repair open circuit or short to ground or short to power in harness or connectors. Continuity should exist.
Continuity should exist.
PBIB0506E