NISSAN X-TRAIL 2001 Service Repair Manual
Manufacturer: NISSAN, Model Year: 2001, Model line: X-TRAIL, Model: NISSAN X-TRAIL 2001Pages: 3833, PDF Size: 39.49 MB
Page 1081 of 3833
![NISSAN X-TRAIL 2001 Service Repair Manual FUEL PUMP CIRCUIT
EC-731
[QR25(WITHOUT EURO-OBD)]
C
D
E
F
G
H
I
J
K
L
MA
EC
9.CHECK FUEL PUMP RELAY OUTPUT SIGNAL CIRCUIT FOR OPEN AND SHORT
1. Disconnect ECM harness connector.
2. Check harness conti NISSAN X-TRAIL 2001 Service Repair Manual FUEL PUMP CIRCUIT
EC-731
[QR25(WITHOUT EURO-OBD)]
C
D
E
F
G
H
I
J
K
L
MA
EC
9.CHECK FUEL PUMP RELAY OUTPUT SIGNAL CIRCUIT FOR OPEN AND SHORT
1. Disconnect ECM harness connector.
2. Check harness conti](/img/5/57405/w960_57405-1080.png)
FUEL PUMP CIRCUIT
EC-731
[QR25(WITHOUT EURO-OBD)]
C
D
E
F
G
H
I
J
K
L
MA
EC
9.CHECK FUEL PUMP RELAY OUTPUT SIGNAL CIRCUIT FOR OPEN AND SHORT
1. Disconnect ECM harness connector.
2. Check harness continuity between ECM terminal 29 and fuel pump relay terminal 2.
Refer to Wiring Diagram.
3. Also check harness for short to ground and short to power.
OK or NG
OK >> GO TO 11.
NG >> GO TO 10.
10.DETECT MALFUNCTIONING PART
Check the following.
●Harness connectors B1, M17 (LHD models)
●Harness connectors B2, M18 (RHD models)
●Harness connectors M61, F41
●Harness for open or short between ECM and fuel pump relay
>> Repair open circuit or short to ground or short to power in harness or connectors.
11 . CHECK FUEL PUMP RELAY
Refer to EC-731, "
Component Inspection" .
OK or NG
OK >> GO TO 12.
NG >> Replace fuel pump relay.
12.CHECK FUEL PUMP
Refer to EC-731, "
Component Inspection" .
OK or NG
OK >> GO TO 13.
NG >> Replace fuel pump.
13.CHECK INTERMITTENT INCIDENT
Refer to EC-115, "
TROUBLE DIAGNOSIS FOR INTERMITTENT INCIDENT" .
>>INSPECTION END
Component InspectionEBS00NL0
FUEL PUMP RELAY
Check continuity between terminals 3 and 5 under the following con-
ditions.Continuity should exist.
Conditions Continuity
12V direct current supply
between terminals 1 and 2Ye s
No current supply No
PBIB0098E
Page 1082 of 3833
![NISSAN X-TRAIL 2001 Service Repair Manual EC-732
[QR25(WITHOUT EURO-OBD)]
FUEL PUMP CIRCUIT
FUEL PUMP
1. Disconnect fuel level sensor unit and fuel pump harness connector.
2. Check resistance between fuel level sensor unit and fuel p NISSAN X-TRAIL 2001 Service Repair Manual EC-732
[QR25(WITHOUT EURO-OBD)]
FUEL PUMP CIRCUIT
FUEL PUMP
1. Disconnect fuel level sensor unit and fuel pump harness connector.
2. Check resistance between fuel level sensor unit and fuel p](/img/5/57405/w960_57405-1081.png)
EC-732
[QR25(WITHOUT EURO-OBD)]
FUEL PUMP CIRCUIT
FUEL PUMP
1. Disconnect fuel level sensor unit and fuel pump harness connector.
2. Check resistance between fuel level sensor unit and fuel pump
terminals 3 and 5.
CONDENSER
1. Turn ignition switch “OFF”.
2. Disconnect condenser harness connector.
3. Check resistance between condenser terminals 1 and 2.
Removal and InstallationEBS00NL1
FUEL PUMP
Refer to FL-4, "FUEL LEVEL SENSOR UNIT, FUEL FILTER AND FUEL PUMP ASSEMBLY" . Resistance: Approximately 1.0Ω [at 25°C (77°F)]
PBIB0658E
Resistance: Above 1MΩ [at 25°C (77°F)]
SEF124Y
Page 1083 of 3833
![NISSAN X-TRAIL 2001 Service Repair Manual REFRIGERANT PRESSURE SENSOR
EC-733
[QR25(WITHOUT EURO-OBD)]
C
D
E
F
G
H
I
J
K
L
MA
EC
REFRIGERANT PRESSURE SENSORPFP:92136
Component DescriptionEBS00NL2
The refrigerant pressure sensor is install NISSAN X-TRAIL 2001 Service Repair Manual REFRIGERANT PRESSURE SENSOR
EC-733
[QR25(WITHOUT EURO-OBD)]
C
D
E
F
G
H
I
J
K
L
MA
EC
REFRIGERANT PRESSURE SENSORPFP:92136
Component DescriptionEBS00NL2
The refrigerant pressure sensor is install](/img/5/57405/w960_57405-1082.png)
REFRIGERANT PRESSURE SENSOR
EC-733
[QR25(WITHOUT EURO-OBD)]
C
D
E
F
G
H
I
J
K
L
MA
EC
REFRIGERANT PRESSURE SENSORPFP:92136
Component DescriptionEBS00NL2
The refrigerant pressure sensor is installed at the liquid tank of the
air conditioner system. The sensor uses an electrostatic volume
pressure transducer to convert refrigerant pressure to voltage. The
voltage signal is sent to ECM, and ECM controls cooling fan system.
ECM Terminals and Reference ValueEBS00NL3
Specification data are reference values and are measured between each terminal and ground.
CAUTION:
Do not use ECM ground terminals when measuring input/output voltage. Doing so may result in dam-
age to the ECM's transistor. Use a ground other than ECM terminals, such as the ground.
PBIB0503E
SEF099X
TER-
MINAL
NO.WIRE
COLORITEM CONDITION DATA (DC Voltage)
58 B Sensors' ground[Engine is running]
●Warm-up condition
●Idle speedApproximately 0V
65 RSensor's power sup-
ply[Ignition switch “ON”]Approximately 5V
83 R/LRefrigerant pressure
sensor[Engine is running]
●Warm-up condition
●Both A/C switch and blower switch are “ON”.
(Compressor operates.)1.0 - 4.0V
Page 1084 of 3833
![NISSAN X-TRAIL 2001 Service Repair Manual EC-734
[QR25(WITHOUT EURO-OBD)]
REFRIGERANT PRESSURE SENSOR
Wiring Diagram
EBS00NL4
TBWA0088E NISSAN X-TRAIL 2001 Service Repair Manual EC-734
[QR25(WITHOUT EURO-OBD)]
REFRIGERANT PRESSURE SENSOR
Wiring Diagram
EBS00NL4
TBWA0088E](/img/5/57405/w960_57405-1083.png)
EC-734
[QR25(WITHOUT EURO-OBD)]
REFRIGERANT PRESSURE SENSOR
Wiring Diagram
EBS00NL4
TBWA0088E
Page 1085 of 3833
![NISSAN X-TRAIL 2001 Service Repair Manual REFRIGERANT PRESSURE SENSOR
EC-735
[QR25(WITHOUT EURO-OBD)]
C
D
E
F
G
H
I
J
K
L
MA
EC
Diagnostic ProcedureEBS00NL5
1.CHECK REFRIGERANT PRESSURE SENSOR OVERALL FUNCTION
1. Start engine and warm it up t NISSAN X-TRAIL 2001 Service Repair Manual REFRIGERANT PRESSURE SENSOR
EC-735
[QR25(WITHOUT EURO-OBD)]
C
D
E
F
G
H
I
J
K
L
MA
EC
Diagnostic ProcedureEBS00NL5
1.CHECK REFRIGERANT PRESSURE SENSOR OVERALL FUNCTION
1. Start engine and warm it up t](/img/5/57405/w960_57405-1084.png)
REFRIGERANT PRESSURE SENSOR
EC-735
[QR25(WITHOUT EURO-OBD)]
C
D
E
F
G
H
I
J
K
L
MA
EC
Diagnostic ProcedureEBS00NL5
1.CHECK REFRIGERANT PRESSURE SENSOR OVERALL FUNCTION
1. Start engine and warm it up to normal operating temperature.
2. Turn A/C switch and blower switch “ON”.
3. Check voltage between ECM terminal 83 and ground with CON-
SULT-II or tester.
OK or NG
OK >>INSPECTION END
NG >> GO TO 2.
2.CHECK REFRIGERANT PRESSURE SENSOR POWER SUPPLY CIRCUIT
1. Turn A/C switch and blower switch “OFF”.
2. Stop engine.
3. Disconnect refrigerant pressure sensor harness connector.
4. Turn ignition switch “ON”.
5. Check voltage between refrigerant pressure sensor terminal 3
and ground with CONSULT-II or tester.
OK or NG
OK >> GO TO 4.
NG >> GO TO 3.
3.DETECT MALFUNCTIONING PART
Check the following.
●Harness connectors E61, F38
●Harness for open or short between ECM and refrigerant pressure sensor
>> Repair harness or connectors. Voltage: 1.0 - 4.0V
PBIB0659E
PBIB0503E
Voltage: Approximately 5V
SEF479Y
Page 1086 of 3833
![NISSAN X-TRAIL 2001 Service Repair Manual EC-736
[QR25(WITHOUT EURO-OBD)]
REFRIGERANT PRESSURE SENSOR
4. CHECK REFRIGERANT PRESSURE SENSOR GROUND CIRCUIT FOR OPEN AND SHORT
1. Turn ignition switch “OFF”.
2. Check harness continuity betwee NISSAN X-TRAIL 2001 Service Repair Manual EC-736
[QR25(WITHOUT EURO-OBD)]
REFRIGERANT PRESSURE SENSOR
4. CHECK REFRIGERANT PRESSURE SENSOR GROUND CIRCUIT FOR OPEN AND SHORT
1. Turn ignition switch “OFF”.
2. Check harness continuity betwee](/img/5/57405/w960_57405-1085.png)
EC-736
[QR25(WITHOUT EURO-OBD)]
REFRIGERANT PRESSURE SENSOR
4. CHECK REFRIGERANT PRESSURE SENSOR GROUND CIRCUIT FOR OPEN AND SHORT
1. Turn ignition switch “OFF”.
2. Check harness continuity between refrigerant pressure sensor terminal 1 and engine ground.
Refer to Wiring Diagram.
3. Also check harness for short to ground and short to power.
OK or NG
OK >> GO TO 6.
NG >> GO TO 5.
5. DETECT MALFUNCTIONING PART
Check the following.
●Harness connectors E61, F38
●Harness for open or short between ECM and refrigerant pressure sensor
>> Repair open circuit or short to ground or short to power in harness or connectors.
6. CHECK REFRIGERANT PRESSURE SENSOR INPUT SIGNAL CIRCUIT FOR OPEN AND SHORT
1. Disconnect ECM harness connector.
2. Check harness continuity between ECM terminal 83 and refrigerant pressure sensor terminal 2.
Refer to Wiring Diagram.
3. Also check harness for short to ground and short to power.
OK or NG
OK >> GO TO 8.
NG >> GO TO 7.
7. DETECT MALFUNCTIONING PART
Check the following.
●Harness connectors E61, F38
●Harness for open or short between ECM and refrigerant pressure sensor
>> Repair open circuit or short to ground or short to power in harness or connectors.
8. CHECK INTERMITTENT INCIDENT
Refer to EC-115, "
TROUBLE DIAGNOSIS FOR INTERMITTENT INCIDENT" .
OK or NG
OK >> Replace refrigerant pressure sensor.
NG >> Repair or replace.
Removal and InstallationEBS00NL6
REFRIGERANT PRESSURE SENSOR
Refer to ATC-129, "REFRIGERANT LINES" . Continuity should exist.
Continuity should exist.
Page 1087 of 3833
![NISSAN X-TRAIL 2001 Service Repair Manual ELECTRICAL LOAD SIGNAL
EC-737
[QR25(WITHOUT EURO-OBD)]
C
D
E
F
G
H
I
J
K
L
MA
EC
ELECTRICAL LOAD SIGNALPFP:25350
CONSULT-II Reference Value in Data Monitor ModeEBS00NL7
Specification data are referenc NISSAN X-TRAIL 2001 Service Repair Manual ELECTRICAL LOAD SIGNAL
EC-737
[QR25(WITHOUT EURO-OBD)]
C
D
E
F
G
H
I
J
K
L
MA
EC
ELECTRICAL LOAD SIGNALPFP:25350
CONSULT-II Reference Value in Data Monitor ModeEBS00NL7
Specification data are referenc](/img/5/57405/w960_57405-1086.png)
ELECTRICAL LOAD SIGNAL
EC-737
[QR25(WITHOUT EURO-OBD)]
C
D
E
F
G
H
I
J
K
L
MA
EC
ELECTRICAL LOAD SIGNALPFP:25350
CONSULT-II Reference Value in Data Monitor ModeEBS00NL7
Specification data are reference values.
ECM Terminals and Reference ValueEBS00NL8
Specification data are reference values and are measured between each terminal and ground.
CAUTION:
Do not use ECM ground terminals when measuring input/output voltage. Doing so may result in dam-
age to the ECM's transistor. Use a ground other than ECM terminals, such as the ground.
MONITOR ITEM CONDITION SPECIFICATION
LOAD SIGNAL
●Ignition switch: ONRear window defogger switch is ON
and/or lighting switch is in 2nd.ON
Rear window defogger switch is OFF
and lighting switch is OFF.OFF
HEATER FAN SW
●Engine: After warming up, idle
the engineHeater fan is operating. ON
Heater fan is not operating OFF
TER-
MINAL
NO.WIRE
COLORITEM CONDITION DATA (DC Voltage)
52 R/WElectrical load signal
(Rear window defog-
ger signal)[Ignition switch “ON”]
●Rear window defogger switch is “ON”BATTERY VOLTAGE
(11 - 14V)
[Ignition switch "ON"]
●Rear window defogger switch is "OFF"Approximately 0V
53 L/YElectrical load signal
(Headlamp signal)[Ignition switch "ON"]
●Lighting switch is "2ND" positionBATTERY VOLTAGE
(11 - 14V)
[Ignition switch "ON"]
●Lighting switch is "OFF"Approximately 0V
55 LG/BHeater fan switch sig-
nal[Ignition switch "ON"]
●Heater fan control switch is "ON"Approximately 0V
[Ignition switch "ON"]
●Heater fan control switch is "OFF"Approximately 5V
Page 1088 of 3833
![NISSAN X-TRAIL 2001 Service Repair Manual EC-738
[QR25(WITHOUT EURO-OBD)]
ELECTRICAL LOAD SIGNAL
Wiring Diagram
EBS00NL9
TBWA0402E NISSAN X-TRAIL 2001 Service Repair Manual EC-738
[QR25(WITHOUT EURO-OBD)]
ELECTRICAL LOAD SIGNAL
Wiring Diagram
EBS00NL9
TBWA0402E](/img/5/57405/w960_57405-1087.png)
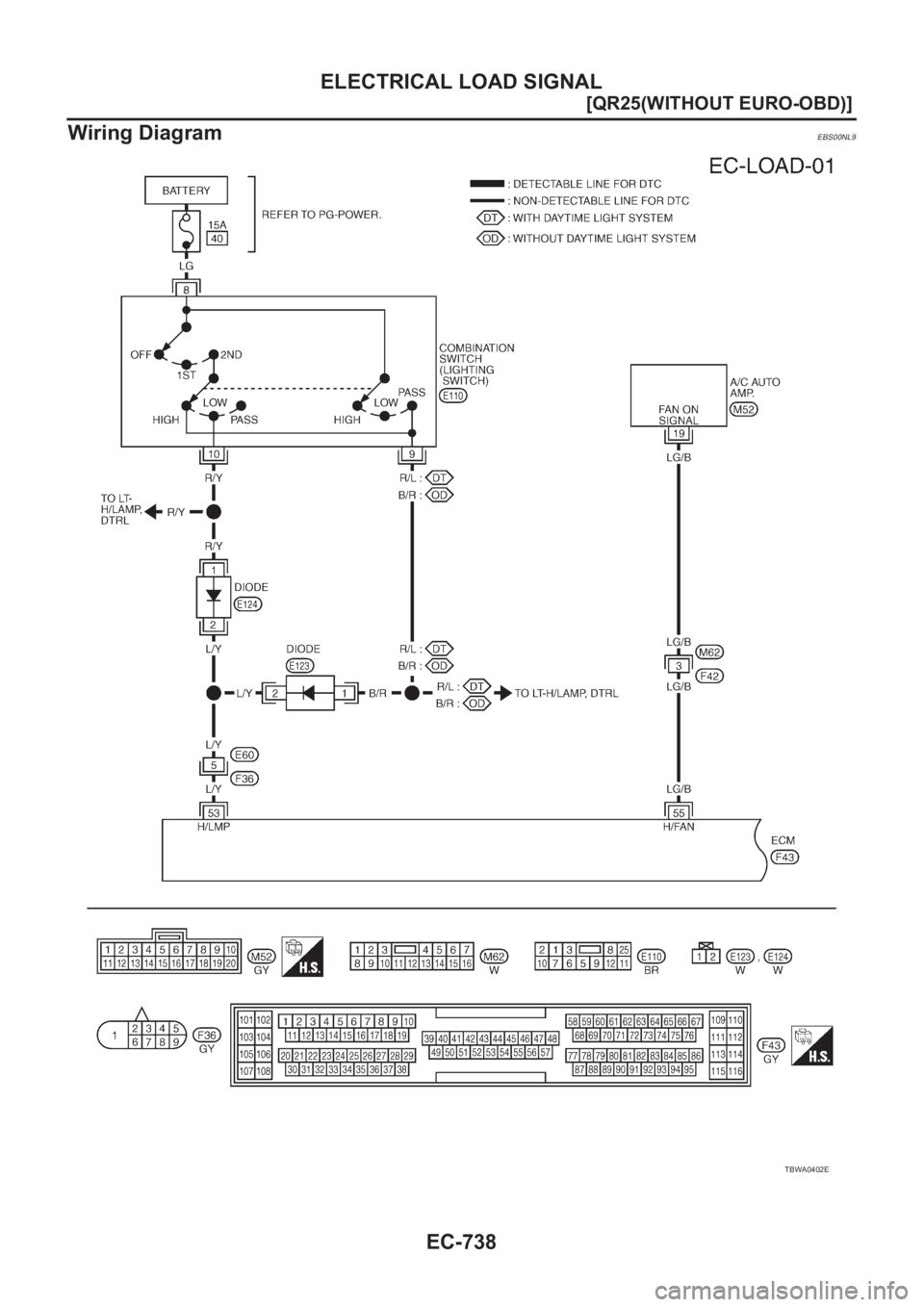
EC-738
[QR25(WITHOUT EURO-OBD)]
ELECTRICAL LOAD SIGNAL
Wiring Diagram
EBS00NL9
TBWA0402E
Page 1089 of 3833
![NISSAN X-TRAIL 2001 Service Repair Manual ELECTRICAL LOAD SIGNAL
EC-739
[QR25(WITHOUT EURO-OBD)]
C
D
E
F
G
H
I
J
K
L
MA
EC
TBWA0399E NISSAN X-TRAIL 2001 Service Repair Manual ELECTRICAL LOAD SIGNAL
EC-739
[QR25(WITHOUT EURO-OBD)]
C
D
E
F
G
H
I
J
K
L
MA
EC
TBWA0399E](/img/5/57405/w960_57405-1088.png)
ELECTRICAL LOAD SIGNAL
EC-739
[QR25(WITHOUT EURO-OBD)]
C
D
E
F
G
H
I
J
K
L
MA
EC
TBWA0399E
Page 1090 of 3833
![NISSAN X-TRAIL 2001 Service Repair Manual EC-740
[QR25(WITHOUT EURO-OBD)]
ELECTRICAL LOAD SIGNAL
Diagnostic Procedure
EBS00NLA
1. INSPECTION START
Do you have CONSULT-II?
Ye s o r N o
Yes >> GO TO 2.
No >> GO TO 5.
2. CHECK LOAD SIGNAL CI NISSAN X-TRAIL 2001 Service Repair Manual EC-740
[QR25(WITHOUT EURO-OBD)]
ELECTRICAL LOAD SIGNAL
Diagnostic Procedure
EBS00NLA
1. INSPECTION START
Do you have CONSULT-II?
Ye s o r N o
Yes >> GO TO 2.
No >> GO TO 5.
2. CHECK LOAD SIGNAL CI](/img/5/57405/w960_57405-1089.png)
EC-740
[QR25(WITHOUT EURO-OBD)]
ELECTRICAL LOAD SIGNAL
Diagnostic Procedure
EBS00NLA
1. INSPECTION START
Do you have CONSULT-II?
Ye s o r N o
Yes >> GO TO 2.
No >> GO TO 5.
2. CHECK LOAD SIGNAL CIRCUIT OVERALL FUNCTION-I
With CONSULT-II
1. Turn ignition switch “ON”.
2. Check “LOAD SIGNAL” in “DATA MONITOR” mode with CON-
SULT-II under the following conditions.
OK or NG
OK >> GO TO 3.
NG >> GO TO 8.
3. CHECK LOAD SIGNAL CIRCUIT OVERALL FUNCTION-II
With CONSULT-II
1. Turn ignition switch “ON”.
2. Check “LOAD SIGNAL” in “DATA MONITOR” mode with CON-
SULT-II under the following conditions.
OK or NG
OK >> GO TO 4.
NG >> GO TO 12.
4. CHECK HEATER FAN SIGNAL CIRCUIT OVERALL FUNCTION
With CONSULT-II
1. Turn ignition switch “ON”.
2. Check “LOAD SIGNAL” in “DATA MONITOR” mode with CON-
SULT-II under the following conditions.
OK or NG
OK >>INSPECTION END
NG >> GO TO 16.
Condition LOAD SIGNAL
Rear window defogger switch “ON” ON
Rear window defogger switch “OFF” OFF
PBIB0103E
Condition LOAD SIGNAL
Lighting switch “ON” at 2nd position ON
Lighting switch “OFF” OFF
PBIB0103E
Condition LOAD SIGNAL
Heater fan control switch “ON” ON
Heater fan control switch “OFF” OFF
PBIB0103E