NISSAN X-TRAIL 2003 Electronic Repair Manual
Manufacturer: NISSAN, Model Year: 2003, Model line: X-TRAIL, Model: NISSAN X-TRAIL 2003Pages: 3066, PDF Size: 51.47 MB
Page 351 of 3066
![NISSAN X-TRAIL 2003 Electronic Repair Manual TROUBLE DIAGNOSIS — GENERAL DESCRIPTION
AT-345
[EXC.F/EURO-OBD]
D
E
F
G
H
I
J
K
L
MA
B
AT
Lock-up point is extremely high or
low.
AT- 3 7 4 , "
12. A/T Does Not Perform
Lock-up"
ON vehicle1. Throttl NISSAN X-TRAIL 2003 Electronic Repair Manual TROUBLE DIAGNOSIS — GENERAL DESCRIPTION
AT-345
[EXC.F/EURO-OBD]
D
E
F
G
H
I
J
K
L
MA
B
AT
Lock-up point is extremely high or
low.
AT- 3 7 4 , "
12. A/T Does Not Perform
Lock-up"
ON vehicle1. Throttl](/img/5/57402/w960_57402-350.png)
TROUBLE DIAGNOSIS — GENERAL DESCRIPTION
AT-345
[EXC.F/EURO-OBD]
D
E
F
G
H
I
J
K
L
MA
B
AT
Lock-up point is extremely high or
low.
AT- 3 7 4 , "
12. A/T Does Not Perform
Lock-up"
ON vehicle1. Throttle position sensor (Accelerator
pedal position (App) sensor) AdjustmentEC-154, "
DTC P0121 APP
SENSOR"
2. Vehicle speed sensor·A/T (Revolution
sensor) and vehicle speed sensor·MTRAT-392,
"VEHICLE
SPEED
SENSOR·A/
T(REVO-
LUTION
SENSOR)",
AT-397,
"DTC VEHI-
CLE
SPEED
SENSOR
MTR"
AT-142,
"DTC P0720
VEHICLE
SPEED
SENSOR·A/
T(REVO-
LUTION
SENSOR)",
AT-222,
"DTC VEHI-
CLE SPEED
SENSOR
MTR"
3. Torque converter clutch solenoid valveAT-421,
"TORQUE
CON-
VERTER
CLUTCH
SOLENOID
VA LV E"
AT-181,
"DTC P0740
TORQUE
CON-
VERTER
CLUTCH
SOLENOID
VA LV E"
4. Control valve assemblyAT-454,
"Control
Va lv e
Assembly
and Accu-
mulators"
¬ Symptom Condition Diagnostic ItemReference Page
Except for
Euro-OBDEURO-OBD
Page 352 of 3066
![NISSAN X-TRAIL 2003 Electronic Repair Manual AT-346
[EXC.F/EURO-OBD]
TROUBLE DIAGNOSIS — GENERAL DESCRIPTION
A/T does not shift to “D4”whendriv-
ing with overdrive control switch
“ON”.ON vehicle1. Throttle position sensor (Accelerator
NISSAN X-TRAIL 2003 Electronic Repair Manual AT-346
[EXC.F/EURO-OBD]
TROUBLE DIAGNOSIS — GENERAL DESCRIPTION
A/T does not shift to “D4”whendriv-
ing with overdrive control switch
“ON”.ON vehicle1. Throttle position sensor (Accelerator](/img/5/57402/w960_57402-351.png)
AT-346
[EXC.F/EURO-OBD]
TROUBLE DIAGNOSIS — GENERAL DESCRIPTION
A/T does not shift to “D4”whendriv-
ing with overdrive control switch
“ON”.ON vehicle1. Throttle position sensor (Accelerator
pedal position (App) sensor) AdjustmentEC-154, "
DTC P0121 APP
SENSOR"
2. PNP switch adjustmentAT- 4 5 6 ,
"Park/Neu-
tral Position
(PNP)
Switch
Adjustment"
¬
3. Vehicle speed sensor·A/T (Revolution
sensor) and vehicle speed sensor·MTRAT- 3 9 2 ,
"VEHICLE
SPEED
SENSOR·A/
T(REVO-
LUTION
SENSOR)",
AT- 3 9 7 ,
"DTC VEHI-
CLE
SPEED
SENSOR
MTR"
AT- 1 4 2 ,
"DTC P0720
VEHICLE
SPEED
SENSOR·A/
T(REVO-
LUTION
SENSOR)",
AT- 2 2 2 ,
"DTC VEHI-
CLE SPEED
SENSOR
MTR"
4. Shift solenoid valve AAT- 4 0 6 ,"SHIFT
SOLENOID
VA LV E A"
AT- 1 9 3 ,
"DTC P0750
SHIFT
SOLENOID
VA LV E A"
5. Overrun clutch solenoid valveAT- 4 1 6 ,
"OVER-
RUN
CLUTCH
SOLENOID
VA LV E"
AT- 2 0 8 ,
"DTC P1760
OVERRUN
CLUTCH
SOLENOID
VA LV E"
6. Control valve assemblyAT- 4 5 4 ,
"Control
Va l v e
Assembly
and Accu-
mulators"
¬
7. A/T fluid temp sen circ and TCM pow sourAT- 4 2 6 ,
"BATT/
FLUID
TEMP SEN
(A/T FLUID
TEMP SEN-
SOR CIR-
CUIT AND
TCM
POWER
SOURCE)"
AT- 2 1 6 ,
"DTC BATT/
FLUID
TEMP SEN
(A/T FLUID
TEMP SEN-
SOR CIR-
CUIT AND
TCM
POWER
SOURCE)"
8. Line pressure testAT- 2 9 0 ,"Line Pres-
sure Test"
¬ Symptom Condition Diagnostic ItemReference Page
Except for
Euro-OBDEURO-OBD
Page 353 of 3066
![NISSAN X-TRAIL 2003 Electronic Repair Manual TROUBLE DIAGNOSIS — GENERAL DESCRIPTION
AT-347
[EXC.F/EURO-OBD]
D
E
F
G
H
I
J
K
L
MA
B
AT
TCM Terminals and Reference ValueECS004VW
PREPARATION
lMeasure voltage between each terminal and terminal 25 NISSAN X-TRAIL 2003 Electronic Repair Manual TROUBLE DIAGNOSIS — GENERAL DESCRIPTION
AT-347
[EXC.F/EURO-OBD]
D
E
F
G
H
I
J
K
L
MA
B
AT
TCM Terminals and Reference ValueECS004VW
PREPARATION
lMeasure voltage between each terminal and terminal 25](/img/5/57402/w960_57402-352.png)
TROUBLE DIAGNOSIS — GENERAL DESCRIPTION
AT-347
[EXC.F/EURO-OBD]
D
E
F
G
H
I
J
K
L
MA
B
AT
TCM Terminals and Reference ValueECS004VW
PREPARATION
lMeasure voltage between each terminal and terminal 25 or 48
by following “TCM INSPECTION TABLE”.
A/T does not shift to “D4”whendriv-
ing with overdrive control switch
“ON”.OFF vehicle9. Brake bandAT-530,
"Band
Servo Pis-
ton Assem-
bly"
¬
10. Overrun clutchAT-512,
"Forward
and Overrun
Clutches"
¬
Engine is stopped at “R”, “D”, “2”
and “1” positions.ON vehicle1. Fluid levelAT-286,
"FLUID
LEVEL
CHECK"
¬
2. Torque converter clutch solenoid valveAT-421,
"TORQUE
CON-
VERTER
CLUTCH
SOLENOID
VA LV E"
AT-181,
"DTC P0740
TORQUE
CON-
VERTER
CLUTCH
SOLENOID
VA LV E"
3. Shift solenoid valve AAT-406,"SHIFT
SOLENOID
VA LV E A"
AT-193,
"DTC P0750
SHIFT
SOLENOID
VA LV E A"
4. Shift solenoid valve BAT-4 11 ,"SHIFT
SOLENOID
VA LV E B"
AT-198,
"DTC P0755
SHIFT
SOLENOID
VA LV E B"
5. Control valve assemblyAT-454,
"Control
Va lv e
Assembly
and Accu-
mulators"
¬ Symptom Condition Diagnostic ItemReference Page
Except for
Euro-OBDEURO-OBD
SAT216J
Page 354 of 3066
![NISSAN X-TRAIL 2003 Electronic Repair Manual AT-348
[EXC.F/EURO-OBD]
TROUBLE DIAGNOSIS — GENERAL DESCRIPTION
TCM HARNESS CONNECTOR TERMINAL LAYOUT
TCM INSPECTION TABLE
(Data are reference values.)
SCIA0712E
Te r m i -
nal No.Wire color Item Co NISSAN X-TRAIL 2003 Electronic Repair Manual AT-348
[EXC.F/EURO-OBD]
TROUBLE DIAGNOSIS — GENERAL DESCRIPTION
TCM HARNESS CONNECTOR TERMINAL LAYOUT
TCM INSPECTION TABLE
(Data are reference values.)
SCIA0712E
Te r m i -
nal No.Wire color Item Co](/img/5/57402/w960_57402-353.png)
AT-348
[EXC.F/EURO-OBD]
TROUBLE DIAGNOSIS — GENERAL DESCRIPTION
TCM HARNESS CONNECTOR TERMINAL LAYOUT
TCM INSPECTION TABLE
(Data are reference values.)
SCIA0712E
Te r m i -
nal No.Wire color Item ConditionJudgementstan-
dard(Approx.)
1R/WLine pressure
solenoid valveWhen releasing accelerator pedal
after warming up engine.1.5 - 3.0V
When depressing accelerator pedal
fully after warming up engine.0V
2P/BLine pressure
solenoid valve
(with dropping
resistor)When releasing accelerator pedal
after warming up engine.5 - 14V
When depressing accelerator pedal
fully after warming up engine.0V
3GY/RTorque converter
clutch solenoid
valveWhen A/T performs lock-up. 8 - 15V
When A/T does not perform lock-up. 0V
5*2 B/W CAN(H) — — —
6*2 L/R CAN(L) — — —
10 BR/W Power source
orWhen turning ignition switch to “ON”. Battery voltage
When turning ignition switch to
“OFF”.0V
11 L / WShift solenoid
valve AWhen shift solenoid valve A oper-
ates.
(When driving in “D
1”or“D4”.)Battery voltage
When shift solenoid valve A does not
operate.
(When driving in “D
2”or“D3”.)0V
12 L/YShift solenoid
valve BWhen shift solenoid valve B oper-
ates.
(When driving in “D
1”or“D2”.)Battery voltage
When shift solenoid valve B does not
operate.
(When driving in “D
3”or“D4”.)0V
13 R/LO/D OFF indica-
tor lampWhen setting overdrive control or A/
T check switch in “OFF” position.0V
When setting overdrive control or A/
T check switch in “ON” position.Battery voltage
19 BR/W Power source
orSame as No. 10
Page 355 of 3066
![NISSAN X-TRAIL 2003 Electronic Repair Manual TROUBLE DIAGNOSIS — GENERAL DESCRIPTION
AT-349
[EXC.F/EURO-OBD]
D
E
F
G
H
I
J
K
L
MA
B
AT
20 L/BOverrun clutch
solenoid valveWhen overrun clutch solenoid valve
operates.Battery voltage
When overrun NISSAN X-TRAIL 2003 Electronic Repair Manual TROUBLE DIAGNOSIS — GENERAL DESCRIPTION
AT-349
[EXC.F/EURO-OBD]
D
E
F
G
H
I
J
K
L
MA
B
AT
20 L/BOverrun clutch
solenoid valveWhen overrun clutch solenoid valve
operates.Battery voltage
When overrun](/img/5/57402/w960_57402-354.png)
TROUBLE DIAGNOSIS — GENERAL DESCRIPTION
AT-349
[EXC.F/EURO-OBD]
D
E
F
G
H
I
J
K
L
MA
B
AT
20 L/BOverrun clutch
solenoid valveWhen overrun clutch solenoid valve
operates.Battery voltage
When overrun clutch solenoid valve
does not operate.0V
22 L/OROverdrive control
switch
andWhen setting overdrive control
switch in “ON” positionBattery voltage
When setting overdrive control
switch in “OFF” position0V
25 B/W Ground — — 0V
26 BR/YPNP switch “1”
position
andWhen setting selector lever to “1”
position.Battery voltage
When setting selector lever to other
positions.0V
27 LPNP switch “2”
positionWhen setting selector lever to “2”
position.Battery voltage
When setting selector lever to other
positions.0V
28 R/BPower source
(Memory back-up)
orWhen turning ignition switch to
“OFF”.Battery voltage
When turning ignition switch to “ON”. Battery voltage
29 W Revolution sensorWhen moving at 20 km/h (12 MPH),
use the CONSULT-II pulse frequency
measuring function.*1
CAUTION:
Connect the diagnosis data link
cable to the vehicle diagnosis
connector.
*1: A circuit tester cannot be used to
test this item.450 Hz
When vehicle parks.Under 1.3V or
over 4.5V
30 *3 G/B CONSULT- II (RX) — —
31 *3 GY/L CONSULT- II (TX) — —
32 *2 RThrottle position
sensor
(Power source)
orWhenturningignitionswitchto"ON". 4.5-5.5V
When turning ignition switch to
"OFF".0V
34 W/GPNP switch “D”
position
andWhen setting selector lever to “D”
position.Battery voltage
When setting selector lever to other
positions.0V
35 L/WPNP switch “R”
positionWhen setting selector lever to “R”
position.Battery voltage
When setting selector lever to other
positions.0V
36 GPNP switch “N” or
“P” positionWhen setting selector lever to “N” or
“P” position.Battery voltage
When setting selector lever to other
positions.0V
39 *2 L/OREngine speed sig-
nal
andEC-XX, "ECM INSPECTION
TABLE".— Te r m i -
nal No.Wire color Item ConditionJudgementstan-
dard(Approx.)
Page 356 of 3066
![NISSAN X-TRAIL 2003 Electronic Repair Manual AT-350
[EXC.F/EURO-OBD]
TROUBLE DIAGNOSIS — GENERAL DESCRIPTION
*2: These terminals are connected to the ECM.
*3: These terminals are connected to the data link connector.40 L/BVehicle speed
sensorW NISSAN X-TRAIL 2003 Electronic Repair Manual AT-350
[EXC.F/EURO-OBD]
TROUBLE DIAGNOSIS — GENERAL DESCRIPTION
*2: These terminals are connected to the ECM.
*3: These terminals are connected to the data link connector.40 L/BVehicle speed
sensorW](/img/5/57402/w960_57402-355.png)
AT-350
[EXC.F/EURO-OBD]
TROUBLE DIAGNOSIS — GENERAL DESCRIPTION
*2: These terminals are connected to the ECM.
*3: These terminals are connected to the data link connector.40 L/BVehicle speed
sensorWhen moving vehicle at 2 to 3 km/h
(1 to 2 MPH) for 1 m (3 ft) or more.Vo ltag e v a rie s
between less
than 0V and
more than 4.5V
41 W/RThrottle position
sensorWhen depressing accelerator pedal
slowly after warming up engine.
(Voltage rises gradually in response
to throttle position.)Fully-closed
throttle: 0.5V
Fully-open throt-
tle: 4V
42 BThrottle position
sensor
(Ground)———
45 P Stop lamp switchWhen depressing brake pedal. Battery voltage
When releasing brake pedal. 0V
47 BRA/T fluid tempera-
ture sensorWhen ATF temperature is 20°C
(68°F).1.5V
When ATF temperature is 80°C
(176°F).0.5V
48 B/W Ground — — — Te r m i -
nal No.Wire color Item ConditionJudgementstan-
dard(Approx.)
Page 357 of 3066
![NISSAN X-TRAIL 2003 Electronic Repair Manual CAN COMMUNICATION
AT-351
[EXC.F/EURO-OBD]
D
E
F
G
H
I
J
K
L
MA
B
AT
CAN COMMUNICATIONPFP:23710
System DescriptionECS004VQ
CAN (Controller Area Network) is a serial communication line for real time app NISSAN X-TRAIL 2003 Electronic Repair Manual CAN COMMUNICATION
AT-351
[EXC.F/EURO-OBD]
D
E
F
G
H
I
J
K
L
MA
B
AT
CAN COMMUNICATIONPFP:23710
System DescriptionECS004VQ
CAN (Controller Area Network) is a serial communication line for real time app](/img/5/57402/w960_57402-356.png)
CAN COMMUNICATION
AT-351
[EXC.F/EURO-OBD]
D
E
F
G
H
I
J
K
L
MA
B
AT
CAN COMMUNICATIONPFP:23710
System DescriptionECS004VQ
CAN (Controller Area Network) is a serial communication line for real time application. It is an on-vehicle mul-
tiplex communication line with high data communication speed and excellent error detection ability. Many elec-
tronic control units are equipped onto a vehicle, and each control unit shares information and links with other
control units during operation (not independent). In CAN communication, control units are connected with 2
communication lines (CAN H line, CAN L line) allowing a high rate of information transmission with less wiring.
Each control unit transmits/receives data but selectively reads required data only.
FOR A/T MODELS
System diagram
Input/output signal chart
T: Transmit R: Receive
SKIA0884E
Signals ECM TCM
Engine speed signal T R
Engine coolant temperature signal T R
Accelerator pedal position signal T R
A/T self-diagnosis signal R T
Page 358 of 3066
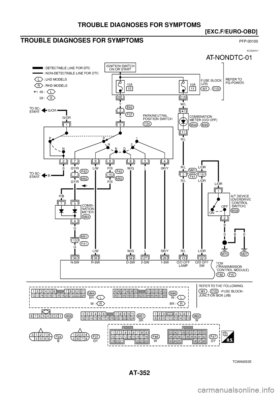
![NISSAN X-TRAIL 2003 Electronic Repair Manual AT-352
[EXC.F/EURO-OBD]
TROUBLE DIAGNOSES FOR SYMPTOMS
TROUBLE DIAGNOSES FOR SYMPTOMS
PFP:00100
ECS004V1
TCWA0053E NISSAN X-TRAIL 2003 Electronic Repair Manual AT-352
[EXC.F/EURO-OBD]
TROUBLE DIAGNOSES FOR SYMPTOMS
TROUBLE DIAGNOSES FOR SYMPTOMS
PFP:00100
ECS004V1
TCWA0053E](/img/5/57402/w960_57402-357.png)
AT-352
[EXC.F/EURO-OBD]
TROUBLE DIAGNOSES FOR SYMPTOMS
TROUBLE DIAGNOSES FOR SYMPTOMS
PFP:00100
ECS004V1
TCWA0053E
Page 359 of 3066
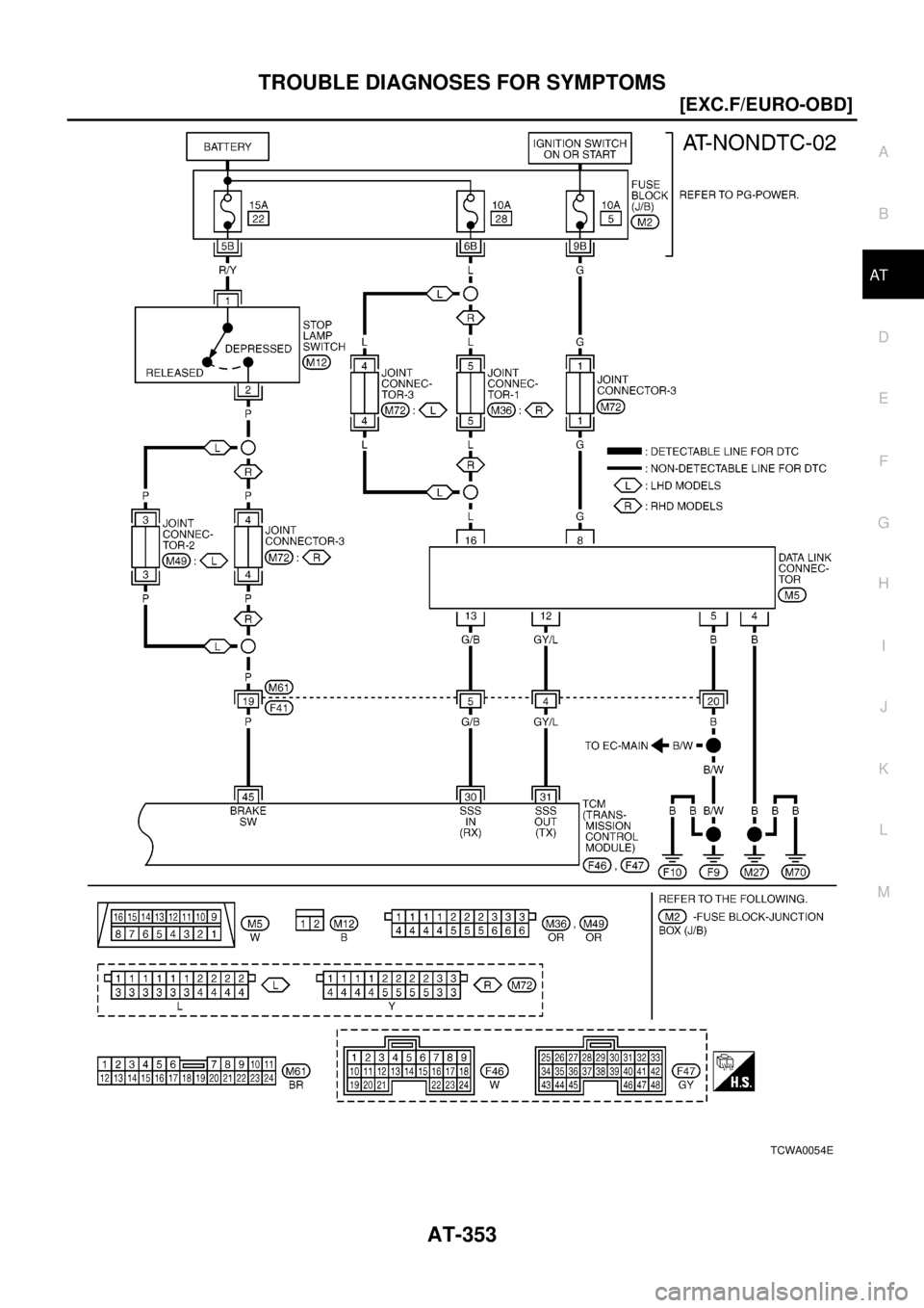
![NISSAN X-TRAIL 2003 Electronic Repair Manual TROUBLE DIAGNOSES FOR SYMPTOMS
AT-353
[EXC.F/EURO-OBD]
D
E
F
G
H
I
J
K
L
MA
B
AT
TCWA0054E NISSAN X-TRAIL 2003 Electronic Repair Manual TROUBLE DIAGNOSES FOR SYMPTOMS
AT-353
[EXC.F/EURO-OBD]
D
E
F
G
H
I
J
K
L
MA
B
AT
TCWA0054E](/img/5/57402/w960_57402-358.png)
TROUBLE DIAGNOSES FOR SYMPTOMS
AT-353
[EXC.F/EURO-OBD]
D
E
F
G
H
I
J
K
L
MA
B
AT
TCWA0054E
Page 360 of 3066
![NISSAN X-TRAIL 2003 Electronic Repair Manual AT-354
[EXC.F/EURO-OBD]
TROUBLE DIAGNOSES FOR SYMPTOMS
1. O/D OFF Indicator Lamp Does Not Come On
ECS004V2
SYMPTOM:
O/D OFF indicator lamp does not come on for about 2 seconds
whenturningignitionswitc NISSAN X-TRAIL 2003 Electronic Repair Manual AT-354
[EXC.F/EURO-OBD]
TROUBLE DIAGNOSES FOR SYMPTOMS
1. O/D OFF Indicator Lamp Does Not Come On
ECS004V2
SYMPTOM:
O/D OFF indicator lamp does not come on for about 2 seconds
whenturningignitionswitc](/img/5/57402/w960_57402-359.png)
AT-354
[EXC.F/EURO-OBD]
TROUBLE DIAGNOSES FOR SYMPTOMS
1. O/D OFF Indicator Lamp Does Not Come On
ECS004V2
SYMPTOM:
O/D OFF indicator lamp does not come on for about 2 seconds
whenturningignitionswitchto“ON”.
1.CHECK TCM POWER SOURCE
1. Turn ignition switch to “ON” position.
(Do not start engine.)
2. Check voltage between TCM terminals 10, 19, 28 and ground.
3. Turn ignition switch to “OFF” position.
4. Check voltage between TCM terminal 28 and ground.
OK or NG
OK >> GOTO2
NG >> Check the following items:
lHarness for short or open between ignition switch and
TCM terminals 10, 19 and 28 (Main harness).
lRefer toAT-389, "Wiring Diagram—AT—MAIN".
lIgnition switch and fuse Refer toPG-2, "POWER SUPPLY ROUTING".
2.CHECK TCM GROUND CIRCUIT
1. Turn ignition switch to “OFF” position.
2. Disconnect TCM harness connector.
3. Check continuity between TCM terminals 25, 48 and ground.
If OK, check harness for short to ground and short to power.
OK or NG
OK >> GOTO3
NG >> Repair open circuit or short to ground or short to power
in harness or connectors. Refer toAT-389, "
Wiring Dia-
gram—AT—MAIN".
SCIA0765E
Voltage : Battery voltage
Voltage : Battery voltage
SCIA0713E
Continuity should exist.
SCIA0766E