NISSAN X-TRAIL 2003 Electronic Repair Manual
Manufacturer: NISSAN, Model Year: 2003, Model line: X-TRAIL, Model: NISSAN X-TRAIL 2003Pages: 3066, PDF Size: 51.47 MB
Page 741 of 3066

TIME CONTROL UNIT
BCS-3
C
D
E
F
G
H
I
J
L
MA
B
BCS
TIME CONTROL UNITPFP:28491
DescriptionEKS002ZU
OUTLINE
The time control unit totally controls the following body electrical system operations.
lWarning chime
lRear defogger
lPower door lock
lInterior lamp
INPUT/OUTPUT
System Input Output
PowerdoorlockDoor lock and unlock switch
Door switches
Door unlock sensor
Door key cylinder switch (driver side)Door lock actuators
Warning chimeKey switch (Insert)
Ignition switch (ON)
Lighting switch (1st)
Front door switch (driver side)
Door unlock sensorWarning chime (located in time control unit)
Rear window defoggerIgnition switch (ON)
Rear window defogger switchRear window defogger relay
Interior lampDoor switches
Front door unlock sensor
Ignition switch (ON)
Key switch (Insert)Interior lamp
Page 742 of 3066

BCS-4
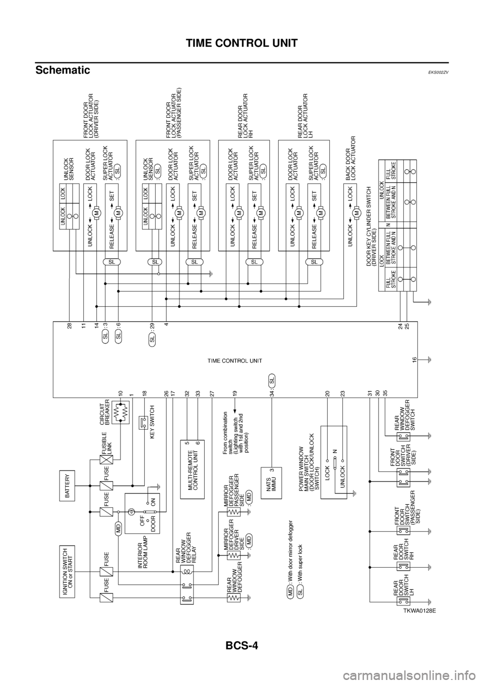
TIME CONTROL UNIT
Schematic
EKS002ZV
TKWA0128E
Page 743 of 3066

TIME CONTROL UNIT
BCS-5
C
D
E
F
G
H
I
J
L
MA
B
BCS
Time Control Unit Inspection TableEKS002ZW
Te r m i n a l
No.Wire
colorConnections Operation conditionVo l ta g e
(Approxi-
mate values)
1 L/B Power source (Fuse) — 12V
3 L/Y Super lock actuator Door key cylinder switchFree 0V
Unlocked 12V
4G/RPassenger and rear doors lock
actuatorDoor lock/unlock switchFree 0V
Unlocked 12V
6 Y/R Super lock actuator Door key cylinder switchFree 0V
Locked 12V
10 W Power source (C/B) — 12V
11 L Driver's door lock actuator Door lock/unlock switchFree 0V
Unlocked 12V
14 R/B Door lock actuator Door lock/unlock switchFree 0V
Locked 12V
16 B Ground — 0V
17 G Ignition switch (ON) — 12V
18 W/L Ignition key switch (Insert) Key inserted®key removed from IGN key cylinder 12V®0V
19 R/L Lighting switch 1ST, 2ND position: ON®OFF 12V®0V
20 GY Door lock/Unlock switch Neutral®Locks 5V®0V
23 PU Door lock/Unlock switch Neutral®Unlocks 5V®0V
24 OR/L Door key cylinder switch OFF (Neutral)®ON (Locked) 5V®0V
25 W/L Door key cylinder switch OFF (Neutral)®ON (Unlocked) 5V®0V
26 R/Y Interior room lampWhen interior room lamp is operated using remote control-
ler (Lamp switch is “DOOR” position)12V®0V
27 G/W Rear window defogger relay OFF®ON (Ignition key is in “ON” position) 12V®0V
28 Y/G Driver door unlock sensor Driver door: Locked®Unlocked 5V®0V
29 Y/L Passenger door unlock sensor Passenger door: Locked®Unlocked 5V®0V
30 R Doorswitchdriverside OFF(closed)®ON (open) 5V®0V
31 R/W Passenger and rear doors switch OFF (closed)®ON (open) 5V®0V
32 OR Multi-remote control unitRemote controller lock button is pushed.
(Ignition switch is not at “ON” position)0V®5V
33 P/L Multi-remote control unitRemote controller unlock button is pushed.
(Ignition switch is not at “ON” position)0V®5V
35 LG/B Rear window defogger switch OFF®ON 5V®0V
Page 744 of 3066

BCS-6
TIME CONTROL UNIT
Page 745 of 3066

BL-1
BODY, LOCK & SECURITY SYSTEM
IBODY
CONTENTS
C
D
E
F
G
H
J
K
L
M
SECTION
A
B
BL
BODY, LOCK & SECURITY SYSTEM
PRECAUTIONS .......................................................... 3
Precautions .............................................................. 3
HOOD ......................................................................... 4
Fitting Adjustment .................................................... 4
FRONT END HEIGHT ADJUSTMENT AND LAT-
ERAL/LONGITUDIAL CLEARANCE ADJUST-
MENT .................................................................... 4
SURFACE HEIGHT ADJUSTMENT ..................... 4
Removal and Installation of Hood Assembly ............ 5
Removal and Installation of Hood Lock Control ....... 6
REMOVAL ............................................................. 6
INSTALLATION ..................................................... 7
Hood Lock Control Inspection .................................. 7
DOOR ......................................................................... 8
Fitting Adjustment .................................................... 8
FRONT DOOR ...................................................... 8
REAR DOOR ........................................................ 8
STRIKER ADJUSTMENT ..................................... 9
Removal and Installation .......................................... 9
Door Weatherstrip .................................................. 10
POWER DOOR LOCK SYSTEM ...............................11
System Description .................................................11
OPERATION ........................................................11
Component Parts and Harness Connector Location....11
Schematic .............................................................. 12
Wiring Diagram — D/LOCK — ............................... 13
Terminal and Reference Value for Time Control Unit... 17
Symptom Chart ...................................................... 17
Power Supply and Ground Circuit Check ............... 18
Door Lock/Unlock Switch Check ............................ 18
Door Key Cylinder Switch Check ........................... 19
Door Lock Actuator Check ..................................... 20
Door Switch Check ................................................. 21
Door Unlock Sensor Check .................................... 22
Key Switch Check .................................................. 23
POWER DOOR LOCK — SUPER LOCK — ............ 24
System Description ................................................ 24
OUTLINE ............................................................. 24
OPERATION ....................................................... 24
Schematic .............................................................. 26Wiring Diagram — S/LOCK — ............................... 27
Terminal and Reference Value for Time Control Unit... 33
Trouble Diagnoses ................................................. 34
PRELIMINARY CHECK ....................................... 34
SYMPTOM CHART ............................................. 35
Power Supply and Ground Circuit Check ............... 36
Door Lock/Unlock Switch Check ............................ 36
Door Key Cylinder Switch Check ............................ 37
Door Lock Actuator Check ...................................... 38
Door Switch Check ................................................. 39
Door Unlock Sensor Check .................................... 40
Key Switch Check ................................................... 41
Super Lock Actuator Check .................................... 42
NATS Release Signal Check .................................. 43
Ignition Switch “ON” Circuit Check ......................... 44
Remote Controller Signal Check ............................ 44
MULTI-REMOTE CONTROL SYSTEM ..................... 45
Component Parts and Harness Connector Location... 45
System Description ................................................. 45
FUNCTION .......................................................... 45
LOCK OPERATION ............................................. 45
UNLOCK OPERATION ........................................ 46
HAZARD REMINDER ......................................... 46
MULTI-REMOTE CONTROLLER ID CODE
ENTRY ................................................................ 46
Wiring Diagram — MULTI — .................................. 47
Terminal and Reference Value for Multi-remote
Control Unit ............................................................. 49
Symptom Chart ....................................................... 49
Remote Controller Battery Check ........................... 49
Power Supply and Ground Circuit Check ............... 50
Hazard Reminder Check ........................................ 51
ID Code Entry Procedure ....................................... 52
Remote Controller Battery Replacement ................ 53
FRONT DOOR LOCK ............................................... 54
Component Parts Location ..................................... 54
Inspection and Adjustment ..................................... 54
OUT SIDE HANDLE ROD ADJUSTMENT .......... 54
Removal and Installation ........................................ 54
REMOVAL ........................................................... 54
Page 746 of 3066

BL-2
INSTALLATION .................................................... 55
Disassembly and Assembly .................................... 55
DISASSEMBLY ................................................... 55
ASSEMBLY ......................................................... 56
REAR DOOR LOCK .................................................. 57
Component Parts Location ..................................... 57
Inspection and Adjustment ..................................... 57
OUT SIDE HANDLE ROD ADJUSTMENT .......... 57
Removal and Installation ........................................ 57
REMOVAL ........................................................... 57
INSTALLATION .................................................... 58
Disassembly and Assembly .................................... 58
DISASSEMBLY ................................................... 58
ASSEMBLY ......................................................... 59
BACK DOOR ............................................................. 60
Fitting Adjustment ................................................... 60
VERTICAL/LATERAL CLEARANCE ADJUST-
MENT .................................................................. 60
Back Door Assembly .............................................. 61
REMOVAL AND INSTALLATION ......................... 61
INSPECTION ....................................................... 61
Removal and Installation of Back Door Handle ...... 61
Removal and Installation of Back Door Lock and
Actuator .................................................................. 62
Removal and Installation of Back Door Weatherstrip... 62
FUEL FILLER LID OPENER ..................................... 64
Component Parts Location ..................................... 64
THEFT WARNING SYSTEM ..................................... 65
Wiring Diagram — THEFT —/PRI-WIRE ................ 65
LHD MODELS ..................................................... 66
RHD MODELS ..................................................... 68NATS (NISSAN ANTI-THEFT SYSTEM) ...................70
Component Parts and Harness Connector Location... 70
System Description .................................................70
System Composition ...............................................71
Wiring Diagram — NATS — ....................................72
GASOLINE ENGINE MODELS ............................72
DIESEL ENGINE MODELS .................................73
CONSULT-II ............................................................74
CONSULT-II INSPECTION PROCEDURE ..........74
CONSULT-II DIAGNOSTIC TEST MODE FUNC-
TION ....................................................................74
HOW TO READ SELF-DIAGNOSTIC RESULTS...75
NATS SELF-DIAGNOSTIC RESULTS ITEM
CHART .................................................................75
Work Flow ...............................................................77
Trouble Diagnoses ..................................................78
SYMPTOM MATRIX CHART 1 ............................78
SYMPTOM MATRIX CHART 2 ............................79
DIAGNOSTIC SYSTEM DIAGRAM .....................79
Diagnostic Procedure 1 ...........................................80
Diagnostic Procedure 2 ...........................................80
Diagnostic Procedure 3 ...........................................82
Diagnostic Procedure 4 ...........................................83
Diagnostic Procedure 5 ...........................................85
Diagnostic Procedure 6 ...........................................85
Diagnostic Procedure 7 ...........................................86
Diagnostic Procedure 8 ...........................................88
How to Replace NATS IMMU ..................................89
Page 747 of 3066

PRECAUTIONS
BL-3
C
D
E
F
G
H
J
K
L
MA
B
BL
PRECAUTIONSPFP:00001
PrecautionsEIS000KD
lAfter installing removed lids or doors, be sure to adjust hinges and mount points so that lids or doors can
open and close properly.
lConfirm parts for proper lubrication, damage or wear. Lubricate, repair or replace as necessary.
Page 748 of 3066

BL-4
HOOD
HOOD
PFP:65100
Fitting AdjustmentEIS000KF
FRONT END HEIGHT ADJUSTMENT AND LATERAL/LONGITUDIAL CLEARANCE ADJUST-
MENT
1. Remove hood lock. Rotate bumper rubber to adjust height until hood becomes 1 to 1.5 mm (0.04 to 0.059
in) lower than the fender.
2. Position hood lock and engage striker. Confirm hood lock and striker for looseness. Tighten lock mount
bolts to the specified torque.
SURFACE HEIGHT ADJUSTMENT
1. Remove hood lock. Use bumper rubber (RH/LH) to make the hood and fender flush.
2. Position hood lock. Move hood lock to left or right until vertically centered on the striker.
SIIA0153E
Page 749 of 3066

HOOD
BL-5
C
D
E
F
G
H
J
K
L
MA
B
BL
3. Confirm secondary latch is securely engaged with secondary
striker by releasing it from a height of approximately 200 mm
(7.87 in) or by pressing it lightly approx.3kg (29 N).
NOTE:
Do not release hood from a height of 300 mm (11.81 in) or
higher.
4. Move hood lock up and down until striker smoothly engages the
lock when the hood is closed.
5. After adjustment, tighten lock mount bolts to the specified
torque.
Removal and Installation of Hood AssemblyEIS000KG
1. Disconnect washer hose at the connection.
2. Remove hinge mount nuts on the hood and then the hood assembly.
PIIA0181E
SIIA0154E
Page 750 of 3066

BL-6
HOOD
Install in the reverse order of removal.
Removal and Installation of Hood Lock ControlEIS000KH
REMOVAL
1. Remove hood lock cable and clip it from upper portion of radia-
tor core support and hood ledge.
2. Remove dash side finisher. Refer toEI-26, "
BODY SIDE TRIM".
3. Remove attaching screw and then the hood opener.
4. Remove dash panel grommet and pull hood lock cable toward
the passenger compartment.
NOTE:
When pulling the cable, be careful not to strip or scratch the
outer surface.
SIIA0155E
SIIA0156E