NISSAN X-TRAIL 2003 Electronic Repair Manual
X-TRAIL 2003
NISSAN
NISSAN
https://www.carmanualsonline.info/img/5/57402/w960_57402-0.png
NISSAN X-TRAIL 2003 Electronic Repair Manual
Trending: jump start terminals, wheel alignment, remote control, mileage, refrigerant type, cooling, service schedule
Page 751 of 3066

HOOD
BL-7
C
D
E
F
G
H
J
K
L
MA
B
BL
INSTALLATION
1. Pass hood lock cable through the opening while keeping the
winding radius 100 mm (3.94 in) or larger.
2. After confirming that the grommet is properly positioned, push
the grommet securely into the hole.
3. Apply sealant to the area on the grommet indicated with the *
mark.
4. Connect cable securely to the lock.
5. After connection, confirm proper adjustment and operation for
both hood lock and hood opener.
Hood Lock Control InspectionEIS000KI
NOTE:
If the hood lock cable is bent or deformed, replace it.
1. Confirm hood lock secondary latch securely engages secondary
striker by releasing it from a height of approximately 200 mm
(7.87 in).
2. Confirm front end of the hood rises by approximately 20 mm
(0.79 in) when pulling the hood opener. Also confirm hood
opener returns to the original position.
3. Confirm hood lock has is properly lubricated. If necessary, apply
"Body Grease" at the point shown in the figure.
PIIA0173E
PIIA0174E
PIIA0175E
PIIA0176E
Page 752 of 3066
BL-8
DOOR
DOOR
PFP:80100
Fitting AdjustmentEIS000KJ
FRONT DOOR
Longitudinal clearance and surface height adjustment at front end
1. Remove finder protector. Refer toEI-13, "FENDER PROTECTOR".
2. Working from the inside the fender, loosen hinge mount bolts on the body. Lift rear end of the front door to
adjust clearance and surface difference properly.
REAR DOOR
Longitudinal clearance and surface height adjustment at front end
1. Remove upper and lower garnishes on the center pillar. Refer toEI-26, "BODY SIDE TRIM".
2. Loosen mounting bolts from outside of vehicle, mounting nuts from inside of vehicle. Open rear door.
Raise rear end of it to adjust.
SIIA0158E
Page 753 of 3066
DOOR
BL-9
C
D
E
F
G
H
J
K
L
MA
B
BL
STRIKER ADJUSTMENT
Adjust striker until it is parallel to the lock engagement direction.
Removal and InstallationEIS000KK
NOTE:
lDuring door assembly removal and installation, use a jack to support the door. Place shop cloths or some-
thing similar on the jack plate to protect the door and body from damage.
lAfter door assembly removal and installation, always adjust it so will open and close smoothly.
lConfirm the rotating part of the hinge has adequate lubrication. If necessary, apply Body Grease.
1. Remove door finisher. Refer toEI-23, "
DOOR FINISHER".
2. Remove sealing screen.
NOTE:
If sealing screen is reused, cut butyl tape in a way that leaves it on the sealing screen.
3. Remove door harness.
4. Remove check link mount bolts on the body.
5. Remove hinge mount nuts on the door and then the door
assembly.
Install in the reverse order of removal.
PIIA0555E
SIIA0145E
SIIA0146E
Page 754 of 3066
BL-10
DOOR
Door Weatherstrip
EIS000KL
SIIA0157E
Page 755 of 3066
POWERDOORLOCKSYSTEM
BL-11
C
D
E
F
G
H
J
K
L
MA
B
BL
POWER DOOR LOCK SYSTEMPFP:24814
System DescriptionEIS001SE
OPERATION
Power door lock/unlock operation by door key cylinder
lWith the key inserted into driver's door key cylinder, turning it to LOCK will lock all doors.
lWith the key inserted into driver's door key cylinder, turning it to UNLOCK will unlock all doors.
Power door lock/unlock operation by lock/unlock switch
lWith lock/unlock switch setting to LOCK will lock all doors.
lWith lock/unlock switch setting to UNLOCK will unlock all doors.
Key reminder system
lIf the ignition key is in the ignition key cylinder and driver door is open, setting lock/unlock switch, lock
knob, key or multi-remote controller to “LOCK” locks the door once but then immediately unlocks all doors.
(signal from door unlock sensor driver side)
Component Parts and Harness Connector LocationEIS001R2
PIIA0584E
Page 756 of 3066
BL-12
POWER DOOR LOCK SYSTEM
Schematic
EIS0 01 R3
TIWA0003E
Page 757 of 3066
POWERDOORLOCKSYSTEM
BL-13
C
D
E
F
G
H
J
K
L
MA
B
BL
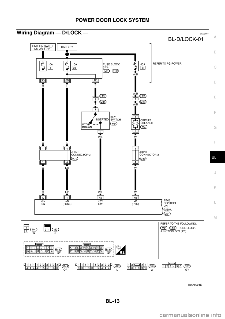
Wiring Diagram — D/LOCK —EIS001R4
TIWA0004E
Page 758 of 3066
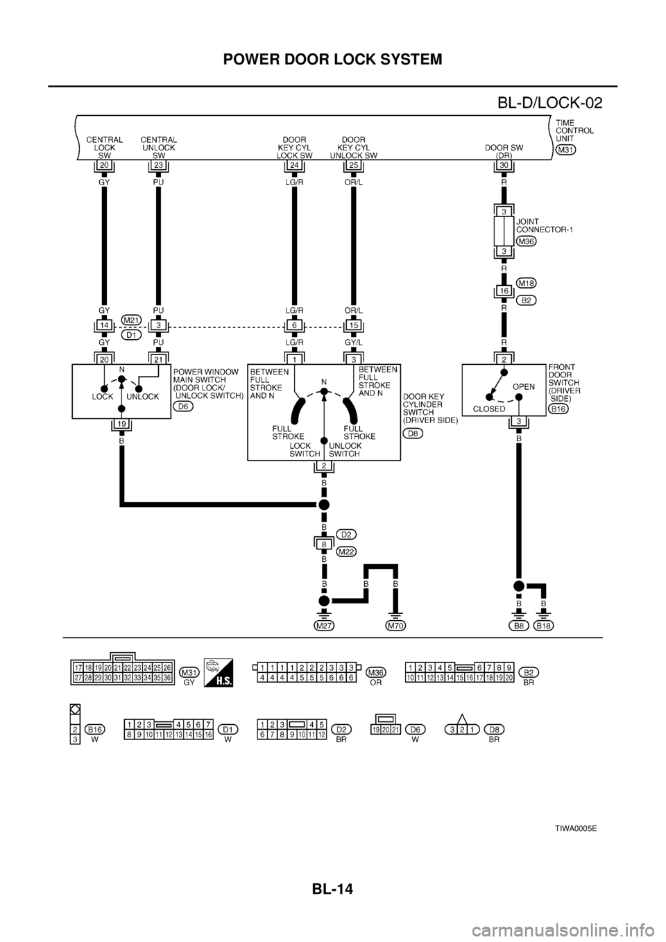
BL-14
POWER DOOR LOCK SYSTEM
TIWA0005E
Page 759 of 3066
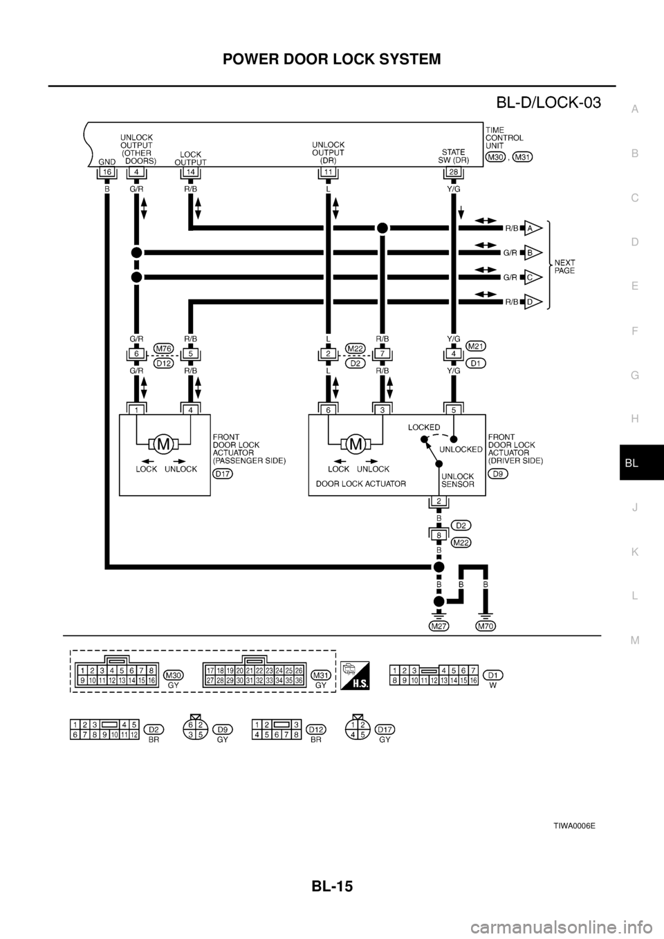
POWERDOORLOCKSYSTEM
BL-15
C
D
E
F
G
H
J
K
L
MA
B
BL
TIWA0006E
Page 760 of 3066
BL-16
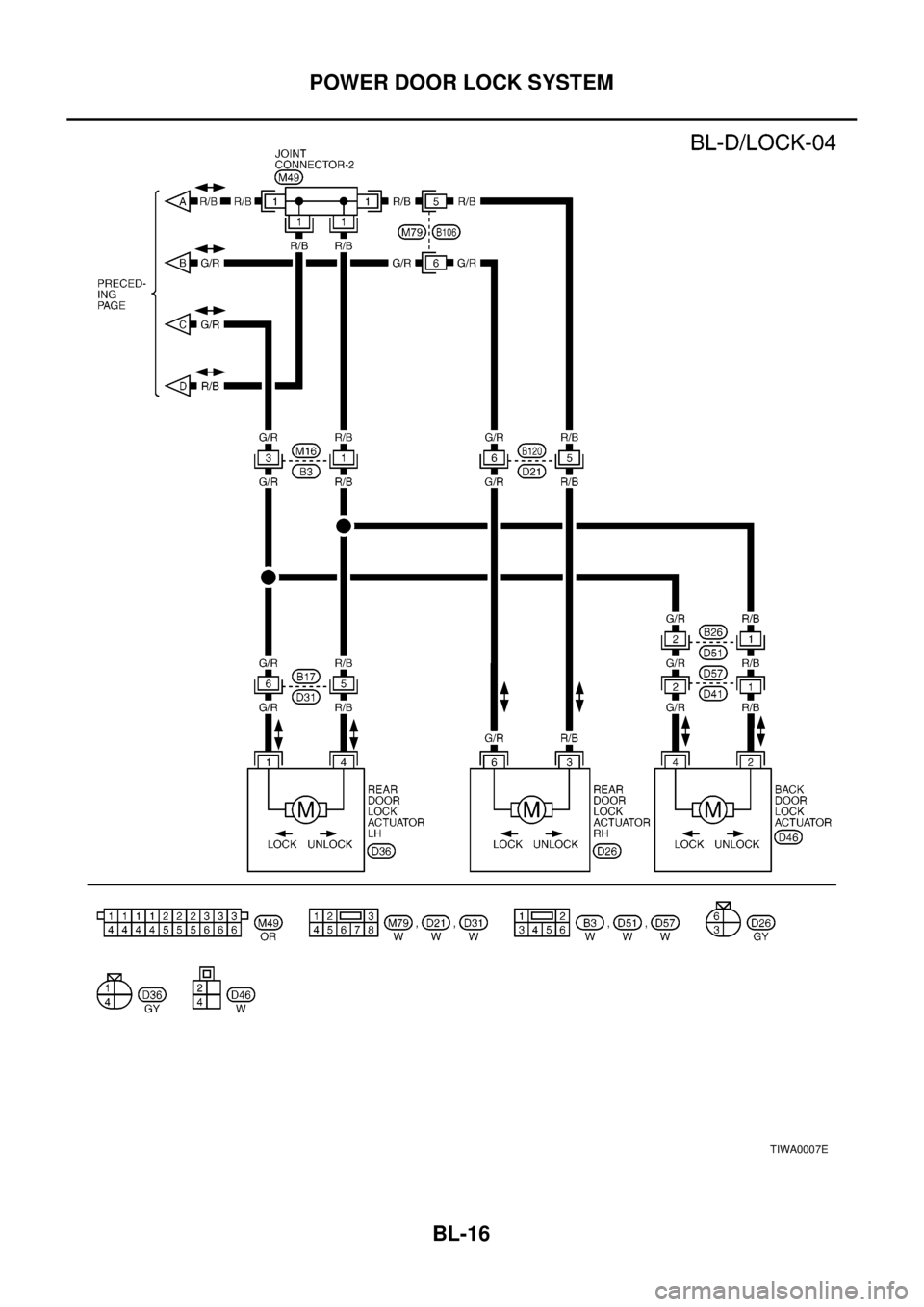
POWER DOOR LOCK SYSTEM
TIWA0007E
Trending: overheating, immobilizer, remove seats, maintenance, oil level, warning light, tow