NISSAN X-TRAIL 2003 Electronic Repair Manual
Manufacturer: NISSAN, Model Year: 2003, Model line: X-TRAIL, Model: NISSAN X-TRAIL 2003Pages: 3066, PDF Size: 51.47 MB
Page 761 of 3066

POWERDOORLOCKSYSTEM
BL-17
C
D
E
F
G
H
J
K
L
MA
B
BL
Terminal and Reference Value for Time Control UnitEIS000KP
Symptom ChartEIS001R5
*:Make sure the power door lock system operates properly.TER-
MINALWIRE
COLORITEM CONDITIONVOLTAGE
(Approximate values)
1 L/B BAT power supply — Battery voltage
4G/RPassenger door and rear door
(LH/RH) lock actuator lockPower door lock switch
Lock operation0V®12V
10 W Power source (C/B) — Battery voltage
11 L Driver door lock actuator lockPower door lock switch
Lock operation0V®12V
14 R/B All door lock actuator unlockPower door lock switch
Unlock operation0V®12V
16 B Ground — 0V
17 G IGN power supply — Battery voltage
18 W/L Key switchKey inserted (ON)®key removed
from IGN key cylinder (OFF)Battery voltage®0V
20 GYPower door lock switch lock sig-
nalLock operation (ON) 0V
Other than above (OFF) 5V
23 PUPower door lock switch unlock
signalUnlock operation (ON) 0V
Other than above (OFF) 5V
24 LG/R Door key cylinder lock switch OFF (Neutral)®ON (Locked) 5V®0V
25 OR/L Door key cylinder unlock switch OFF (Neutral)®ON (Unlocked) 5V®0V
28 Y/G Driver door lock switch signalUnlock (ON) 0V
Lock (OFF) 5V
30 R Driver door switch Door open (ON)®close (OFF) 0V®Battery voltage
Symptom Malfunctioning systemReference
page
Power door lock does not operate using any switchPower supply and ground circuit checkBL-18
Door lock actuator checkBL-20
If above systems are OK, replace time control unit. —
Power door lock does not operate with lock/unlock
switch.Door lock/unlock switch checkBL-18
If above system is OK, replace time control unit. —
Power door lock does not operate with door key cylin-
der switch.Door key cylinder switch checkBL-19
If above system is OK, replace time control unit. —
Specific door lock actuator does not operate.Door lock actuator checkBL-20
If above system is OK, replace time control unit. —
*Key reminder system does not operate.Door switch checkBL-21
Door unlock sensor checkBL-22
Key switch checkBL-23
If above system is OK, replace time control unit. —
Page 762 of 3066

BL-18
POWER DOOR LOCK SYSTEM
Power Supply and Ground Circuit Check
EIS001S7
1.CHECK POWER SUPPLY CIRCUIT
1. Turn ignition switch OFF.
2. Disconnect time control unit connector.
3. Check voltage between time control unit harness connector M30 terminal 1(L/B), 10(W) and body ground.
OK or NG?
OK >> GO TO 2
NG >> Check time control unit power supply circuit for open or
short.
2.CHECK GROUND CIRCUIT
Check continuity between time control unit harness connector M30 terminal 16(B) and body ground.
OK or NG?
OK >> Power supply and ground circuit is OK.
NG >> Check time control unit ground circuit for open or short.
Door Lock/Unlock Switch CheckEIS001S8
1.CHECKDOORLOCK/UNLOCKSWITCHSIGNAL
1. Disconnect time control unit harness connector.
2. Check continuity between time control unit harness connector M31 terminal 20(GY), 23(PU) and body
ground.
OK or NG?
OK >> Door lock/unlock switch is OK.
NG >> GO TO 2Te r m i n a l
Vo l ta g e
+–
1
Body
groundBattery voltage
10
SIIA1204E
: Continuity should exist.
SIIA1205E
Te r m i n a l sDoor lock/unlock
switchContinuity
20 – Body
groundLock Yes
Neutral or Unlock No
23 – Body
groundUnlock Yes
Neutral or Lock No
SIIA1206E
Page 763 of 3066

POWERDOORLOCKSYSTEM
BL-19
C
D
E
F
G
H
J
K
L
MA
B
BL
2.CHECK DOOR LOCK/UNLOCK SWITCH
1. Disconnect door lock/unlock switch harness connector.
2. Check continuity between door lock/unlock switch terminals 20, 21 and 19.
OK or NG?
OK >> Check the following.
lGround circuit for door lock/unlock switch
lHarness for open or short between door lock/unlock switch and time control unit connector
NG >> Replace door lock/unlock switch.
Door Key Cylinder Switch CheckEIS001S9
1.CHECK DOOR KEY CYLINDER SWITCH SIGNAL (LOCK SIGNAL)
Check voltage between time control unit harness connector M31 terminals 24(LG/R) or 25(OR/L) and body
ground.
OK or NG?
OK >> Door key cylinder switch is OK.
NG >> GO TO 2Te r m i n a l sDoor lock/unlock
switchContinuity
20 – 19Lock Yes
Neutral or Unlock No
21 – 19Unlock Yes
Neutral or Lock No
SIIA1209E
Te r m i na l s
Key position Voltage
+–
24Body
groundNeutral/Unlock Approx. 5
Lock 0
25Body
groundNeutral/Lock Approx. 5
Unlock 0
SIIA1207E
Page 764 of 3066

BL-20
POWER DOOR LOCK SYSTEM
2.CHECK DOOR KEY CYLINDER SWITCH
1. Disconnect door key cylinder switch harness connector.
2. Check continuity between door key cylinder switch terminals 1, 2.
OK or NG?
OK >> Check the following.
lDoor key cylinder switch ground circuit
lHarness for open or short between time control unit
and door key cylinder switch
NG >> Replace door key cylinder switch.
Door Lock Actuator CheckEIS001SA
1.CHECK DOOR LOCK ACTUATOR CIRCUIT
Driver side
lCheck voltage between time control unit harness connector M30 terminal 11(L), 14(R/B) and body
ground.
Passenger side and rear LH, RH
lCheck voltage between time control unit harness connector M30 terminal 4(G/R), 14(R/B) and body
ground.
OK or NG?
OK >> GO TO 2
NG >> Replace time control unit. (Before replacing the control unit, performBL-18, "
Door Lock/Unlock
Switch Check".) Terminals Key position Continuity
1–2Neutral No
Lock Yes
SIIA1208E
Door lock/
unlock switchTe r m i n a l s
Vo l ta g e
+–
Unlock 11Body
ground
Approx. 12
Lock 14Body
ground
SIIA1211E
Door lock/
unlock switchTe r m i n a l s
Vo l ta g e
+–
Unlock 4Body
ground
Approx. 12
Lock 14Body
ground
SIIA1212E
Page 765 of 3066

POWERDOORLOCKSYSTEM
BL-21
C
D
E
F
G
H
J
K
L
MA
B
BL
2.CHECK DOOR LOCK ACTUATOR
1. Disconnect door lock actuator harness connector.
2. Apply 12V direct current to door lock actuator and check opera-
tion.
( ): Passenger and rear LH door lock actuator.
OK or NG?
OK >> Check harness for open or short between time control
unit connector and door lock actuator.
NG >> Replace door lock actuator.
Door Switch CheckEIS001SB
1.CHECK DOOR SWITCH INPUT SIGNAL
1. Turn ignition switch OFF.
2. Check voltage between time control unit harness connector M31 terminal 30(R) and body ground.
OK or NG?
OK >> Door switch is OK.
NG >> GO TO 2Te r m i n a l s
Door lock actuator operation
3 (4) 6 (1)
+ – Locked®Unlocked
– + Unlocked®Locked
SIIA1213E
Terminal Driver's door Voltage
30–BodygroundClosed Approx. 5
Open 0
SIIA1214E
Page 766 of 3066

BL-22
POWER DOOR LOCK SYSTEM
2.CHECK DOOR SWITCH
1. Disconnect door switch harness connector.
2. Check continuity between door switch terminals.
OK or NG?
OK >> Check the following.
lDoor switch ground circuit or door switch ground con-
dition
lHarness for open or short between smart entrance
control unit and door switch
NG >> Replace driver's door switch.
Door Unlock Sensor CheckEIS001SC
1.CHECK FRONT DOOR UNLOCK SENSOR INPUT SIGNAL
Check voltage between time control unit harness connector terminal 28 and body ground.
OK or NG?
OK >> Door unlock sensor is OK.
NG >> GO TO 2
2.CHECK FRONT DOOR UNLOCK SENSOR
1. Disconnect driver's door unlock sensor harness connector.
2. Check continuity between door unlock sensor terminals.
OK or NG?
OK >> Check the following.
lDoor unlock sensor ground circuit
lHarness for open or short between time control unit
and door unlock sensor
NG >> Replace door unlock sensor.Terminal Driver's door switch Continuity
2–3Pushed No
Released Yes
SIIA1215E
Te r m i n a l s
Driver's door
lockVo l t a g e
+–
28Body
groundLocked Approx. 5
Unlocked 0
SIIA1216E
Terminal Driver door lock actuator Continuity
2–5Locked No
Unlocked Yes
SIIA1217E
Page 767 of 3066

POWERDOORLOCKSYSTEM
BL-23
C
D
E
F
G
H
J
K
L
MA
B
BL
Key Switch CheckEIS001SD
1.CHECK KEY SWITCH INPUT SIGNAL
Check voltage between time control unit terminal 18 and body ground.
OK or NG?
OK >>KeyswitchisOK.
NG >> GO TO 2
2.CHECK KEY SWITCH (INSERT)
1. Disconnect key switch connector.
2. Check continuity between key switch terminals 1 and 2.
OK or NG?
OK >> Check the following.
l10A fuse [No. 28, located in fuse block (J/B)]
lHarness for open or short between key switch and
fuse
lHarness for open or short between time control unit
and key switch
NG >> Replace key switch.Te r m i n a l s
Key switch Voltage
+–
18Body
groundKey is inserted Approx. 12
Key is removed 0
SIIA1218E
Terminals Key switch Continuity
1–2Keyisinserted Yes
Keyisremoved No
SIIA1219E
Page 768 of 3066

BL-24
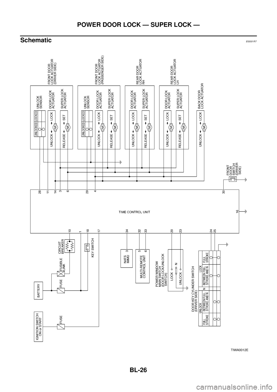
POWER DOOR LOCK — SUPER LOCK —
POWERDOORLOCK—SUPERLOCK—
PFP:24814
System DescriptionEIS0 01 R6
OUTLINE
Power door lock system with super lock and key reminder is controlled by time control unit. Super lock has a
higher anti-theft performance than conventional power door lock systems.
When super lock is in released condition, lock knob operation locks or unlocks door.
When super lock is in set condition, lock knob operation cannot lock nor unlock door.
OPERATION
Power door lock/unlock and super lock set/release operation by door key cylinder
lWith the key inserted into driver door key cylinder, turning it to LOCK will lock all doors and set super lock.
(Super lock will not be set while key is inserted in the ignition key cylinder.)
lWith the key inserted into driver door key cylinder, turning it to UNLOCK will unlock all doors and release
super lock.
Power door lock/unlock and super lock set/release operation by multi-remote controller (If
equipped)
lPressing multi-remote controller LOCK button will lock all doors and set super lock. (Super lock will not be
set while key is inserted in the ignition key cylinder.)
lPressing multi-remote controller UNLOCK button once will unlock driver door and release super lock.
Then, if an unlock signal is sent from the remote controller again within 5 seconds, all other doors will be
unlocked.
Power door lock and super lock release operation (by NATS IMMU signal)
lWhen the super lock is set, turning the ignition key switch to ON will release the super lock. All doors will
unlock once, but then immediately lock again.
Power door lock/unlock operation by lock/unlock switch
lWith lock/unlock switch on driver door trim setting to LOCK will lock all doors.
lWith lock/unlock switch on driver door trim setting to UNLOCK will unlock all doors.
SEL831U
Page 769 of 3066

POWER DOOR LOCK — SUPER LOCK —
BL-25
C
D
E
F
G
H
J
K
L
MA
B
BL
Lock/unlock switch operation cannot control super lock
Key reminder system
lIf the ignition key is in the ignition key cylinder and driver door is open, setting lock/unlock switch, lock
knob, key or multi-remote controller to “LOCK” locks the door once but then immediately unlocks all doors.
(signal from door unlock sensor driver side)
System initialization
lSystem initialization is required when battery cables are reconnected. Conduct the following to release
super lock once;
–insert the key into the ignition key cylinder and turn it to ON.
–LOCK/UNLOCK operation using door key cylinder or multi-remote controller.
Page 770 of 3066

BL-26
POWER DOOR LOCK — SUPER LOCK —
Schematic
EIS0 01 R7
TIWA0012E