NISSAN X-TRAIL 2003 Electronic Repair Manual
X-TRAIL 2003
NISSAN
NISSAN
https://www.carmanualsonline.info/img/5/57402/w960_57402-0.png
NISSAN X-TRAIL 2003 Electronic Repair Manual
Trending: ESP, air bleeding, radio controls, lights, engine oil capacity, trip computer, oil change
Page 771 of 3066
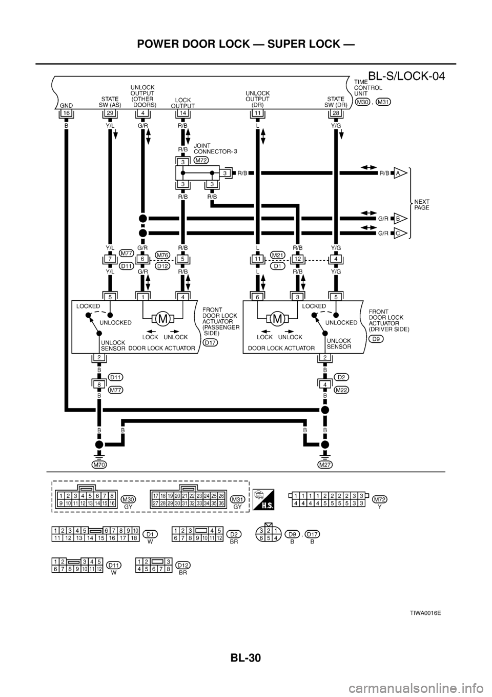
POWER DOOR LOCK — SUPER LOCK —
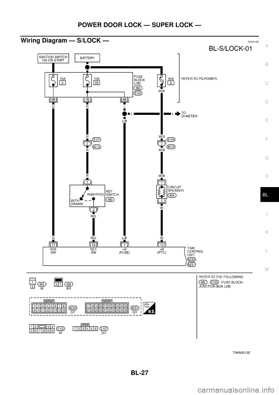
BL-27
C
D
E
F
G
H
J
K
L
MA
B
BL
Wiring Diagram — S/LOCK —EIS001R8
TIWA0013E
Page 772 of 3066
BL-28
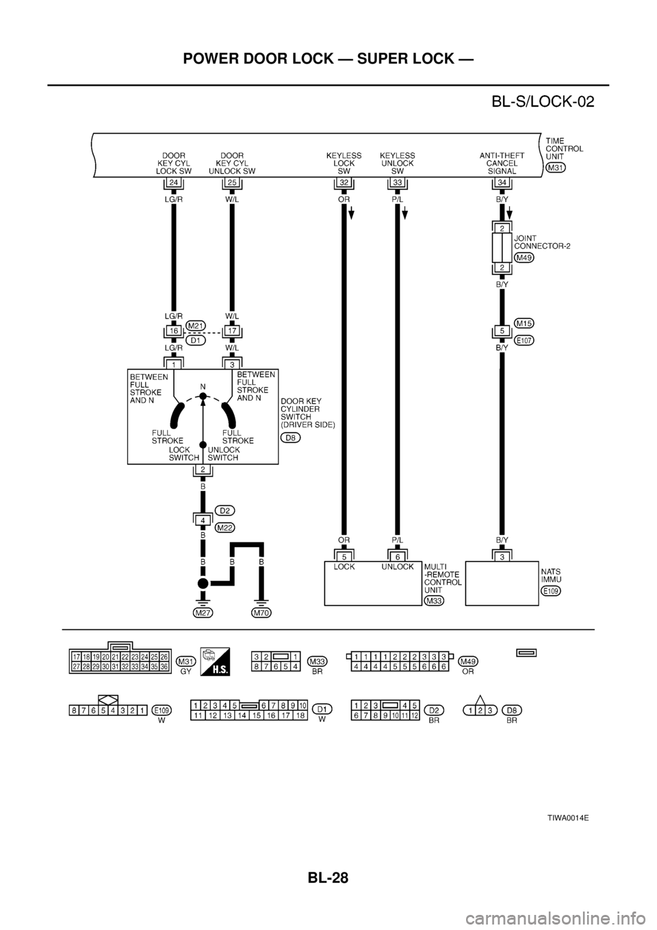
POWER DOOR LOCK — SUPER LOCK —
TIWA0014E
Page 773 of 3066
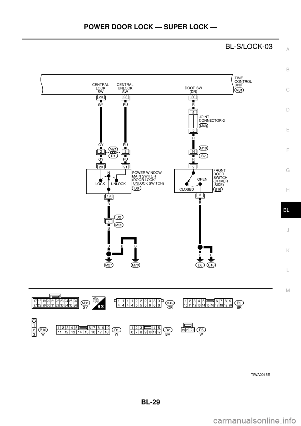
POWER DOOR LOCK — SUPER LOCK —
BL-29
C
D
E
F
G
H
J
K
L
MA
B
BL
TIWA0015E
Page 774 of 3066
BL-30
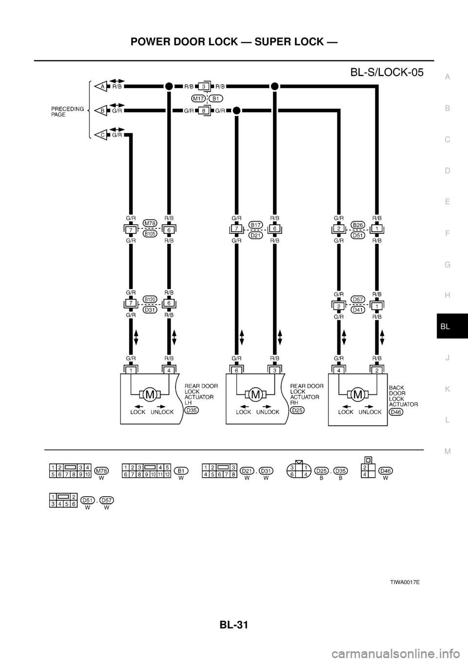
POWER DOOR LOCK — SUPER LOCK —
TIWA0016E
Page 775 of 3066
POWER DOOR LOCK — SUPER LOCK —
BL-31
C
D
E
F
G
H
J
K
L
MA
B
BL
TIWA0017E
Page 776 of 3066
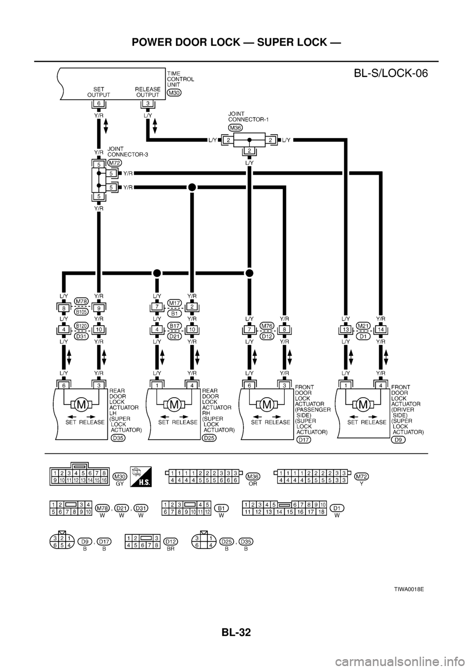
BL-32
POWER DOOR LOCK — SUPER LOCK —
TIWA0018E
Page 777 of 3066

POWER DOOR LOCK — SUPER LOCK —
BL-33
C
D
E
F
G
H
J
K
L
MA
B
BL
Terminal and Reference Value for Time Control UnitEIS001SR
TER-
MINALWIRE
COLORITEM CONDITIONVOLTAGE
(Approximate values)
1 L/B BAT power supply — Battery voltage
3 L/Y Super lock actuator releaseDoor key cylinder switch
Unlock operation (Released)0V®12V
4G/RPassenger door and rear door
(LH/RH) lock actuator unlockPower door lock switch
Unlock operation0V®12V
6 Y/R Super lock actuator setDoor key cylinder switch
Lock operation (Set)0V®12V
10 W Power source (C/B) — Battery voltage
11 L Driver door lock actuator unlockPower door lock switch
Unlock operation0V®12V
14 R/B All door lock actuator lockPower door lock switch
Lock operation0V®12V
16 B Ground — 0V
17 G IGN power supply — Battery voltage
18 W/L Key switchKey inserted (ON)®key removed
from IGN key cylinder (OFF)Battery voltage®0V
20 GYPower door lock switch lock sig-
nalLock operation (ON) 0V
Other than above (OFF) 5V
23 PUPower door lock switch unlock
signalUnlock operation (ON) 0V
Other than above (OFF) 5V
24 LG/R Door key cylinder lock switch OFF (Neutral)®ON (Locked) 5V®0V
25 OR/L Door key cylinder unlock switch OFF (Neutral)®ON (Unlocked) 5V®0V
28 Y/G Driver door lock switch signalUnlock (ON) 0V
Lock (OFF) 5V
29 Y/LPassenger door lock switch sig-
nalUnlock (ON) 0V
Lock (OFF) 5V
30 R Driver door switch Door open (ON)®close (OFF) 0V®Battery voltage
32 OR Key less lock signalRemote controller button
Lock pressed5V®0V (Approx. 0.5 sec-
onds)
33 P/L Key less unlock signalRemote controller button
Unlock pressed5V®0V (Approx. 0.5 sec-
onds)
34 B/Y NATS release signal — 5V
Page 778 of 3066
BL-34
POWER DOOR LOCK — SUPER LOCK —
Trouble Diagnoses
EIS0 01 R9
PRELIMINARY CHECK
After performing preliminary check, go to SYMPTOM CHART.
Before starting trouble diagnoses below, perform preliminary check.
Symptom numbers in the symptom chart correspond with those of Preliminary check.
Page 779 of 3066

POWER DOOR LOCK — SUPER LOCK —
BL-35
C
D
E
F
G
H
J
K
L
MA
B
BL
SYMPTOM CHART
*:Make sure the power door lock system operates properly.Symptom Malfunctioning systemReference
page
SYMPTOM 1
Power door lock does not operate using any switchPower supply and ground circuit checkBL-36
Door lock actuator checkBL-38
If above systems are OK, replace time control unit. —
SYMPTOM 2
Power door lock does not operate with lock/unlock
switch.Door lock/unlock switch checkBL-36
If above system is OK, replace time control unit. —
SYMPTOM 3
Power door lock does not operate with door key cylin-
der switch.Door key cylinder switch checkBL-37
If above system is OK, replace time control unit. —
SYMPTOM 4
Specific door lock actuator does not operate.Door lock actuator checkBL-38
If above system is OK, replace time control unit. —
SYMPTOM 5
Super lock cannot be set by door key cylinder.Door key cylinder switch checkBL-37
Super lock actuator checkBL-42
Key switch checkBL-41
Ignition switch "ON" circuit checkBL-44
If above systems are OK, replace time control unit. —
SYMPTOM 6
*Super lock cannot be released by door key cylinder.Door key cylinder switch checkBL-37
Super lock actuator checkBL-42
If above systems are OK, replace time control unit. —
SYMPTOM 7
*Super lock cannot be released by ignition key switch.
(Signal from NATS IMMU)Super lock actuator checkBL-42
NATS release signal checkBL-43
Ignition switch "ON" circuit checkBL-44
If above systems are "OK", replace time control unit. —
SYMPTOM 8
Specific super lock actuator does not operate.Super lock actuator checkBL-42
If above system is OK, replace time control unit. —
SYMPTOM 9
*Key reminder system does not operate.Door switch checkBL-39
Door unlock sensor checkBL-40
Key switch checkBL-41
If above system is OK, replace time control unit. —
SYMPTOM 10
Super lock cannot be set/released by using multi-
remote controller.Remote controller signal checkBL-44
If above system is OK, replace time control unit. —
Page 780 of 3066

BL-36
POWER DOOR LOCK — SUPER LOCK —
Power Supply and Ground Circuit Check
EIS001SS
1.CHECK POWER SUPPLY CIRCUIT
1. Turn ignition switch OFF.
2. Disconnect time control unit connector.
3. Check voltage between time control unit harness connector M30 terminal 1(L/B), 10(W) and body ground.
OK or NG?
OK >> GO TO 2
NG >> Check time control unit power supply circuit for open or
short.
2.CHECK GROUND CIRCUIT
Check continuity between time control unit harness connector M30 terminal 16(B) and body ground.
OK or NG?
OK >> Power supply and ground circuit is OK.
NG >> Check time control unit ground circuit for open or short.
Door Lock/Unlock Switch CheckEIS001ST
1.CHECKDOORLOCK/UNLOCKSWITCHSIGNAL
1. Disconnect time control unit harness connector.
2. Check continuity between time control unit harness connector M31 terminal 20(GY), 23(PU) and ground.
OK or NG?
OK >> Door lock/unlock switch is OK.
NG >> GO TO 2Te r m i n a l
Vo l ta g e
+–
1
Body
groundBattery voltage
10
SIIA1204E
: Continuity should exist.
SIIA1205E
Te r m i n a l sDoor lock/unlock
switchContinuity
20 – Body
groundLock Yes
Neutral or Unlock No
23 – Body
groundUnlock Yes
Neutral or Lock No
SIIA1206E
Trending: fuel, fuel tank removal, oil type, check oil, lug pattern, jacking points, maintenance reset