fuse box BMW M3 1998 E36 Workshop Manual
[x] Cancel search | Manufacturer: BMW, Model Year: 1998, Model line: M3, Model: BMW M3 1998 E36Pages: 759
Page 697 of 759

ELE-214
ELECTRICAL
WIRING
DIAGRAMS
8421
3
VIO/WHTI
VIO/WHT
BRN
HOT
IN
ACCY,
RUN
AND
START
r
FUSE
-1FRONT
POWER
F43
IDISTRIBUTIONBOX
LJ
2s~t
I
'
VIO/WHT)
VIO/WHTI
41X79182
BRNIWHTI
BRN/WHT
TRUNK
LID
_
SWITCH
DRIVERS
PASSENGERSMAKEUPMAKEUP
LIGHT
R
I
LIIGHT
OR
SRN
I
BRN
DRIVERS
V]
PASSENGERS
MAKEUP
MAKEUP
MIRROR
MIRROR
SWITCH
SWITCH
G203
Interior
Lights/Illumination
1994-97
Convertible
(2
of
2)
I
BODY
ELECTRONICS
I
I
(ZKE
IV)
I
__
________
y
_
'
J
,47X13254
2fi7XL]251
81X39182
BRN/WHT
I
VIO/BLK
I
BRN
I
RED/BLK
I
VIO/BLK
I
BRNIWHT
VIO/BLK
I
VIOIBLK
1
I
J
LEFT
M
RIGHT
TRUNK
TRUNK
COMPARTMENTCOMPARTMENT
LIGHT
LIGHT
REDIBLKRED/BLK
REDIBLKI
FIGHT
FRONT
NT
FOOTWELL
l
LEFT
I
,I
FOOTWELL
LIGHT
VIOIBLK
BF.I
BRN
I
BR
N
I
BRN
I
VIO/WHT
ER
2
G2311
VIOIBLKI
BRNIWHT
1
2
NCA
NCA
4
BRN
BRN
1
G230
1
G312
FRONT
DOME
LIGHT/
MAP
READING
ASSEMBLY
HARD
TOP
CONNECTOR
2
GLOVE
BOX
LIGHT
REO/WHT
I
RED/WHTI
RED/WHT
FIGHT
FEAR
FEAR
I
LIGHT
LIGHT
Page 698 of 759

HOTINRUN,
HOTAT
HOTAT
ACCYANDSTART
ALLTIMES
ALLTIMES
f-
I
FUSE
'''222
h~~~
FUSE
,FRONT
POWER
I
F73
/
F33
(DISTRIBUTION
BOX
26
xiaoiB
B
xjoolB
Viol
I
RED/
I
RED
WHT
WHT
viol
RED/
ED
WHT)
x141
B
2
W
2
T)x1
3252
R
1-1
x
1Dle2
BODY
ELECTRONICS
I
I
CONTROL
MODULE
(2KE
IV)
WHT1~
4
OK1--3
________-
BL
--
R60K1
BIO~IX13252
6
BRN/
WHT
I
BLK
I
BLK
M
LEFT
®
RIGHT
RED/
TRUNK
TRUNK
3
I
viol
COMPARTMENT
COMPARTMENT
BLK,1'II~
RL
,J1///IIII1
LIGHT
LIGHT
BRN/~
BRN/
FRONT
WHT
WHT
DOME
TI
MAP
READING
ASSEMBLY
SAW
WHT
BRNI
1
G203
TRUNK
LID
SWITCH
MIA
RROP
P
on
VERB
/
/
\I
M
FIRE
RGERS
LIGHT
LIGHT
j
DRIVERS
I/
j
PASSENGERSMAKEUPMAKEUP
MIRROR
MIRROR
SWITCH
SWITCH
BRN
SRNT
I
"
ELECTRICAL
WIRING
DIAGRAMS
ELE-215
Interior
Lights/Illumination
1998
Convertible
REOll
REDELK
BLI
LEFT
FIGHT
FRONT
T
FOOTWELL
~I
FOHT
WELL
LIGHT
BRN
I
SRN
4
BRN
a
VIO/I
VI-It
W
HT'
WHT
1
"
2
VIO/
BLK
1
5
Viol
WHT
GLOVEBox
LIGHT
.CA
BRNI
II
(HARD
TOP
CONNECTOR
NCA
RED/
WHT
3
BRN
BRN
Z
G203
RED/
l
RED/
WHT
WHT
LEFT
~
RIGHT
REAR
//
\
REAR
IN
RIOR
I1
J
INTERIOR
GH
~/
LIGHT
BRN
I
BRN
Page 699 of 759

ELE-216
ELECTRICAL
WIRING
DIAGRAMS
8345
2
EXTERIOR
LIGHTS
SYSTEM
(TURN/HAZARD
LIGHTS)
r
5
-
-
-
`~
HAZARD
I
(SWITCH
I
I
ON
OFF
2
I
I
®
TRANSMISSION
I
I
POSITION
I
I
INDICATORBRN
I
I
LIGHT
J-1
J
3
.RN
BRN"
HOT
IN
RUNAND
START
HOT
AT
ALL
TIMES
I
FRONT
FUSE
FUSE
POWER
F22
F37
I
DISTRIBUTION
5A
1
OA
I
BOX
2~
CASSETTE
BOX
LIGHT
1
.RN
Interior
Lights/illumination
1994-97
Except
318ti
&
Convertible
(1
of
2)
1
G201
7
1~
-N
1'
6
YY/
N
BflN~
GRY/BLK'
GRV/BLK
"
WIPER/
WASHER)
I
GRV/BLK
BRN
MODULE(
I
1
G203
12
(CANADA)
GRV/BL
GRY/BLK
GRVIBLKI
GRV/BL
3
DIMMER
2
BRN
(
SRN
(
GRV/RED
21
FRONT
CIGAR
LIGHTER
LIGHT
1t
1
2~
PEAR
FRONTASHTRAY
ASHTRAY
LIGHT
LIGHT
BRN
/
BRN
RN
T
©
DAYTIME
RUNNING
LIGHTS
CODING
DIODE
d~I'
YELIGRN
/
YELIGRN
EXTERIOR
"
LIGHTS
SYSTEM
GRVIB
KI
GRVISLK
4
I
GRVIBLZ
/
INTEGRATED
..
.IIlll
CHECK
(//.
BODY
I
(
CLIMATE
I
(
CONTROL
I
(
ELECTRONICS
I
I
RE
aULA710N
I
I
MODULE
I
(
CONTROL
I
-~
MODOLE
L
I
-I
I
_I
(ZKE
7
11)
]UNDERH000
LIGHT
I
I
IHKR
CONTROL
2Y
I-
I
PANEL
BRN
I
11Y%18154
UNDERHOOD
LIGHT
1,
SWITCH
I
I
RADIO
13
%1911
GRV/RED
I
FY/FED
4T
/
-RN
I
__
"
.
.
w____1
__
~
_
_
__-
~
______
,I
~
,
I
y
RIGHT
LEFT7~
LEFT
(SEAT
I(
SEAT
E%1994
I.
REAR
(HEATER
I
(HEATER
61995
~
I(
p
1I
WINDOW
I
SWITCH
I
(SWITCH
I
(SWITCH
GRY/RIO
~
GRY/flE0
I
I
I
9B
I
/T\
f
.pN_
.
.(PASSENGER'S
I
/(
\l~
(DRIVER'S
5
I
POWER
POWER
t
,
(WINDOW
(
C'
WINDOW
1(
SWITCH
I
(
SW
IT
CH
5
`T
/'
5
BRN
T
/I
6
SRN
I
BRN
1-1
SUNROOF
I
(CONTROL
I
(ASSEMBLY
1
G
302
-
l
.
-I
II
I
$
I
I1
w
I
1.I
I
I
/~
,
~(RIGHT
_I
I
I
I
I
5
I1
/(WINDOW
BLU/GRN
I
GRV/REOGRV/RED
I
GRY/RED
I
GRVIRED
GRV/REO
(
GRV/RED
/
GRV/RED
/
GRV/RESJ
GRV/RED
/
GRV/RED
I
GRV/RED
I
GRVIRE6
/
GRV/RED
(
SUNROOF
(
SUNROOF
(
_
SWITCH
I
SWITCH
Page 700 of 759

8345
3
RED/WHT
TRUNK
LIGHT
SWITCH
HOTATALLTIMES
---------------
__
HOT
INACCY,AUNANDSTART
HOT
IN
ACCY,SUNANDSTART
-
FRONT
------------------------------
__--
FUSE
FUSEFUSE
FUSE
(
POWER
I
~F33
~F43
~F44
(DISTRIBUTION
i
T
.
1AA~15A
BOX
--
-_--__-___-_-------------___
:___-___----------------
-
B`
~~I/
'
BOOY
28
```(((
/I
28
RED/WHT
I
I
ICONTROOLNICS
VIO/WHT
I
VIO/W
H7
RED/WHT
TRUNK
FRONTDOME
DRIVER'S
PASSENGER'S
GLOVE
COMPARTMENT
LIGHT/
MAKEUP
MAKEUP
-
BOX
LIGHT
READING
DING
MIRRORMIRROR
LIGHT
ASSEMBLY
SWITCH
SWITCH
S
WITCH
1
41
BRN/WHT
ON
ON
BRN
BRN
BRN/WHT_
ANTI-
"
j
THEFT
SYSTEM
1
OFF
I
OFF
v
I
BODY
---__--____---------
---------------_-
-
-
-
-
-
_-
_~
ELECTRONICS
I
CONTROL
I
-
-I
MODULE
(ZKEIV)
BRN/BLU/YEL
I
BRNIGRYIYEL
I
BRN/WHT
I
BRNIWHT
ANTI-THEFT
BRN/BLU/YEL
I
ANTI-THEFT
BRN/GRYIYEL
I
SYSTEM
4
-
"
SYSTEM
1
"
BRNIRED
l1
1
II
LEFT
RIGHT
4
14
1
REAR
REAR
INTERIOR
[
INTERIOR
REAR
RIGHT
LIGHTLIGHT
INTERIOR
REAR
INTERIOR
2
y
I
LIGHT
LIGHT
2DOOR
'
6DOOR
3L21
'L21
BRN
I
^BRN
BRN
_
BRN
BRN
I
BRN
BRN
I
"
-
al
G310
"
BN
~I~
G312
"
B
RN
a1
G312
"
B
N
A,
G203
BRNIBLU/YEL
I
BRN/GRY/YEL
Interior
Lights/Illumination
1994-97
Except
318ti
&
Convertible
(2
of
2)
I
I
MODULE
(ZKE
I
V)
"
12
4
VIOIWHT
VIO/WN7
VIOIWJ
VIO/WHT
3
DRIVER'S
PASSENGER'S
DOOR
DOORJAMB
JAMB
SWITCH
SWITCH
IT
"
I
G203
(2DOOR)
G203
(2DOOR)
ELECTRICAL
WIRING
DIAGRAMSELE-217
ANTI-
BRNIWHT
I
THEFT
~
"
SYSTEM
I
1994LATE
PRODUCTION
I
OTHERS
BRN/WHT
/
BRNIWHT
/
J//~
RIOHTREAR
.'/
~
RIGHT
DOOR
REARJAMB
DOOR
SWITCH
CONTACT
Y
BRN
BR
DRIVER'S
PASSENGER'S
MAKEUP
MAKEUPMIRROR
MIRROR
LIGHT
LIGHT
ISX
191)7)
(EX,1997)
1994LATE
PRODUCTION
I
OTHERS
BRNIBLK
V10/BLK
LEFTREAR
LEFT
DOOR
REARJAMB
DOOR
SWITCH
CONTACT
BRNT
SRN
I
BRN
I
"
BRN
I
SPIN
I
BRN
I
t_G203
1
G312
(4DOOR)
j
G310
(4DOOR)
Page 701 of 759

ELE-218
ELECTRICAL
WIRING
DIAGRAMS
ANTI-THEFT
CONTROL
MODULE
104823
NOT
AT
HOT
IN
RUN,
NOT
IN
RUN
.
ALLTIMES
__
_
FUSE
ACCVANDSTART
ACCYANDSTART
I
-__---________________________-_________--
FUSE
FUSE
(
FRONTER
I
F33
F43
F41
(DISTRIBUTION
I
t0A
5A
15A
SOX
X10019
2F
x3Do1B
zS
Xloo1
.e
RED/
'ol
Viol
WHT
WHT
BLK
Interior
Lights/Illumination
1998Except
318ti
&
Convertible
V
I01
WHT
READING
LIGHTS
WHT
I
R
BLK
(
RED
I
BRN
OFF
viol
WHTFRONTDOME
LIGHT/
MAP
READING
ASSEMBLY
WIREAR
y
READING
LIGHTS
RED/
REII
WHT
I
WHT
I
R
BLK
I
RBLK
_~
R
BLK
I
RED
I
WHT
I
BEN4
I
WH0FL
1
F
WI
READ
NGMP
BRN/
WHT
TRUNK
COMPARTMENT
LIGHT
LEFT
RIGHT
LEFT
FRONT
FRONT
REAR
ROOTWELL
FOOTWELL
INTERIOR
LIGHT
LIGHT
LIGHT
BRNI
BRN
BRN
BRN
BR
N1
BRN
F-W/READNIGLMPP
BFN
I
BRN
I
SRN
I
t11
G203
G312
G310
BRN/WHT
"
w
RIGHT
REAR
INTERIOR
LIGHT
viol
V10/
WHT
I
WNT
DRIVER'S
~`
PASSENGER'S
MAKEUP
/~
MAKEUP
VIO/
MIRROR
/\
~(~~/~MIRROR
BILK
LIGHT
I
~/
LIGHT
I
I
I~~
'
~
J,
.~~
GLOVE
BRN'
BRN,
I
~t
(BOX
.
./LLl'~l/~C~'/\I~
LIGHT
SWITCH
DRIVER'S
PASSENGER'S
MAKEUP
MAKEUP
MIRRORMIRROR
[
't
]
SWITCH
SWITCH
BRN
I
BFN
REO/
ED/
WHTK
12t
:
-=
tx13252
.
BODY
ELECTRONICS
I
I
CONTROL
I
_I
MODULE
__
------__--=c--___-GCCCC-__--ccc-__
_
_-------__--
(ZKEIV)
16
2
3
1
SI
q
BRN/I
BRN/I
BRN/
WHT
GRV/VELBLU/VEL
_
_
BRN/WHT
:
I
I
/ANTI-
I
W/OANTI-
T(-
I
W/ANTI-
1
111
BRN/WHT
/
THEFT
THEFT
THEFT
^
THEFT
I
INSTRUMENT
I
I
~4
BRN/GRV/VEL
I
"
BRN/GRVIVEL
CLUSTER
BRN/
I
BRN/
I`
BRN/
I
GRN/
I`
I
I
15
BRN/BLU/VEL
I
SYSTEM
WHT
WHT
BLK
WHT/VEL
I
I
ISB
WHT
1
=
L-
J
BFNI
WHT
I
GRVS/VEL
BNf
I
BLU/VEZ
I
WHZ
l
WH2
I
WNT
I
S
BLK
//
~
WNT/VEZ
I
WHT
VE9
lll
111/
~~~
Jll
/'
...
TRUNK
DRIVER'S
PASSENGER'S
LEFT
RIGHTRIGHT
LEFT
CONVERTIBLETRUNK
LIGHT
DOOR
DOOR
REAR
REAR
REAR
REAR
TOP
II
LIO
[~A
SWITCH
SWITCHSWITCH
CONTACTCONTACT
S4V
MO
TCH
SWITCHSW
MICRO
ITCHSLID
I
-I
RELAY
tY
1Y
,Y
-
--
1Y
0RN'
BR"'
IRI
ISBN
SPIN
I
.FN
I
-FN
I
BFN
I
BRN
G3121
(2pOOR)
G2031G310
(4000R)
1
Z
Page 702 of 759

EXTERIOR
LIGHTS
SYSTEM
(TURN/HAZARD
LIGHTS)
100822
s
.
"
._
4-
I
--
~
iHAZARD
S
WITCH
III
L
I
I
I
II
II
I
BR
3
N
S
Interior
Lights/Instrument
Illumination
1998Except
318ti
&
Convertible
HOTINRUNANDSTART
HOTATALLTIMES
FRONT
I
FUSE
FUSE
f
POWER
I
122
137
I
DISTRIBUTION
I
5A
10A
BOX
-
-
-
-
-
-
-
--
-
-
-
-
-
-
-
-
-
------
-
-
-
-
-
-
-
-
-
-
aT
X19012
14~7
''
XUQQjA
GR
./V.1'
RED/BLU
I
GRNIVEL~
RED/11-
I
8
11
LIGHT
SWITCH
I
I
I
I
HEAD
I
_
.11
-
-
-
-
-
_
_
_
_
_
_
_
_
-
_
_
_
_
_
_
_
_
_
_
_
_
_
_
_
4
.
-
-
7
1
Y
EXTERIOR
LIGHTS
SAN
GRVIBLK
~GRVIBLK
(LICENSEPLATE
I
I/
'
LIGHTS)
BLUIGRN
I
GRYIRED
(
GRYIRED
(
GRY/RED
(
GRYIRED
(
GRYIRED
(
GRVIRED
(
GRY/RED
(
I
GRVIRED
(
GRVIRED
(
GRVIRED
(
GFWRED
IN/
AUTO
W/
.AUTO
CLIMATECLIMATE
CONTROL
CONTROL
1Y
BRN
I
GRY/BL3I
GRV/BLK
GRVIBLK
I
GRV/BLK
GRVIBLK
++l///ll
.
DIMMER
2
f
1q
2
4q
CASSETTE
CHECK
BODY
WIPER/
BOX
I
(
CONTROL
I
I
ELECTRONICS
I
I
WgSHER
LIGHT
I
(
MODULE
I
(
CONTROL
I
(
MODULE
1
YYT///
I_I
I_I
(ZKE
I
IV)
I
_I
BR
N
/
N~
GRVIRED
I
BR
BRN
I
BRN
1
2
G2D2
G203
TRANSMISSION
POSITION
INDICATOR
LIGHT
SAN
ELECTRICAL
WIRING
DIAGRAMS
ELE-219
GEAR
2,1,
_REAR
2~
.
FRONT
2
~
FRONT2~
.
SHIFT
ASHTRAY
CIGAR
~gSHTRAY
I
~
I
LEVER
LIGHT
INDICATOR
1
y
'
1T
LIGHT
1y
1
I
I
BAN
BAN
SAN
BAN
I
ABCSWITCHSWITCH
-
a
.AN
GRYIRED
GRYIRED
(
GRYIRED
I
GRYIRED
(
GRYIRED
(
GRV/RED
(
GRV/RED
(
GRYIRED
(
GRV/RED
(
GRYIRED
(
GAY/RED
(
GRV/PEO
I
GRYIRED
(
GRV/RED
DRIVER'S
LEFT
LEFT
CENTRAL
(POWER
I(
REAR
I
(
REAR
I
(POWER
I
I
II
(WINDOW
(POWER
IpOWER
(WINDOW
I
I
I
I
~IswIrcH
IWINDOW
t
Iwlrvoow
ISWITCH
II
II
I
II
I
-
-
SWITCH
S
W
ITCH
(2
DOOR)DOOR)
((CONSOLE)
I
_I
CENTRAL
SUNROOF
ON
DOOR)
~Y
eY
LOCKING
SWITCH
SWITCH
PASSENGER'S
p
,
~
RIGHT
RIGHT
~TOP
POWER
i/'J`\
(
REAR
REAR
i/T\'HIFI
I
-I
(WINDOWOWER
OWER
I/\~~~~//(SWITCH
II
IswIrCH
I
IWINDOW
I
IwINOOw
I
I
I
_
_I
_
-
I(
DIOOR)
ISW
TCH(CD
I
NSOLE)
I
CONVERTIBLE
Y
Y
(DNDOOR)
'Y
lY
TOP
I
BI
ACTUATING
BRN
RN
SAN
I
SWITCH
%1B
1B
13I
GRYIRED
GRV/RED
I
I
I
I
I
I
I
I
I
I
f
1
I
I
I
I
I
I
I
f
-
I
I
_~
I
_I
I
_I
II
~
j
ON-BOARD
RADIO
AUTOMATIC
THERMO-
-
COMPUTER
CLIMATE
STAT
MODULE
CONTROL
INSTRUMENT
MODULE
CLUSTER
I
I
RAN
1
I
1
1
1
1
G300
G310
G300
G203
Page 703 of 759

ELE-220
ELECTRICAL
WIRING
DIAGRAMS
EXTERIOR
LIGHTS
SYSTEM
(TURN/HAZARD
LIGHTS)
BLUIGRN
/
GRV/RED
I
GRV/RED
8393
3
r
Interior
Lights/illumination
1995-96
318ti
(1
of
2)
HOTINRUNANDSTART
HOTATALLTIMES
r
I
I
FRONT
1FUSE
USE
POWER
I
F23
F37
I
DISTRIBUTION
I
5A
10ABOX
14Y
GRN/BLU
I
RED/BLU
GRNIBLU
2
A,
r__
LIGHT
II
HEAD
OFF
II
PARK
II
II
I
L__
.
.
..
.
.
.
.
.
.
.
.
.
..
__-___-_______________
_J
t
+
B
B
-FN
I
GRY/BLK
I
GRY/RED
GRV/BLK
-1
HAZARD
~
TRANSMISSION
ISWITCH
POSITION
I
INDICATOR
LIGHT
WIPER/
I
(TELEPHONE
I
-
ICLIMATE
I
I
WASHER
EJECT
CONTROL
I
I
MODULE
I
(BOX
I
ISWITCH
I
-I
I
-
I
I
_
-IIILLUMINATION
12
I
I
5Y
1
GRV/BL
FRONT
CIGAR
LIGHTER
LIGHT
GRY/BLK
BRN
I
BRN
I
BRN
I
BRN
GRV/BLK
EXTERIOR
LIGHTS
SYSTEM
2
I
CASSETTE
_~
BODYBOX
I
/
ELECTRONICS
y
~
LIGHT
I
I
CONTROL
_
I
I
(
D
I
(
DIGITAL
1
MOULE
BRN
I
-
(ZKEIV)
I
CLOCK
/
FRONT
ASHTRAY
LIGHT
GRV/RED
I
I
GRYIRED
I
I
GRY/RED
.FN
GRV/RED
I
GRYIRED
G404
I
I
RADIO
I__I
GRV/RED
I
GAY/RED
1
,1X]9295
(CENTRAL
(
SUNROOF
(BOARD
I
LOCKING
I
SWITCH
I
COMPUTER
ISWITCH
ii
y
I
_I
_I
L~t-'
I
GRV/REDGRV/RED
fi
fi
PASSENGER'S
R
IVER9
I
(POWER
1--D
(POWER
I
I
WINDOW
I
I
WINDOW
I
ISWITCH
/
ISWITCH
I
~~I
I
I
INKS
CONTROL
I
I
SWITCH
I_
Page 704 of 759

8393
4
20
2fi
6
X-Q-
Vi0/BLK~-----------
VIO/WH_--------------
"
-
RED/WHTI
REOI
B
GILD
S
MIRROR
I
PASSENGERPROP
LIGHT
OX
MAKEUP
MAKEUP
'S
LIGHT
VIOIBLK/YELI
BFN
(
BR
X401
11
X401
ELECTRICAL
WIRING
DIAGRAMS
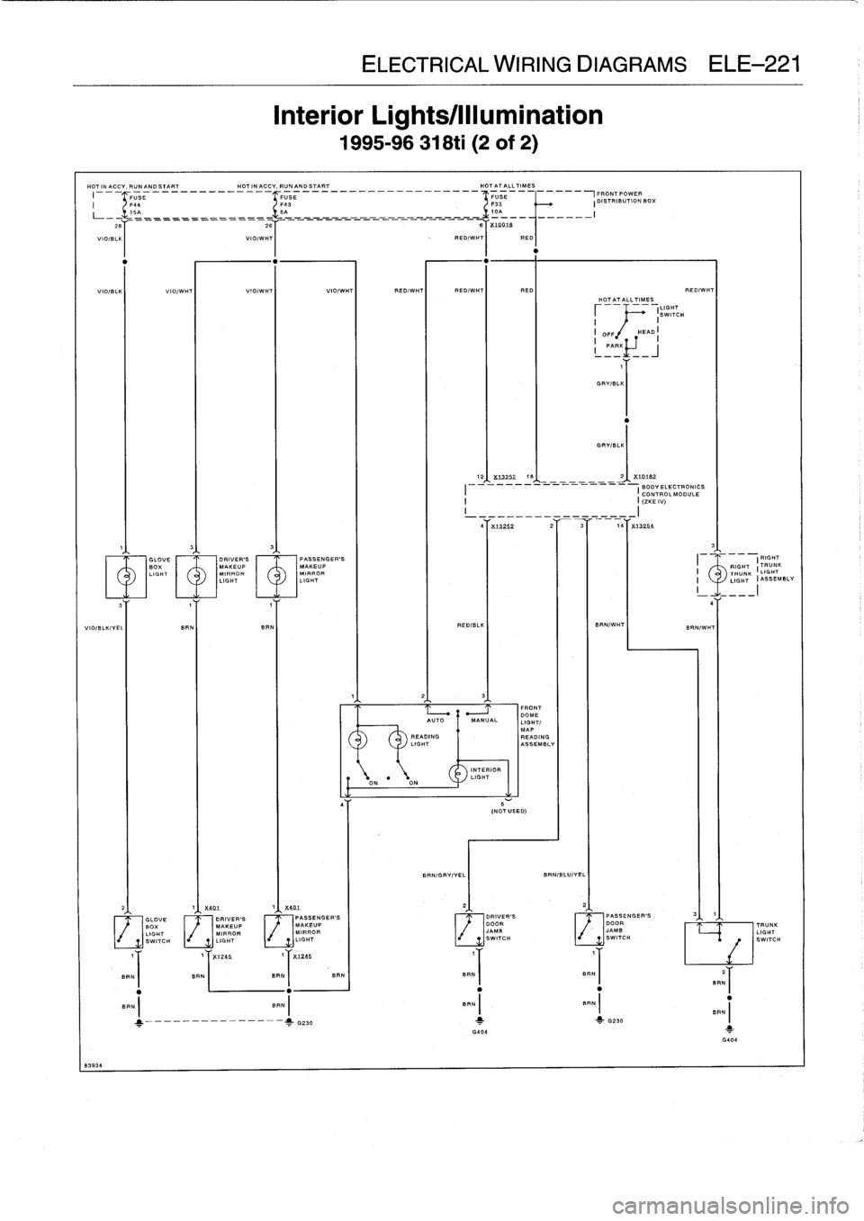
ELE-221
Interior
Lights/Illumination
1995-96
318ti
(2
of
2)
HOT
INACCY,RUNANDSTART
HOT
INACCY,RUNANDSTART
HOT
AT
ALL
TIMES
I
USE
FUSE
FUSE
FRONT
POWER
-----------------_---~-----I-----
DISTRIBUTIONBOX
F44
/
F43
~
F33
t
-
I
15A
'I
SA
T
.
1DA
VIOIBLKI
VIOIWHTI
VIO/WHTIVIO/WHTI
RED/WHTIREDIWHTI
RED(
HOTATALLTIMES
RED/WHT
AUTO
MANUAL
READING
LIGHT
GRY/BLK
GRY/BL
12
X13252
181
..
.
.
..
.
2
X
101
82
I
BOOYELECTRONICS
I
CONTROLMODULE
I
---_
~
-`j-I
47X13252
2~
3/
-
14I
X
132
REDIBLKI
I
I
BRN/WHT
INTERIO
LIGHT
5
v
(NOT
USED)
(FRONT
DOME
LIGHT/
MAP
READING
ASSEMBLY
BRN/GRYIYEL
I
BRN/BLU/YEL
I
RIGHTRIGHT
{TRUNK
L
GHT
B-/-T
TRUNK
I
LIGHT
(ASSEMBLY
B
OX
MA
I
KEUP
B
~MAKEUP
ER'S
DOOR
RS
~OOOR
BNGER'S
LIGHT
M
MIRROR
JAMB
JAMB
LIGHTK
LIGHT
TRUN
LISWGHT
ITCH
LIGHT
LIGHT
SWITCH
SWITCH
-
SWITCH
BR
N
I
BRN
2(1245
BRN1
S
SPIN
BRN
I
BR-
I
BRN
2T
"
BRN_(
BRN
I
BRN
I
BRN
I
SPIN
Z
----_----_-----
i
323
.
-
1
.
G230G404
-
G404
Page 705 of 759

ELE-222
ELECTRICAL
WIRING
DIAGRAMS
BBS92
EXTERIOR
ON
OFF
II
II
II
I
HOT
IN
RUNAND
START
HOT
AT
ALL
TIMES
r
T
FRONT
1FI1SE
FUSE
I
POWER
I
rF23
F37
I
DISTRIBUTION
I
_
15A
110A
J
BOX
_____________________
fiY
147
GRN/BLU
I
RED/BLU
Interior
Lights/Illumination
1997
318ti
(1
of
2)
IIII
L_-7------------------
-
I
y
---------
--------
1y
-1
I
i
T
-1
HAZARD
TRANSMISSION
SWITCH
POSITION
INDICATOR
LIGHT
HEAD
4
OFF
PARK
BRN
I
GRV/BLK
I
GRY/RED
BRN
TELEPHONE
BOARD
02
EJECT
COMPUTER
I
LIGHTS
SYSTEM
(TURN/HAZARD
I
GRV/RED
I
GRV/RED
I
GRVIRED
I
GRV/RED
LIGHTS)
BRN
I
BRN
I
BFN
I
BRN
1
G203
GRV/BLK
I
GRV/BL
12~
2,
WIPER/
BODY
I
I
WASHER
I
I
ELECTRONICS
I
(
MODULE
I
(
CONTROL
_
I
-I
I
I
MODULE
I
(DIGITAL
(2KEIV)
I(
CLOCK
----------~
-~
LIGHT
SWITCH
(
GRV/BLK
EXTERIOR
LIGHTS
I
SYSTEM
I_
II
2r
I-
ET--
I
HEATING&
4~
WIHEATING
I
CLIMATE
BR
Jll//l~~N
CONTROLCONTROL
GRV/RED(
GRV/R
ED
I
\
I
-(SUNROOF
L
I
(ASSEMBLY
PASSENGER'S
-
I(
SEAT
I
(HEATER
5
"
~~
I
BRNSWITCH
I
REAR
I
(DEFOGGER
GRY/REfiD
I
(SWITCH
I
I
RA010
I
I
I_
I
1
-1
11
1'10295
I
I
GRYIPED
I
I
LIKE
CONTROL
I
J-G404
I
i
_
2
_
I
(
SWITCH
~
CLIMATE
I
--
I
/
/~~N\
\
(
CONTROL
I
-I
I1
("
/SWITCH
II
ILLUMINATION
"
1
GRV/~
1T
RED
GRV/REDGRYIPED
2"
J,
3j
3
CLIMATE
~PASSENGER'S
~
DRIVER'S
I
(
CONTROL
I/~\
(
POWER
(//~~\\
(POWER
I~IsWITC
N
I
I(~
JIWINDOW
I1
F-
II
SWITCH
(ILLUMINATION
I
ISWITCN
I
(SWITCH
Page 708 of 759

HOT
IN
RUN
AND
START
HOT
AT
ALL
TIMES
I
FRONT
FUSE
FUS
F~
EPOWER
F23
137
I
DISTRIBUTION
-
BA
10A
BOX
BY
14
GRN/BLU
i
RED/BLU
GRNIBLU
2t
5
LIGHT
I
I
SWITCH
I
II
MEAD
~
OFF
I
PARK
I
__
_J
SRN
I
GRYIBLK
I
GRV/RED
GRV/ELK
EXTERIOR
"
"
~,
LIGHTS
1
4
(LICENSE
BRN
GRV/SLK
GRV/BLK
LIGHTS)
1
~
WIPER/
BODY
I
(DIGITAL
I
-
I
RADIO
I
(BOARD
f
G202
I
I
WASHER
I
-
ELECTRONICS
CLOCK
COMPUTER
I
l
MODULE
I
(
CONTROL
I
I
I
I
I
!
_I
!
_
I(ZKEIW)
2
13
11
X
70245
EXTERIOR
LIGHTS
SYSTEM
IT
UPNIHAZARD
G'Y'RED
GRVIRED
GRVIRED
LIGHTS)
t______
.-_7______
f
BLUIGRN
GRV/RED
GRV/REO
GRV/RED
GRVIRED
GRV/RED
GRV/RED
GRV/RED(
W1
INTEGRATEDHEATING
&
W/HEATING
CLIMATE
CONTROL
CONTROL
5
_
_
4
2
2
GRVIRED
^
GRYIRED
HAZARD
TRANSMISSION
_
ASC
FRONT
I
(SWITCH
POSITION
I
SWITCH
CIGAR
B
INDICATOR
I
I
LIGHTER
I
I
®LIGHT
-
I
1
LIGHT
----
(REAR
-
ON
OF
F
(
(
2
X36
DEFOGGER
(SWITCH
I
I
1
I
I
----
--
_-
I
'
I
GRYIRED
4
GRV/REBD
I
I
I
I
I
-
'~`
CLIMATE
IHKS
I
I
SRI,
RN
RN
I
i
I
I/~
(CONTROL
I
(CONTROL
/\
SWITCH
I
(SWITCH
I
I
I
I
--
I
~/
(ILLUMINATION
'-
I
L______J
____
Y_
-
TTT
/
INSTRUMENT
sp
.
GRY/RED
SPIN
'
2
CLUSTER
1
BRN
"
"
I
f
CLIMATE
CONTROL
I
I
I
SWITCH
'
-
l
ILLUMINATION
I
II
I
BR
2T
IN
BR
.
-
BR
.
l
I--__--~
l
SPIN
BRN
i
11
G201
G201
G201
"
.__-____
+
___-__
GRYIRE31
GRYIRE3_1
_
_
GRVIRED
I
GRVIRED
I
GRY/RE3j
GFYI
.E
.
I
FYIRE
.
I
iPASSENGER'S
I
(
DRIVER'S
I
(
PASSENGER'S
I
(
DRIVER'S
-CENTRAL
I
(
FOLDING
'I,
JJJ'/I
...
SUNROOFPOWER
POWER
SEAT
SEAT
I
LOCKING
SUNROOF
SWITCH
-
(WINDOW
I
(WINDOW
-
(HEATER
I
(HEATER
I
(SWITCH
I
(SWITCH
-
-
IswIrcH
I
(SWITCH
I
(SWITCH
I
ISWITOH
-
I
I
I
I_
I
I
I
~I
I
xl
-
:I
4v
4T
I
I
I
I
I
_I
4
4
I
-
I
-
BRN
1
_
3
g4
4
(SUNROOFBRN
BRN
BR
.
BRN
B
RN
BRN
I
CONTROL
I
(ASSEMBLY
I
1
BRN
I
BRN
II
I
t
111
G302
G302
G404
G201
10483
0
ELECTRICAL
WIRING
DIAGRAMS
ELE-225
Interior
Lights/Instrument
Illumination
1998
318ti