fuse box diagram BMW M3 1998 E36 Workshop Manual
[x] Cancel search | Manufacturer: BMW, Model Year: 1998, Model line: M3, Model: BMW M3 1998 E36Pages: 759
Page 743 of 759

ELE-260
ELECTRICAL
WIRING
DIAGRAMS
RADIO
CDCHANGER
1,18890
INTERIOR
GRYIRED
LIGHTS
SYSTEM
i
YEL/RED
2
BLU/RED
3
YEL/BLK
4
WHT/BRN
5
VIO/WHT
fi
BLU/BLK
7
YEL
8
BRN/ORG
9
RED/-
lo
BLK/WHT
11
BRNIORG
12
BRN/ORG
13
GRYIRED
14
BRNIORG
15
BRN
1B
WHT
X78720
1
YEL
2
BILL)
3
BRN
4
GRY
5
ELK
B
GRN
7
VIO
8
NCA
9
RED
10
WHT
X1fi520
FRONTPOWER
FUSEFUSE
FUSE-
I
DISTRIBUTION
ONBOX
144
133
F9
I
15A
10A
20A
I
-------
-------
-----
Radio/Cassette/CD/Speakers
1998
318ti
10
Speaker
w/CD
Changer
System
HOTINACCY
.
HOTATHOTAT
RUNANDSTART
ALLTIMES
ALLTIMES
-----
I
BLU/BLK
2
F
YEL/BLK
3
BRN/ORG
4
1I
III
IIII
5~
BLU/RED
B
7
B
BLUIBRN
9
YEL
10
BRN
11
BLU
12
BRN
13BF
.I
.FG
1
,1
BLU/RED
15
YEL/RED
16
BRNIORG
17181920
YEL/RED
21
YEL/BRN
22
BLU/BLK
23
BLU/BRN
24
YEL/BLK
25
YEL/BRN
26XBDB
u
HIFI
AMPLIFIER
WHT
3
,
I
I
ANTENNA
AMPLIFIER
"
ILK/1"TI
VIS
I
I
OUTPUT
-
I
INSTRUMENTOLUSTER
BLU/VIO
5
BLU/GRY
6
BLU/WHT
7
BLUIBRN
8
I
BL
UPPED
9
BLU/BRN
10
f
T
I
T
T
YELIGRY
11
REDI
-
WH~2
5
(fi/
7(
BLU/
BLUIBRN
9~
YELIG
Y
10~
YELISLK
11
X
12
SUBWOOFER
_RED/WH~
I
BRN
3
BL
.
B{
TELEPHONE
X79305
CONNECTOR
RIGHTFRONT
LOWRANGE
LEFTREARSPEAKER
RIGHT
MID-
HIGH
RANGE
SPEAKER
SPEAKER
RIGHT
REAR
SPEAKER
Page 744 of 759

TERMINALR
RADIO
CDCHANGER
1
YELIRED
2
BLU/RED
3
YELIBLK
4
WHT
I
BRN
5
VIO
/WHT
6
BLU/BLK
,7
B
BRN/ORG
9
RED/WHT
10
BLK/WHT
11
BRNIORD
12
SWORD
113
GRY/RED
,
INTERIOR
14
BRN/ORG
LIGHTSSYSTEM
15
BRN
16
WHT
1
YEL
2
EL
.
3
BRN
4
GRY
5
ELK
6
GRN
7
VIO
8
NCA
9
RED
10
WHT
X18529
1
GRN
2
BRN
3
BLK
4
WHT
5
NCA
6
PED
7
GRV
B
VIG
9
YEL
10
BLU
LEFT
FRONT
LEFTFRONT
MIDRANGE
HIGH
RANGE
SPEAKER
SPEAKER
LEFT
MID-HIGH
RANGE
SPEAKER
877152
H
O
T
INACCY,RUNANDSTART
HOT
AT
ALL
TIMES
FUSE
FUSE
FRONTPOWER
F44
F9
I
DISTRIBUTION
BOX
22L~2
OR~
1
BRN
:
BBRNN
JIX]
8]B0
'I
YELIBRN
LEFTFR0NT
LOW
RANGE
SPEAKER
Radio/Cassette/CD/Speakers
1992
10
Speaker
System
G202
ELECTRICAL
WIRING
DIAGRAMS
ELE-261
.
"
_
""
-
"""
.
."
.-
"."
MEMNONME
"".""
IIL!!!!r
MMIMEMEMEME
EMOMMEMMEM
YEL/GRN
1
RED/WHT
2
6202
,fir
88N
.
BR=
BLU/BRN
5
BLU/WHT
6
YELIGRY
7
BLU/GRN
8
WHT
9
BLUIGRY
10
BLU/VIO
11
BLU/REO
12
_F
X645
YELIRED
1
YEL/BRN
2
BLU/8LK
3
BRNIORG
4
BRN/ORG
5
BLU/RED
6
YEL/WHT
7
YELIBLK
8
YEL/RED
9
BRNIORG
10
BRN/ORG
11
YELIBLK
12
X
506
HIFIAMPLIFIER
WHT
:
WHT
1
,
F
I
---
J
ANTENNA
AMPLIFIER
AM/FM
WHT/BRN
7i
I
II
BLK
10
,'
I
1
____j
TELEPHONE
TRANSCEIVER
BLKIWHTBLKIWHT
2i
IVSS
~lo
UTPUTINSTRUMENT
CLUSTER
RIGHTFRONT
LEFTREAR
LEFT
REAR
RIG
P
HTEA
FK
RONT
RIG
HT
FRONT
RIG
HT
REAR
RIG
HT
REAR
LOWRANGE
HIGHRANGE
LOWRANGE
I
SE
R
H
SPEAKER
E
H
SPEAK
ER
RANGE
L
SPEAKER
E
SPEAKER
SPEAKER
SPEAKER
LEFTREAR
SPEAKER
RIGHT
MID-HIGH
RANGE
SPEAKER
RIGHT
REAR
SPEAKER
Page 745 of 759

ELE-262
ELECTRICAL
WIRING
DIAGRAMS
1
86702
CDCHANGER
1
YELIRED
2
BLU/RED
3
YEL/ELK
4
WHT/BRN
5
VIO/BLK
6
BLU/BLK
e
REDIWHT
10
BLK/WHT
11
BRN/ORG
12
BRN/ORG
13
GRV/RED
INTERIOR
14
BRNIORG
LIGHTSSYSTEM
15
BRN
16
WNT
(18126
LEFTFRONTLEFTFRONT
MIDRANGE
HIGH
RANG,
SPEAKERSPEAKER
Radio/Cassette/CD/Speakers
1993
Early
Production
10
Speaker
System
LEFTFFIN
;
OW
RANGE
SPEAKER
HOT
IN
ACCY
.
HOTAT
RUNANDSTART
ALLTIMES
I
FUSE
FUSE
FRONT
POWER
F44
F9
I
DISTRIBUTION
BOX
MENNENIONMEMNONION
11111111
!!!!III
LEFTREARLEFTREAR
RIGHTFRONT
RIGHTFRONT
HIGHRANGE
LOWRANGE
I
I
MIDRANGE
HIGHRANGE
SPEAKERSPEAKER
SPEAKERSPEAKER
LEFTMID-HIGH
RANGE
SPEAKER
LEFTREARSPEAKER
RIGHT
MID-HIGH
RANGE
SPEAKER
6202
aF
RIGHTFRONT
LOWRANGESPEAKER
YELIGRN
1
RE
./-T
2
SRN
_
BRN
BLU/BRN
5
BLU/WHT
6
YEL/GRY
7
BLU
/GRN
S
WHT9
BLU/GRV
10
BLU/VIO
11
BLU/RED
1
2
X445
VEL/BRN
2
BL
./91K
3
BRN/ORG
4
BRNIORG
5
BLU/RED
6
VELIWHT
7
VEL/BLK
8
YEL/RED
0
BRN/ORG
10
BRN/DRG
11
VEL/BLK
12
X804
HIFI
AMPLIFIER
WHT
I
II
WHT
1
,I
I
__I
ANTENNA
AMPLIFIER
AM/FM
WHT/BRN
,
BLK
i_01
___
1
TELEPHONE
TRANSCEIVER
BLK/WHT
.
BLK/WHT
2
I
VSS
I
I
OUT(T(=UT
I
INSTRUMENT
CLUSTER
RIGHT
REAR
RIGH7REARHIGHRANGE
LOW
RANGE
SPEAKERSPEAKER
RIGHT
REAR
SPEAKER
Page 746 of 759

RA010
CDCHANGER
67656
7
9
RE
/WHT
10LK/WHT
12
BFBR/ORG
1~fE
R
13
~
GR
/FRED
14~BRNDRG
15
i6HT
X1H~12B
1
YEL
2
BLU
3
B
FN
4
GRV
B
BLK
6
GRN
7
VIO
B
NCA
D
RED
10
WIT
X18529
NCA
1
YEL/RED
2
BLU/RED
3
VELIBLK
4
WHT/BRN
SS
VI
./W
.1
VIO/BLK
6
BLUILUBLKK
ANTENNA
ELECTRICAL
WIRING
DIAGRAMS
ELE-263
Radio/Cassette/CD/Speakers
1993
Late
Production
10
Speaker
System
HOTINACCV,
HOTAT
RUNANDSTART
_
---
-
ALLTIMES
FU0
BE
F9
-
FUSE
1
FRONTPOWER
I
DISTRIBUTION
BOX
F4
-
15A
20A
L_1
__________
.1___J
26Y
167
INEEENININEE
LEFTFRONT
LOW
RANGE
LEFTMID-HIGH
RANGE
SPEAKER
SPEAKER
LEFTREARSPEAKER
"""
.
""
.
._
"
_
"."
INEEN
VEL/RED
VEL/BLK
BRNIORG
BR
N/ORG
WHT
-..
1
VELIBRN
2
BLU/BLK
3
6RNIORG
4
BFNIORG
6
BLUIRED
6
VELIWHT
7
BLU/WHT
B
BLUIBRN
B
VEL/VIO
10
VEL/GRV
11
REDIWHT
2
,
N
"
B
RN
3
4
BLUI
iO
5~
BLU/GRV
6
VEL/RED
7
VELIBRN
8,
BLUIRED
9,
BLULU/R1
VELIBLK
1
VEL/BLK
2
X64b
BLU/BLK
1
2
,
BLU
I
GRV
13
17181B
2D
YEL/GRN
21,
B
22
LU/GRN
23
BLU/BRN
2425
VEL/BRN
26X946
H111
AMPLIFIER
WHT
WHT
1
I
--
I
ANTENNA
AMPLIFIER
AMIF
:=N
~,
WHTIBRN
BLK
10
G202
I
_~~
BLK/WHT
BL
.IWHT
TELEPHONE
E
I
VSSSC=1V=
RIGHTFRONTRIGHTFRONT
I
-
RIGHTREAR
RIGHTREAR
U
MIDRANGE
HIGH
RANGE
HIGH
RANGE
LOWRANGE
SPEAKERSPEAKER
RIGHTFRONT
SPEAKERSPEAKER
LOW
RANGE
RIGHT
MID-HIGH
RANGE
SPEAKER
SPEAKER
RIGHT
REAR
SPEAKER
Page 747 of 759

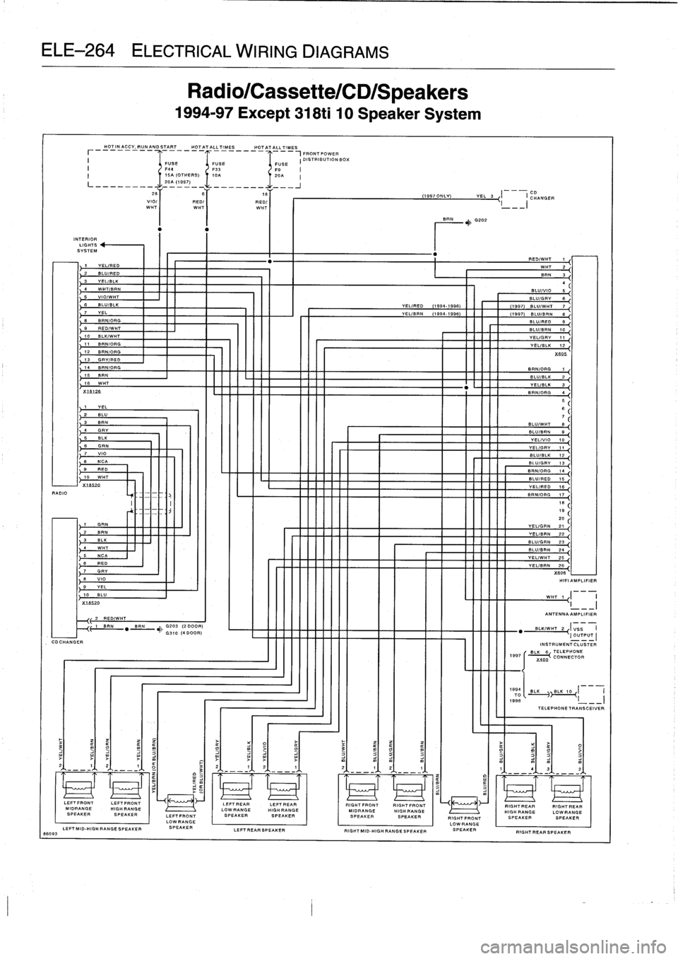
ELE-264
ELECTRICAL
WIRING
DIAGRAMS
86093
CDCHANGER
INTERIORLIGHTS
SYSTEM
HOTINACCV,RUNANDSTART
HOTATALLTIMESHOTATALLTIMES
LEFTMID-HIGH
RANGESPEAKER
T
i6
A
(OTHERS)
20A
(1997)
'
28TTT
6~'
18
VIO//
I
RED//
/
RED/
WHT/
WHT,
WHT
Radio/Cassette/CD/Speakers
1994-97
Except
318ti
10
Speaker
System
FUSE
F3310A
LEFTREARSPEAKER
FRONT
POWER
I
DISTRIBUTION
BOX
FUSE
LEPTREARLEFTREAR
RIGHTFRONTRIGHTFRONT
LOWRANBE
HIGH
RANGE
I
MIDRANGE
HIGHRANGE
SPEAKERSPEAKER
SPEAKERSPEAKER
19970NLY
nn
~11
G202
1
YEL/RED
2
BLU/RED
3
YEL/BLK
4
WHT/BRN
BLU/VIO
55
VIO/WHT
BLU/GRY
66
BLU/BLK
VEL/RE0
(1994-1996)
I
I
(1997)
BLU/WHT
77
YEL
-
VEL/BRN
(1994-19967
(19977
BLU/BRN
88
BRN/OR6
9
RE
D/WHT
10
BLK/WHT
11
BRN/DRG
12
B
FIN
/ORG
13
GRY/RED
14
BRNIORG
15
BRN
115
WHTX
16126
"
BLUIWHT
e
BLU/BRN
9
YELIVIO
10
YELIGRY
11
BLU/BLK
12
BLU/RED
15
VEL/RED
16
BRN/ORG
171819
zD
~
VEL/GRN
21
YELIBRN
22
,
81-11G
"
E'
BLU/BRN
24
VEL/WHT
25
VEL/BRN
26X606
-
I
I
HIFI
AMPLIFIER
WHT
1
I
I
I
YEL
3
I
--i
CHANGER
ANTENNA
AMPLIFIER
1--
-
"
BLK/WHT
2
(OUTPUT
INSTRUMENTCLUSTER
1997
r
BILK6
TELEPHONE
CONNECTOR
_REDIWHT
W
2
BRN
3
BW/RED9
BLU/BRN
10
VEL/GRY
11
YEL
L/BL1212
X
605
BRN
N/OR
BLU
U/BLK22
YELIBLLIB
3~
BRN/ORG
567
BL./
.FY
13
BRN/ORG
14
X
400
BLK
BLK
10
I
i
TELEPHONE
TRANSCEIVER
RIGHTREAR
RIGHTREAR
HIGHRANGE
LOWRANCE
RIGHTFRONT
I
SPEAKER
SPEAKERLOWRANGE
RIGHTMID-HIGH
RANGESPEAKER
SPEAKER
RIGHT
REAR
SPEAKER
Page 748 of 759

RADIO
CDCHANGER
89260
INTERIORLIGHTS
SYSTEM
HOTINACCV,RUNANDSTART
HOT
ATALLTIMES
HOTATALLTIMES
____~
___IFRONTPOWER
USE
1
FUSE
I
DISTRIBUTION
BOX
2B
VIO/
I
RED/
W
HT
WHT
REVEL/RED
DIWHT
11
WHT
2
2
BLU/RED
3
BEN
VEL/BLK
3
WHT/BRN
(1995EARLYPROD)
4
5
VIO/WHT
(19919
5LATEPROD
BLU/VIO
5
98&1997)
ELL,GRY
fi
6
BLU/BLK
BLU/WHT
VELIRED
7
7
VEL
YEL/BRN
8
8
BRN/ORG
BLU
)RED
9
9
RED/WHT
BLUIBRN
1010
BLK/WHT
YELIGRV
11
IT
SENIOR
G
12
BRN/ORG
X
606
13
GRY/FED
14
BRN/ORG
SENIOR
.
1
15
SPIN
BLU/BLK
2
16
WHT
.
YEL/BLK
3
iLB12
8
BRN/ORG
.
4
,
YEL
2
BLU
3
SPIN
4
GRY
5
BLK
6
GRN
7
VIO
NCA
9
RED
10
WHT
X18520
GHN
2
BRN
3
BLK
4
WHT
5
NCA
6
RED
7
GRY
8
VIO
9
YEL
10
BLU
K1B520
2
RED/WHT
1L
SPIN
"
SPIN
+
G211
(2000R)
G310
(4
DOOR)
FUSE
F41i5A
Radio/Cassette/CD/Speakers
1995-97
318ti
10
Speaker
System
RED/
WHT
F9
I
20A
I
BRN
L
VEL/GRY
,
11
BLU
BLU/BLK
12
(1995-1996)
BLU/GRY
13
BEN
(1997)
BRN/ORG
14
BLU/RED
15
YEL/
RED
16
BRN/
0-
17
ELECTRICAL
WIRING
DIAGRAMS
ELE-265
VEL/BRN
26
X606
HIFIAMPLIFIER
WHT
1
1
-
11
_1
ANTENNA
AMPLIFIER
"BLK/WHT22{IVSB
II
OUTPUT
I
INSTRUMENTCLUSTER
BLK
6
TELEPHONE
VEL/RED
YELIGRV
21
VEL/BRN
22
BLU/BLK
BLU/GRN
23
BLUIBRN
24
1111111
YELIBLK
25
O
CD
1997
ONLY)
YEL
S
I
ICHANGER
L
I__I
5
(1995LATEPROD
(1995EARLYPROD)
6
1996
&
1997)
7
BLU/RED
L
BLU/WHT
8
BLU/BRN
9
VEL
L
YEL/VIO
10
(1995LATEPROD
18
1996
&
1997)-
19
(1995
EARLY
PROD)
YELIRED
20
LEFTFRONT
I
erennen
erenrten
I
I
arennen
erenrten
RIGWRANGELOW
RANGE
SPEAKER
~~.~
.,
..
.,....
.
.,
.~
.,
----
SPEAKER
X13305
CONNECTOR
RIGHT
REAR
RIGHTREAR
HIGH
RANGE
LOWRANGE
SPEAKERSPEAKER
RIGHT
REAR
SPEAKER