8W-44 INTERIOR LIGHTING
Component Page
A/C-Heater Control................... 8W-44-8
Accessory Relay..................... 8W-44-4
Auto Temp Control................... 8W-44-8
Body Control Module..... 8W-44-2, 3, 4, 5, 6, 7, 8
Center Dome Lamp.................. 8W-44-5
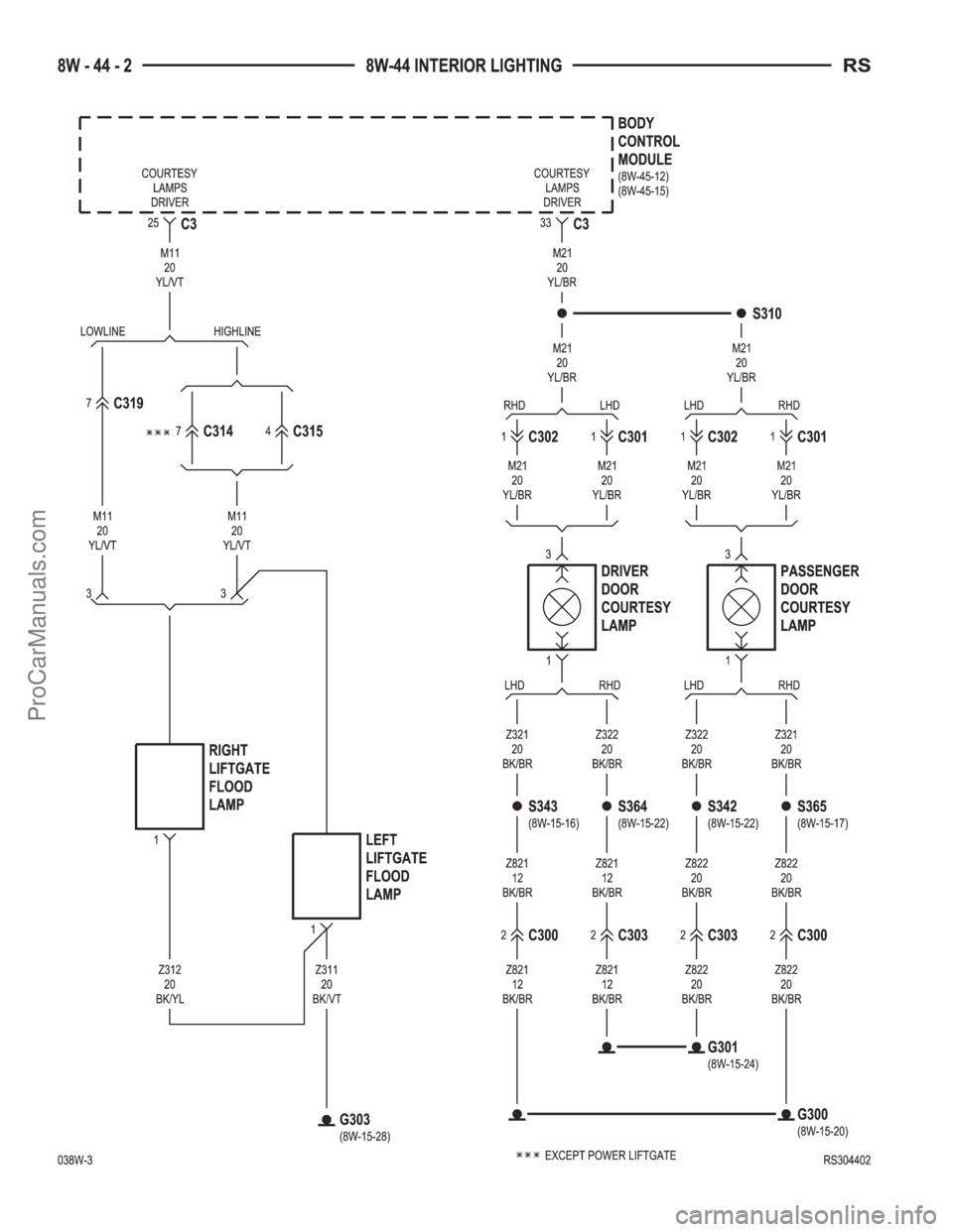
Driver Door Courtesy Lamp............ 8W-44-2
Floor Console Lamp.................. 8W-44-4
Front Cigar Lighter.................. 8W-44-7
Front Control Module................. 8W-44-4
Front Reading Lamps/Switch......... 8W-44-4, 5
Fuse 6............................ 8W-44-4
G200............................ 8W-44-7, 8
G300............................ 8W-44-2, 8
G301........................ 8W-44-2, 3, 5, 6
G302.............................. 8W-44-4
G303.............................. 8W-44-2
Headlamp Switch............ 8W-44-3, 5, 6, 7, 8
Instrument Cluster................... 8W-44-7Component Page
Instrument Panel Switch Bank......... 8W-44-7
Integrated Power Module.............. 8W-44-4
Left Liftgate Flood Lamp.............. 8W-44-2
Left Mid Reading Lamp............... 8W-44-3
Left Rear Reading Lamp.............. 8W-44-3
Left Visor/Vanity Lamp............... 8W-44-6
Overhead Console.................... 8W-44-5
Passenger Door Courtesy Lamp......... 8W-44-2
Radio............................. 8W-44-7
Rear Auto Temp Control Switch......... 8W-44-8
Rear Blower Rear Control Switch........ 8W-44-8
Rear Dome Lamp.................... 8W-44-5
Right Liftgate Flood Lamp............. 8W-44-2
Right Mid Reading Lamp.............. 8W-44-3
Right Rear Reading Lamp............. 8W-44-3
Right Visor/Vanity Lamp.............. 8W-44-6
RS8W-44 INTERIOR LIGHTING8W-44-1
ProCarManuals.com