sensor HONDA CIVIC 1998 6.G Service Manual

HONDA CIVIC 1998 6.G Service Manual CIVIC 1998 6.G HONDA HONDA https://www.carmanualsonline.info/img/13/6068/w960_6068-0.png HONDA CIVIC 1998 6.G Service Manual

Page 312 of 2189

HONDA CIVIC 1998 6.G Service Manual llo2s (sENsoR t
SECONOARYHO2S (SENSOR 2)
I- wrrzneof15151FCA ,a[HT -] f- IFELWWHI.- FFi/v\^- IF ETJVWrfT--I l+ |
HO2S (gENSOR 2)
\-
11-43

Page 314 of 2189

HONDA CIVIC 1998 6.G Service Manual -E--l
| ^ qYP II Y $rsoi I
-lII /.JrDc II Y SEr$Oi IItlf--A o II v) sEr,rsoi II|f-------l I
ll �cM | |_L:_---JDIgIRIBUTOR
CKFSENSORFI--
IAFN/ar-xl
til|-
EiN/ELxl
BRN/B!K
,lol
EFN/aLKl
;qLPI
BFN/ar-

Page 315 of 2189

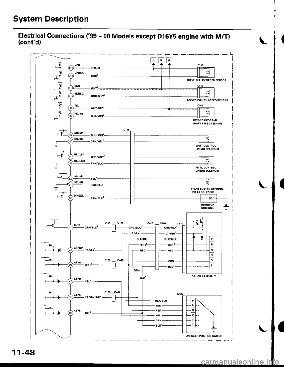
HONDA CIVIC 1998 6.G Service Manual System Description
Electrical Connections (99 - 00 Models except Dl6Y5 engine with M/Tl
(contd)
cl09
racvP*{- BLK/eLu-lqt
pl
MAINSHAFT SPEEO SENSOR
clla
COUNIERSHAFTSPEED SENSOR
c121
tt I I
UNEARSO

Page 317 of 2189

HONDA CIVIC 1998 6.G Service Manual System Description
Electrical Connections (99 - 00 Models except Dl6Y5 engine with M/Tl
(contdl
DRIVE PULIEY SPEEO SENSOF
SECONDAFY GEAFSHAFT SPEEO SENSOR
SCLSM
INHSOL
PNK/BLK
YE!
PNK/BIU
cnvauC
c1

Page 354 of 2189

HONDA CIVIC 1998 6.G Service Manual Probable Cause List lFor th€ DTC Chart, see page 11-971*: 99 - 00 models
Probable GausePageSystem
11 1-107Engine Control Module (ECM)/Powertrain Control Module (luM)
PGM-Fl main relay
l^^iti^n cwe

Page 355 of 2189

HONDA CIVIC 1998 6.G Service Manual Troubleshooting
Troubleshooting Procedures (cont,dl
ECM/PCM Data
By connecting the OBD ll scan tool or the Honda pGM Tester to the l6p data link connector (DLC), various data can beretrieved from the

Page 356 of 2189

HONDA CIVIC 1998 6.G Service Manual DataDescriotion
Loop status is indicated as "open" or "closed"
Closed: Based on the HO2S output, the ECM/PCM deter-
mines the airlfuel ratio and controls the amount of inject-
ed fuel.
Open: lgnoring

Page 357 of 2189

HONDA CIVIC 1998 6.G Service Manual Troubleshooting
E n gine/P_o,weft ra in Control Module Term inal Arra n gement(96 - 98 Models, 99 - 00 Dl6yS engine with M/T) 
-
ECM/PCM CONNECTOR A I32PI
1INJ62INJ3INJ21
INJl567I
LG110PGll1
IGPl12

Page 358 of 2189

HONDA CIVIC 1998 6.G Service Manual PCM CONNECTOR B {25P)
Wire side of {emale terminals
CONNECTOR B (25P),
*1i USA model*2: A/T (D16Y7, Dl6Yg engine)*3: CVT (D16Y5 engine)*4: M and Dl6Y7 engane*5: Except A.rT and 016Y7 engine*6: A,/T (

Page 359 of 2189

HONDA CIVIC 1998 6.G Service Manual Troubleshooting
Engine/P_o_wgrtrain Control Module Terminal Arrangement(96 - 98 Models 99 - 00 Dt6y5 engine with M/T) tconiOi
ECM/PCM CONNECTOR C {31PI
1
CKFP
2
CXPPTDCPa
ACS
5
sTs
7
scsII
rMA
10
v