ignition INFINITI FX35 2004 Service Manual

INFINITI FX35 2004 Service Manual FX35 2004 INFINITI INFINITI https://www.carmanualsonline.info/img/42/57021/w960_57021-0.png INFINITI FX35 2004 Service Manual

Page 2601 of 4449

INFINITI FX35 2004  Service Manual EC-1260
[VK45DE]
VARIABLE INDUCTION AIR CONTROL SYSTEM (VIAS)
Revision: 2004 November 2004 FX35/FX45
7. DETECT MALFUNCTIONING PART
Check the following.
Harness connectors E211, M41
Harness connector

Page 2603 of 4449

INFINITI FX35 2004  Service Manual EC-1262
[VK45DE]
IGNITION SIGNAL
Revision: 2004 November 2004 FX35/FX45
IGNITION SIGNALPFP:22448
Component DescriptionABS00CEJ
IGNITION COIL & POWER TRANSISTOR
The ignition signal from the ECM is sent

Page 2604 of 4449

INFINITI FX35 2004  Service Manual IGNITION SIGNAL
EC-1263
[VK45DE]
C
D
E
F
G
H
I
J
K
L
MA
EC
Revision: 2004 November 2004 FX35/FX45
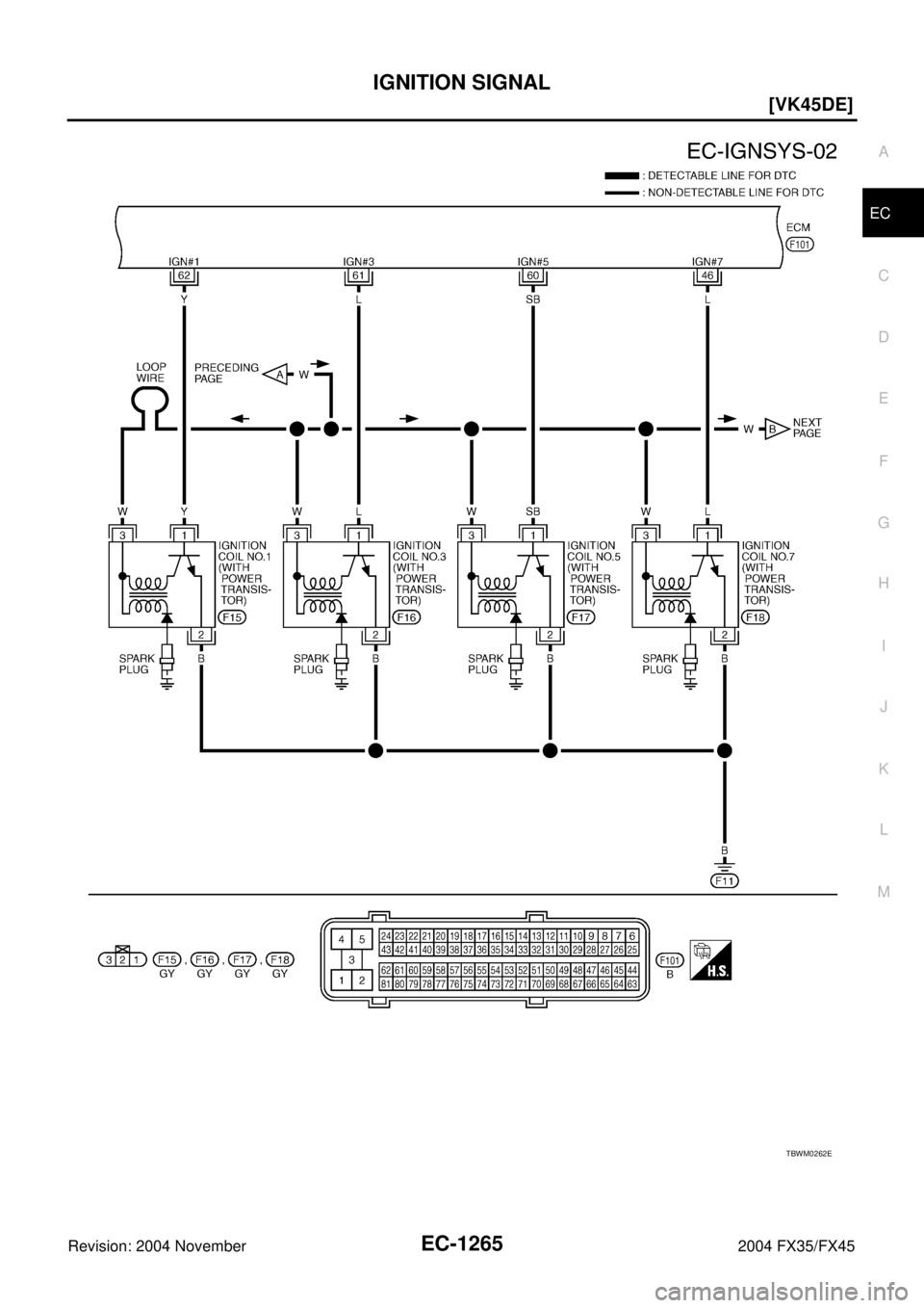
Wiring DiagramABS00CEK
TBWM0261E

Page 2605 of 4449

INFINITI FX35 2004  Service Manual EC-1264
[VK45DE]
IGNITION SIGNAL
Revision: 2004 November 2004 FX35/FX45
Specification data are reference values and are measured between each terminal and ground.
CAUTION:
Do not use ECM ground termin

Page 2606 of 4449

INFINITI FX35 2004  Service Manual IGNITION SIGNAL
EC-1265
[VK45DE]
C
D
E
F
G
H
I
J
K
L
MA
EC
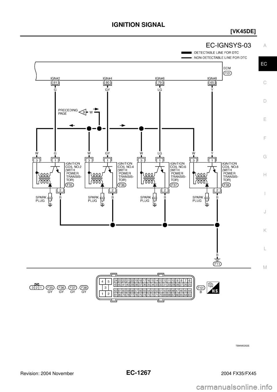
Revision: 2004 November 2004 FX35/FX45
TBWM0262E

Page 2607 of 4449

INFINITI FX35 2004  Service Manual EC-1266
[VK45DE]
IGNITION SIGNAL
Revision: 2004 November 2004 FX35/FX45
Specification data are reference values and are measured between each terminal and ground.
Pulse signal is measured by CONSULT-I

Page 2608 of 4449

INFINITI FX35 2004  Service Manual IGNITION SIGNAL
EC-1267
[VK45DE]
C
D
E
F
G
H
I
J
K
L
MA
EC
Revision: 2004 November 2004 FX35/FX45
TBWM0263E

Page 2609 of 4449

INFINITI FX35 2004  Service Manual EC-1268
[VK45DE]
IGNITION SIGNAL
Revision: 2004 November 2004 FX35/FX45
Specification data are reference values and are measured between each terminal and ground.
Pulse signal is measured by CONSULT-I

Page 2610 of 4449

INFINITI FX35 2004  Service Manual IGNITION SIGNAL
EC-1269
[VK45DE]
C
D
E
F
G
H
I
J
K
L
MA
EC
Revision: 2004 November 2004 FX35/FX45
3. CHECK OVERALL FUNCTION
 Without CONSULT-II
1. Let engine idle.
2. Read the voltage signal between E

Page 2611 of 4449

INFINITI FX35 2004  Service Manual EC-1270
[VK45DE]
IGNITION SIGNAL
Revision: 2004 November 2004 FX35/FX45
5. CHECK IGNITION COIL POWER SUPPLY CIRCUIT-II
1. Turn ignition switch OFF.
2. Disconnect condenser harness connector.
3. Turn i