navigation INFINITI FX35 2004 Owner's Guide

INFINITI FX35 2004 Owner's Guide FX35 2004 INFINITI INFINITI https://www.carmanualsonline.info/img/42/57021/w960_57021-0.png INFINITI FX35 2004 Owner's Guide

Page 694 of 4449

INFINITI FX35 2004 Owners Guide NAVIGATION SYSTEM
AV-103
C
D
E
F
G
H
I
J
L
MA
B
AV
Revision: 2004 November 2004 FX35/FX45
TRIP 1 OR TRIP 2
Elapsed time, Driving distance and Average speed are dis-
played as Trip 1 information or Tr

Page 695 of 4449

INFINITI FX35 2004 Owners Guide AV-104
NAVIGATION SYSTEM
Revision: 2004 November 2004 FX35/FX45
TIRE PRESSURE
Pressure indication in   psi on the screen indicates that the
pressure is being measured. After a few driving trips, the

Page 696 of 4449

INFINITI FX35 2004 Owners Guide NAVIGATION SYSTEM
AV-105
C
D
E
F
G
H
I
J
L
MA
B
AV
Revision: 2004 November 2004 FX35/FX45
CAN Communication System DescriptionAKS007Z3
CAN (Controller Area Network) is a serial communication line for

Page 697 of 4449

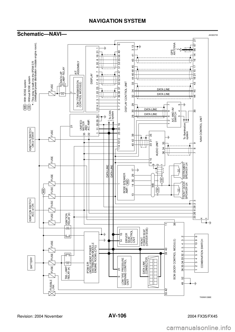
INFINITI FX35 2004 Owners Guide AV-106
NAVIGATION SYSTEM
Revision: 2004 November 2004 FX35/FX45
Schematic—NAVI—AKS007IS
TKWM1288E

Page 698 of 4449

INFINITI FX35 2004 Owners Guide NAVIGATION SYSTEM
AV-107
C
D
E
F
G
H
I
J
L
MA
B
AV
Revision: 2004 November 2004 FX35/FX45
Wiring Diagram —NAVI—AKS007IT
TKWM1289E

Page 699 of 4449

INFINITI FX35 2004 Owners Guide AV-108
NAVIGATION SYSTEM
Revision: 2004 November 2004 FX35/FX45
TKWM0572E

Page 700 of 4449

INFINITI FX35 2004 Owners Guide NAVIGATION SYSTEM
AV-109
C
D
E
F
G
H
I
J
L
MA
B
AV
Revision: 2004 November 2004 FX35/FX45
TKWH0268E

Page 701 of 4449

INFINITI FX35 2004 Owners Guide AV-110
NAVIGATION SYSTEM
Revision: 2004 November 2004 FX35/FX45
TKWM0810E

Page 702 of 4449

INFINITI FX35 2004 Owners Guide NAVIGATION SYSTEM
AV-111
C
D
E
F
G
H
I
J
L
MA
B
AV
Revision: 2004 November 2004 FX35/FX45
TKWM1267E

Page 703 of 4449

INFINITI FX35 2004 Owners Guide AV-112
NAVIGATION SYSTEM
Revision: 2004 November 2004 FX35/FX45
TKWM1094E