headlamp INFINITI FX35 2004 Workshop Manual

INFINITI FX35 2004 Workshop Manual FX35 2004 INFINITI INFINITI https://www.carmanualsonline.info/img/42/57021/w960_57021-0.png INFINITI FX35 2004 Workshop Manual

Page 3561 of 4449

INFINITI FX35 2004 Workshop Manual LT-6
PRECAUTIONS
Revision: 2004 November 2004 FX35/FX45
General precautions for service operationsAKS004ZU
Never work with wet hands.
Xenon headlamp includes high voltage generating part. Be sure
to

Page 3562 of 4449

INFINITI FX35 2004 Workshop Manual HEADLAMP - XENON TYPE -
LT-7
C
D
E
F
G
H
I
J
L
MA
B
LT
Revision: 2004 November 2004 FX35/FX45
HEADLAMP - XENON TYPE -PFP:26010
Component Parts and Harness Connector LocationAKS007M9
System Description

Page 3563 of 4449

INFINITI FX35 2004 Workshop Manual LT-8
HEADLAMP - XENON TYPE -
Revision: 2004 November 2004 FX35/FX45
With the ignition switch in the ON or START position, power is supplied
to ignition relay [located in IPDM E/R (intelligent power d

Page 3564 of 4449

INFINITI FX35 2004 Workshop Manual HEADLAMP - XENON TYPE -
LT-9
C
D
E
F
G
H
I
J
L
MA
B
LT
Revision: 2004 November 2004 FX35/FX45
Ground is supplied
to headlamp RH terminal 7
through grounds E21, E50 and E51
to headlamp LH terminal 7

Page 3565 of 4449

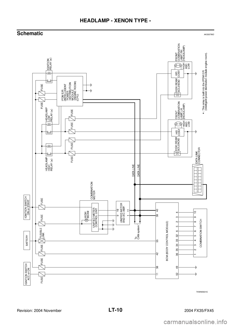
INFINITI FX35 2004 Workshop Manual LT-10
HEADLAMP - XENON TYPE -
Revision: 2004 November 2004 FX35/FX45
SchematicAKS007MD
TKWM0601E

Page 3566 of 4449

INFINITI FX35 2004 Workshop Manual HEADLAMP - XENON TYPE -
LT-11
C
D
E
F
G
H
I
J
L
MA
B
LT
Revision: 2004 November 2004 FX35/FX45
Wiring Diagram — H/LAMP —AKS007ME
TKWM0815E

Page 3567 of 4449

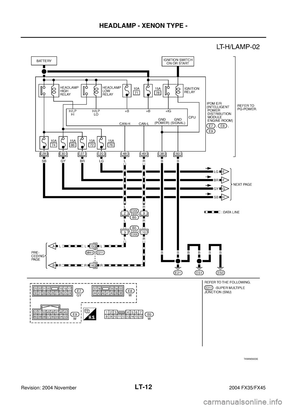
INFINITI FX35 2004 Workshop Manual LT-12
HEADLAMP - XENON TYPE -
Revision: 2004 November 2004 FX35/FX45
TKWM0603E

Page 3568 of 4449

INFINITI FX35 2004 Workshop Manual HEADLAMP - XENON TYPE -
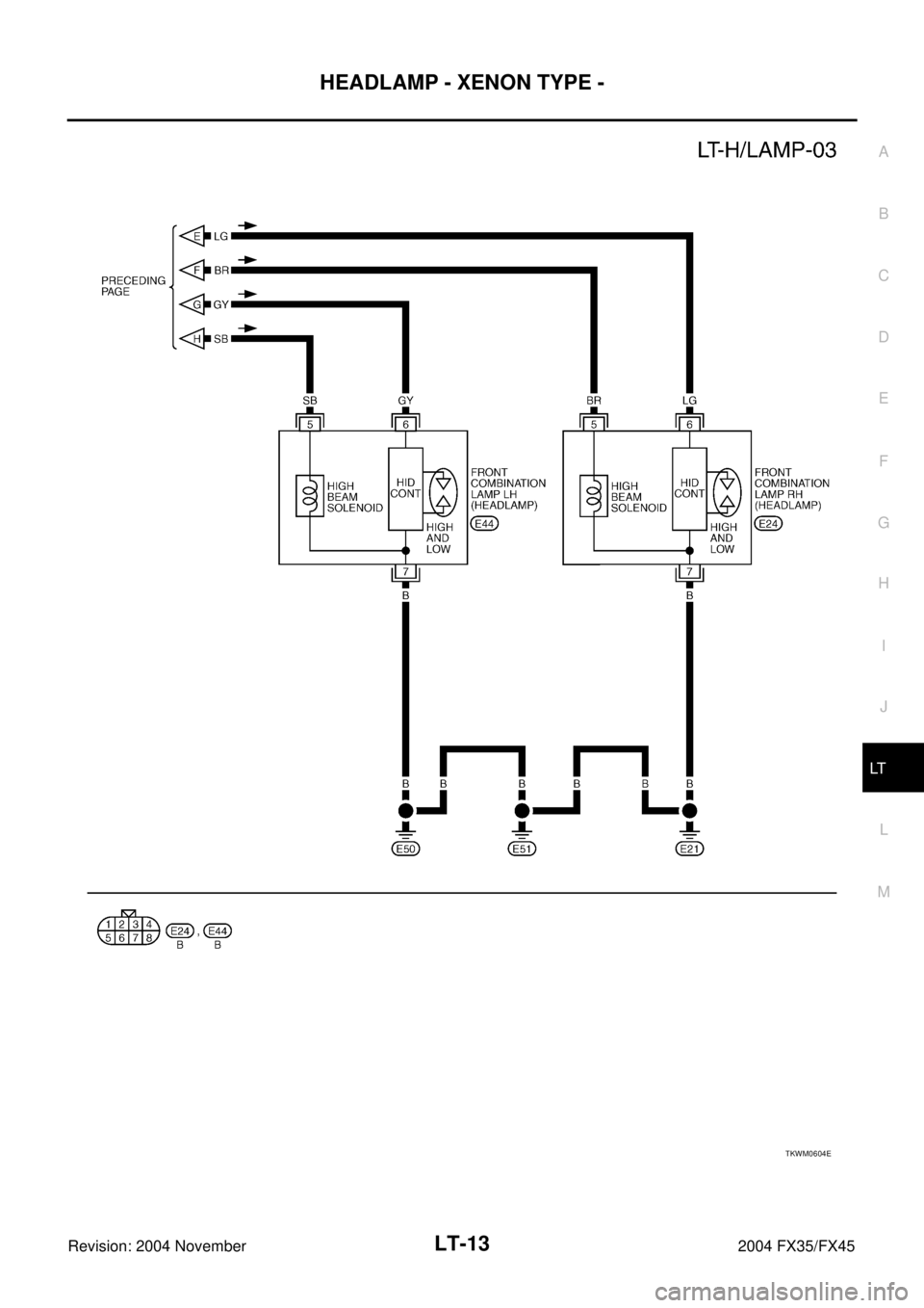
LT-13
C
D
E
F
G
H
I
J
L
MA
B
LT
Revision: 2004 November 2004 FX35/FX45
TKWM0604E

Page 3569 of 4449

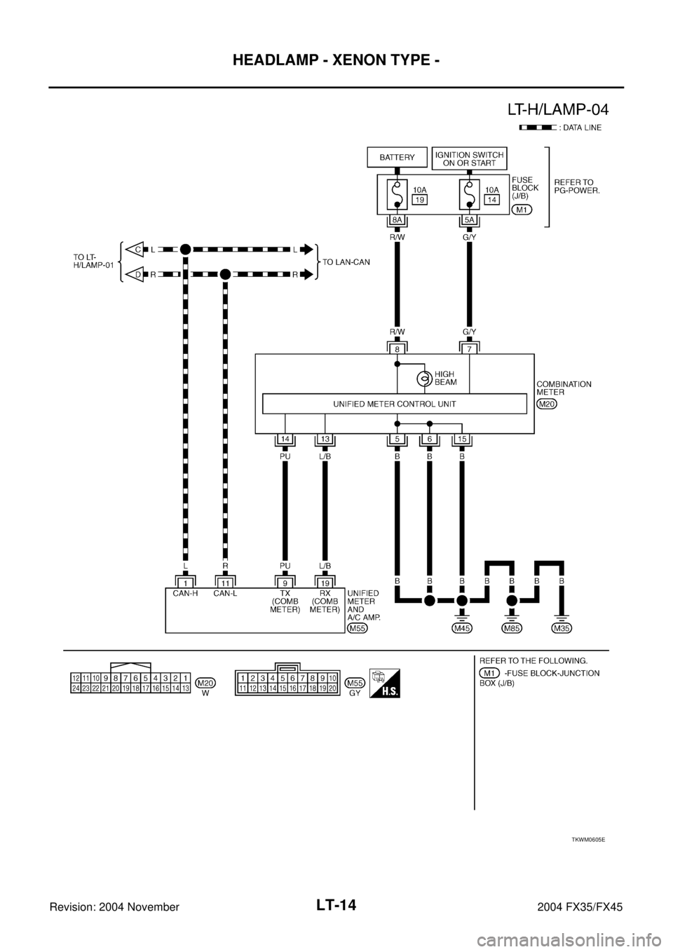
INFINITI FX35 2004 Workshop Manual LT-14
HEADLAMP - XENON TYPE -
Revision: 2004 November 2004 FX35/FX45
TKWM0605E

Page 3570 of 4449

INFINITI FX35 2004 Workshop Manual HEADLAMP - XENON TYPE -
LT-15
C
D
E
F
G
H
I
J
L
MA
B
LT
Revision: 2004 November 2004 FX35/FX45
Terminals and Reference Values for BCMAKS007MF
Terminal 
No.Wire 
colorSignal nameMeasuring condition
Ref