diagram INFINITI FX35 2006 Service Manual
[x] Cancel search | Manufacturer: INFINITI, Model Year: 2006, Model line: FX35, Model: INFINITI FX35 2006Pages: 4462, PDF Size: 57.74 MB
Page 9 of 4462

ACS-1
AUTO CRUISE CONTROL SYSTEM
K  ELECTRICAL
CONTENTS
C 
D  E 
F 
G  H 
I 
J 
L 
M
SECTION ACS
A 
B
ACS 
Revision: 2006 December 2006 FX35/FX45
AUTO CRUISE CONTROL SYSTEM
ASCD
AUTOMATIC SPEED CONTROL DEVICE (ASCD)   ..... 3 
Description ..........................................................  ..... 3
ICC
PRECAUTIONS ..................................................... ..... 4 
Precautions for Supplemental Restraint System 
(SRS) “AIR BAG” and “SEAT BELT PRE-TEN-
SIONER” .............................................................  ..... 4 
Precautions for ICC System Service  ...................  ..... 4 
PREPARATION ......................................................  ..... 5 
Special Service Tools  ..........................................  ..... 5 
DESCRIPTION .......................................................  ..... 6 
Outline .................................................................  ..... 6 
VEHICLE-TO-VEHICLE DISTANCE CONTROL 
MODE ..............................................................  ..... 6 
CONVENTIONAL (FIXED SPEED) CRUISE 
CONTROL MODE  ............................................  ..... 6 
BRAKE ASSIST (WITH PREVIEW FUNCTION)   ..... 6 
Functional Diagram  .............................................  ..... 7 
Components Description  .....................................  ..... 9 
CAN Communication ...........................................  ..... 9 
CAN COMMUNICATION UNIT  ........................  ..... 9 
Switch Operation  .................................................  ... 10 
ICC System Display  ............................................  ... 10 
ACTION TEST  .......................................................  ....11 
ICC System Running Test  ...................................  .... 11 
VEHICLE-TO-VEHICLE DISTANCE CONTROL 
MODE ..............................................................  .... 11 
CONVENTIONAL (FIXED SPEED) CRUISE 
CONTROL MODE  ............................................  ... 12 
LASER BEAM AIMING ADJUSTMENT  ................  ... 14 
Outline .................................................................  ... 14 
Preparation ..........................................................  ... 14 
Outline of Adjustment Procedure  ........................  ... 14 
Setting the ICC Target Board  ..............................  ... 14 
ADJUSTING HEIGHT OF THE TARGET .........  ... 14 
ADJUSTING THE RIGHT-LEFT POSITION OF 
THE TARGET ...................................................  ... 15 SETTING THE TARGET  .................................. 
... 15 
Aiming Adjustment ...............................................  ... 17 
CHECK AFTER THE ADJUSTMENT  ...............  ... 18 
ELECTRICAL UNITS LOCATION  .........................  ... 19 
Component Parts and Harness Connector Location   ... 19 
WIRING DIAGRAM  ................................................  ... 20 
Schematic ............................................................  ... 20 
Wiring Diagram — ICC —  ...................................  ... 21 
TERMINALS AND REFERENCE VALUE  ..............  ... 28 
Terminals and Reference Value for ICC Unit  .......  ... 28 
Terminals and Reference Value for ICC Sensor  ..  ... 29 
TROUBLE DIAGNOSIS — GENERAL DESCRIP-
TION .......................................................................  ... 30 
Work Flow ............................................................  ... 30 
CONSULT-II Function (ICC)  ................................  ... 31 
DESCRIPTION .................................................  ... 31 
CONSULT-II BASIC OPERATION  ....................  ... 31 
WORK SUPPORT  ............................................  ... 32 
SELF-DIAGNOSTIC RESULTS ........................  ... 32 
DATA MONITOR  ..............................................  ... 33 
ACTIVE TEST  ..................................................  ... 35 
Self-Diagnostic Function ......................................  ... 37 
WITH CONSULT-II  ...........................................  ... 37 
WITHOUT CONSULT-II  ....................................  ... 37 
SELF-DIAGNOSIS BY ICC SYSTEM DISPLAY 
WILL NOT RUN ................................................  ... 39 
TROUBLE DIAGNOSIS FOR SELF-DIAGNOSTIC 
ITEMS .....................................................................  ... 42 
Diagnostic Trouble Code (DTC) Chart  ................  ... 42 
DTC 11 CONTROL UNIT  ....................................  ... 44 
DTC 20 CAN COMM CIRCUIT ............................  ... 44 
DTC 31 POWER SUPPLY CIR, DTC 34 POWER 
SUPPLY CIR 2  ....................................................  ... 44 
DTC 41 VHCL SPEED SE CIRC  .........................  ... 45 
DTC 43 ABS/TCS/VDC CIRC  .............................  ... 46 
DTC 45 BRAKE SW/STOP L SW ........................  ... 46 
DTC 46 OPERATION SW CIRC ..........................  ... 48 
DTC 61 PRESS SEN CIRCUIT  ...........................  ... 50 
DTC 62 BOOSTER SOL/V CIRCUIT  ..................  ... 51 
DTC 63 RELEASE SW CIRCUIT  ........................  ... 52 
Page 15 of 4462
![INFINITI FX35 2006  Service Manual DESCRIPTION ACS-7
[ICC]
C 
D  E 
F 
G  H 
I 
J 
L 
M  A 
B
ACS 
Revision: 2006 December 2006 FX35/FX45
Functional DiagramNKS003ID
Items of input/output signal to be checked with CONSULT-II
PKIC8700E
I INFINITI FX35 2006  Service Manual DESCRIPTION ACS-7
[ICC]
C 
D  E 
F 
G  H 
I 
J 
L 
M  A 
B
ACS 
Revision: 2006 December 2006 FX35/FX45
Functional DiagramNKS003ID
Items of input/output signal to be checked with CONSULT-II
PKIC8700E
I](/img/42/57019/w960_57019-14.png)
DESCRIPTION ACS-7
[ICC]
C 
D  E 
F 
G  H 
I 
J 
L 
M  A 
B
ACS 
Revision: 2006 December 2006 FX35/FX45
Functional DiagramNKS003ID
Items of input/output signal to be checked with CONSULT-II
PKIC8700E
Input  Data monitored  
Item [unit]  CAN Description 
ECM  THRTL OPENING 
[%]  ×Indicates throttle angle read by ICC unit through CAN communication (ECM transmits  
throttle angle through CAN communication). 
ENGINE RPM 
[rpm]  × 
Indicates engine speed read by ICC unit through CAN communication (ECM transmits  
engine speed through CAN communication). 
MAIN SW 
[ON/OFF]  × Indicates [ON/OFF] status as judged from steering switch signal (ECM transmits steer- 
ing switch signal through CAN communication). 
SET/COAST SW 
[ON/OFF]  ×Indicates [ON/OFF] status as judged from steering switch signal (ECM transmits steer- 
ing switch signal through CAN communication). 
CANCEL SW 
[ON/OFF]  × 
Indicates [ON/OFF] status as judged from steering switch signal (ECM transmits steer- 
ing switch signal through CAN communication). 
RESUME/ACC SW 
[ON/OFF]  × Indicates [ON/OFF] status as judged from steering switch signal (ECM transmits steer- 
ing switch signal through CAN communication). 
IDLE SW 
[ON/OFF]  ×Indicates [ON/OFF] status of idle switch read by ICC unit through CAN communication  
(ECM transmits ON/OFF status through CAN communication). 
TCM  VHCL SPD AT 
[km/h] or [mph]  × Indicates vehicle speed calculated from AT vehicle speed sensor by ICC unit through  
CAN communication (TCM transmits AT vehicle speed sensor signal through CAN com- 
munication). 
GEAR 
[1, 2, 3, 4, 5]  × 
Indicates AT gear position read by ICC unit through CAN communication (TCM trans- 
mits gear position through CAN communication). 
D RANGE SW 
[ON/OFF]  × Indicates [ON/OFF] status of “D” position read by ICC unit through CAN communication  
(TCM transmits ON/OFF condition of “D” position through CAN communication). 
NP RANGE SW 
[ON/OFF]  ×Indicates PNP switch signal read by ICC unit through CAN communication (TCM trans- 
mits PNP switch signal through CAN communication). 
Page 28 of 4462
![INFINITI FX35 2006  Service Manual ACS-20
[ICC]
WIRING DIAGRAM
Revision: 2006 December 2006 FX35/FX45
WIRING DIAGRAMPFP:00000
SchematicNKS003EW
TKWM4441E  INFINITI FX35 2006  Service Manual ACS-20
[ICC]
WIRING DIAGRAM
Revision: 2006 December 2006 FX35/FX45
WIRING DIAGRAMPFP:00000
SchematicNKS003EW
TKWM4441E](/img/42/57019/w960_57019-27.png)
ACS-20
[ICC]
WIRING DIAGRAM
Revision: 2006 December 2006 FX35/FX45
WIRING DIAGRAMPFP:00000
SchematicNKS003EW
TKWM4441E 
Page 29 of 4462
![INFINITI FX35 2006  Service Manual WIRING DIAGRAM ACS-21
[ICC]
C 
D  E 
F 
G  H 
I 
J 
L 
M  A 
B
ACS 
Revision: 2006 December 2006 FX35/FX45
Wiring Diagram — ICC —NKS003EX
TKWM4442E  INFINITI FX35 2006  Service Manual WIRING DIAGRAM ACS-21
[ICC]
C 
D  E 
F 
G  H 
I 
J 
L 
M  A 
B
ACS 
Revision: 2006 December 2006 FX35/FX45
Wiring Diagram — ICC —NKS003EX
TKWM4442E](/img/42/57019/w960_57019-28.png)
WIRING DIAGRAM ACS-21
[ICC]
C 
D  E 
F 
G  H 
I 
J 
L 
M  A 
B
ACS 
Revision: 2006 December 2006 FX35/FX45
Wiring Diagram — ICC —NKS003EX
TKWM4442E 
Page 30 of 4462
![INFINITI FX35 2006  Service Manual ACS-22
[ICC]
WIRING DIAGRAM
Revision: 2006 December 2006 FX35/FX45
TKWM4443E  INFINITI FX35 2006  Service Manual ACS-22
[ICC]
WIRING DIAGRAM
Revision: 2006 December 2006 FX35/FX45
TKWM4443E](/img/42/57019/w960_57019-29.png)
ACS-22
[ICC]
WIRING DIAGRAM
Revision: 2006 December 2006 FX35/FX45
TKWM4443E 
Page 31 of 4462
![INFINITI FX35 2006  Service Manual WIRING DIAGRAM ACS-23
[ICC]
C 
D  E 
F 
G  H 
I 
J 
L 
M  A 
B
ACS 
Revision: 2006 December 2006 FX35/FX45
TKWM4444E  INFINITI FX35 2006  Service Manual WIRING DIAGRAM ACS-23
[ICC]
C 
D  E 
F 
G  H 
I 
J 
L 
M  A 
B
ACS 
Revision: 2006 December 2006 FX35/FX45
TKWM4444E](/img/42/57019/w960_57019-30.png)
WIRING DIAGRAM ACS-23
[ICC]
C 
D  E 
F 
G  H 
I 
J 
L 
M  A 
B
ACS 
Revision: 2006 December 2006 FX35/FX45
TKWM4444E 
Page 32 of 4462
![INFINITI FX35 2006  Service Manual ACS-24
[ICC]
WIRING DIAGRAM
Revision: 2006 December 2006 FX35/FX45
TKWM4445E  INFINITI FX35 2006  Service Manual ACS-24
[ICC]
WIRING DIAGRAM
Revision: 2006 December 2006 FX35/FX45
TKWM4445E](/img/42/57019/w960_57019-31.png)
ACS-24
[ICC]
WIRING DIAGRAM
Revision: 2006 December 2006 FX35/FX45
TKWM4445E 
Page 33 of 4462
![INFINITI FX35 2006  Service Manual WIRING DIAGRAM ACS-25
[ICC]
C 
D  E 
F 
G  H 
I 
J 
L 
M  A 
B
ACS 
Revision: 2006 December 2006 FX35/FX45
TKWM4446E  INFINITI FX35 2006  Service Manual WIRING DIAGRAM ACS-25
[ICC]
C 
D  E 
F 
G  H 
I 
J 
L 
M  A 
B
ACS 
Revision: 2006 December 2006 FX35/FX45
TKWM4446E](/img/42/57019/w960_57019-32.png)
WIRING DIAGRAM ACS-25
[ICC]
C 
D  E 
F 
G  H 
I 
J 
L 
M  A 
B
ACS 
Revision: 2006 December 2006 FX35/FX45
TKWM4446E 
Page 34 of 4462
![INFINITI FX35 2006  Service Manual ACS-26
[ICC]
WIRING DIAGRAM
Revision: 2006 December 2006 FX35/FX45
TKWM4447E  INFINITI FX35 2006  Service Manual ACS-26
[ICC]
WIRING DIAGRAM
Revision: 2006 December 2006 FX35/FX45
TKWM4447E](/img/42/57019/w960_57019-33.png)
ACS-26
[ICC]
WIRING DIAGRAM
Revision: 2006 December 2006 FX35/FX45
TKWM4447E 
Page 35 of 4462
![INFINITI FX35 2006  Service Manual WIRING DIAGRAM ACS-27
[ICC]
C 
D  E 
F 
G  H 
I 
J 
L 
M  A 
B
ACS 
Revision: 2006 December 2006 FX35/FX45
TKWM4448E  INFINITI FX35 2006  Service Manual WIRING DIAGRAM ACS-27
[ICC]
C 
D  E 
F 
G  H 
I 
J 
L 
M  A 
B
ACS 
Revision: 2006 December 2006 FX35/FX45
TKWM4448E](/img/42/57019/w960_57019-34.png)
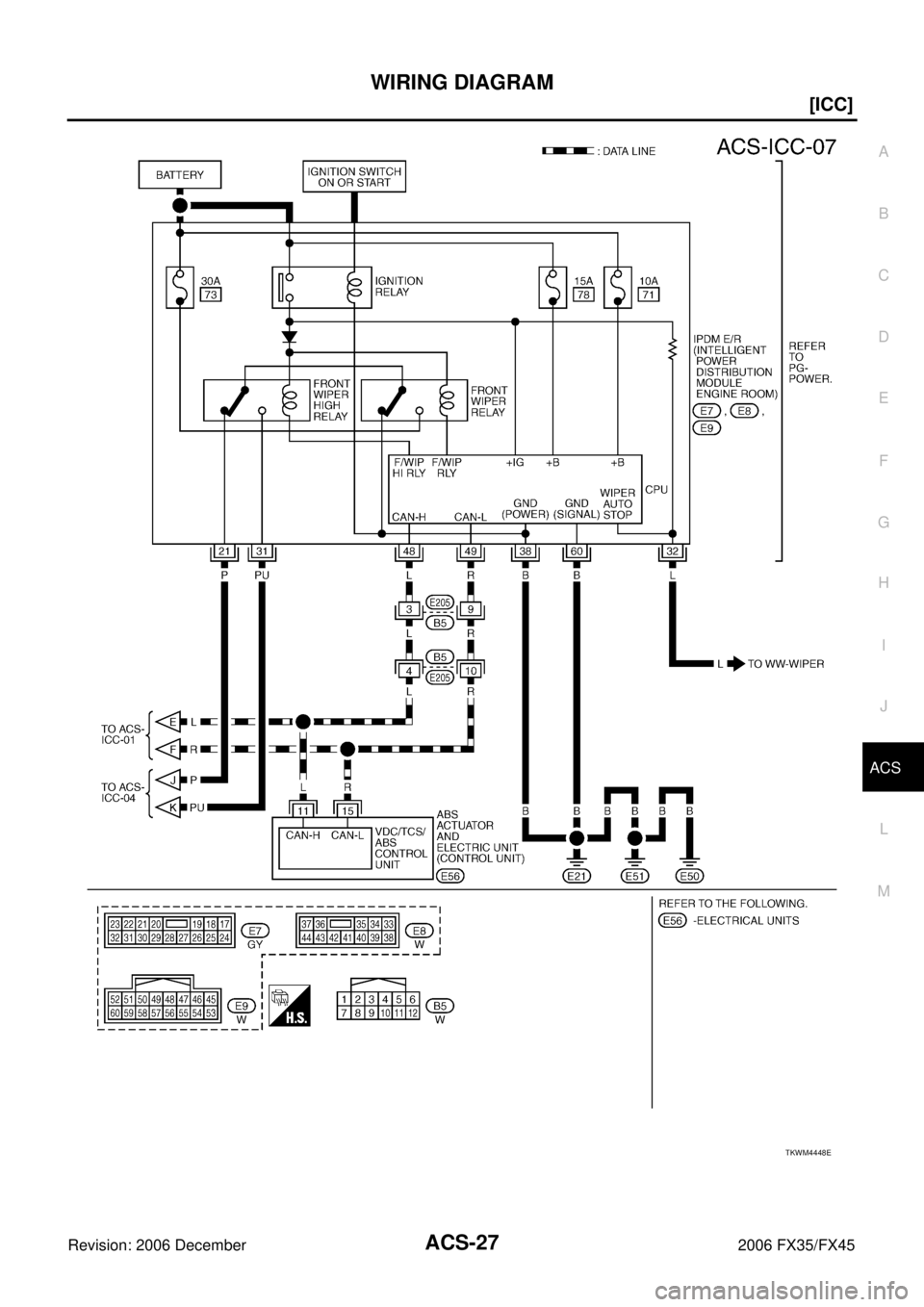
WIRING DIAGRAM ACS-27
[ICC]
C 
D  E 
F 
G  H 
I 
J 
L 
M  A 
B
ACS 
Revision: 2006 December 2006 FX35/FX45
TKWM4448E