INFINITI M35 2007 Factory Service Manual
Page 651 of 4647
![INFINITI M35 2007 Factory Service Manual AV-26
[WITHOUT MOBILE ENTERTAINMENT SYSTEM]
SYSTEM DESCRIPTION
Revision: 2007 April2007 M35/M45
Schematic — BOSE Audio 2ch System —NKS0048F
TKWT5309E INFINITI M35 2007 Factory Service Manual AV-26
[WITHOUT MOBILE ENTERTAINMENT SYSTEM]
SYSTEM DESCRIPTION
Revision: 2007 April2007 M35/M45
Schematic — BOSE Audio 2ch System —NKS0048F
TKWT5309E](/img/42/57024/w960_57024-650.png)
Page 652 of 4647
![INFINITI M35 2007 Factory Service Manual SYSTEM DESCRIPTION
AV-27
[WITHOUT MOBILE ENTERTAINMENT SYSTEM]
C
D
E
F
G
H
I
J
L
MA
B
AV
Revision: 2007 April2007 M35/M45
TKWT5108E INFINITI M35 2007 Factory Service Manual SYSTEM DESCRIPTION
AV-27
[WITHOUT MOBILE ENTERTAINMENT SYSTEM]
C
D
E
F
G
H
I
J
L
MA
B
AV
Revision: 2007 April2007 M35/M45
TKWT5108E](/img/42/57024/w960_57024-651.png)
Page 653 of 4647
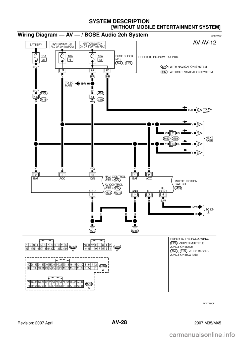
![INFINITI M35 2007 Factory Service Manual AV-28
[WITHOUT MOBILE ENTERTAINMENT SYSTEM]
SYSTEM DESCRIPTION
Revision: 2007 April2007 M35/M45
Wiring Diagram — AV — / BOSE Audio 2ch SystemNKS0048G
TKWT5310E INFINITI M35 2007 Factory Service Manual AV-28
[WITHOUT MOBILE ENTERTAINMENT SYSTEM]
SYSTEM DESCRIPTION
Revision: 2007 April2007 M35/M45
Wiring Diagram — AV — / BOSE Audio 2ch SystemNKS0048G
TKWT5310E](/img/42/57024/w960_57024-652.png)
Page 654 of 4647
![INFINITI M35 2007 Factory Service Manual SYSTEM DESCRIPTION
AV-29
[WITHOUT MOBILE ENTERTAINMENT SYSTEM]
C
D
E
F
G
H
I
J
L
MA
B
AV
Revision: 2007 April2007 M35/M45
TKWT5311E INFINITI M35 2007 Factory Service Manual SYSTEM DESCRIPTION
AV-29
[WITHOUT MOBILE ENTERTAINMENT SYSTEM]
C
D
E
F
G
H
I
J
L
MA
B
AV
Revision: 2007 April2007 M35/M45
TKWT5311E](/img/42/57024/w960_57024-653.png)
Page 655 of 4647
![INFINITI M35 2007 Factory Service Manual AV-30
[WITHOUT MOBILE ENTERTAINMENT SYSTEM]
SYSTEM DESCRIPTION
Revision: 2007 April2007 M35/M45
TKWT5312E INFINITI M35 2007 Factory Service Manual AV-30
[WITHOUT MOBILE ENTERTAINMENT SYSTEM]
SYSTEM DESCRIPTION
Revision: 2007 April2007 M35/M45
TKWT5312E](/img/42/57024/w960_57024-654.png)
Page 656 of 4647
![INFINITI M35 2007 Factory Service Manual SYSTEM DESCRIPTION
AV-31
[WITHOUT MOBILE ENTERTAINMENT SYSTEM]
C
D
E
F
G
H
I
J
L
MA
B
AV
Revision: 2007 April2007 M35/M45
TKWT5313E INFINITI M35 2007 Factory Service Manual SYSTEM DESCRIPTION
AV-31
[WITHOUT MOBILE ENTERTAINMENT SYSTEM]
C
D
E
F
G
H
I
J
L
MA
B
AV
Revision: 2007 April2007 M35/M45
TKWT5313E](/img/42/57024/w960_57024-655.png)
Page 657 of 4647
![INFINITI M35 2007 Factory Service Manual AV-32
[WITHOUT MOBILE ENTERTAINMENT SYSTEM]
SYSTEM DESCRIPTION
Revision: 2007 April2007 M35/M45
TKWT5314E INFINITI M35 2007 Factory Service Manual AV-32
[WITHOUT MOBILE ENTERTAINMENT SYSTEM]
SYSTEM DESCRIPTION
Revision: 2007 April2007 M35/M45
TKWT5314E](/img/42/57024/w960_57024-656.png)
Page 658 of 4647
![INFINITI M35 2007 Factory Service Manual SYSTEM DESCRIPTION
AV-33
[WITHOUT MOBILE ENTERTAINMENT SYSTEM]
C
D
E
F
G
H
I
J
L
MA
B
AV
Revision: 2007 April2007 M35/M45
TKWT5109E INFINITI M35 2007 Factory Service Manual SYSTEM DESCRIPTION
AV-33
[WITHOUT MOBILE ENTERTAINMENT SYSTEM]
C
D
E
F
G
H
I
J
L
MA
B
AV
Revision: 2007 April2007 M35/M45
TKWT5109E](/img/42/57024/w960_57024-657.png)
Page 659 of 4647
![INFINITI M35 2007 Factory Service Manual AV-34
[WITHOUT MOBILE ENTERTAINMENT SYSTEM]
SYSTEM DESCRIPTION
Revision: 2007 April2007 M35/M45
TKWT5110E INFINITI M35 2007 Factory Service Manual AV-34
[WITHOUT MOBILE ENTERTAINMENT SYSTEM]
SYSTEM DESCRIPTION
Revision: 2007 April2007 M35/M45
TKWT5110E](/img/42/57024/w960_57024-658.png)
Page 660 of 4647
![INFINITI M35 2007 Factory Service Manual SYSTEM DESCRIPTION
AV-35
[WITHOUT MOBILE ENTERTAINMENT SYSTEM]
C
D
E
F
G
H
I
J
L
MA
B
AV
Revision: 2007 April2007 M35/M45
TKWT5315E INFINITI M35 2007 Factory Service Manual SYSTEM DESCRIPTION
AV-35
[WITHOUT MOBILE ENTERTAINMENT SYSTEM]
C
D
E
F
G
H
I
J
L
MA
B
AV
Revision: 2007 April2007 M35/M45
TKWT5315E](/img/42/57024/w960_57024-659.png)
Page:
< prev 1-10 ... 611-620 621-630 631-640 641-650 651-660 661-670 671-680 681-690 691-700 ... 4650 next >
Trending: wiring diagram, fuel filter, fuse chart, washer fluid, check transmission fluid, Front door, 4WD