sensor JAGUAR S TYPE 2005 1.G Electrical Manual
[x] Cancel search | Manufacturer: JAGUAR, Model Year: 2005, Model line: S TYPE, Model: JAGUAR S TYPE 2005 1.GPages: 200, PDF Size: 5.93 MB
Page 36 of 200

32DATE OF ISSUE: May 2004
Diesel Engine Sensors and ActuatorsJaguar S-TYPE 2005
C30
C34 C69
C31
C25 C28C77 C35
C87
C88 FH14
FH15 C29
sensors_200045
Page 37 of 200

DATE OF ISSUE: May 200433
Diesel Engine Sensors and ActuatorsJaguar S-TYPE 2005
p age refe re nce for TOCactu_200045
C70C48
GP1
C39
C36C44
GP2
C47
C45
C71 C41 C43C42C40
C46
C49
Page 39 of 200

Main Power Distribution
Jaguar S-TYPE 2005
Main Power Distribution
Fig. 01.1
13 4114
46 80
76 77 92
ll
15 45ll ll SS
81 118EE
Fig .01.1
Fig .01 .2 F
ig .01.3
Fig .01 .4
Fig . 01.5 F
ig . 01.6 F
ig .01 .7
Input
OutputI
O
B
P+Battery VoltagePower Ground Sensor/Signal Supply V
Sensor/Signal Ground Serial and Encoded Data
CAN
+
SCPC
S DD
–
D2B Network2
TIMER
FPDB MEGAFUSE
STARTER MEGAFUSE
MEGAFUSE ASSEMBLY
BATTERY
FRONT BULKHEAD JUNCTION BLOCK
JB1
JB2
B
TRANSIT ISOLATION
RELAY
CA16-1 CA288
CA280
CA304 CA302
CA135 ST11
CA177 FH83
FH67
ST12
CA16-2
KEY-IN
f01_1_200045
NR
FC18-4 FC18-6
IGNITION SWITCH
FC39-6 CA61-65
CA44
CA133
CA282
CA61-56
CA61-3
CA61-37 F33 5A F3 20A F50 5A
FC39-1
NW
N
N N
41
R
R
R
R R RR
R
250A 250A
450A
NR
NW
REAR
POWER DISTRIBUTION FUSE BOX
BATTERY POWER BUS1
MEGAFUSE
2 3
02.1
02.2
02.3
STARTER
BATTERY POWER BUS
FRONT
POWER DISTRIBUTION FUSE BOX
7
0
I
II
III
R
FHS32Note : Diesel only)
02.3
GLOW PLUG MIDIFUSE
VARIANT: All Vehicles
VIN RANGE: All
DATE OF ISSUE: May 2004
Page 41 of 200

Battery Power Distribution: Part 1
Jaguar S-TYPE 2005
Battery Power Distribution: Part 1
Fig. 01.2
13 4114
46 80
76 77 92
ll
15 45ll ll SS
81 118EE
Fig .01.1
Fig .01 .2 F
ig .01.3
Fig .01 .4
Fig . 01.5 F
ig . 01.6 F
ig .01 .7
Input
OutputI
O
B
P+Battery VoltagePower Ground Sensor/Signal Supply V
Sensor/Signal Ground Serial and Encoded Data
CAN
+
SCPC
S DD
–
D2B Network2
f01_2_200045
01.314.111.605.2
03.2
03.4
03.6
03.8
01.713.1
03.1
01.119.114.114.114.1
06.1
11.411.411.4
01.601.6
11.111.1
10.203.2
05.415.215.202.2
02.3
14.101.111.6
01.701.7
01.801.8
01.701.7
13.1
08.208.108.212.306.106.102.1
05.105.1
03.206.1
04.1
02.1
02.2
01.601.601.601.601.601.6
03.4
03.6
03.1
03.3
03.5
02.203.4
03.6
03.3
03.5
06.1
06.1
06.106.1
07.1
08.2
08.1
08.2
16.116.116.316.6
16.7
11.511.2
11.3
11.5
11.1
11.2
11.3
10.2
11.2
11.3
11.5
13.113.113.113.112.3
16.2
16.3
16.4
16.2
16.3
16.4
16.4
16.516.8
16.8
01.4
01.5
04.1
12.3
19.119.1
04.1
BATTERY POWER BUS
F1 40A
F2 30A
CA44
F3 20A
F4 20A
F5 20A
F6 20A
F7 20A
F10 30A
F11 30A
F12 30A
F13 30A
F14 30A
F15 30A F18 30A
F19 30A
F20 30A
F21 30A F23 30A
F26 15A
F28 30A
F30 5A
F31 20A
F32 10A F33 5A
F34 20A
F35 30A F37 10A CA61-1
CA61-2
CA61-3
CA61-4
CA61-5
CA61-6
CA61-7
CA61-10
CA61-11
CA61-12
CA61-13
CA61-14 CA61-15
CA61-18
CA61-19
CA61-20
CA61-21 CA61-23
CA61-30
CA61-32
CA61-33CA61-34
CA61-35
CA61-36
CA61-37
CA61-38
CA61-39CA61-41
REAR POWER DISTRIBUTION FUSE BOX1
NW
NR NR
NW NR
NG
NR
NG NG
NG
NR
N N
N
NR NR
NR
NW NW
NW
NR
NW
NW
NG NG
NG
R
NG R
R
NW NG
NG
NG NG
NG
NW
N
NR
NG NW
NR NR
NW NR
NG
NR
12
13
CAS92
CAR3
CAR4
1516
17
CAR5
18
19
20
CAR6
CAR2
2425
2627
28
05.5
F24 5A CA61-28
WG
6
15.1
15.2
F25 5ACA61-29
NG
32 4
5
7
8
9
10 11
14
FC39-1
DT8-1 PT1-1 CAS86
CAS87
NR
NR
CAS67
PN23-1
NR
NW
NW NR
NW
NW
21
22
23
CAS60
CAS61
CAS71 DM22-1
DM22-2
PN23-2
NW
NG NG NG
NG
NG NG
NG
NW
NR NG NG
NR
NR
NG
FH1-19 CAS40
DM23-4
CAS7 DM23-12
PN24-12
PN24-11
29
30
31
38
39
40
41
42
43
44 45 33
34
35 36
37
NW
NR
NR
NW
NR
CAS26
BATTERY POWER BUS
FH67
2
YR
YU
YR YR
YR YR
YR
F9 50A
FH32-9FHS59
Y
NR
NR NR
NR
F11 40A FH32-11
F12 20A FH32-12
FHS57
F13 80A FH32-13
F14 15A FH32-20
F15 15A FH32-21
F16 15A FH32-22
F25 40A FH32-31FHS55
F27 30A FH32-33
F28 30A FH32-34
F30 40A FH32-36FHS54
F31 30A FH32-37
F32 10A FH32-38 #3
F33 15A FH32-39
F34 15A FH32-40
NR
NG
NR
NR
NG
NW NW
NWNW
R
RW N
N
N
Y
Y Y
NR NR NR
NR
NR
NR
PI41-31
PIS16
Y
RW R
NR
NG
FRONT POWER DISTRIBUTION FUSE BOX
46 47
48
49
50
51
52
53
54
55
5859
60 61
62
63
64
65
67 68
71
72
76
03.8
F3 20A FH32-3
RU
56
57
66 69 70
73
74
75
F29 10A
VARIANT: All Vehicles
VIN RANGE: All
DATE OF ISSUE: May 2004
Page 42 of 200

Refer to the front of this book for detailed information and illustrations regarding the location and identification of harnesses, relays, fuses, grounds,
control modules and control module pins.DATE OF ISSUE: May 2004
Fig. 01.3
COMPONENTS
Component Connector(s) Connector Description LocationPRIMARY JUNCTION FUSE BOX CA2 26-WAY / BLACK RH ‘A’ POST
CA56 8-WAY / BLACK
FC37 26-WAY / BLACK
FH7 6-WAY / BLACK
FH53 10-WAY / BLACK
REAR POWER DISTRIBUTION FUSE BOX — — LUGGAGE COMPARTMENTHARNESS IN-LINE CONNECTORS
Connector Connector Description / Location LocationFH1 20-WAY / BLACK / CABIN HARNESS TO FRONT HARNESS RH ‘A’ POST, LOWER
SL3 10-WAY / GREY / FASCIA HARNESS TO SOLAR SENSOR LINK BEHIND INSTRUMENT PANEL, RH SIDE
Page 43 of 200

Battery Power Distribution: Part 2
Jaguar S-TYPE 2005
Battery Power Distribution: Part 2
Fig. 01.3
13 4114
46 80
76 77 92
ll
15 45ll ll SS
81 118EE
Fig .01.1
Fig .01 .2 F
ig .01.3
Fig .01 .4
Fig . 01.5 F
ig . 01.6 F
ig .01 .7
Input
OutputI
O
B
P+Battery VoltagePower Ground Sensor/Signal Supply V
Sensor/Signal Ground Serial and Encoded Data
CAN
+
SCPC
S DD
–
D2B Network2
f01_3_200045
REAR POWER DISTRIBUTION FUSE BOX
CA44
F1 40A CA61-1 CA2-10
F6 10A
F7 5A
F18 20A
F19 15A
F20 10A
F32 10A F35 5A CA2-12
CA2-13
CA2-2
FC37-8
FHS2
FH1-1
SL3-1
SLS1
CAS23
CAS85
FC37-12 FC37-22
FC37-4
FC37-16
FH7-5
CA2-15
FC37-1
1
4
89
77
78
79
80
81
82
83
84
85 86
87 88
90
91 92
NW NW
OY
WG
NR
NR NR NR
NR
NG
NG
NG
N
N
N
NR
NR
NR
NR
NR
NR
NR
NR
NG
PRIMARY JUNCTION
FUSE BOX
NOTE: SLS1 – Electronic Road Pricing only.
20.1
20.2
09.1 10.1
10.2 10.3 11.1 12.1 12.2 12.3
14.1
12.3
12.3
19.1
15.1
16.6 16.7 16.8
10.1
02.1 02.2
02.3
07.1
08.1 08.2
08.3
09.1 09.2 10.1 12.3
19.1
07.1 08.1 08.209.1
09.2 12.1 12.2 12.3
19.1
03.2 03.4 03.6
05.2
07.1 08.3
08.4 09.1
10.2
10.3
12.112.2 12.3
14.1
01.6
01.6 06.1
19.1
03.1 03.3
03.508.3
03.2 04.1
02.1 04.1
15.2
VARIANT:
All Vehicles
VIN RANGE: All
DATE OF ISSUE: May 2004
Page 45 of 200

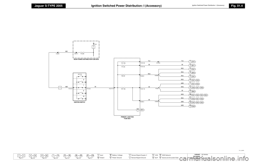
Ignition Switched Power Distribution: I (Accessory)
Jaguar S-TYPE 2005
Ignition Switched Power Distribution: I (Accessory)
Fig. 01.4
13 4114
46 80
76 77 92
ll
15 45ll ll SS
81 118EE
Fig .01.1
Fig .01 .2 F
ig .01.3
Fig .01 .4
Fig . 01.5 F
ig . 01.6 F
ig .01 .7
Input
OutputI
O
B
P+Battery VoltagePower Ground Sensor/Signal Supply V
Sensor/Signal Ground Serial and Encoded Data
CAN
+
SCPC
S DD
–
D2B Network2
f01_4_200045
REAR POWER DISTRIBUTION FUSE BOX
PRIMARY JUNCTIONFUSE BOXCA61-3 F3 20A
FC39-1
CA441
F12 15A FC37-26 FC10-8
FC37-25
FC37-18 FCS3
CA56-6
CAS36
CA56-2 CAS29
F13 5A
IGNITION SWITCH
FC18-2
FC18-4 KEY-IN
0
I
II
III
NR
W
W WW
WU
WU
WU
WU
WR
WG
W
WG WU
WR
WR
WU
YU YU
2I3I4I5I6I7I8I9I10I11I12I13I1I
W
NR
7
FC37-15
F27 10AF26 5A
I14
19.1 13.1
19.1
19.1
15.1 15.2
15.1 15.2
16.6
09.2
16.7 16.8
16.6 16.7 16.8
16.8 16.1 16.2 07.1
05.2
16.3
16.5
16.4
16.3 16.4
VARIANT: All Vehicles
VIN RANGE: All
DATE OF ISSUE: May 2004
Page 47 of 200

Ignition Switched Power Distribution: II (Run)
Jaguar S-TYPE 2005
Ignition Switched Power Distribution: II (Run)
Fig. 01.5
13 4114
46 80
76 77 92
ll
15 45ll ll SS
81 118EE
Fig .01.1
Fig .01 .2 F
ig .01.3
Fig .01 .4
Fig . 01.5 F
ig . 01.6 F
ig .01 .7
Input
OutputI
O
B
P+Battery VoltagePower Ground Sensor/Signal Supply V
Sensor/Signal Ground Serial and Encoded Data
CAN
+
SCPC
S DD
–
D2B Network2
f01_5_200045
FC39-1
NR WG
WG
W
YR YR
YR YR
NW
YR
YR
GO
WG
WG
WG NR
NG
WU
WU
WU WG
GO
GO GO GO GO
GO
GO GO
NW
WG
WG
WG
WU
WU
WU
WU
WU
WU
WU
WU
WGNR
NG
GO
GU
GU GU GU
GU
GU
GU
GU GO
WU WU
WW
WW W
NR
KEY-IN
0 I
II
III
7
FC18-4
FC18-7 FC37-2
FCS6
IGNITION SWITCH
INERTIA SWITCH
WGWG
WG
CA44
F3 20A
CA61-3
REAR POWER DISTRIBUTION FUSE BOX
F16 10A F15 5A
F3 5A
FH7-4
CA2-1
CA2-6
CA2-4 FC37-5
FH53-1
CA2-23
FC37-23
FC37-6
CA2-7 FC37-13
FC37-19
CA56-1
CA2-8 CA4-2
CA4-1CAS31
CAS68
CAS38 PN24-3FH1-3
*FHS1 PI41-15
CAR12
CAS39
FH1-18 FHS3
PI41-13 PIS26
CAS14 CAS88
FCS21
PI41-32 GB1-7
DM23-2PN24-2 RF34-1
FC10-7
FC10-7
F4 5A
FC37-9
FC37-14 F29 5A F17 5A F5 10APRIMARY JUNCTIONFUSE BOX
NOTE:
CAS88 – Vehicles with both Electrochromic Rear View
Mirror and Rain Sensing Module only.
15II16II17II18II19II20II21II22II23II24II25II26II27II28II29II30II31II
32II
05.1
05.3
04.1
02.1 04.1
02.2 04.1
02.1
11.6
11.6
10.3
13.1
08.5
08.5
08.5
05.3
03.1 03.3
05.5
03.5
03.2 03.4 03.6
03.803.8
03.2 03.4 03.6
03.1
33II
01.703.3 03.5
03.7
34II
03.2 03.4 03.6
03.8
35II
02.1
36II
17.2
37II
17.1
38II
17.2
39II
07.1
40II
06.1
41II
05.4 02.2
02.3 07.1 12.3
42II
16.1 16.2 16.3
43II
16.3
44II
18.1
45II
12.3
16.4 16.5
16.4
02.2
FRONT
POWER DISTRIBUTION FUSE BOX
1
GO
03.7
FH13-K3
NOTE:
*FHS1 – Gasoline only.
CA266-9
FC39-5
B+
PARKING BRAKE MODULE
NOTE:
Diesel only.
VARIANT: All Vehicles
VIN RANGE: All
DATE OF ISSUE: May 2004
Page 49 of 200

Switched System Power Distribution
Jaguar S-TYPE 2005
Switched System Power Distribution
Fig. 01.6
13 4114
46 80
76 77 92
ll
15 45ll ll SS
81 118EE
Fig .01.1
Fig .01 .2 F
ig .01.3
Fig .01 .4
Fig . 01.5 F
ig . 01.6 F
ig .01 .7
Input
OutputI
O
B
P+Battery VoltagePower Ground Sensor/Signal Supply V
Sensor/Signal Ground Serial and Encoded Data
CAN
+
SCPC
S DD
–
D2B Network2
f01_6_200045
SCP NOTE
:
The switched system power relays are activated by the FEM or the REM
whenever messages are present on the SCP network. After the ignition is switched off,
the relays remain activated until all SCP messages are removed.
86
NG
BOBO
B
BO
B
Y
U
UY
N
20.2
20.2
20.2
20.2
FH59-6
FH59-7
FH59-1
CA101-3
CA102-1
CA102-2 CA101-4
CA102-12 CA156CAR11
CAR9
FH9-21
FH6-9
FH77
FH60-11
LOGIC
LOGIC
SWITCHED SYSTEMPOWER
CONTROL
SWITCHED SYSTEMPOWER
CONTROLB+B+S
O
WU
CA24-10
I
WB
CA24-19
I
P
P
O
S
S
S
FRONT ELECTRONIC MODULE
REAR ELECTRONIC MODULE
87 15
16
N
N
BO
SWITCHED SYSTEM POWER RELAY 1
R2
3
17
18
NR
NR
BO
SWITCHED SYSTEM POWER RELAY 2
R11
3 4
5
2
1
19
20
NW
WU
NW
BO
SWITCHED SYSTEM POWER RELAY 3
R4
3 4
5
2
1 4
5
2
1
CAR10CA61-63 F48 10A CA61-54
CA61-81 F57 10A CA61-72
CA61-83 F59 15A CA61-74 CA61-61 F46 10A CA61-52 CA61-79 F55 10A CA61-70
CAS20BR1-1
CAS5
CA61-77 F53 10A CA61-68 CA61-66 F51 5A CA61-75 CA61-59 F44 10A CA61-50
24
25
NG
WW
WU
NW
NW
CAS43RF34-10
CAS83
CAS37
CA2-9
CA2-3CAS30
FH7-3
FH53-5
FH53-5
FH53-8
FC37-24
CA56-4
FH53-10 FH53-2 FH53-4 FH53-4
FH7-6
FH53-6
FH39-9
FH39-11 FH40-9
FH40-12
FH40-11
FC33-14 FH39-12
FHS29
BF1-1
BF1-5
FHS21
CA2-17 F8 5A
F9 10A
F10 5A
F11 10A
F22 10A F24 5A
F23 10A
F25 10A
F30 10A
F33 10A
BR1-2TT1-1
NR
NG
NR
NR
(1)
(2)(1)
(2)
NW
NW
NR
NR
NR N NR NR
NR
NR NR
NW
NW
NW
NW NR
NR
NR
NR
NR
NW
NW
W WW W
NG
NW
NW
NW NW
NW NW NW
NW
NW
NW
NW
NW
NW
NWN
N OY
NR
NG
NG
NG
NG
N
NG R
NW
NW
WU WU WU
W
W
W
NG
BO
SWITCHED SYSTEM POWER RELAY 4
REAR POWER DISTRIBUTION FUSE BOX
R5
3 4
5
2
1
72S
63S
12.1 08.3
64S
08.3
65S
08.4
66S
05.3
67S
08.3
08.4
08.408.4 08.4
68S
08.3
69S
09.1
70S
09.1 19.1
71S
09.1
08.4
12.2
73S
09.1
74S
09.1
75S
08.3 08.4 08.4
08.4
08.4
76S
08.3
77S
08.3
78S
08.3
79S
08.3
80S
10.2 10.3 12.1 12.2 12.3 14.1
PRIMARY JUNCTION FUSE BOX
NOTE:
FHS21
- Side marker only.
NOTATION:
(1) Non HID headlamp vehicles.
(2) HID headlamp vehicles.
46S
08.1
47S
08.1
48S
08.1 08.2
08.2
08.2
49S
08.1
50S
08.2
51S
08.1 08.2
52S
08.1
53S
08.1
54S
08.1 08.2
08.2
08.2
55S
10.2
56S
02.1
57S
08.1
10.3 12.1 12.2 12.3 14.1
02.2 12.3
08.2
58S
08.1
59S
08.2
60S
05.210.110.212.112.212.313.119.1
61S
09.2
62S
12.1 12.2
CAS21
11.611.6
CAR28CAR29
VARIANT:
All Vehicles
VIN RANGE: All
DATE OF ISSUE: May 2004
Page 50 of 200

Refer to the front of this book for detailed information and illustrations regarding the location and identification of harnesses, relays, fuses, grounds,
control modules and control module pins.
NOTE: The values listed are approximately those that can be expected at the control module connector pins with all circuit conn
ections made and all
components connected and fitted. The following abbreviations are used to represent values for Control Module Pin-Out data
I Input
O Output
B+ Battery Voltage PG Power Ground
SS Sensor / Signal Supply V
SG Sensor / Signal GroundC CAN Network
S SCP Network
D2 D2B Network D Serial and Encoded Data
V Voltage (DC)
PWM Pulse Width Modulated
CAUTION: The information on this data page is furnished to ai d the user in understanding circuit operation. THIS INFORMATION SH OULD BE USED FOR
REFERENCE ONLY.DATE OF ISSUE: May 2004
Fig. 01.7
FOR CONTROL MODULE PIN-OUT INFORMATION, UNFOLD PAGE TO LEFT. COMPONENTS
Component Connector(s) Connector Description LocationEMS CONTROL RELAY — — FRONT POWER DISTRIBUTION FUSE BOX – R4
ENGINE CONTROL MODULE PI1 134-WAY / BLACK FRONT BULKHEAD, P ASSENGER SIDE
FRONT POWER DISTRIBUTION FUSE BOX — — ENGINE COMPARTMENT, RH SIDE
HO2S RELAY — — FRONT POWER DISTRIBUTION FUSE BOX – R2
IGNITION COIL RELAY — — FRONT POWER DISTRIBUTION FUSE BOX – R3HARNESS IN-LINE CONNECTORS
Connector Connector Description / Location LocationCP1 10-WAY / BLACK / INTERCOOLER PUMP LINK LEAD ENGINE COMPARTMENT, RH FRONT, ADJACENT TO RADIATOR
FH1 20-WAY / BLACK / CABIN HARNESS TO FRONT HARNESS RH ‘A’ POST, LOWER
IL10 12-WAY / BLACK / ENGINE HARNESS TO FUEL INJECTOR LINK REAR OF ENGINE
IS5 6-WAY / BLACK / ENGINE HARNESS TO FUEL INJECTOR LINK ENGINE, LH REAR
IS6 6-WAY / BLACK / ENGINE HARNESS TO FUEL INJECTOR LINK ENGINE, RH REAR
PI41 42-WAY / BLACK / ENGINE HARNESS TO VEHICLE HARNESSES ENGINE COMPARTMENT, BULKHEAD, PASSENGER SIDEGROUNDS
Ground LocationFH42 ENGINE COMPARTMENT, BEHIND RH HEADLAMP
Engine Control Module Pin Description and CharacteristicO PI1–40 EMS CONTROL RELAY DRIVE: TO ACTIVATE, ECM SWITCHES CIRCUIT TO GROUND