turn signal NISSAN ARMADA 2010 Owners Manual

NISSAN ARMADA 2010 Owners Manual ARMADA 2010 NISSAN NISSAN https://www.carmanualsonline.info/img/5/56716/w960_56716-0.png NISSAN ARMADA 2010 Owners Manual

Page 10 of 472

NISSAN ARMADA 2010  Owners Manual 1. Engine hood (P. 3-23)
2. Windshield wiper and washer switch(P. 2-28)
3. Windshield (P. 8-19)
4. Power windows (P. 2-50)
5. Door locks, NISSAN Intelligent Key™,
keys (P. 3-5, 3-12, 3-2)
6. Mirrors

Page 13 of 472

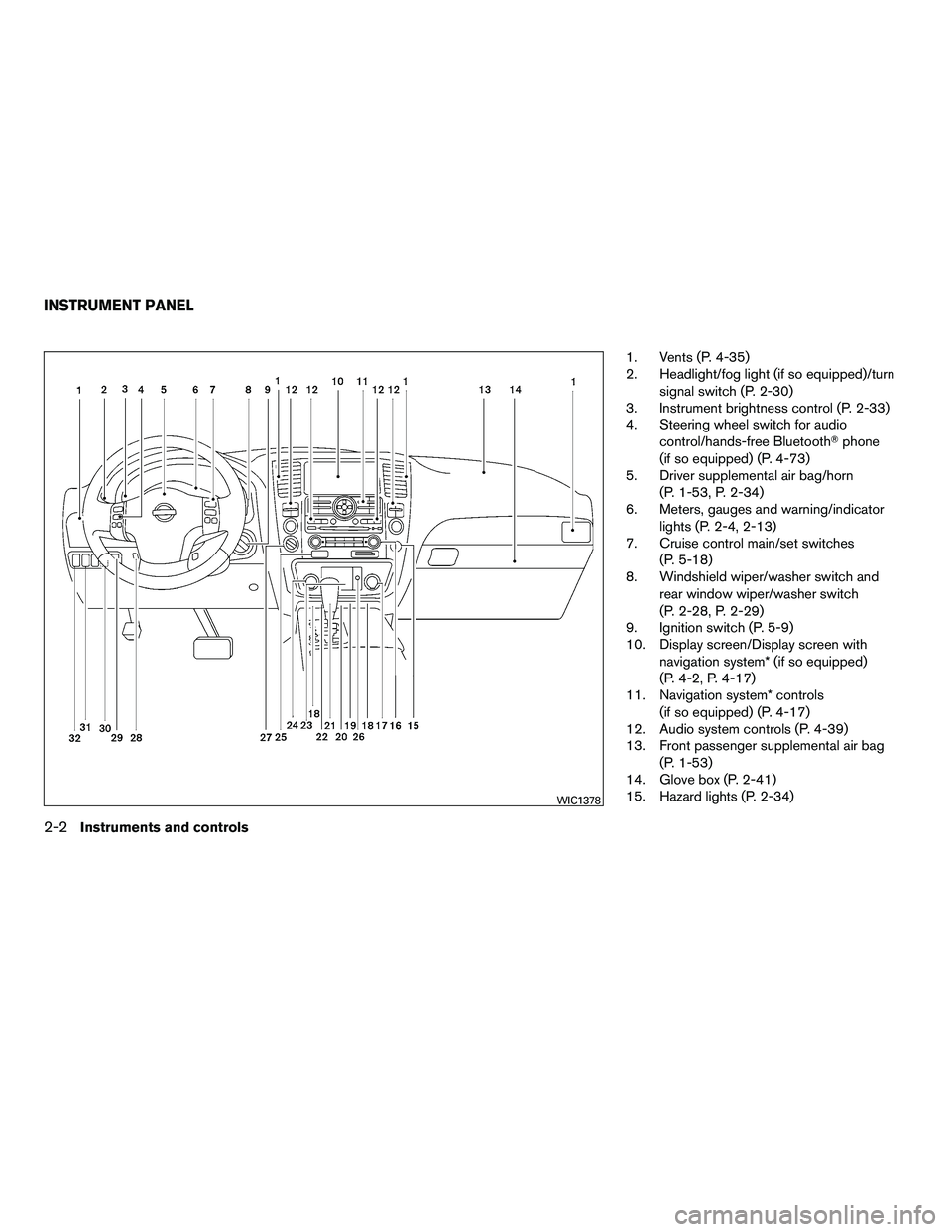
NISSAN ARMADA 2010  Owners Manual 1. Vents (P. 4-35)
2. Headlight/fog light (if so equipped)/turnsignal switch (P. 2-30)
3. Instrument brightness control (P. 2-33)
4. Steering wheel switch for audio
control/hands-free Bluetooth phone

Page 87 of 472

NISSAN ARMADA 2010  Owners Manual 2 Instruments and controls
Instrument panel...................................2-2
Meters and gauges ................................2-4
Speedometer and odometer .....................2-5
Tachometer ...

Page 89 of 472

NISSAN ARMADA 2010  Owners Manual 1. Vents (P. 4-35)
2. Headlight/fog light (if so equipped)/turnsignal switch (P. 2-30)
3. Instrument brightness control (P. 2-33)
4. Steering wheel switch for audio
control/hands-free Bluetooth phone

Page 121 of 472

NISSAN ARMADA 2010  Owners Manual Push the switch on to warn other drivers when
you must stop or park under emergency condi-
tions. All turn signal lights flash.

Page 146 of 472

NISSAN ARMADA 2010  Owners Manual 3. Using both hands, simultaneously press andhold both the HomeLink button you want to
program and the hand-held transmitter but-
ton.
DO NOT release the buttons until step 4 has
been completed.
4. H

Page 231 of 472

NISSAN ARMADA 2010  Owners Manual CHECK DISC:
●Confirm that the CD is inserted cor-
rectly (the label side is facing up,
etc.) .
● Confirm that the CD is not bent or
warped and it is free of scratches.
PRESS EJECT:
This is an erro

Page 239 of 472

NISSAN ARMADA 2010  Owners Manual The FM stereo indicator ST will illuminate during
FM stereo reception. When the stereo broadcast
signal is weak, the radio will automatically change
from stereo to monaural reception.
TUNE/FLDR (Tunin

Page 246 of 472

NISSAN ARMADA 2010  Owners Manual CD/MP3 display mode
While listening to a CD or an MP3/WMA CD
certain text might be able to be displayed (when
CD encoded with text is being used) .
Depending on how the CD or MP3/WMA CD is
encoded the

Page 282 of 472

NISSAN ARMADA 2010  Owners Manual Your NISSAN is equipped with the Bluetooth
Hands-Free Phone System. If you have a com-
patible Bluetoothenabled cellular phone, you
can set up the wireless connection between your
cellular phone and
Page:   1-10 11-20 next >