SSANGYONG KORANDO 2012 User Guide
KORANDO 2012
SSANGYONG
SSANGYONG
https://www.carmanualsonline.info/img/67/57504/w960_57504-0.png
SSANGYONG KORANDO 2012 User Guide
Page 518 of 1082
14-12
Specified valuebelow 0.05A
Setting up the tester ▶
Preparation ▶
Disconnect the negative cable from the
battery.
Set up the ammeter and MSM as shown in
the figure above. 1.
2.
2) When Using MSM
Connect the negative cable to the
battery. 3.
Make sure to set up the tester while keeping
its polarity.
Measure the current while removing the fuses
one by one. If the current drops sharply when
a certain fuse is removed, inspect the affected
circuit.
Page 539 of 1082
01-150000-00
2) CAN Communication Wiring Diagram
Splice pack Wiring Location
S101 Floor wiring (LH) Under fuse and relay box in engine compartment
S102 Floor wiring (RH) Inside of right fender
S201 Main wiring Behind the instrument cluster (cowl cross member)
S202 Main wiring Behind the instrument cluster (cowl cross member)
S205 Floor wiring (LH) Bottom of driver seat (front right)
Page 541 of 1082
02-38410-00
1. CAUTIONS WHEN WORKING ON ELECTRICAL UNITS
Disconnect the negative cable from the battery
in advance when working on electrical units. -
If a fuse is blown, replace it with a fuse which
has the correct amperage rating. If you use a
fuse with higher capacity than the
specification, the component can be
damaged or catch fire. -Do not drop or appy excessive impact to
sensors and relays. -
80℃
10 A 15 A
Make sure to turn "OFF" the ignition switch
and other lamp switches before disconnecting
or connecting the negative battery cable.
(Otherwise, semiconductor parts can be
damaged.)
Page 544 of 1082
02-6
ICM box
Interior fuse box
Fuse box in engine compartment
The fuse and relay boxes consist of three boxes: Integrated Control Module (ICM) box in which the
relays of rear wiper, rear fog lamp, mirror folding, ACC, IGN1 & 2, horn, tailgate, power outlet, shift lock
(A/T) are integrated, relay & fuse box in engine compartment and interior fuse box.
2. SYSTEM LAYOUT1. OVERVIEW
Page 545 of 1082
02-78410-00
3. OPERATING PROCESS
1) Fuse Box In Engine Compartment
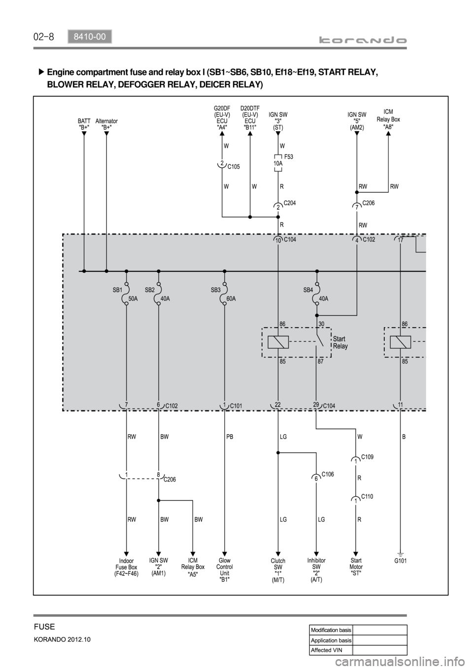
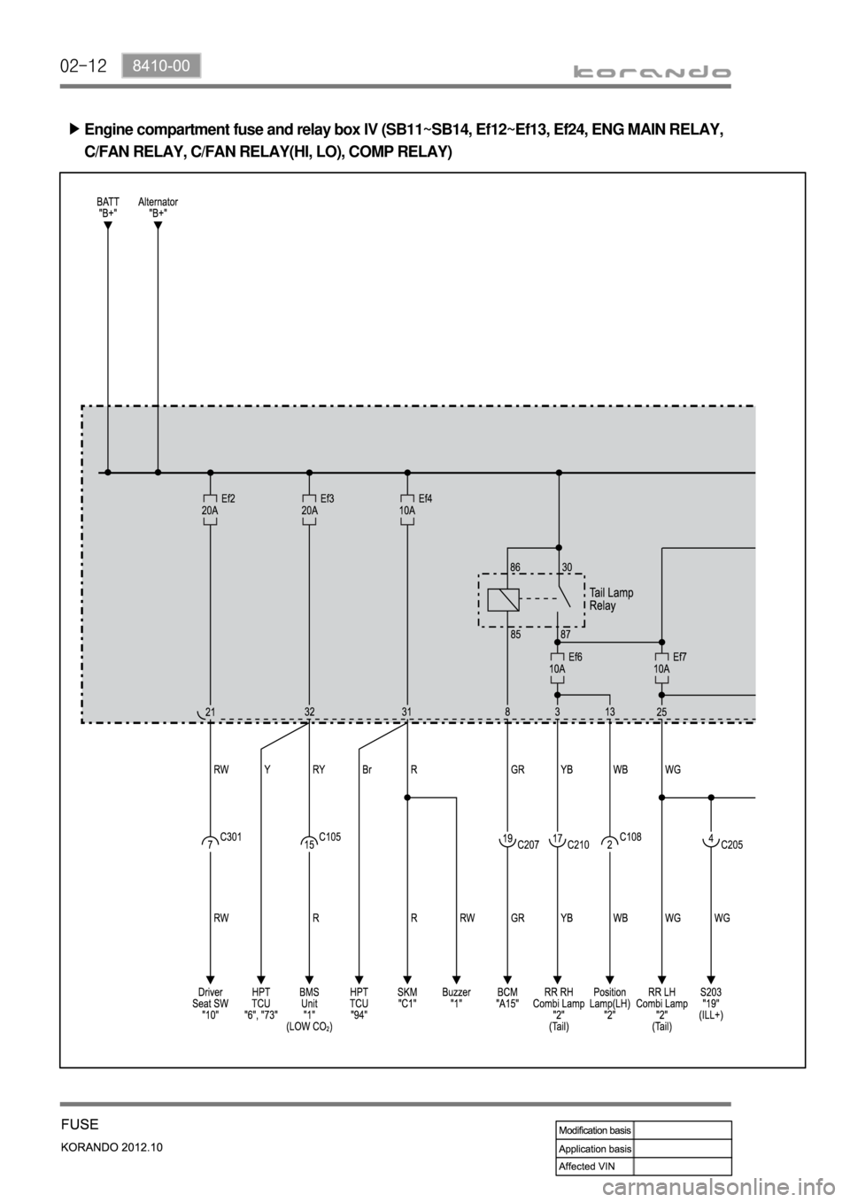
The relay & fuse box in engine compartment is located in the left side of the engine compartment. The
wiper relay, horn relay, fog lamp relay, tail lamp relay and PTC relay are included in the PCB. The B+
supply is provided through the ALT+ (A) line, not by an extra fuse.
Capacity and name of engine compartment fuse and relay ▶
Page 546 of 1082
02-8
Engine compartment fuse and relay box I (SB1~SB6, SB10, Ef18~Ef19, START RELAY,
BLOWER RELAY, DEFOGGER RELAY, DEICER RELAY) ▶
Page 548 of 1082
02-10
Engine compartment fuse and relay box II (SB7~SB9, Ef1, Ef5, Ef9, Ef11, PTC RELAY, FUEL
HEATER RELAY, HEAD LAMP RELAY(HI, LO)) ▶
Page 550 of 1082
02-12
Engine compartment fuse and relay box IV (SB11~SB14, Ef12~Ef13, Ef24, ENG MAIN RELAY,
C/FAN RELAY, C/FAN RELAY(HI, LO), COMP RELAY) ▶
Page 552 of 1082
02-14
Engine compartment fuse and relay box V (Ef17, Ef20~Ef23, Ef25~Ef26, WIPER MOTOR
RELAY(HI, LO), HORN RELAY, POWER WINDOW RELAY) ▶
Page 554 of 1082
02-16
2) Interior Fuse Box
The interior fuse box is located in the left side of the instrument panel. To remove this fuse box,
disconnect the main wiring first.
Capacity and name of interior fuse and relay ▶