stop start YAMAHA YZF-R1S 2004 Owner's Manual

YAMAHA YZF-R1S 2004 Owner's Manual YZF-R1S 2004 YAMAHA YAMAHA https://www.carmanualsonline.info/img/51/57533/w960_57533-0.png YAMAHA YZF-R1S 2004 Owner's Manual

Page 410 of 457

YAMAHA YZF-R1S 2004 Owners Manual 8-17
4. Starting circuit cut-off relay
Disconnect the starting circuit cut-off relay
coupler from the wire harness.
Connect the pocket tester (Ω  1) and bat-
tery (12 V) to the starting circuit c

Page 441 of 457

YAMAHA YZF-R1S 2004 Owners Manual 8-48
1Main switch
4Fuse (main)
6Battery
7Fuse (fuel injection)
10Starting circuit cut-off relay
13Fuel pump
14E.C.U.
53Engine stop switch
FUEL PUMP SYSTEMELEC
EAS00814
FUEL PUMP SYSTEM
CIRCUIT DIAGRAM

Page 442 of 457

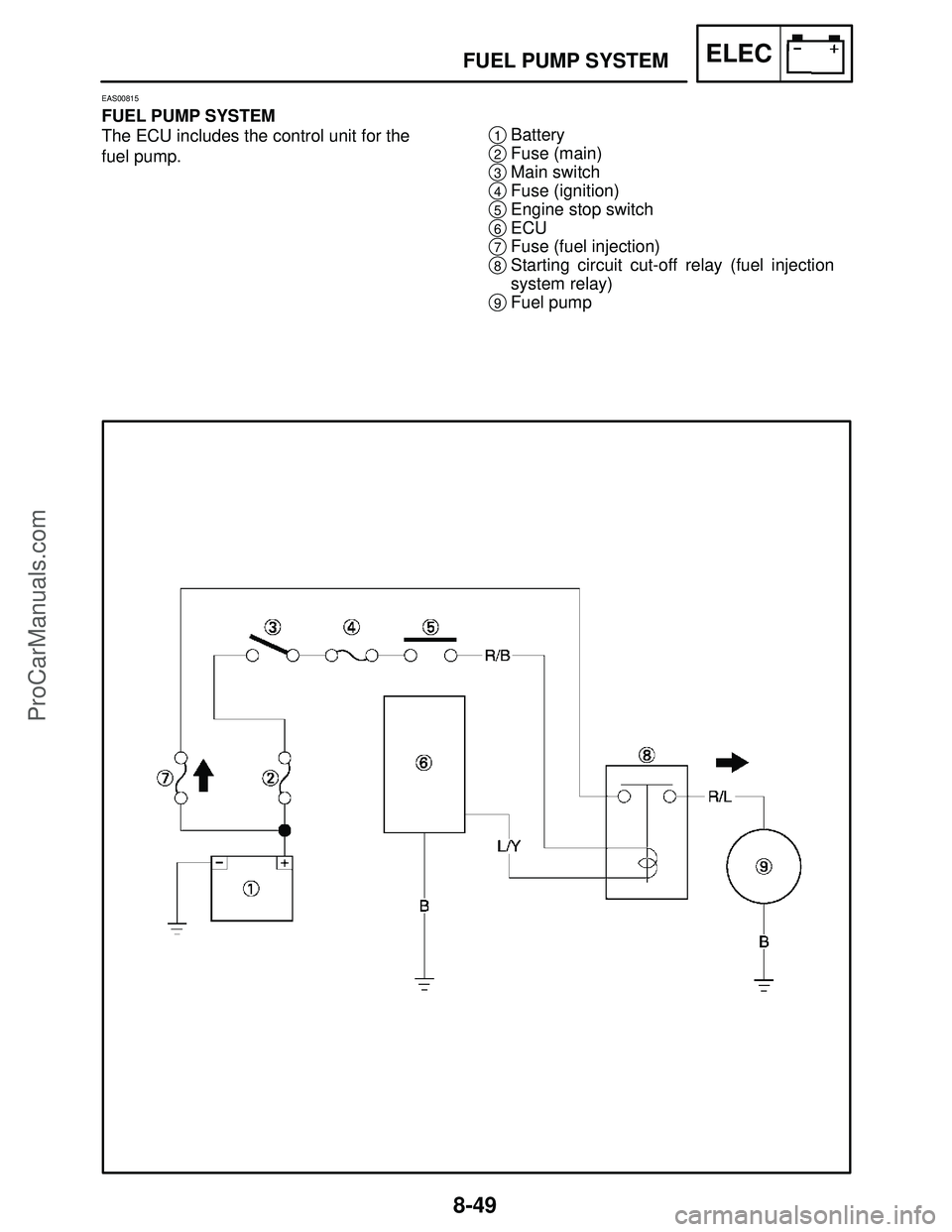
YAMAHA YZF-R1S 2004 Owners Manual 8-49
FUEL PUMP SYSTEMELEC
1Battery
2Fuse (main)
3Main switch
4Fuse (ignition)
5Engine stop switch
6ECU
7Fuse (fuel injection)
8Starting circuit cut-off relay (fuel injection
system relay)
9Fuel pump
E

Page 443 of 457

YAMAHA YZF-R1S 2004 Owners Manual 8-50
FUEL PUMP SYSTEMELEC
YESNO 2. Battery
Check the condition of the battery.
Refer to “CHECKING AND CHARGING
THE BATTERY” in chapter 3.
Minimum open-circuit voltage
12.8 V or more at 20C (68F

Page 450 of 457

YAMAHA YZF-R1S 2004 Owners Manual 9-2
9
Starting systemFaulty starter motor
 Faulty starter relay
 Faulty starting circuit cut-off relay
 Faulty starter clutch
STARTING FAILURES / INCORRECT ENGINE IDLING SPEED /
POOR MEDIUM-AND-HI

Page 455 of 457

YAMAHA YZF-R1S 2004 Owners Manual 59Clutch switch
60Turn signal switch
61Horn
62Front turn signal / position light (left)
63Front turn signal / position light (right)
64Rear turn signal light (left)
65Rear turn signal light (right)
66
Page:   < prev 1-10 11-20 21-30