sensor BMW 318i 1998 E36 Workshop Manual
[x] Cancel search | Manufacturer: BMW, Model Year: 1998, Model line: 318i, Model: BMW 318i 1998 E36Pages: 759
Page 585 of 759

DATA
LINK
CONNECTOR
1$
,A
WHTT/VIO
COMPUTER
DATA
1~
'
LINES
SYS7EM
1
WH7/~
"
8
R1/
.
.N
r
EGSWARNINGLJ
INSTRUMENTLLUSTER
%16
1
VIO
SHIFT
LK
SOL
AUTO
MODE
SI
G
89077
~\3
IG7IMINGIN7
14
BRN/GRV
HOTATALL
TIMES
r
~
Ea
r
I
~
I
-
"
(
JUNCTION
L
L
JFOIN7
ELECTRICAL
WIRING
DIAGRAMS
ELE--101
Transmission
Electronics
1995
318ti
HOTINRUNHOTINRUN&START&START
r
FUSE
I
~
F28
L3r-
0
-__
2
I
16
FRONT
POWER
F
ELS
28
E
(DISTRIBUTION
BOX
'-_J
xLOeLz
GRN/
BEN/
RED
WHTGRV
EGSA4S310R
N
'1
003004
G201
D
0
1010
1
300
11
2
1
0
111
00
1
0
g
GRV/RED
2OUTPUT
_JDIMMER
r'`
0
GRV(
--
I
bi
:
RED
INTERIORLIGHTS
I.c2
L
SYSTEM
~N53
I
4BRN
SOLGNDCTRLI
r
-
q
-
--
BRN/GRN
h
~
85
-
I
FUELPUMPRELAV
I
I
COMPRESSOR
I
CONTROLRELAY
I
"
REOIW
TI
87A
I
-
SOLENOIDSOLENOID
VALVE1
BR
N
"
DEG
S
NCA
SPIN
I
SOLENOID
,8
GRN
B
I
NCA
VA
L
E2
GRRNGSIGL3
BLU/WHT
6723
>-
TIMEASSIG(FL)
9
WH7/BLK
A-PROG
IND
10
YEL/BLU
FLPMPPLYCTRL
11
BRN/GRN
M-PROGIND
12
YELIWNT
RED
9
I
T
.DDATALK
13
WH7/VIO
OUTPUT
SPD
()14
BLK
-fl
----
DRY
1-
BKSWTESTSIG5BRN/GRV
BRN/GRV3
(N
OT
USE
D),10
X0
77
CLR
VIO
2
I
OILTEMP
SIG
SPDSENSSHD
18
NCA
19
BRN
GND
20
YEL
T
-
I
OUTPUTBPD(r)
I
A/CCOMPON
16LK/BLU~-
.'BLU
7
44
I
2BLK
BIN
8
OIL7PSIG(a)
11
1
ELK
3
Ir
NCA
__
.
'27
XB52L
SPEED
'
BATTERYVOLT
e
RED
1
-
-~
VEL
1
NCA
SENSOR
FAULTINDSIG
9GRY/BRN
T
~~
BLK
2
NCA
30
GRV/VEL
y
KICK-DO
WN
SIG
1
I
I
1
1
I
MAN
MODESIG
1
YEL/WHT
X
32
l3
BRN/WHT
_
Ft
GRRNGSIGL4
,34
r
ON-BOARD
I
S
BRNIVIO
WHTIBLK41
COMPUTER
SNIFTLKGND
6
BRN/ORG
J(CENTER
GND
%1071
---
VOLTSUPPLY
7
RED/WHT
TLCSOLCTRL
38
BLU
_j
I
BR
BKPD
N/
-
gBLU/RED
VIO
2
NCA
SHIFT
LOCK
L
POSIT
.
HYDCTRL(a)
40
RED
4
HVDCTRL
1
GRV
(-)
~42
VIO
1
NOASOLVAL2CT
43
GRN
RL
t
%851fi
TRANSMISSION
VALVE
UNIT
BRN/ORG
11~IEL
PMPRLYCTRL
I
~WHT/BLK
.
17,
I
DKV
I
BLK%BLU
QB
IFUELCONSUMPTION
I
BRNIA/OCOMPCTRL
I
IIGNTIMINGINT
GRN/GRY
BRN/WHT
8
BRN/BLK
I
ENGINECONTROL
I
MODULERELAY
BRN
RY/I
l
O
RG
EGHOS
B
f
LU~YEL
ALTO
GRV/
YEL(
I
I
BEN
1
E%L
I
I
'
G
RED
RNIWHT
G
BLU/
/
SYSTEM
CLOSEOIN
G123R
ED
ELK
REVERSE
FRONTP0WER
DISTRIBUTION
BOX
IDRIVERANGEP/N~
-
ENGINECONTROL
MODULE
LOME)
O
~
L3
BLU/-
WHT
1-
20
WHT/VIO
SLKIBLU
-
AUTO
\'~
2,1,
T
TRANSMISSION
BLK(
HNI
BLUIVEL
BLU/VEL
PU
I
>I71UN
I
OFF
POSITION
JJJ/
...
BBLK
S
%1a
1
AUTOMATIC
M
I
D
7
26
TRANSMISSION
AN
INDICATOR
1
YEL/WHT
KICK
LIGHT
I
I
~I
(N
OT
US
ED)
I
I
RAN
GE
SWITCH
GOWNBRN
1
SWITCH
I
II
I
II
"
BRNj
MAN
"
CONTROL
CRU
OL
CHIMEMODULE
NCAPROGRAMSWITCH
BENBRN(
MODULE
MODULE
1
1
(TEMPOMAT)
Page 596 of 759

ELE-112
ELECTRICAL
WIRING
DIAGRAMS
67095
YEL/VIO
BLKIGRN
CRUISE
"
CONTROL
MODULE
Cruise
Control
1992-93
HOTINRUNANDSTART
HOTINACC,RUNANDSTART
~
FRONT
-_---_---_--
.
.-----
(
.POWER
-
AUTOMATIC
I
TRANSMISSION
(RANGE
I
JR*
_
Y
I
SWITCH
14
YELIWHT
15
16
BLK/W
HT
19
BLK/BRN
20
BLU/WHT
21
BLU/GRY
22
SLU/GRN
23
2<
BLU/BLK
VIO/YEL
I
VIO/YEL
BRN/ORG
BLU/RED
W/OCCM
WICCM
1
BRAKE
LIGHT
SWITCH
1,k
BRAKE
I
LIGHT
I
I
SWITCH
Q
2
2
CRUISE
CONTROL
SWITCH
VEHICLE
I
I
SPEED
I
I
SENSORJ
`
W/EGS
""
I
W/O-
""
I
m
1
J
"
CLUTCHSWITCH
INSTRUMENT
CLUSTER
"
CHECKCONTROLMODULE
""
TRANS
ISSIONCONTROL
MODULE
YEL/VIO
CRUISE
CO
NTROLACTUATOR
Page 597 of 759

63528
CRUISE
CONTROLMODULE
1
YEL/VIO
2
BLK/GRN
11
BLK/BLU
28
VIO/YEL
Cruise
Control
1994
&
1995
Early
Production
Except
318ti
HOTINRUNANDSTART
HOTINACCY,RUNANDSTART
FUSE
FUSE
,FRONTPOWER
I
F26
F46
IDISTRIBUTIONBOX
L
-
A6
-J
GRNJ
viol
GRY
Y
EL
23
24
BLU/BLK
I
AUTOMATIC
I
TRANSMISSION
~1
RANGE.
.2
.
I
SWITCH
3
I
O
ELECTRICAL
WIRING
DIAGRAMS
ELE-113
BRAKE
BRAKE
LIGHT
F
I
LIGHT
SWITCH
I
I
SWITCH
1S
16
BLKIWHT
17
BRN/ORG
18
BLU/RED
15
BLK/BRN
20
BLU/WHT
21
BLU/GRY
22
BLU/GRN
I
I
VEHICLE
I
1
I
SPEED
I
G203
I
SENSOR
IN
STRUMENTCLUSTER
VIO/YEL
W/OCCM
[
W/0
CM
CRUISE
CONTROL
SWITCH
12
3
WlEGSW/OEGS
1
14
YELIWHT
BLU/REDEXTERIORLIGHTS
SYSTEM
CLUTCHSWITCH
CRUISECONTROL
ACTUATOR
Page 598 of 759

ELE-114
ELECTRICALWIRING
DIAGRAMS
Besafi
1
YELIVIO
BRN/ORG
2
(OR
BLU/BRN
BLK/GRN
6
BRN/BLK
Cruise
Control
1995
Late
Production
&
1996-97
Except
318ti
HOT
IN
RUNAND
START
HOTINACCY,RUNANDSTART
USE
FUSE
,PRONTPOWER
I
)
F28
F46
DISTRIBUTION
BOX
IRNI
viol
DRY
VEL
AUTOMATIC
'
TRANSMISSION
~1
RANGE.
~2
SWITCH
3
I
_J
Q6
2fI
I
z1
x
7
YELIBRN
8
BLK
3
9
BLU/GRV
10
SLKIWHT
IMEMIN
16
YEL/WHT
15
BLU/BRN
16
19
26
BLUIBLK
LI-A____________I-B!
J
22
23
RED/BRN
20
BLU/WHT
25
28
V10/YEL
CRUISECONTROL
L
L
I
BRN
/GRG
MODULE
G203
Q
17
WHT/VIO
COMPUTER
DATA
LINES
SYSTEM
18
BLU/GRN
1
1
BRN/ORG
O
-
g-CLUTCH
SWITCH
CRUISE
CONTROL
SWITCH
INSTRUMENT
CLUSTER
V101YEL
WW/
OCCM
W/
C
CM
BRAKE
BRAKE
LIGHT
I
LIGHT
SWITCH
I
I
SWITCH
!Jll
_
zJ
VEHICLE
ENGINE
I
SPEED
SPEED
I
SENSOR
I
TRANSMISSION
CONTROLMODULE
CRUISE
CONTROL
ACTUATOR
Page 599 of 759

82783
22
23
RED/BRN
23
BLUIWHT
28
VIO/YEL
HOT
IN
RUNAND
START
HOT
IN
ACC,
RUN
AND
START
1D
BLK/WHT
11
BLK/BLU
111~1~~~~
1111~1~~
I
COMP
LINES
18
BLU/GRN
199719
ONLY
OD
O
20
BLU/BLK
21
BRNIORG
CRUISE
ENGINE
I
SPEEDSPEED
I
0203
CONTROLMODULE
CONTROLS
INPUT
SENSOR
-
SYSTEM
-
-
-
----
ELECTRICAL
WIRING
DIAGRAMS
ELE-115
Cruise
Control
1995-97
318ti
W/EGS
WIOEGS
INSTRUMENT
I
ENGINE
VEHICLE
(
CLUSTER
CLUTCHSWITCH
WHT/VIO
UTERDATA
Q
CRUISE
CONTROL
SWITCH
CRUISE
CONTROLACTUATOR
Page 601 of 759

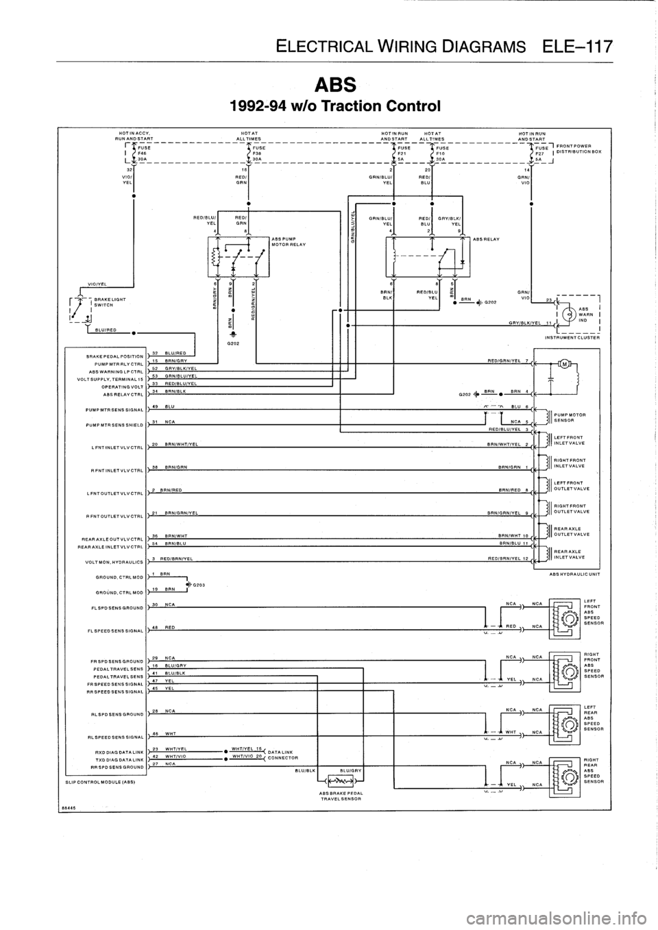
98445
SLIP
CONTROL
MODULE
(ABS)
ELECTRICAL
WIRING
DIAGRAMS
ELE-117
ABS
1992-94
w/o
Traction
Control
HOTINACCY
.
HOTAT
HOTINRUN
HOT
AT
HOT
IN
RUNRUNAN
.l
D~START
ALLTIMES
ANDSTART
ALLTIMES
ANDSTART
FIFUSE
------------
E-----------------
-
z
UFUSE
----------~
E
FRON
FUS
SE
F27
DISTRIBUTION
BOX
F413
F3B
F2
32
BLU/RED
PUMPMTRRLYCTRL
))
ABSWARNINGLPCTRL
52
G1
VOLT
SUPPLY,
TERMINAL
I9
53
GRN/BLU/YEL
7
OPERATING
VOLT
33
RED/BLU/VEL
ASS
RELAY
CTRL
)34
FNfBLX
GROUND,CTRLMODI~
GROUND,CTRLMOD
I
)
19
BAN
I
FL
SPEED
SENS
SIGNAL
FRSPDSENSGROUNO
29
NCAPEDALTRAVELSENS
19
BLUIGRY
PEDALTRAVELSENS
41BLU/BLK
FR
SPEED
SEN
.
SIGNAL
47
YEL
RR
SPEED
SENS
SIGNAL
41
YEL
RLSPDSENSGROUNOI)
29
NCA
RLSPEED
SENSSIGNAL
1
)46
WHT
RXD
DIAG
DATA
LINK
42
T
XDDIAL
DATA
LINK
RRSPDSENSGROUND
WHTIYEL
WHTIVI
ONCA
WHT/VEL
15,
"
WHT/VIO
20
CONNECTOR
BLUIBLK
BLU/GRY
ABSBRAKEPEDAL
TRAVELSENSOR
L
3-'4--------------
.L3-A-------
.----------
-
A
---
-
0
A
-------__--
-'A2
20
14
GRN/BLU/I
RED/
I
GRNI
VEL
BLU
VIO
GRN/BLU/I
RED/
I
GRY/BLK/
VEL
BLU
YEL
ABSRELAV
B85
RUN]
RED/BLUI
ILI
GRNI
YEL
mI
BN"
~
+
G202
RED/GRN/VEL
7
GRY/BLK/VEL
11
G202
"
Ip
SPIN
"
B
PUMPM1RSEN551GNAL
49
BLU
-
BLU
B
II
PUMP
MOTOR
PUMP
MTRSENSSHIELD
31
NCA
N
CA
B
SENSOR
1
REO/BLU/YEL
3,l
LEFT
FRONT
LFNTINLETVLVCTRL
20
BRN/WHT/VEL
BRNIW
HT
/
VEL
2
II
INLETVALVE
n
l
RIGHTFRONT
38
RFNTINLETV
LVCTRL
BRN/GRN
BRNIGRN
1
II
INLETVALVE
II
LEFTFRONT
LFNTOUTLETVLVCTRL
2
BRN/RED
BRN/RED
9
OUTLETVALVE
II
RIGHTFRONT
RFNTOUTLET
VLVCTRL
21
BRNIGRN/VEL
BRNIGRN/VEL
9
OUTLETVALVE
REAR
AXLE
REARAXLEOUTVLVCTRL
36
BRN/WHT
BRN/WHT
10
II
.TLETVALVE
54
BRN/BLU
BRN/BLU
11
REARAXLE
INLET
VLVCTRLREAR
AXLEVOLTMON,
HYDRAULICS
3
RED/BRN/VEL
RED/BRN/YEL12
II
INLETVALVE
I-
G203
FLSPOSENSGROUND1
30
NCA
NCA
S
RED
-
RED
NCA
YEL
VIO
CA
L
NA
A
BS
I
WARN
I
IND
I
I
INSTRUMENT
CLUSTER
ABSHYDRAULIC
UNIT
CA
LEFT
FRONT
ABS
SPEED
NCA
I
SENSOR
RIGHT
NCA
I
FRONT
ABS
S
PE
BEN
LEFT
REAR
ABS
SPEED
SENSOR
Page 602 of 759

88574
HOTINACCV,
HOTAT
HOT
IN
RUN
HOTAT
HOTINRUN
RUNAN
...~~~OCCC
START
ALLT
..
.777
I
CCC
MESANDSTART
ALLTIMES
AND~~
T
...
S..
TART
FUSE
-_-_--------'
FUSE
--~
`FUSE
----_-_-
-
-
-
_
--
F7-E-----------
F27
E
J
ORS
RTBUON
BOX
4
VIGII
VEL
20Y
14~I
'
REms1-
.G1
GRN/VIO/
REDJBLU~
GRN/VIO~
8
23
ABS
PUMP
INSTRUMENT
MOTOR
RELAY
I
CLUSTER
II
ND
(
ABC
ASS
IND
!_
___
"
VIO/I
VEL
ABS/AST
1995-97
318ti
&
1997
3181,
3181C
&
318is
w/Traction
Control
BRAKE
LIGHT
r
SWITCHIT
1
EXTERIOR
LIGHTS
SYSTEM
BLU/RED
-
/
DATA
LINK
CONNECTOR
2D
~
"
RRSPEED
SIGNAL
OME
9
WHT/
GROUND)196RN
FN
"
SLIP
CONTROLMODULLE
LABS)
GROUND
41
ERN
"
-BEN
VEL
CANHIGH
17
1
CANLOW
I
1
A
BFN
G203
ENGINE
CONTROLS
SYSTEM
BRNIRED
1S
I
RED/)
GRN/I
GRN
EL
U/
VEL
"
RED/
GRNI
GRN/
FLU/
1
GRN/U/
VEL
VEL
ELECTRICAL
WIRING
DIAGRAMS
ELE-119
INTERIOR
LIGHTS
SYSTEM
GRN/~
RED
2
1G203
ABCSWITCH
.FN
I'
G202
TXDDIAG
B
WHTIVIO
II
LEFT
FRONT
15
BLU/RED
BRN/RED
2
SO-NOIDVALVE
BRAKELIGHTSWITCH
e
RED/GRN
VOLT
SUPPLY,
FUSE
3'29
RED/GRN
1
VOLTSUPPLV,FUSE
R
VOLTSUPPLV,F
DVALVE
38
j13
GRN/BLU/VEL
BRN/GRN
3
II
SOLENO
USE21
14
BLU/VIO
ABC
SWITCH
B
BRN/BLK
ABS
PUMP
MOTORRELAYABSSI
GNAL
27
RED/BLU
I
BRN/GRN/VEL
4j
ABS
PUMP
MOTORRELAY
1
RED/GRN/VEL
ASSSIGNAL
INSTRCLUSTER
,
42
GRY/BLKIYEL
ASCLAMP
12
BLU/BRN
BRN/WHT
19
j
GROUND
22
BRNABS
HYDRAULIC
UNI
7
RED/BLU/VEL
ASS
SIGNAL
28
RED/BLUIYEL
I
BRN/BLU
1838
BRN/WHT/YEL
)
LEFT
FRONT
INLET
VALVE
II
LEFTFRONTOUTLETVALVE
36
BRN/RED
RIGHTREAR
j
RIG
NTFRONTINLETVALVE
39
BRN/GRN
BRN/BLK/VEL
25CIE
SOLENOIDVALVE
RIGHT
FRONT
OUTLET
VALVE
37
BRN/GRN/VEL
LEFT
REAR
OUTLET
VALVE
33
BRNIWHT
II
RIGHTREAR
32
BRN/BLU
BRN/GRY/VEL
24
SOLENOIDVALVELEFTREARINLET
V
ALVE
RIGHTREAROUTLETVALVE
35
BRN/BLK/YEL
RIG
HTREARINLETVALVE
i
34
BRN/GRN/VEL
II
SEPARATING
31
BRN/BLUIYEL
BRNIBLU/VEL
1
87
VALVE
SEPERATORVALVE
j
25
BRN
(318L3181C
.3101s)
RRSPDSENSGND
2
VEL/BLK
31811
ABS
HYDRAULIC
UNIT
4
YEL
(3181,3181C,3181s)
318U
RR
SPEED
SENSOR
ABS
23
VEL/BRN
23
VELIBRN
(3181,3181C,3181s)
31611
RFSPOSENSGNO
4
YEL
2
VEL/BLK
(3
3181
.3181C
.3181s)
18U
RF
SPEED
SENSOR
ABS
25
BRN
LRSPDSENSGND
3
BLU
LR
SPEED
SENSOR
ABS
24
BRN
LFSPDSENSGND
5
BRN/RED
SPEED
SENSORS
)
26
BRN
LF
AB
G202
I
I
pI
`I
I
G202
ZI
ZI2I
ZI
2I
Z
ZZ
Z
RED/GRN/YEL
BRN
20
REO/BLU/VEL
5
BRN/WHT/VEL
1
RED/BLU
17
I
IFRONT
SEE30R
IIISEN90R
IF
ONT
FEAR
SENSOR
SENSOP
M11
JII
LEFTFRONT
SOLENOIOVALVE
II
RIGHT
FRONT
SOLENOID
VALVE
II
LIT
FEAR
SOLENOIDVALVE
D
ii
SII
SLEOLFTE
RE
NOAR
IOVALVE
Page 603 of 759

ELE-120
ELECTRICAL
WIRING
DIAGRAMS
ABS/AST
1994-95
3251,
325iC
&
325is,
1996-97
3281,
3281C
&
328is,
1995-97
M3
w/
Traction
Control
(1
of2)
VIO/YEL
SLIP
CONTROL
MODULE
(ADS)
88685
HOT
IN
ACCY,
HOTAT
HOT
IN
RUN
HOTAT
RUNANDSTART
ALLTIMES
ANDSTART
ALLTIMES
I
--
USE
--------------
USE
---------------------------S
EL
I
/F
/F
0
DISTRIBUTION
BOX
I
F46
US
U
32VIOI
VEL
L
REAR
SOLVLV
SIG
I
SENSGND
I~
LFSPEED
SENSSIGNAL
SIGNAL
SENSGND
SENS
GNO
=5=___--_--___--Till
.-___-_-__-_--______-___-
_
.J'SA-_-
30A_I
11
NCA
10
NCA
BRN/BLK/VEL
NCA
REDORYEL
RFSPEEDSENSSIGNAL
YELEL
RRSPEEDSENSSIGNAL
)
45
GRN
SIGNALABSTRAVELSENSI)
14
BLU/LUG
O
RY
SENSGNDI
2~9
CA
TXDSIG
j
7
WHTIVIO
RXOSIG
j
8
WHT/VEL
LRSPEEOSENSSIGNAL
j
46
W-
ASST
RAVELS
ENSSIG
!31
BLU/BLK
GROUND
1
BRN
GROUND,MODULE
j3
BRNGROUND
j19
BRN
1
G203
WHT/VIO
20
DATA
LINK
W-1-1-l61
CONNECTOR
1994
32510
N
LY
BLUI
BLU/
BILK
GRY
ABSBRAKEPEDAL
TRAVEL
SENSOR
20
GRNIBLU/
RED/
GRY/BLK/
~VEL
BLU
YEL
41
2I
9
6
B5
BRN/I
REDIBLGI
BLK
VEL
m
ABSPUMPMTRRLY
%
52
BRWGRV
j
G202
GRV/BLKIYEL
BATTERYVOLT
2
RED/BLU/YEL
RED/BLU/YEL
BATTERYVOLT
16
RED/BLU/YEL
RED/BLUIVEL
,SUPPLY
33
REOIBLUIYEL
RED/BLU/YEL
LREARSOLVLVSIG
12
RRN/BLU
BRNIBLU
.
RED
/GRN/YEL
SIGNAL
4
WHTIGRN
WNT/GRN
8
EML-SIGNAL
5
WHTIRED/VEL
WIT/REDVEL
9
-S
INFLUENCE
6
WHT/GRN/VEL
WHT'GRN/YEL
10
18
SRN/-T
BRNIWHT
LPEAS
SOLVLVSIG
11
ADS
STEP
MOTOR
20
BLKISRN/VEL
BLK/BRNIYEL
12
ADS
STEP
MOTOR
21
BLK/GRN/VEL
8LK/GRN/YEL
13
ABSLPCTRL
34
GRV/BLK/VEL
IGNSIG
35
GRN/BLU/VEL
J
SOLVLV
36
BRNIBLU/VEL
BRN/BLU/YEL
14
ABSPWRPROTECT
RLY
13
BRN/BLK
PUMP
MTRSENSSIGNAL
49
BLU
BLU
16
RTFNTSOLVLVSIG
37
BRNIGRNIYEL
BRNIGRNIYEL
16
LREAR
SOLVLVSIG
3D
BRN/GRV/VEL
BRN/GRV/VEL
17
LFNTSOLVLVSIG
40
FNIWHTIYEL
BRN/WHT/VEL
18
SPDSIG
41
BLK
BLK
1942
HT/RED
WHT/RED
ASC
THROT
FLAP
POT
20
ASCTHROTFLAPPOT
43
WHTIBLU
WHT/BLU
21
ABC
LP
CTRL
44
BLUISRN
8'URN
22
FITFNTSOLVLVBIG
22
BRN/GRN
BRN/G
/B
RN
23
ASCTHROTFLAPPOT
23
WHT/BRN
WHTIGRN
24
PUMPMTRSENSSHIELD
50
NCA
NCA
25
IDLESPDSIG
25
WNTIGRYWHT/GRV
pfi
THROTFLAPPOSTH
26
WHTIGRY/VEL
WHT/GRV/YEL
27
ASCSWSIG
27
BLU/VIO
BLU/VIO
28
LFNTSOLVLVSIG
54
BRN/RED
BRN/RED
29
,SUPPLY
51
RED/BLU
U
-1
-
U
-1
-
NCA
RED
OR
iEL~
ABS
RELAY
NCA
NCA
NCA
-
NCA
YEL
NOA
GRN/BLUIVEL
BRN/BLK/VEL
LEFT
FRONT
ABS
SPEED
,4
1
SENSOR
RIGHT
FRONTABS
SPEED
SENSOR
RIGHT
REAR
ASS
SPEED
SENSOR
Page 604 of 759

88567
2
GRY/BLK/YEL
3
RED/BLU/YEL
4
REDIBLUIYEL
5
RED/BLUIYEL
B
BRNIBLU
7
RED/GRN/YEL
S
WHTIGRN
9
WHT/RED/YEL
1S
WHT/GRNIYEL
11
BRN/WHT
12
BLKIBRN/YEL
13
BLK/GRN/YEL
ABS/AST
1994-95
3251,
32511C
&
3251s,
1996-97
3281,
328iC
&
328is,
1995-97
M3
w/
Traction
Control
(2
of
2)
GRN/BLU/VEL
AUXILIARY
THROTTLE
POSITION
MOTOR
M
BRN/BLU/YEL
15
BLU
18
BRN/GRNIYEL
17
BRNIGRYIYEL
18
BRN/WHT/YEL
19
BLK
20
WHT/RED
21
WHT/BLU
22
BLU/BRN
23
BRNIGRN
24
-T/13F
.
25
NCA
2B
WHT/GRY
27
WHT/GRNIYEL
28
BLU/VIO
2B
BRN/RED
30
BRNIBLK/YEL
ENGINECONTROL
MODULE
(OME)
AU%'LIARYTHROTTLE
POSITION
SENSOR
19
(1996-97328'
.M3)
I
6
WHT/
I
I
55
}
5R
I1011
I
TRANSMISSION
CONTROL
MODULE
(EGS)
BLKIGRN/YEL
I
ELK/BRN/YEL
1
WHT/RED
2
WHT/BLU
3
WHT/BRN
-1994-95
WHTIGRYIYELWHT/GRY/YEL
11
(ORBRNIORG)
I
(ORBRN/ORG)
MIMMEME
MEMO
a~
iim1111
ELECTRICAL
WIRING
DIAGRAMS
ELE-121
HOTINRUNANDSTART
r
FUSE
,FRONT
POWER
I
F27
I
DISTRIBUTION
BOX
L
5
-_J
14
GRN/
VIO
BLU/VIO
6
INTERIORLIGHTS
GRO=C
SYSTEM
G203+
RED/GRN/YEL
G202
-Ip
SPIN
.S
T
-
T
BLU
22
(
NCA
21
RED/BLU/YEL
5
BRN/WHT/YEL
SRN/RED
BRN/GRN
BRNIGRN/YEL
4
BRN/WNT
19
BRN/BLU
18
BRN/BLK/YEL
2
I
i
47BL
I
1
62
WHT/
I
I
;82
W
HT/GRY
I
I
REO
I
BLU/VEL
17
BRNIGRY/YEL
2
I
h83
WHT/GRN
/
BRN/BLU/VEL
1
6
BLU/BRN
RED/BLU/YEL
GRN/BLUIYEL
-
7
-1
ABCDIODE
LYJ
ASCSWITCH
5-00
-1
}
II
PUMP
MOTOR
/j
SENSOR
LEFTFFONT
INLETVALVE
II
II
LEFTFRONT
OUTLETVALVE
RIGHTFRONT
INLET
VALVE
RIGHTFRONTOUTLETVALVE
LEFTREAR
l
OUTLETVALVE
LEFTREAR
INLETVALVE
~11
FIGHT-AR
J
OUTLETVALVE
II
RIOHTREAR
(I
INLET
VALVE
SEPARATOR
VALVE
ABS
HYDRAULIC
UNIT
Page 605 of 759

ELE-122
ELECTRICAL
WIRING
DIAGRAMS
HOTINACCY,RUNAND
START
HOT
AT
ALL
TIMES
HOTATALLTIMES
HOT
IN
RUNAND
START
SLIP
CONTROL
MODULE
(ABS)
89149
r
i
L
32
VIO/I
Y
EL
15
BL
/RE=
9
WHTfGRY/=EL
17
YEL
18
SPIN
6
RED/GRN
7
29
R~
ED/
RN
13
GRN/BLU/YEL
16
B~
42
G~,
R
/BLKIVEL
1
RED/GRN/YEL
1212
BLU/BRN
14
BL
S
31
B
}
RNIBLU/VEL
27
RED
/BLU
22
B~
7
RED/B~
LU/VEL
.
REO/BLU/YEL
528
RED/BLU/YEL
1
36
BRNIRED
39
BRN/GRN
37
B~
33
BRN/WHT
32
B~
RNIBLU
35
BLK/EL
34
0RNIGRY/YEL
4
YEL
25
BRN
FUSE
FUSE
USE
FUSE
FUSE
FRONTPOWER
6-----------
F38-----------
P10
------------------
121
----
F2
-J
DISTRIBUTIONBOX
',-A
30A
30A
15A
5A
WHT/VIO
}
3
BL24
-
FRN
2
YEL/BLK
7
23YEL/BRN
19
BB
~
RN
41
BRN
ABS/AST
1996
318i,
318iC
&
3181s
w/Traction
Control
ENGINE
CONTROLS
SYSTEM
isTT
2o
z
14
REO//
RED/~
GRNIBLU~
GRNGRN
BLU
YEL
jI
VI
/
IO
.
WHT/VIO
20,
DATALINK
CONNECTOR
GRNIBLU/YEL
5
38
BRN/WHT/YEL
BRN/WHT/YEL
BR
./RED
SENIOR
BRN/GRN/YEL
BRN
BRN
BRN
/BLK
BRN/GRY/YEL
24
,
II
LEFTFRONT
SOLENOIDVALVE
LEFTFRONT
II
SOLENOID
VALVE
RIGHTFRONT
II
SOLENOID
VALVE
RIGHT
FRONT
(I
SOLENOID
VALVE
LEFTREAP
SOLENOIDVALVE
II
II
LEFTIEAR
SOLENOIDVALVE
RIGHTREAR
SOLENOIDVALVE
RIGHT
REAR
II
SOLENOIDVALVE
PBSHYDRAULIC
UNIT
5
BRN/RED
SRN/RED
NCA
LEFT
FRONT
15ABSSPEED
26
SRN
SON
NCA
SENSOR
VEL
.
~
NCA
RIGHTFRONT
ASS
SPEED
B
NCA
SENSOR