sensor BMW 318i 1998 E36 Workshop Manual
[x] Cancel search | Manufacturer: BMW, Model Year: 1998, Model line: 318i, Model: BMW 318i 1998 E36Pages: 759
Page 617 of 759

ELE-134
ELECTRICAL
WIRING
DIAGRAMS
HOTATALLTIMES
r
,IGNITION
I
ISWITCH
I
OFF/
START
I
ACC
RUN
I
LJ
NCA
e
GRN
GRNI
4
BRN
BR
E~
N
RED(
?-
"
---aIG202
GRIN,
I
U
'
2
GRN/BRN
~
.YJIOPARK
~}
~VENTILATION
BLOW
~
VENTILATION
ERRELAY
l
ION
11
B12
GRN/BBN
Ian
BLUIRED
BRN
FINALSTAGEUNIT
AUTOMATIC
CLIMATE
CONTROLMODULE
7Y
O
2
GRNI
FED/
II
GRNI
6
GRN/BRN(ORFEDIGRN)
M
NCA
1
BRN/=EL
BLOWERMOTOR
I
~
FUSE20
FUSE31
SE=35E1
BOX
IE40
I
3OAA
730A
140A
L`Y
.---
----
-------
---
-
~,-
TTTml
GRN/SRN
m
N
T
I
(OR
RED
/
.RN)
I
"
I
>
1
FLU
2
DRY
3
VEL/RED
6
VEL/BLU
5
BLK/WHT
BLK/GRN
B6BILK
BLK/BRN
HIGH
7
GRY/RED
INTERIOR
(ORBLK/GRY)
58
BLK/WHT/YEL
LIGHTSSYSTFM
CVL
,
4-CYL
9
BLK/GRN
STARTING
GRNIVIO
4
-
6
I
-
10
VIO/GRY
CHARGINGSVSTEM
¢I
BLU/BLK
BRN/VEL
DEFOGGERl
POWERANTENNA
VEL/BRN
SYSTEMS
14
WHT
15
BLU
16
GRY
17
YEL
18
VEL/VIO
N
i
19
BLU/RED
20
GRN/BRN
21
BRN
22
BRN/ORG
23
BRN
24
GRN/VEL
II
25
RED/VEL
26
WHT/VIO
1
RED
2BRN3
YEL
IF
~Y
J
EQUIPPED
PARKVENTILATION
VEL
CIRCUIT
Air
Conditioning
&
Heating
1998
Except
318ti
HOTATALLHOTATALL
HOTINRUNHOTATALLHOTINRUN
HOTATALL
HOTATALL
=M~S
TIMES
-=Tf~R-
TES
6S=ART
TyMES
TIMES
gUXILIARVFUSE
BOX
(DISTRIBUTION
RECIRCULATION
REARRECIRCULATION
REGULATION
FLAP
DEFROSTER
FLAP
FLAPMOTOR
FLA
'MOTOR
MOTOR
MOTOR
101446
AIR
CONDITIONING
COMPRESSOR
Gl00'Il7
-P
R
-~
M
BL}
COMPRESSORCONTROLRELAY
AUXILIARY
B
FANMOTOR
I
LU
'
I
I6-CVL
14-CVL
(6-CVL)
BLK/BLU
I
I
I
I
GR
N/VIO
8
-
G10~
RN
~
M
BL
BLK/GRY
4
4-CVL
!t
I
BLK/
RED/GRN
6
I
GRN/RED
5
BLU
2
~~
m
~~m
AUXILIARYFAN
MOTOR
(4-CYL)
mIU
GRN/VIO
4
RED/GRY
6
I
BLK/RED/VEL
2
6-CYL
BEEN
u
uuu
LEFT
HEAT
SIGH
T
HEAT
OUTSIDE
EVAPORATOREXCHANGEREXCHANGERTEMPSENSORTEMPSENSOR
TEMPSENSOR
TEMPSENSOR
LIVIDit
NCA
~III
}
)
~LEFT
I
lII
VALVE
FIGHT
IjIIVALVE
CA
WATER
VALVE
EL
BR
ASSEMBLY
BLK/BLU
(NOT
USED)
9(
BLKIBLU
2
IJ
NORMALSPGED
RELAY
BLU/
BLK
(6
CYL)
SPEEDRELAY
4-CVL
BLK
"
~
~B=K~
~3fi
{
I
I
BLK/BLU
36
74
I
I
VIO/GRY
69
19,
I
BLKIBRN(OR
BLK/GRY)
11
16`
i
I
REDIWHT
57
i
l
I
-
-
-
--
-
-------
-
--
-
-
1FRONTPOWER
I
T
-
-
~
GRVIVIO
68
4
II
TRANSMIS
FRESH
AIR
FLAP
MOTOR
IION
SYSTEM
BLKJWHT
2
I
I
"
-
-[O
f
VEHSPEED
I
i
m
>
m
m
XI
Z
I
_--
-
¢O
m
INSTRUMENT
G
Q
QQ
.
Q
Q
~w~~
F
~~
--
~~
CLUSTER
~
9
.1w,
II
II
II
II
Page 620 of 759

87847
BLOWER
RELAY
6
GRN/BRN
.1
)2
GRNIBRN
B
CONTROL
SWITCH
GRY/RED
4
BRN
"BRN
+G202
RECIRC
RRDEFOG
INTEGRATEDHEATINGANDCLIMATECONTROL
MODULE
HOTAT
HOTINRUN
HOT
IN
RUN
HOTAT
HOT
AT
HOTATALLTIMES_
ALLTIMES
OR
START
_
__
_
ORSTART
ALLTIMES
ALLTIMES
r
71GNIT'ON
r
_
FU
_
SE
FUSE
FUSE
FUSE
FUSE
-
FRONT
POWER
I
S
WITCH
l
Box
I
I
I
20
23
18
39
41
BOXOFF
START
L
--_-
--5A-__
1
.5
=_--_
3
-_J
I
II
ACC
"
RUN
I
RED/YEL
EVAPORATOR
TEMPERATURE
SENSOR
Air
Conditioning
&
Heating
1997
318ti
BR=
'I
G201
,10
GRY/YEL
1
BRN
2
BRN
CLIMATE
CONTROL
S
WITCH
ILLUMINATION
ELECTRICAL
WIRING
DIAGRAMS
ELE-137
GRY/RED
DEFOGGER
SYSTEM
SOLID
S7A7E
WATER
FRESHAIR
TEMPERATURE
VALVE
COMPRESSORCONTROL
RECIRCULATIONMOTOR
WHEELSWITCH
RELAY
COMPRESSOR
BLU/BLK
BLKIGR
AIRCONDITIONING
BLKIBLU
_BLU
BRN
NORMALSPEEDRELAY
HIGH
SPEEDRELAY
1IABOVE88
DEGC
AUXILIARY
2)ABOVE80
FAN
MOTOR
DEG
C
BLK/GRN
3
+
.=N
1
L
----
'
+100
ABOVE
BLK
-
GRY
24
18BAR
BELOW
21
BAR
TEMPERATURE
SWITC
BELOW
15
BAR
ABOVE
2
.6
BAR
BELOW
ABOVE
1
.5
30BAR
BAR
PRESSURE
S
W
ITCH
BLK/
REDI
II
BB-K/
-
GRN
GRY
1
I
BlK/G
RV
85
I
I
VIO/G
RV
69
I
I
"
-LK/BLU
36,
I
I
L__I
ENGINE
CONTROL
MODULE
TRANSMISSION
CONTROL
MODULE
Page 621 of 759

ELE-138
ELECTRICAL
WIRING
DIAGRAMS
BLOWER
RELAY
O
4
BI=
"-P-
"
-
+
G202
6G
.W
.R
.I
22
GRNIBR~
4
Gr
RNIBRN
B
G
RNIRED
1
7
BL
~
11
DR
.8
22
BLU
2
1
S
G
}
RNIGRV
BLOWERSWITCH
101298
N
BLO
WER
RESISTORS
1
NCA
ii
GRN/GRV
INTEGRATED
HEATING
&CLIMATE
CONTROLMODULE
HOTAT
HOTINRUNHOTINRUNHOTAT
HOTAT
HOTATALLTIMES
ALLTIMES
&START
__
____
_&START
ALLTIMES
ALLTIMES
r
_
_
_
---
,
IGNITION
I
FUSE
FUSE
FUSE
FUS~
FRONT
POWER
r
PUSS
-(AUXILIARY
I
(SWITCH
I
DISTRIBUTION
FUSEBOX
20
23
16
39
(
BOX
I
48
I
OFf
~
START
i
=0=
--
8=
----
SA----~7
.6A-I
L
~0=
-
J
I
ACC
"
RUN
I
m
I
RROElGG
1
BRN
INKS
CONTROL
SWITCH
1
GRV/RED
2
BRN
CLIMATE
CONTROL
SWITCH
ILLUMINATION
I
BRN
,
1
GRN/RED
I
2
B2
RN
3
VIO/GRN
,5
BLU/BLK
DRY
Air
Conditioning
&
Heating
1998
318ti
t7
>I
ml
¢>
EVAPORATOR
TEMPERATURE
SENSOR
FRESHAIR
RECIRCULATIONMOTOR
TEMPERATUREWHEELSWITCH
mI
G10D
WATER
VALVE
.CA]
COMPRESSRCONTROL
RELAY
j
BLK/GRY
BLKIBLU
211
NCA
NORMAL
SPEEDRELAY
HIGH
SPEEDRELAV
1)ABOVE88
AUXILIARY
DEGC
FAN
MOTOR
2)
ABOVE
6o
DEGC
BLKIGRN
3
RN
2
BLK/GRV
1~
DOUBLE
TEMPERATURE
SWITCH
I
BLKIG
RED/I
-
WNT
57
I
I
BLKI
GR~V~~I
I
BLK/
BLKIIGR=11
~I
I
VIO/GRV
fig
I
I
"
BLKIBLU
GB
I
I
I
L_
_I
ENGINECONTROL
No
DULE(DME)
OOm¢m
I
BLKIBLU
IS
%
l
.
6
~S
6
/S
2
.h
~
CONDITIONING
COMPRESSOR--
TRANSMISSION
.
CONTROLMODULE
(EGS)
Page 623 of 759

ELE-140
ELECTRICAL
WIRING
DIAGRAMS
Airbag
(Supplemental
Restraint
System)
88996
_HO_T
_AT
ALL
TIMES
IGNITION
SWITCH
!START
START
OFF
NCA
1Ru1~T
-
ACC
_(
7
WHT1110
AI,
I
WHT1VI0
20,
22
T%D
~
"
~~
DATA
LINK
XD
B
"
WHT
EL
1
CONNECTOR
VIO
12
VIO
VIO
VIO
POWER
"
-
i
DISTRIBUTION
VIOI
ABF-
15
~~
.
X-14-
1~
-----
I
INS
I
CR
T
IF
.1ENT
NDICTO~
I1
14T=
`9
BLU
/BLK
BLU/BLK
X74
8
RED
RED
'E
RED
17
VEL
YEL
2
YE-
1
11
WHT
WHT
3
WHT
I
9
RED
RED
1
RED
110
YEL
YEL
?,
YEL
LIT
It
I
VIO/WHT
14
I
X16
AWL
7
BLU/BLK
BLU/BLK
8
BLU11
IO
/VEL
3
PASSENGER'S
>3
GKBF
~~
f7
T
CH
1
1
BRNBRN
~DETECTOR
OY
58E
j
15
WHT/RED
WHT/RED
I
m0
e
,BF+
10
YEL/BLK
1
NCA
BRN
1
7
-
N
-
CA
~~
DRIVER'S
m
i
11
1OE
R
NERATOR
G203
E
TXD
)
9
WWHT/VIO
"
ABBF+
13
BLU/BLK
1
J
BLU/GRV
ABBF-
I
~-
12
XZ83
Xanz
CONTACT
RINGS
WHTIVIO
GKF
12
BLU/VIO/YEL
3
SUPPLEMENTAL
RESTRAINTSVSTEM
CONTROLMODULE
DRIVER'SSEAT
8900D
BELTSWITCH
NC
20
DATALINK
CONNECTOR
BLU/BL
BLUIG
X782
BLU/VIO/VEL
18RN
BRN
"
-#
G203
HOTATALLTIMES
(IGNITION
START
OFFSWITCH
I
I
I
I
RUN
ACC
__I
POWER
V15
IOJ
DISTRIBUTION
XLB
INSTRUMENT
CLUSTER
C
RIGHT
FRONT
IMPACT
SENSOR
DRIVER'S
AIRBAG
GASGENERATOR
PASSENGER'S
AIRBAG
GASGENERATOR
14
~SEATBELT
WARNING
LAMP
XIZICONTROL
INSTRUMENTCLUSTER
LEFT
FRONT
IMPACT
SENSOR
11992-93
Early
Production
1993
Late
Production
Page 625 of 759

ELE-142
ELECTRICAL
WIRING
DIAGRAMS
89015
GKBF
TXD
ABF
"
ABF-
GKF
ABBF,
ABBF-1)
CS
SUPPLEMENTAL
RESTRAINT
SYSTEM
CONTROL
MODULE
B
BRN
31EI~
+
G303
9
WHT/VIO
BRN
LU
Airbag
(Supplemental
Restraint
System)
1997
PASSENGER'S
SEATBELT
SWITCH
WHT/VIO
/BLK
BRNI
~~
I
NCA
15
WHT/RED
S
BE
LIB
VEL
.9
YEL
18
VEL
NCA
20
WHT/BLUORBLK/BLU
21
WHT/YELORBLK/YEL
\/
)
IA
IRIBAGGAS
2
~2
GENERATOR
/
VEL/BRN
BLU
NCA
CA
CONTACT
RINGS
12
BLUIGRN/VEL
3~1
..
.
.
.1
1
BLU/VIO/VEL
DRIVER'S
SEATBELTSWITCH
BRN
22~
DATA
LINK
CONNECTOR
BLU/BRN
BLU/BR
HOT
IN
RUN
VI
O'23
ORSTPRT
1a
2a
vIo
23
_X1S_
_
INSTRUMENT
,
6IF
CLUSTER
INDICATOR
I
VIOIGRN
1
BRNIORG
B
RN
I
ORG
al
"
G2O3
1
BR=
"BRN
/ORG
+
G203
BLU
.
.
BLU
--
NC
.FN
2
J
BRN
I2/
B~R
2
~
NC
BLU/BLK
BLU/BLK
N
4
!SEATBELT
I
WARN,
.
LAMP
X~
(CONTROL
I
I---_
_
INSTRU
T
MEN
CLUSTER
PASSENGER'S
AIRBAGGAS
GENERATOR
_HO_TA_TALLTIMES
I
FI
IGNITION
(START
OFF
(SWITCH
I
I
I
RUNACC
I
L-
---_
-1
2V
IOT
DISTRIUTION
I
FUSE
FUSE
ISTBIOBO%
I
F27
F12
I
SP
7.5A
I
"/
BLU/BLK
I
w
AWL
!
,5
VIO/GRN
VIOIGRN
VIO/GRN
1
G203
I
3
1
G203
RIGHT
SIDE
AIR
BAG
GASGENERATOR
LEFTSIDE
AIRBAGGASGENERATOR
.RN/
.L.
.RN/BL
VIO/GRN
I
VIOIGRN
DETECTOR
SENSOR
SENSOR
SEAT
D
R
"
S
(EX
.318T1)
3(3
I
-
_
I
BODYELECTRONICS
CONTROLMODULE
Page 626 of 759

SUPPLEMENTAL
RESTRAINT
SYSTEM
CONTROLMODULE
108623
8
LU'8=K
5
V~
10/GRN
8
BLU/RED/WHT
BLU/RED/WHT
3
F
4
VIO/GRN
"
VIO/GRN
(318ti)
G201
~r
BRN/ORG
.
BRN/=
E
RG
3G20~3(318,323,328,
M3)
PASSENGER'S
SEAT
BELT
SWITCH
D
WHT/VIO
Airbag
(Supplemental
Restraint
System)
1998
CONTACTPINGS
2
BLU/GRN/V
EL
BLU/GRNIVEL
3
YEL
2
B~UI=101
(31811)
G201
IN
BR
N
I
ORG"
BRN/OR
~
q
V
G20~
s
3
(318,
323,328,M3)
DRIVER'S
SEAT
BELTSWITCH
BLU/BLK
BLU/8
WH71VI
DATALINK
CONNECTOR
'
BLU/BRN
BLU/BRN
5
WHT/RED
1
BLU
_,
BLU
__
BLU
.RN
/
BRN
'
;/
B'
VEL
._
VEL
.
.
YEL
.
.
NC
//
B
RN
/
BRN
//
BRA)
20
WHTIBLU
,
21
WHT/YEL
34
BRN/BL={I
CONTROL
BODY
MODULE
OO
DYELECTRONICS
E
I
1
EI-/-N
YEL/BRN
2
YELIRED
YELIFED
3
BLU/REDBLU/RED
q/
BLU/BFN
BLU/BRN
DRI
VER'S
SIDE
PYROTECHNICALBELTTENSIONER
PASSENGER'S
SIDE
PYROTECHNICALBELTTENSIONER
ELECTRICAL
WIRING
DIAGRAMS
ELE-143
HOT
IN
RUN
HOT
IN
ACC,
RUNORSTART
ORSTART
r
1FRONTPOWER
FUSE
USE
DISTRIBUTION
BOX
-I52
12
---
~
_
_
-
J
14TXID017
24YX19018
vio
23
l
.
Xlb
INSTRUMENTI
CLUSTER
~
I
AIRBAG
SEATBELT
I
INDICATOR
INDICATOR
I
'x35
.
14y
X1~
BLUII
BLU/VIO/
BLK
YEL
DRIVER'S
AIRBAG
GAS
GENERATOR
PASSENGER'S
AIRBAGGAS
GENERATOR
LEFTSIDE
AIR
BAGGAS
GENERATOR
RIGHT
SIDE
AIR
BAGGAS
GENERATOR
vio/
GRN
Viol
I
viol
I
viol
GRN
GRN
GRN
2
SEAT
I
DRIVER'S
PASSENGER'S
OCCUPANCY
SIDE
SIDE
DETECTOR
IMPACT
IMPACT
3Y
1`('
SENSOR
1Y
3Y
SENSOR
WHTI
RED
I
ORG
I
BLU
I
ORG
I
ORG
I
W
YEL
BRNI
ORG
ILG201G203
(318ti)
(318,323,328,
M3)
Page 649 of 759

ELE-166
ELECTRICAL
WIRING
DIAGRAMS
"
-
N15
WH7/VA
I
COLIESSSVSTEM
20
WHT/VIO
DATALINK
WHT/GRN
CONNECTOR
WHT/YEL
1
WHT/VIO
REDIVEL
FF"
2
REDIVELREDIVEL
17
BRNIYEL
170
I
TAC-I~
RADIO
DRIVER'SSEAT
BELT
SWITCH
BLUI
I
_
I1
BRN
VIO/YEL
2
I
-
18
19
BRN/GFY/YEL
20
BLU/VIOIWHT
21
BRN/RED
YEL
8299
2
YEL
LEFTFRONT
BRAKEPAD
SENSOR
RIGHT
EAR
BRAKEPAD
SENSOR
HOTINRUNANDSTART
HOTINACCY,PUNANDSTART
HOTINACCY,RUNANDSTART
r
F23
E___
USE
__________-IFFUSE
USE
IDSOTRIBUTIONBOX
BLK/WHT
BRN
"BAN
,I
G312
BRNIVIO
ENGINECOOLANT
TEMPERATURESENSOR
InstrumentPanel
1992-97
Except
318ti
(2
of
2)
5A_____-TISA
____________
.T7
.5AJ
B
32
30Y
GRN/
viol
I
viol
BLU
I
YEL
WHT
WHT/VEL
WHT/VIO
BRNIRED
EXCEPT
1992
&
1993
OIL7EMPESENSOR
7
YEL
(CANADA61997)
.
BRNIGRVIYEL
e
GRNIBLU
9
BLKIWHT
DRIVERS
DOOR
0
JAMB
1994
SWITCH
1
BIN/ILK
(19926
1
993
BLK/RED
2
DOOR,
6
VIOI
WICCM
CONVERT
BR
WHTIGRN
YE'
I
3
N/GRY
~
(EX
1992
6
7993
200
V"'
0R
6
VIO/YEL
I
BRAKELIGHT
.
1990
CONVERTIBLE)
BRNIYEL
SWITCH
BRN/VIO
I
I
8RN/GRV
BLUIBRN/VEL
-
----+-j
W/CCM
.LU/
COMPUTER
REDI
BRN1
~
TEMPSENSOR
MMONE
-
.
INNER
BRNIYEL
I----
I
I--
-
-----
--
W/_I
I
I
CC
M
CHECK
CONTROLMODULE
ON-BOARD
DISPLAYICOMPUTER
BRN
G203
BRNIYEL
FUELTANKI
SENSOR"
FUELLEVEL
SENSORI
8RN/BLK
BRN/BLK
VEHICLE
SPEEDSENSOR
BF
RED
an
RED
YEL
GRN/BLU
9
I
WIT/
WHT/RED
11-I
I
BRNI
.P
Y12
I
I
BLK/WHT
13
I
VIO/WHT
10
I
BLU/VIO/WHT
75
I
GRV/RED
18`
I
I
BRN
17
~I
PEDIYEL
18
I
I
MULTI
FUNCTION
CLOCK
WHTwHTRG1
-
I
WHT/BLU
3
I
II
I
BLKIRED
2
{
I
I
REOIVE
L4
I
I
CHIMEMODULE
Page 651 of 759

ELE-168
ELECTRICAL
WIRING
DIAGRAMS
5
6
7
0
10
10462
9
GRN/BLU
BRN/YEL
BRN/BLK
BRN/RED
DRIVERS
DOOR
JAMB
SWITCHBAN
t
YEL
SAW
ELI
YEL
Instrument
Panel
1998
Except
318ti
(2
of
2)
OIL
TEMPERATUR
PARK
LEFTFRONTRIGHTREAR
SENSOR
BRAKE
BRAKEPAD
BRAKEPAD
CHECK
CONTROL
SWITCH
SENSOR
SENSOR
MODULE
I
SREDI
BFI
GRNI
NCAI
YELIYELI
YELI
BR
.:
1
I
3I3I
3GROUND
I
BANI
III
III
I
BLK/WHT
CONVERTIBLETOP
BRN/RED
CONTROLMODULE
I
T
BLK/WHT
1
I
I
BRN/GRN
II
I
HIPI
AMPLIFIER
L
I
;
BLK/WHT
5
i_--I
REDIYEL
q
WIPERIWASHERMODULE
II
-_
BLK/WHT
10I
I
I--I
CRUISE
CONTROLMODULE
I
BLKIWHT
SLK/WHT
10
I
I
PINS
USED
W/
BRN/GRN
11
BLU/RED
22
BLK/RED
WHT/SLU
33
WHT/GRN
44
WHT/GRY
55
BLU/BRN/YEL
667
STARTING/
BLK/GRN
BB
CHARGINGSYSTEM
GRN/BLU
9
WHT/BLU
10
WHTIRED
11
BRN/GRY
12
BLK/WHT
13
V
11
/WHT
1414
BLU/VIOIWHT
1515
EXTERIOR
LIGHTS
GRY/RED
1616
H
BRN/GRY/YEL
SYSTEM
RAN
1717
BLU/VIO/WHT
RED/YEL
1515
BLUIBRN/YEL
MULTI-FUNCTION
CLOCK
ON-BOARD
DISPLAY
EXTERIOR
LIGHTS
SYSTEM
BRN/
DAY
/
YEL
GVEL
BRN/GRY
BRN/
POWER
GRY/I
WINDOWS
YEL
SYSTEM
mI
3I
3
:1
R.
t
HOT
AT
HOT
IN
ACC,
ALLTIMES
RUNAND
START
FUSE
y
FUSE
FRONTPOWER
F45
I
DISTRIBUTION
11,
5=____~-5_J
30Y
REDII
V101
I
YELI
WHTI
vIOf
WHT
ON-BOARD
COMPUTERMODULE
TEMPERATURE
BRN
"
1
I
VEHICLE
FUELLEVEL
FUELTANK
I
"
I
1
BAN/
SPEEDSENSOR
SENSOR
SENSORII
BAN
I
SANI
BAN
I
GAS
I
1
1
1
1
G312
G202
G203
G203
I
AUTOMATIC
CLIMATE
CONTROL
MODULE
BLKLKIW
J
T
13
1
I
RADIO
BRN/ORG
Page 653 of 759

ELE-170
ELECTRICAL
WIRING
DIAGRAMS
15~HT/YEL
20
Y
WHT/VIO
DATA
LINK
CONNECTOR
i6
S
YEL
7
GRN/BLU
S
BLK/WHT
S
BRNIBLK
10
ELK/RED
11
WHT/GRN
12
VIO/YEL
13
BRN/YEL
1C
BRN/VIO
1S
BRN/YEL
I
1110
BLK/WHT
YEL
63365
RED/YELRED/YEL
RED/YEL
WHT/YELWHT/VIO
I
TAC=I
CRUISECONTROL
MODULE
1997
ONLY
BRN/GRY/YEL
4
H
BRNIRED
INTERIORLIGHTS
SYSTEM
YEL
LEFTFRONT
BRAKEPAD
SENSOR
RIGHT
REAR
BRAKEPAD
SENSOR
BRN
"
BRN
,~
G312
BRN/VIO
ENGINE
OOLANT
TEMPERATURE
SENSOR
BRNIYEL
HOT
IN
RUNAND
START
HOTINACCY,RUNANDSTARTr
-
---
FRONTPOWER
FUSE
FUSE
DISTRIBUTIONBOX
)
F23
/F<6
6
32GRN(
VIO/~
Btu
YEL
DOMPUTER
DATA
I
YEL
LINES
SYSTEM
WHT/YEL
"
FUELTANK
SENSORII
InstrumentPanel
1995-97
318ti
(2
of
2)
BR
4
EXCEPT
1997
GRY/REDGRY/RED
ENGINECONTROLS
~IHTW
/BLK
SYSTEM
WHT/YEL
''
coMPUTERDATA
T/VIO
LINESSYSTEM~
WH-
BRN/
RED
COMBINATION
r
-
-
(SWITCH
BLK/WHT
WIPER/WASHERSYSTEM
BLK
K/=HT
ENGINE
CONTROLSSYSTEM
BOARDCOMPUTER
G203
BRNIYEL(ORGRYIYEL)
BRN/GRY/YEL
C
DRIVERS
S
W
ITCH
FUELLEVEL
SENSOR
BRN/RED
G312
.Ip
BRN
"
BRN
RED/YEL
3
,a
BLK/R
IV
BRN
.
BN
1
{
G202
CHIME
MODULE
(1997)
REDIYEL
5B,
VIO/YE
-
L
i4
BRNIOR
6
3~
GRY/RED
11
2,
BANIGFY
ON-BOARD
COMPUTER
TEMPSENSOR
BRNIORG
11
~u
DIGITAL
CLOCK
Page 655 of 759

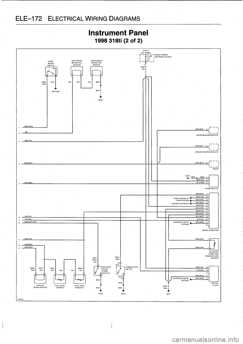
ELE-172
ELECTRICAL
WIRING
DIAGRAMS
B78
10458
1
BRNIGRN
_
I
-
BRN/W
XT
5
I
YEL
I
--
REDIYEL
4
BLK/WHT
:
BRN/WHT
10
I
I
RADIO
0
"1
h
L
RED/VEL
3
BLK/RED
BLK/RED
2
VIO/VELVIOIYEL
BRN/GRY/YEL
BRNIYEL
BRN/BLK
SRN/RED
PARK
LEFTFRONTRIGHTREAR
BRAKE
BRAKEPADBRAKEPAD
SWITCH
SENSORSENSOR
GRN/~
NCAt
VELf
VEL
YEL
BRNj
InstrumentPanel
1998
318ti
(2
of
2)
A
A
A
J,
A
,,
11f
'
11
SWITCH
I!
BRN
I
BRN
/
VEHICLE
FUELLEVEL
FUELTANK
SP
EEDSENSOR
SENSOR
SENSORII
BRN
BFN
HOTAT
ALLTIMES
I
FUSE,DISTRIBUTI,ONBOK
L_3c5"_J
RED/I
YELI
I
W
IPERIW
ASHER
MODU
LE
BRNIWHT
10~I
I
I
CRUISE
CONTROL
MODULE
CHIME
MODULE
BRN/RED
1
1
~
WHT/VIO
2JCOMPUTERDATA
~l
LINESSYSTEM
WH/YE
WHT/BLK
4
ENGINECONTROLS
~,
RED/YEL
5
BRNIORG
8
BRN/YEL
7
BRN/GRY
8
BLK/WHT
9
VIO/YEL
10
INTERIORLIGHTS
GFYIRED
11
SYSTEM
12
GRV/
RED
YEL
10
NCA
DRIVERS
COMBINATION
BRN/I
BRN/I
BRN/'
I
1
BRNII
I
A
(DOOR
I
I
SWITCHRED
/
BLK
BLK
/
YEL
I
YEL
I
YELI
I
/
I
JAMB
I
I
.A
1
G
40E
G202
BRN/
I
ORD
I
1
G201
BRN/GRV
BRN/ORG
REOIVEL
fi
VIO/YEL
5
BRN/ORG
3`
INTERIORLIGHTS
GRV/RED
2
SYSTEM
BOARDCOMPUTER
ON-BOARD
COMPUTER
TEMPERATURE
SENSOR
DIGITAL
CLOCK