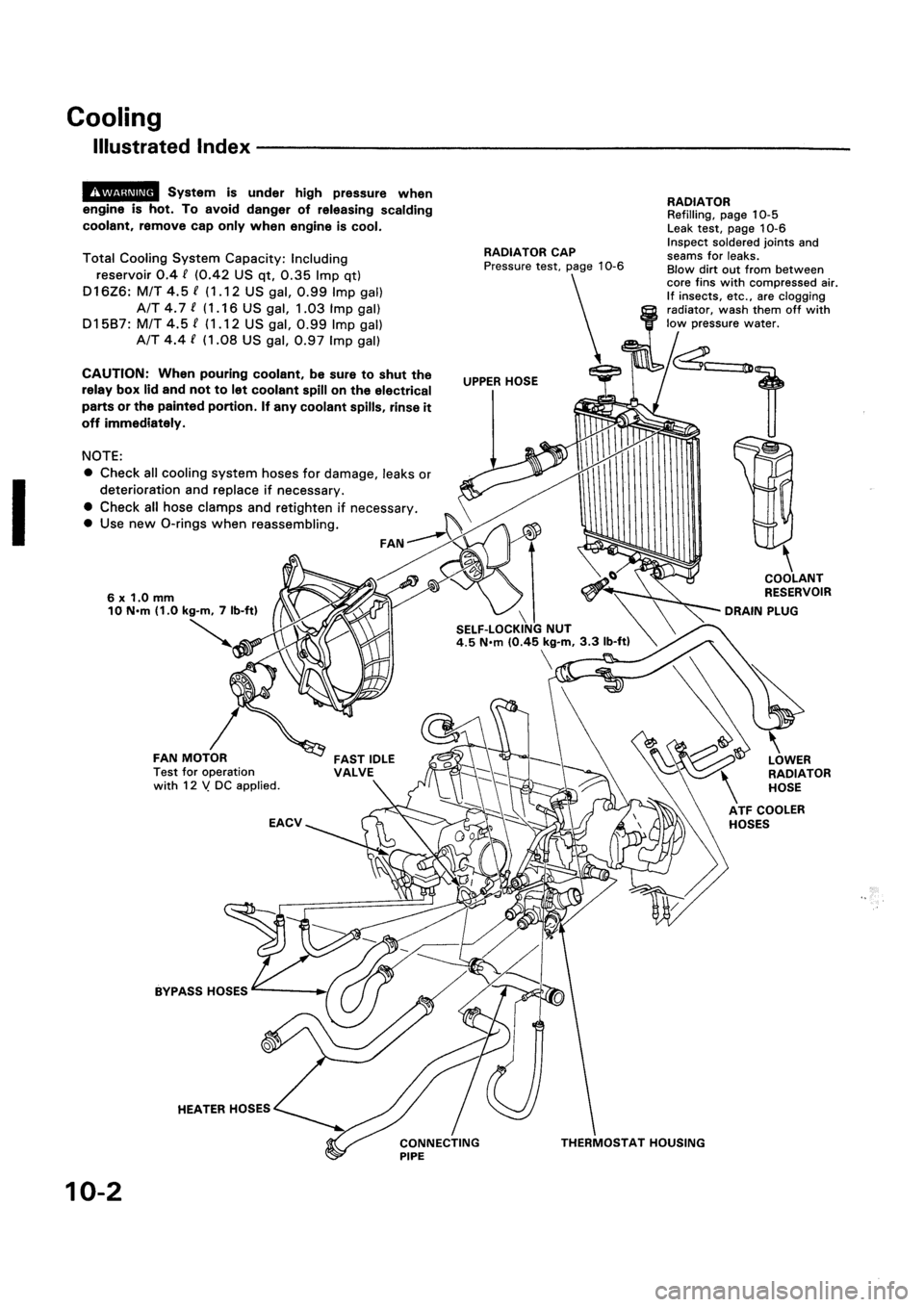
HONDA CIVIC 1992 5.G Workshop Manual
Page 181 of 1258

Page 182 of 1258

Page 183 of 1258

Page 184 of 1258

Page 185 of 1258

Page 186 of 1258

Page 187 of 1258

Page 188 of 1258

Page 189 of 1258

Page 190 of 1258

Page:
< prev 1-10 ... 141-150 151-160 161-170 171-180 181-190 191-200 201-210 211-220 221-230 ... 1260 next >