key INFINITI FX35 2004 Owners Manual
[x] Cancel search | Manufacturer: INFINITI, Model Year: 2004, Model line: FX35, Model: INFINITI FX35 2004Pages: 4449, PDF Size: 99.66 MB
Page 911 of 4449

BL-104
INTELLIGENT KEY SYSTEM
Revision: 2004 November 2004 FX35/FX45
TIWH0045E
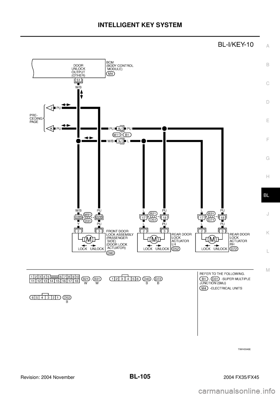
Page 912 of 4449

INTELLIGENT KEY SYSTEM
BL-105
C
D
E
F
G
H
J
K
L
MA
B
BL
Revision: 2004 November 2004 FX35/FX45
TIWH0046E
Page 913 of 4449

BL-106
INTELLIGENT KEY SYSTEM
Revision: 2004 November 2004 FX35/FX45
TIWM0432E
Page 914 of 4449

INTELLIGENT KEY SYSTEM
BL-107
C
D
E
F
G
H
J
K
L
MA
B
BL
Revision: 2004 November 2004 FX35/FX45
TIWM0433E
Page 915 of 4449

BL-108
INTELLIGENT KEY SYSTEM
Revision: 2004 November 2004 FX35/FX45
TIWM0434E
Page 916 of 4449

INTELLIGENT KEY SYSTEM
BL-109
C
D
E
F
G
H
J
K
L
MA
B
BL
Revision: 2004 November 2004 FX35/FX45
Terminals and Reference Value for INTELLIGENT KEY UNITAIS004N0
Te r -
minal
No.Wire
colorItemMeasuring condition
Standard (V)
Approx. Ignition knob
positionOperation or conditions
1R/WSteering lock unit power
supplyLOCK — 5
2 L CAN-H — — —
3 R CAN-L — — —
4LGIntelligent Key warning
buzzerLOCKOperate remote con-
troller button or door
request switch.Buzzer OFF Battery voltage
Sound buzzer 0
5W/LDoor request switch
(driver side)—Door request switch operation: Press
(ON).0
Other than the above (OFF) 5
6 G/R Ignition power supply ON or START — Battery voltage
7 B/W key switch LOCKInsert mechanical key into ignition key
cylinder.Battery voltage
Remove mechanical key from ignition
key cylinder.0
10 LG/R ACC power supply ACC or ON — Battery voltage
11 L/R Battery power supply — — Battery voltage
12 B GND — — 0
13 YInside key antenna (+)
(Luggage room)
LOCKAny door open → all doors shut
(Door switch: ON → OFF)
14 BRInside key antenna (-)
(Luggage room)
15 W/RInside key antenna (+)
signal
(Dashboard)
LOCKAny door open → Close (Door switch:
ON → OFF)
Ignition knob switch: ON (press ignition
knob.)
16 B/RInside key antenna (-)
signal
(Dashboard)
17 OR/L Back door antenna (+)
LOCKBack door request switch operation
(Switch: ON)
18 PU/R Back door antenna (-)
19 SB Outside antenna LH (+)
LOCKDriver door request signal operation
(Switch: ON)
20 R/G Outside antenna LH (-)
25 W/RDoor request switch
(passenger side)—Door request switch operation: Press
(ON)0
Other than the above (OFF) 5
SIIA1910J
SIIA1910J
SIIA1910J
SIIA1910J
Page 917 of 4449

BL-110
INTELLIGENT KEY SYSTEM
Revision: 2004 November 2004 FX35/FX45
26 P/L Stop lamp switch —Brake pedal depressed (ON) 5
Brake pedal not depressed (OFF) 0
27 L/W Ignition knob switch —Press ignition knob. 12
Return ignition knob to LOCK position. 0
28 W/B Door unlock sensor — Door is locking → unlock 5 → 0
29 GYDoor request switch
(back door)—Back door request switch operation:
Press (ON)0
Other than the above (OFF) 5
31 Y/B Steering lock unit ground — — 0
32 R/BSteering lock unit com-
municationLOCKPress ignition knob with Intelligent Key
inside vehicle.
Other than the above 5
35 LGInside key antenna (+)
signal
(Dashboard)
LOCKAny door open → Close (Door switch:
ON → OFF)
Ignition knob switch: ON (press ignition
knob.)
36 PUInside key antenna (-)
signal
(Dashboard)
37 G Outside antenna RH (+)
LOCKPassenger door request switch opera-
tion (Switch: ON)
38PU/
WOutside antenna RH (-)
39 R/Y Detention switch LOCKA/T selector lever in “P” position. 0
A/T selector lever in other position. Battery voltage
40BR/
WDoor lock relay LOCKDoor request switch (passenger side)
pressedBattery voltage → 0 → Battery
voltage Te r -
minal
No.Wire
colorItemMeasuring condition
Standard (V)
Approx. Ignition knob
positionOperation or conditions
SIIA1911J
SIIA1910J
SIIA1910J
Page 918 of 4449

INTELLIGENT KEY SYSTEM
BL-111
C
D
E
F
G
H
J
K
L
MA
B
BL
Revision: 2004 November 2004 FX35/FX45
Terminals and Reference Value for Steering Lock unitAIS004N1
Terminals and Reference Value for BCMAIS004N2
Terminal
numberWire
colorSignal DesignationMeasuring condition
Standard (V)
Ignition knob
positionOperation or conditions
1 L/R Battery power supply LOCK — Approx. 12
2R/WSteering lock unit
power supplyLOCK — Approx. 5
3R/BSteering lock unit com-
munication signalLOCKPress ignition knob with Intelligent
Key inside vehicle.
Other than the above Approx. 5
4Y/BSteering lock unit
ground—— Approx. 0
SIIA1911J
TERMI-
NALWIRE
COLORITEM CONDITIONVOLTAGE (V)
Approx.
1PUKey ring illumination output sig-
nal Key ring illumination is lighting. Battery voltage
Key ring illumination is being turned off. 0
12 P/BFront door switch (Passenger
side)Door open (ON) → Close (OFF) 0 → Battery voltage
13 P/L Rear door switch RH Door open (ON) → Close (OFF) 0 → Battery voltage
37 B/W Key switchInsert mechanical key from ignition key
sylinder.Battery voltage
Remove mechanical key from ignition
key cylinder.0
38 W/L Ignition switchIgnition switch is in ON or START posi-
tionBattery voltage
39 L CAN-H — —
40 R CAN-L — —
41 R/B Battery saver output signal30 minutes after ignition switch is turned
to OFF0
Ignition switch is in ON position Battery voltage
42 L/R Battery power supply (fuse) — Battery voltage
44 YDriver door lock actuator
(Unlock)Door lock / unlock switch
(Free → Unlock)0 → Battery voltage
45 G/W Left turn signal lampWhen door lock or unlock is operated
using Intelligent Key.*
1
(ON → OFF)Battery voltage → 0
46 BR/W Right turn signal lampWhen door lock or unlock is operated
using Intelligent Key.*
1
(ON → OFF)Battery voltage → 0
47 Y/R Step lamp output signalStep lamp is lighting. 0
Step lamp is being turned off. Battery voltage
48 PU/W Room lamp output signalRoom lamp is lighting.*
20
Room lamp is being turned off.*
2Battery voltage
49 B Ground — 0
Page 919 of 4449

BL-112
INTELLIGENT KEY SYSTEM
Revision: 2004 November 2004 FX35/FX45
*1: In the state that hazard reminder operates.
*2: In the state that room lamp switch is in “DOOR” position.
Terminals and Reference Value for IPDM E/RAIS004N3
50 PU Door lock actuator (Lock)Door lock / unlock switch
(Free → Lock)0 → Battery voltage
51 W/BPassenger and rear doors lock
actuator (Unlock)Door lock / unlock switch
(Free → Unlock)0 → Battery voltage
52 B Ground — 0
54 WBattery power supply
(power window)—Battery voltage
55 GBattery power supply (Fusible
link)—Battery voltage
58 L Back door switch Back door open (ON) → Close (OFF) 0 → 9
62 W Front door switch (Driver side) Door open (ON) → Close (OFF) 0 → Battery voltage
63 P Rear door switch LH Door open (ON) → Close (OFF) 0 → Battery voltage TERMI-
NALWIRE
COLORITEM CONDITIONVOLTAGE (V)
Approx.
TERMINAL WIRE
COLORITEM CONDITIONVOLTAGE (V)
Approx.
38 B Ground — 0
48 L CAN – H — —
49 R CAN – L — —
51 SB Horn relayWhen panic alarm is operated using
Intelligent Key (OFF → ON)Battery voltage → 0
60 B Ground — 0
Page 920 of 4449

INTELLIGENT KEY SYSTEM
BL-113
C
D
E
F
G
H
J
K
L
MA
B
BL
Revision: 2004 November 2004 FX35/FX45
Diagnosis ProcedureAIS004N4
WORK FLOW
PIIA6736E