Abs INFINITI FX35 2004 Service Manual

INFINITI FX35 2004 Service Manual FX35 2004 INFINITI INFINITI https://www.carmanualsonline.info/img/42/57021/w960_57021-0.png INFINITI FX35 2004 Service Manual

Page 1439 of 4449

INFINITI FX35 2004  Service Manual EC-98
[VQ35DE]
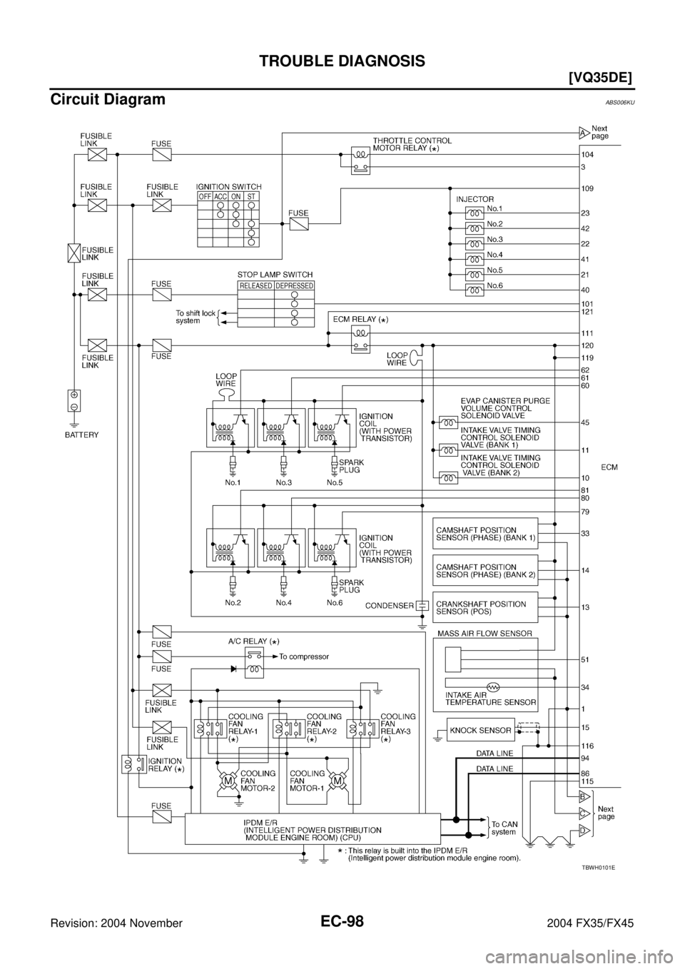
TROUBLE DIAGNOSIS
Revision: 2004 November 2004 FX35/FX45
Circuit DiagramABS006KU
TBWH0101E

Page 1441 of 4449

INFINITI FX35 2004  Service Manual EC-100
[VQ35DE]
TROUBLE DIAGNOSIS
Revision: 2004 November 2004 FX35/FX45
ECM Harness Connector Terminal LayoutABS006KV
ECM Terminals and Reference ValueABS006KW
PREPARATION
1. ECM is located behind th

Page 1450 of 4449

INFINITI FX35 2004  Service Manual TROUBLE DIAGNOSIS
EC-109
[VQ35DE]
C
D
E
F
G
H
I
J
K
L
MA
EC
Revision: 2004 November 2004 FX35/FX45
: Average voltage for pulse signal (Actual pulse signal can be confirmed by oscilloscope.)
CONSULT-II

Page 1463 of 4449

INFINITI FX35 2004  Service Manual EC-122
[VQ35DE]
TROUBLE DIAGNOSIS
Revision: 2004 November 2004 FX35/FX45
Operation
1. “AUTO TRIG”
While trying to detect the DTC/1st trip DTC by performing the DTC Confirmation Procedure, be sure

Page 1466 of 4449

INFINITI FX35 2004  Service Manual TROUBLE DIAGNOSIS
EC-125
[VQ35DE]
C
D
E
F
G
H
I
J
K
L
MA
EC
Revision: 2004 November 2004 FX35/FX45
CONSULT-II Reference Value in Data MonitorABS006KZ
Remarks:
 Specification data are reference values

Page 1470 of 4449

INFINITI FX35 2004  Service Manual TROUBLE DIAGNOSIS
EC-129
[VQ35DE]
C
D
E
F
G
H
I
J
K
L
MA
EC
Revision: 2004 November 2004 FX35/FX45
Major Sensor Reference Graph in Data Monitor ModeABS006L0
The following are the major sensor referenc

Page 1472 of 4449

INFINITI FX35 2004  Service Manual TROUBLE DIAGNOSIS - SPECIFICATION VALUE
EC-131
[VQ35DE]
C
D
E
F
G
H
I
J
K
L
MA
EC
Revision: 2004 November 2004 FX35/FX45
TROUBLE DIAGNOSIS - SPECIFICATION VALUEPFP:00031
DescriptionABS006L1
The specif

Page 1473 of 4449

INFINITI FX35 2004  Service Manual EC-132
[VQ35DE]
TROUBLE DIAGNOSIS - SPECIFICATION VALUE
Revision: 2004 November 2004 FX35/FX45
Diagnostic ProcedureABS006L4
SEF613ZD

Page 1476 of 4449

INFINITI FX35 2004  Service Manual TROUBLE DIAGNOSIS FOR INTERMITTENT INCIDENT
EC-135
[VQ35DE]
C
D
E
F
G
H
I
J
K
L
MA
EC
Revision: 2004 November 2004 FX35/FX45
TROUBLE DIAGNOSIS FOR INTERMITTENT INCIDENTPFP:00006
DescriptionABS006L5
In

Page 1477 of 4449

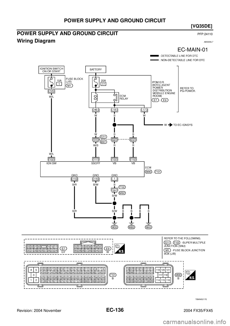
INFINITI FX35 2004  Service Manual EC-136
[VQ35DE]
POWER SUPPLY AND GROUND CIRCUIT
Revision: 2004 November 2004 FX35/FX45
POWER SUPPLY AND GROUND CIRCUITPFP:24110
Wiring DiagramABS006L7
TBWM0217E