diagram INFINITI FX35 2004 Service Manual

INFINITI FX35 2004 Service Manual FX35 2004 INFINITI INFINITI https://www.carmanualsonline.info/img/42/57021/w960_57021-0.png INFINITI FX35 2004 Service Manual

Page 2648 of 4449

INFINITI FX35 2004  Service Manual ASCD BRAKE SWITCH
EC-1307
[VK45DE]
C
D
E
F
G
H
I
J
K
L
MA
EC
Revision: 2004 November 2004 FX35/FX45
7. CHECK ASCD BRAKE SWITCH
Refer to EC-1206, "
Component Inspection"  
OK or NG
OK >> GO TO 13.
NG >

Page 2651 of 4449

INFINITI FX35 2004  Service Manual EC-1310
[VK45DE]
ASCD INDICATOR
Revision: 2004 November 2004 FX35/FX45
Wiring DiagramABS00CFJ
TBWM0267E

Page 2654 of 4449

INFINITI FX35 2004  Service Manual SNOW MODE SWITCH
EC-1313
[VK45DE]
C
D
E
F
G
H
I
J
K
L
MA
EC
Revision: 2004 November 2004 FX35/FX45
Wiring DiagramABS00CFN
TBWH0217E

Page 2656 of 4449

INFINITI FX35 2004  Service Manual SNOW MODE SWITCH
EC-1315
[VK45DE]
C
D
E
F
G
H
I
J
K
L
MA
EC
Revision: 2004 November 2004 FX35/FX45
4. CHECK POWER SUPPLY CIRCUIT-I
1. Turn ignition switch OFF.
2. Disconnect “unified meter and A/C a

Page 2657 of 4449

INFINITI FX35 2004  Service Manual EC-1316
[VK45DE]
SNOW MODE SWITCH
Revision: 2004 November 2004 FX35/FX45
8. CHECK SNOW MODE INDICATOR LAMP INPUT SIGNAL CIRCUIT FOR OPEN AND SHORT
1. Turn ignition switch OFF.
2. Disconnect snow mode

Page 2659 of 4449

INFINITI FX35 2004  Service Manual EC-1318
[VK45DE]
MIL AND DATA LINK CONNECTOR
Revision: 2004 November 2004 FX35/FX45
MIL AND DATA LINK CONNECTORPFP:24814
Wiring DiagramABS00CFQ
TBWM0268E

Page 3104 of 4449

INFINITI FX35 2004  Service Manual GI-1
GENERAL INFORMATION
A  GENERAL INFORMATION
CONTENTS
C
D
E
F
G
H
I
J
K
L
MB
GI
SECTION GI
Revision: 2004 November 2004 FX35/FX45
GENERAL INFORMATION
PRECAUTIONS ...................................

Page 3114 of 4449

INFINITI FX35 2004  Service Manual HOW TO USE THIS MANUAL
GI-11
C
D
E
F
G
H
I
J
K
L
MB
GI
Revision: 2004 November 2004 FX35/FX45
How to Follow Trouble DiagnosesAAS000E1
DESCRIPTION
NOTICE:
Trouble diagnoses indicate work procedures req

Page 3118 of 4449

INFINITI FX35 2004  Service Manual HOW TO USE THIS MANUAL
GI-15
C
D
E
F
G
H
I
J
K
L
MB
GI
Revision: 2004 November 2004 FX35/FX45
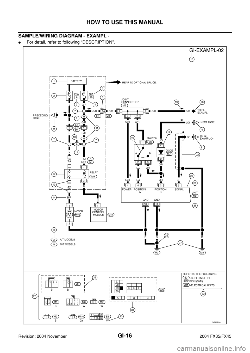
How to Read Wiring DiagramsAAS000E2
CONNECTOR SYMBOLS 
Most of connector symbols in wiring diagrams are sh

Page 3119 of 4449

INFINITI FX35 2004  Service Manual GI-16
HOW TO USE THIS MANUAL
Revision: 2004 November 2004 FX35/FX45
SAMPLE/WIRING DIAGRAM - EXAMPL - 
For detail, refer to following “DESCRIPTION”.
SGI091A