diagram INFINITI FX35 2004 Service Manual
[x] Cancel search | Manufacturer: INFINITI, Model Year: 2004, Model line: FX35, Model: INFINITI FX35 2004Pages: 4449, PDF Size: 99.66 MB
Page 3183 of 4449

GW-24
POWER WINDOW SYSTEM
Revision: 2004 November 2004 FX35/FX45
Wiring Diagram —WINDOW— (With Front Power Window Anti-pinch System)AIS004Q1
TIWH0051E
Page 3191 of 4449

GW-32
POWER WINDOW SYSTEM
Revision: 2004 November 2004 FX35/FX45
Wiring Diagram —WINDOW— (With Front and Rear Power Window Anti-pinch
System)
AIS004Q6
TIWH0056E
Page 3243 of 4449

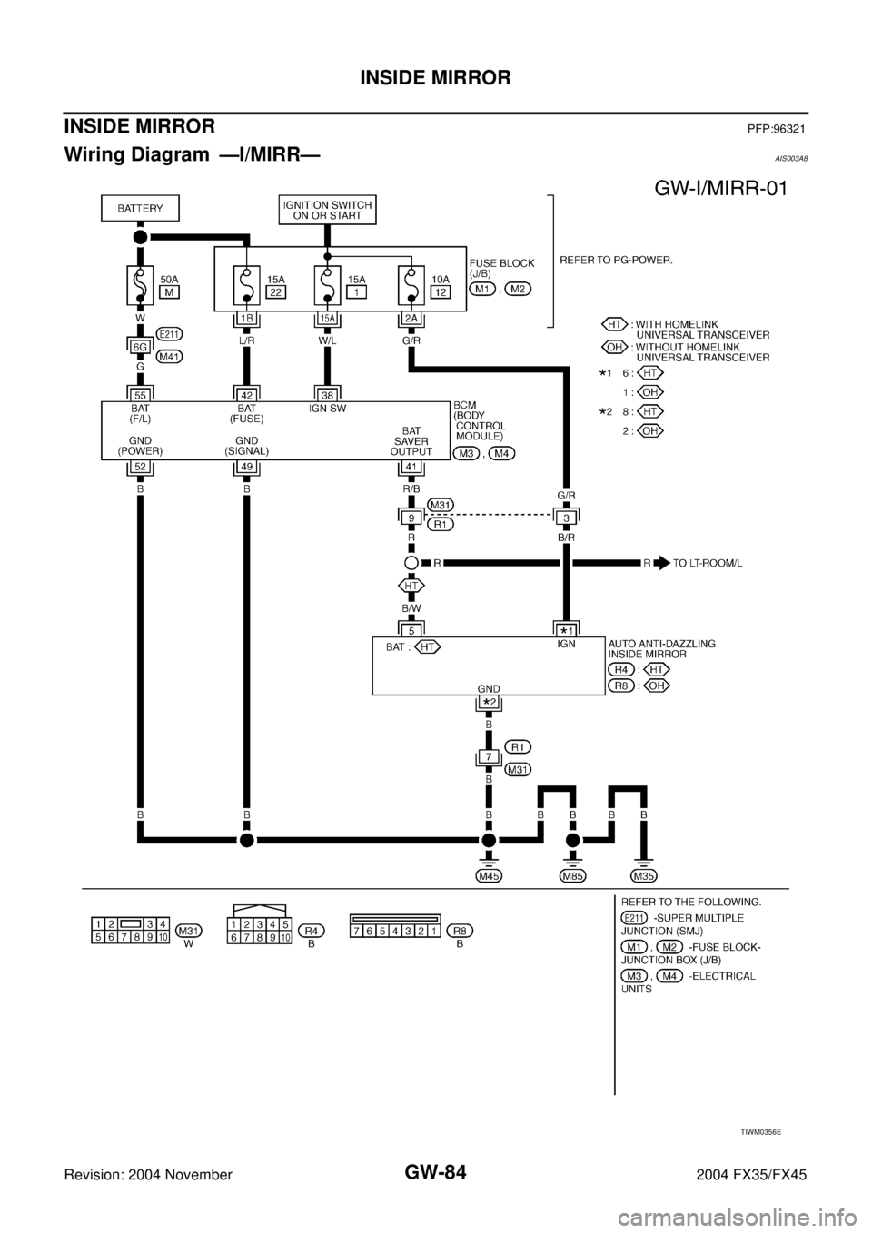
GW-84
INSIDE MIRROR
Revision: 2004 November 2004 FX35/FX45
INSIDE MIRRORPFP:96321
Wiring Diagram —I/MIRR—AIS003A8
TIWM0356E
Page 3249 of 4449

GW-90
REAR WINDOW DEFOGGER
Revision: 2004 November 2004 FX35/FX45
Wiring Diagram —DEF— AIS004R3
TIWM0358E
Page 3268 of 4449

DOOR MIRROR
GW-109
C
D
E
F
G
H
J
K
L
MA
B
GW
Revision: 2004 November 2004 FX35/FX45
DOOR MIRRORPFP:96301
Door Mirror (Only Manual Operation)AIS003AP
WRING DIAGRAM —MIRROR— FOR MANUAL OPERATION DOOR MIRROR
TIWM0362E
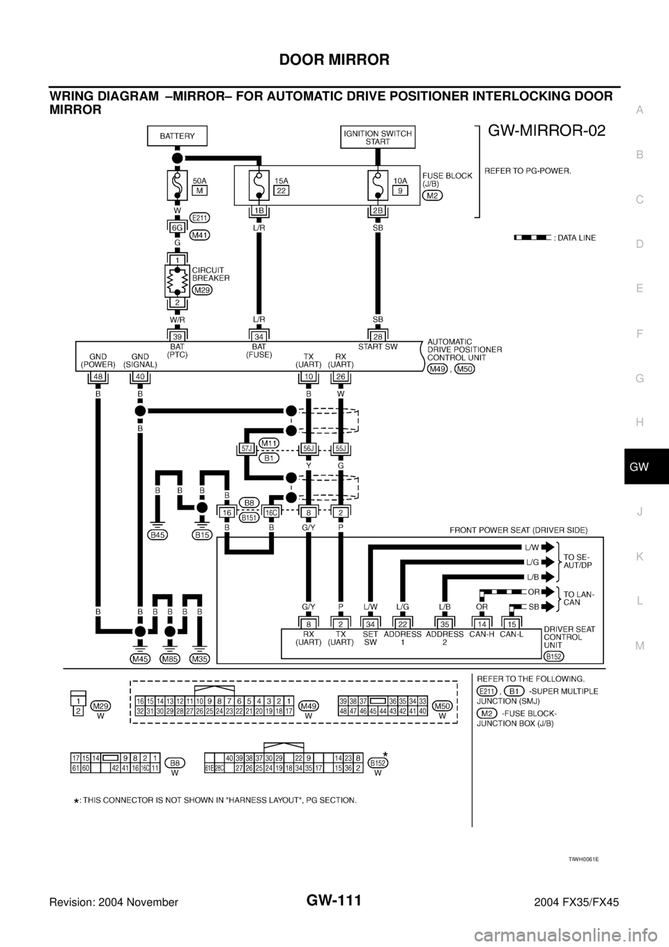
Page 3270 of 4449

DOOR MIRROR
GW-111
C
D
E
F
G
H
J
K
L
MA
B
GW
Revision: 2004 November 2004 FX35/FX45
WRING DIAGRAM –MIRROR– FOR AUTOMATIC DRIVE POSITIONER INTERLOCKING DOOR
MIRROR
TIWH0061E
Page 3275 of 4449

IDX-2
ALPHABETICAL INDEX
A
A/C air flow ...................................................... ATC-37
A/C component layout ..................................... ATC-26
A/C compressor clutch removal and installation ...........
ATC-143
A/C compressor mounting ........... ATC-140, ATC-143,
ATC-147
, ATC-148, ATC-149, ATC-150, ATC-151,
ATC-153
, ATC-154, ATC-155, ATC-156
A/C compressor precaution ............................. ATC-13
A/C compressor special service tool ................ ATC-17
A/C control operation (auto A/C) ...................... ATC-34
A/C diagnostic work flow (auto A/C) .............. ATC-102
A/C evaporator ............................................... ATC-155
A/C HFC134a (R134a) system precaution ........ ATC-5
A/C HFC134a (R134a) system service procedure .......
ATC-137
A/C HFC134a (R134a) system service tools ... ATC-18
A/C HFC134a system service equipment precaution ...
ATC-13
A/C lubricant (R134a) ...................................... ATC-27
A/C lubrication oil ........................................... ATC-161
A/C operational check ...................................... ATC-61
A/C self-diagnoses (auto A/C) ........ ATC-53, ATC-102
A/C service data specification ........................ ATC-161
A/C system description (auto A/C) ................... ATC-30
A/C trouble diagnoses (auto A/C) .................... ATC-40
A/C, A - Wiring diagram ................................... ATC-46
A/T fluid checking ...................... AT-12, AT-51, MA-28
A/T fluid cooler cleaning .................................... AT-14
A/T fluid replacement ............................. AT-12, MA-30
A/T fluid temperature sensor ........................... AT-139
A/T IND - Wiring diagram .................................... DI-51
A/T self-diagnoses ........................................... AT-103
A/T shift lock system ........................................ AT-235
A/T shift lock system - Wiring diagram ............ AT-236
A/T trouble diagnoses ........................................ AT-42
A/T Wiring diagram AT - CAN .......................... AT-106
A/T Wiring diagram AT - FTS .......................... AT-140
A/T Wiring diagram AT - MMSW ..................... AT-173
A/T Wiring diagram AT - NONDTC .................. AT-188
A/T Wiring diagram AT - PNP/SW ................... AT-113
A/T Wiring diagram AT - POWER .................... AT-130
A/T Wiring diagram AT - STSIG ...................... AT-109
A/T Wiring diagram AT - VSS A/T ................... AT-118
Accelerator control system ............................... ACC-3
Accelerator pedal position (APP) sensor ........ EC-555,
EC-562
, EC-576, EC-1225, EC-1232, EC-1246
Accelerator pedal released position learning .... EC-49,
EC-698
Air bag .............................................................. SRS-3
Air bag disposal .............................................. SRS-49
Air bag precautions ........................................... SRS-3
Air cleaner and air duct(VK45DE) ................... EM-172
Air cleaner and air duct(VQ35DE) .................... EM-17
Air cleaner filter replacement ............................ MA-24
Air cleaner filter replacement(VQ35DE) ........... MA-17
Air cleaner filter(VQ35DE) ................................ EM-18
Air conditioner cut control .................... EC-35, EC-683
Air flow meter - See Mass air flow sensor ....... EC-165,
EC-173
, EC-822, EC-830, EC-1064
Air mix. door motor ......................... ATC-73, ATC-131
Ambient sensor ............................. ATC-104, ATC-117
Angular tightening application(VK45DE) ........ EM-160
Angular tightening application(VQ35DE) ............ EM-6
APPS1 - Wiring diagram ................. EC-557, EC-1227
APPS2 - Wiring diagram ................. EC-564, EC-1234
APPS3 - Wiring diagram ................. EC-578, EC-1248
ASC/BS - Wiring diagram ............... EC-534, EC-1201
ASC/SW - Wiring diagram .............. EC-517, EC-1183
ASCBOF - Wiring diagram .............. EC-625, EC-1303
ASCD .............................................. EC-657, EC-1334
ASCD (automatic speed control device) ........... ACS-3
ASCIND - Wiring diagram ............... EC-633, EC-1310
Ashtray illumination .......................................... LT-155
AT indicator lamp ................................................ DI-51
Auto air conditioner - Wiring diagram ............. ATC-46
Auto amp ...................................................... ATC-116
Auto anti-dazzling inside mirror ....................... GW-84
Automatic amplifier ........... ATC-51, ATC-63, ATC-116
Automatic transmission fluid replacement ........ MA-31
AV and NAVI control unit ................................... AV-90
AV communication line ........................ AV-69, AV-116
AWD - Wiring diagram ....................................... TF-16
Axle ................................................................... MA-36
Axle housing (rear) ........................................... RAX-7
B
Back Door ........................................................ BL-159
Back door ......................................................... BL-159
Back door opener - See Back door .................. BL-163
BACK/L - Wiring diagram ................................. LT-125
Back-up lamp ................................................... LT-125
Battery ................................................................. SC-4
Battery/Starting/Charging System Tester SC-6, SC-13,
SC-26
BCM (Body control module) .............................. BCS-3
Block heater(VK45DE) .................................... EM-240
Block heater(VQ35DE) ................................... EM-120
Blower motor ................................... ATC-79, ATC-123
Blower unit .................................................... ATC-121
Board computer ................................................. AV-56
Bose speaker amp. .............................................. AV-7
Brake booster .................................................... BR-15
Brake fluid level ................................................ MA-34
Brake hydraulic line ........................................... BR-11
Brake inspection ............................................... MA-35
Brake lines and cables inspection .................... MA-34
Brake master cylinder ........................................ BR-13
Brake switch ................................... EC-550, EC-1220
BRK/SW - Wiring diagram .............. EC-551, EC-1221
Bulb specifications ........................................... LT-198
Bumper, front ...................................................... EI-14
Bumper, rear ....................................................... EI-18
Page 3276 of 4449

IDX-3
A
C
D
E
F
G
H
I
J
K
L B
IDX
ALPHABETICAL INDEX
C
Camshaft inspection(VK45DE) ........................ EM-209
Camshaft inspection(VQ35DE) ......................... EM-84
Camshaft position sensor (PHASE) .. EC-308, EC-966
Camshaft(VK45DE) ......................................... EM-208
Camshaft(VQ35DE) ........................................... EM-82
CAN .................................................................... DI-29
CAN - Wiring diagram ......... EC-143, EC-793, LAN-22,
LAN-53
, LAN-89, LAN-135, LAN-169, LAN-208
CAN (Controller Area Network) . BL-25, BL-59, BL-93,
BL-185
, GW-22, GW-88, RF-13, SE-16, LAN-6, LAN-21,
LAN-52
, LAN-87, LAN-133, LAN-167, LAN-206
CAN communication EC-36, EC-142, EC-684, EC-792,
AT-31
, AT-105, TF-12, TF-31, WT-9, BRC-11, BL-25,
BL-59
, BL-93, BL-185, GW-22, GW-88, RF-13, SE-16,
WW-9
, LAN-6, LAN-21, LAN-52, LAN-87, LAN-133,
LAN-167
, LAN-206
Canister-See EVAP canister ........... EC-646, EC-1323
CHARGE - Wiring diagram ................................ SC-24
Charging system ................................................ SC-23
Chassis and body maintenance ........................ MA-28
CHIME - Wiring diagram ..................................... DI-59
CIGAR - Wiring diagram .................................. WW-52
Cigarette lighter ............................................... WW-52
Cigarette lighter illumination ............................. LT-156
Circuit breaker ................................................... PG-17
Clock ................................................................... DI-79
CLOCK - Wiring diagram .................................... DI-79
Closed loop control .............................. EC-33, EC-680
Collision diagnosis ........................................... SRS-56
Combination lamp, rear, removal and installation ........
LT-147
Combination meter ............................................... DI-4
Combination meter removal and installation - See
Instrument panel .................................................. IP-11
COMM - Wiring diagram ...................... AV-69, AV-116
COMPAS - Wiring diagram ................................. DI-37
Compass ............................................................ DI-35
Component Location (auto A/C) ...................... ATC-43
Compression pressure(VK45DE) .................... EM-224
Compression pressure(VQ35DE) ...................... EM-98
Compressor clutch removal and installation .. ATC-143
Compressor special service tool ...................... ATC-17
Condenser ..................................................... ATC-154
Connecting rod bearing clearance(VK45DE) .. EM-263
Connecting rod bearing clearance(VQ35DE) .. EM-138
Connecting rod bushing clearance(VK45DE) .. EM-258
Connecting rod bushing clearance(VQ35DE) . EM-138
Connecting rod(VK45DE) ................................ EM-258
Connecting rod(VQ35DE) ................................ EM-136
Console box - See Instrument panel ................... IP-10
CONSULT for VDC ......................................... BRC-25
CONSULT-II Reference value (A/T) .................. AT-91
Control units (terminal arrangement) ................. PG-77
Control valve (A/T) ............................................. AT-36
Controller Area Network (CAN) . BL-25, BL-59, BL-93,
BL-185
, GW-22, GW-88, RF-13, SE-16, LAN-6, LAN-21,
LAN-52
, LAN-87, LAN-133, LAN-167, LAN-206
Converter housing installation ........... AT-268, AT-272
COOL/F - Wiring diagram ................ EC-477, EC-1145
Coolant replacement(VQ35DE) ........................ MA-15
Cooling circuit (engine)(VK45DE) ..................... CO-34
Cooling circuit (engine)(VQ35DE) ...................... CO-9
Cooling fan motor ............................ EC-484, EC-1151
Cooling fan(VK45DE) ....................................... CO-47
Cooling fan(VQ35DE) ....................................... CO-21
Cowl top .............................................................. EI-24
Cowl top cover .................................................... EI-24
Crankcase ventilation system - See Positive crankcase
ventilation ......................................... EC-655
, EC-1332
Crankshaft position sensor (POS) ..... EC-302, EC-960
Crankshaft(VK45DE) ...................................... EM-241
Crankshaft(VQ35DE) ...................................... EM-136
Crash zone sensor .......................................... SRS-45
Cylinder block boring(VK45DE) ...................... EM-261
Cylinder block(VK45DE) ................................. EM-240
Cylinder block(VQ35DE) ................................. EM-120
Cylinder head bolt tightening(VK45DE) .......... EM-226
Cylinder head bolt tightening(VQ35DE) .......... EM-101
Cylinder head(VK45DE) ................................. EM-224
Cylinder head(VQ35DE) ................................... EM-98
D
D/LOCK - Wiring diagram ....................... BL-27
, BL-33
Daytime light system ........................................... LT-38
Daytime running light - See Daytime light system LT-38
Diagnosis sensor unit ..................................... SRS-48
Diagnostic trouble code (DTC) for OBD system EC-15,
EC-662
Direct clutch solenoid valve ............... AT-160, AT-162
Display and amp.assembly ............... ATC-51, ATC-63
Door glass ........................................... GW-76, GW-80
Door glass Fitting Adjustment(Front) ................ GW-78
Door glass Fitting Adjustment(Rear) ................. GW-83
Door lock .......................................................... BL-152
Door mirror ...................................................... GW-113
Door trim ............................................................. EI-35
Door, front ........................................... BL-148, GW-76
Door, rear ............................................ BL-148, GW-80
Drive belt inspection ......................................... MA-21
Drive belt inspection(VQ35DE) ......................... MA-14
Drive belt(VK45DE) ........................................ EM-169
Drive belt(VQ35DE) .......................................... EM-15
Drive pinion diff. inspection ............................. RFD-13
Drive shaft ......................................................... MA-37
Drive shaft (rear) ............................................... RAX-9
Driver air bag .................................................. SRS-36
DTRL - Wiring diagram ....................................... LT-41
Duct and grilles .............................................. ATC-133
E
ECM power supply EC-136
, EC-404, EC-785, EC-1060
ECM/PW - Wiring diagram ............... EC-405, EC-1061
ECTS - Wiring diagram ...................... EC-187, EC-844
Electric sunroof .................................................. RF-10
Page 3277 of 4449

IDX-4
ALPHABETICAL INDEX
Electric throttle control actuator ........ EC-415, EC-417,
EC-1077
, EC-1079
Electric throttle control actuator (VK45DE) ..... EM-174
Electric throttle control actuator (VQ35DE) ....... EM-19
Electrical load signal circuit .............. EC-614, EC-1292
Electrical unit ..................................................... PG-77
Electrical units location ...................................... PG-70
Electronic ignition (EI) system ............. EC-34, EC-681
Engine control module (ECM) .......... EC-401, EC-1057
Engine control system diagram and chart ........ EC-29,
EC-676
Engine coolant temperature sensor (ECTS) ... EC-185,
EC-197
, EC-842, EC-855
Engine coolant(VK45DE) .................................. CO-36
Engine coolant(VQ35DE) ................................. CO-11
Engine oil filter replacement ............................. MA-25
Engine oil filter replacement(VQ35DE) ............. MA-18
Engine oil precautions .......................................... GI-8
Engine oil replacement(VQ35DE) ..................... MA-17
Engine oil(VK45DE) ........................................... LU-25
Engine oil(VQ35DE) ............................................ LU-7
Engine removal(VK45DE) ............................... EM-236
Engine removal(VQ35DE) .............................. EM-110
Engine room cover(VK45DE) ......................... EM-168
ETC1 - Wiring diagram .................... EC-418, EC-1080
ETC2 - Wiring diagram .................... EC-425, EC-1087
ETC3 - Wiring diagram .................... EC-429, EC-1091
EVAP canister .................................. EC-646, EC-1323
EVAP canister purge volume control solenoid valve ....
EC-335
, EC-990, EC-1160
EVAP canister vent control valve ...... EC-342, EC-502,
EC-997
, EC-1168
EVAP control system (small leak) diagnosis .. EC-326,
EC-366
, EC-981, EC-1022
EVAP control system pressure sensor ........... EC-349,
EC-352
, EC-358, EC-1004, EC-1007, EC-1014
EVAP control system purge flow monitoring diagnosis
EC-321
, EC-976
EVAP vapor lines inspection ................. MA-20, MA-27
Evaporative emission (EVAP) system ............ EC-643,
EC-1320
Evaporator ..................................................... ATC-155
Exhaust manifold(VK45DE) ............................ EM-178
Exhaust manifold(VQ35DE) .............................. EM-26
Exhaust system ................................................... EX-3
Exhaust system inspection ..................... EX-3, MA-28
Expansion valve ............................................. ATC-156
F
F/FOG - Wiring diagram ..................................... LT-79
F/PUMP - Wiring diagram ................ EC-604, EC-1281
Final drive removal and installation .. FFD-10, RFD-11
Floor trim ............................................................. EI-40
Flow charts ......................................................... GI-27
Fluid temperature sensor (A/T) ........................ AT-139
Fluorescent leak detector .............................. ATC-157
Fog lamp, front .................................................... LT-77
Front axle ............................................. FAX-4, FAX-10
Front brake solenoid valve ................. AT-156, AT-158
Front bumper ...................................................... EI-14
Front door ............................. BL-148, BL-152, GW-76
Front fog lamp .................................................... LT-77
Front passenger air bag .................................. SRS-40
Front seat belt ...................................................... SB-4
Front seat belt pre-tensioner ..... SB-2, SRS-3, SRS-47
Front side air bag ............................................ SRS-41
Front suspension .............................................. FSU-6
Front washer ...................................................... WW-4
Front wiper ......................................................... WW-4
FTTS - Wiring diagram ...... EC-275, EC-280, EC-933,
EC-938
Fuel cut control (at no load high engine speed) EC-35,
EC-683
Fuel filter replacement ......................................... FL-4
Fuel gauge ............................................................ DI-4
Fuel injector and fuel tube(VK45DE) .............. EM-188
Fuel injector and fuel tube(VQ35DE) ................ EM-45
Fuel level sensor EC-384, EC-386, EC-388, EC-1040,
EC-1042
, EC-1044
Fuel line inspection .................................. FL-3, MA-24
Fuel line inspection(VQ35DE) .......................... MA-17
Fuel precautions .......................................... GI-6, GI-7
Fuel pressure check ........................... EC-51, EC-700
Fuel pressure release ......................... EC-51, EC-700
Fuel pump ....................................... EC-603, EC-1280
Fuel pump and gauge .......................................... FL-4
Fuel system ......................................................... FL-3
Fuel tank ............................................................ FL-10
Fuel tank temperature sensor .......... EC-273, EC-279,
EC-931
, EC-937
Fuel tank vacuum relief valve ......... EC-646, EC-1323
FUELB1 - Wiring diagram .. EC-258, EC-267, EC-916,
EC-925
FUELB2 - Wiring diagram .. EC-259, EC-268, EC-917,
EC-926
Fuse .................................................................. PG-17
Fuse and fusible link box .................................. PG-84
Fusible link ........................................................ PG-17
G
Gauges ................................................................. DI-4
Glass ...................................... GW-11, GW-76, GW-80
Glove box lamp ................................... LT-154, LT-197
GPS antenna ..................................................... AV-89
Grille - See Exterior ............................................ EI-23
Ground distribution ........................................... PG-31
H
H/AIM - Wiring diagram ..................................... LT-73
H/LAMP - Wiring diagram .................................. LT-11
Harness connector ............................................ PG-74
Harness layout .................................................. PG-46
Hazard warning lamp ......................................... LT-89
Headlamp aiming control ................................... LT-73
Headlamp leveler - See Headlamp aiming control ........
Page 3278 of 4449

IDX-5
A
C
D
E
F
G
H
I
J
K
L B
IDX
ALPHABETICAL INDEX
LT-73
Headlining - See Roof trim .................................. EI-42
Heated oxygen sensor 1 (bank 1) .... EC-205, EC-214,
EC-226
, EC-433, EC-439, EC-863, EC-872, EC-884,
EC-1103
, EC-1109
Heated oxygen sensor 1 (bank 2) .... EC-205, EC-214,
EC-226
, EC-433, EC-439, EC-863, EC-872, EC-884,
EC-1103
, EC-1109
Heated oxygen sensor 1 heater (bank 1) ....... EC-149,
EC-806
Heated oxygen sensor 1 heater (bank 2) ....... EC-149,
EC-806
Heated oxygen sensor 2 (bank 1) .... EC-236, EC-245,
EC-446
, EC-457, EC-894, EC-903, EC-1116, EC-1127
Heated oxygen sensor 2 (bank 2) .... EC-236, EC-245,
EC-446
, EC-457, EC-894, EC-903, EC-1116, EC-1127
Heated oxygen sensor 2 heater (bank 1) ....... EC-157,
EC-814
Heated oxygen sensor 2 heater (bank 2) ....... EC-157,
EC-814
Heated seat ....................................................... SE-98
Heater and cooling unit (Heater core) ........... ATC-126
HFC134a (R134a) system precaution ............... ATC-5
HFC134a (R134a) system service procedure ATC-137
HFC134a (R134a) system service tools .......... ATC-18
HFC134a system service equipment precaution ..........
ATC-13
High & low reverse clutch solenoid valve ....... AT-164,
AT-166
Hood ................................................................... BL-14
Horn ................................................................. WW-56
HORN - Wiring diagram ................................... WW-56
HSEAT - Wiring diagram ................................... SE-99
I
IATS - Wiring diagram ....................... EC-182
, EC-839
ICC - Wiring diagram ....................................... ACS-20
ICC/BS - Wiring diagram ................. EC-524, EC-1191
ICC/SW - Wiring diagram ................ EC-510, EC-1176
ICCBOF - Wiring diagram ................ EC-616, EC-1294
Idle air volume learning ....................... EC-49, EC-698
Idle mixture ratio .................................. EC-38, EC-687
Idle speed ............................................ EC-38, EC-687
Idle speed control (ISC) .... EC-392, EC-394, EC-1048,
EC-1050
Ignition coil ....................................... EC-585, EC-1262
Ignition coil(VK45DE) ...................................... EM-185
Ignition coil(VQ35DE) ........................................ EM-42
Ignition control system ..................... EC-585, EC-1262
Ignition key hole illumination ............................. LT-153
Ignition timing ...................................... EC-38, EC-687
IGNSYS - Wiring diagram ................ EC-586, EC-1263
Illumination control ............................................ LT-197
In vehicle sensor ........................... ATC-107, ATC-118
INF/D - Wring diagram ....................................... AV-63
INJECT - Wiring diagram ................. EC-598, EC-1275
Injector ............................................. EC-597, EC-1274
Input clutch solenoid valve ................. AT-152, AT-154
Instrument panel ................................................. IP-10
Intake air temperature sensor ........... EC-180, EC-200,
EC-837
, EC-858
Intake door control linkage adjustment ............ ATC-78
Intake door motor ............................ ATC-76, ATC-124
Intake manifold(VK45DE) ............................... EM-174
Intake manifold(VQ35DE) ................................. EM-24
Intake sensor ................................ ATC-113, ATC-120
Intake valve timing control (Bank 1) ... EC-145, EC-795
Intake valve timing control (Bank 2) ... EC-145, EC-795
Intake valve timing control position sensor (Bank 1) ....
EC-1095
Intake valve timing control position sensor (Bank 2) ....
EC-1095
Intake valve timing control solenoid valve (Bank 1) ......
EC-408
, EC-1070
Intake valve timing control solenoid valve (Bank 2) ......
EC-408
, EC-1070
Integrated homelink transmitter ....................... BL-228
Intelligent cruise control (ICC) system .............. ACS-6
Interior ................................................................. EI-37
Interior lamp ...................................................... LT-157
IPDM (Intelligent power distribution module engine
room) ................................................................. PG-18
IVCB1 - Wiring diagram .... EC-409, EC-798, EC-1071
IVCB2 - Wiring diagram .... EC-411, EC-800, EC-1073
IVCSB1 - Wiring diagram ............................... EC-1096
IVCSB2 - Wiring diagram ............................... EC-1098
IVIS (Infiniti vehicle immobilizer system) precautions ...
GI-3
J
Joint connector (J/C) .......................................... PG-76
K
Knock sensor (KS) ............................. EC-297
, EC-955
KS - Wiring diagram ........................... EC-298, EC-956
L
LAN system circuit ........................................... ATC-66
Laser beam aiming adjustment ....................... ACS-12
Latch (lower anchors and tether for children) system ...
SB-11
Line pressure solenoid valve ........................... AT-127
Line pressure test (A/T) ..................................... AT-52
Liquid gasket application ................................... LU-21
Liquid gasket application(VQ35DE) EM-6, LU-3, CO-3
Location of electrical units ................................. PG-70
Low coast brake solenoid valve ......... AT-168, AT-170
Low tire pressure warning system ...................... WT-7
Lubricant (R134a) A/C ........................ ATC-7, ATC-27
Lubrication circuit (engine)(VK45DE) ................ LU-23
Lubrication circuit (engine)(VQ35DE) .................. LU-5
Lubrication oil A/C .......................................... ATC-161