diagram INFINITI FX35 2004 Service Manual

INFINITI FX35 2004 Service Manual FX35 2004 INFINITI INFINITI https://www.carmanualsonline.info/img/42/57021/w960_57021-0.png INFINITI FX35 2004 Service Manual

Page 3566 of 4449

INFINITI FX35 2004  Service Manual HEADLAMP - XENON TYPE -
LT-11
C
D
E
F
G
H
I
J
L
MA
B
LT
Revision: 2004 November 2004 FX35/FX45
Wiring Diagram — H/LAMP —AKS007ME
TKWM0815E

Page 3572 of 4449

INFINITI FX35 2004  Service Manual HEADLAMP - XENON TYPE -
LT-17
C
D
E
F
G
H
I
J
L
MA
B
LT
Revision: 2004 November 2004 FX35/FX45
Preliminary CheckAKS007MI
CHECK POWER SUPPLY AND GROUND CIRCUIT
1. CHECK FUSES
Check fuses for blown-out

Page 3596 of 4449

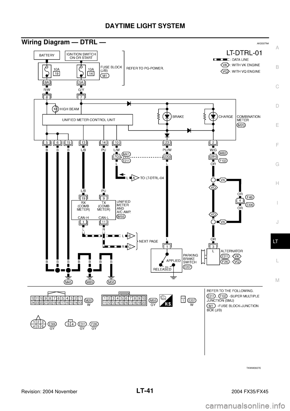
INFINITI FX35 2004  Service Manual DAYTIME LIGHT SYSTEM
LT-41
C
D
E
F
G
H
I
J
L
MA
B
LT
Revision: 2004 November 2004 FX35/FX45
Wiring Diagram — DTRL —AKS007N4
TKWM0607E

Page 3601 of 4449

INFINITI FX35 2004  Service Manual LT-46
DAYTIME LIGHT SYSTEM
Revision: 2004 November 2004 FX35/FX45
How to Proceed With Trouble DiagnosisAKS007N6
1. Confirm the symptom or customer complaint.
2. Understand operation description and fu

Page 3612 of 4449

INFINITI FX35 2004  Service Manual AUTO LIGHT SYSTEM
LT-57
C
D
E
F
G
H
I
J
L
MA
B
LT
Revision: 2004 November 2004 FX35/FX45
Wiring Diagram — AUTO/L —AKS007EX
TKWM0817E

Page 3617 of 4449

INFINITI FX35 2004  Service Manual LT-62
AUTO LIGHT SYSTEM
Revision: 2004 November 2004 FX35/FX45
How to Proceed With Trouble DiagnosisAKS007F0
1. Confirm the symptom or customer complaint.
2. Understand operation description and funct

Page 3628 of 4449

INFINITI FX35 2004  Service Manual HEADLAMP AIMING CONTROL
LT-73
C
D
E
F
G
H
I
J
L
MA
B
LT
Revision: 2004 November 2004 FX35/FX45
Wiring Diagram — H/AIM —AKS007CF
TKWM0818E

Page 3634 of 4449

INFINITI FX35 2004  Service Manual FRONT FOG LAMP
LT-79
C
D
E
F
G
H
I
J
L
MA
B
LT
Revision: 2004 November 2004 FX35/FX45
Wiring Diagram — F/FOG —AKS007CL
TKWM0819E

Page 3638 of 4449

INFINITI FX35 2004  Service Manual FRONT FOG LAMP
LT-83
C
D
E
F
G
H
I
J
L
MA
B
LT
Revision: 2004 November 2004 FX35/FX45
Refer to LT-79, "Wiring Diagram — F/FOG —" .
OK or NG
OK >> GO TO 2.
NG >> If fuse is blown, be sure to elimin

Page 3649 of 4449

INFINITI FX35 2004  Service Manual LT-94
TURN SIGNAL AND HAZARD WARNING LAMPS
Revision: 2004 November 2004 FX35/FX45
Wiring Diagram — TURN —AKS007D0
TKWM0820E