warning INFINITI FX35 2004 Repair Manual

INFINITI FX35 2004 Repair Manual FX35 2004 INFINITI INFINITI https://www.carmanualsonline.info/img/42/57021/w960_57021-0.png INFINITI FX35 2004 Repair Manual

Page 968 of 4449

INFINITI FX35 2004 Repair Manual BACK DOOR
BL-161
C
D
E
F
G
H
J
K
L
MA
B
BL
Revision: 2004 November 2004 FX35/FX45
CAUTION:
After installing, perform fitting adjustment. Refer to BL-159, "
Fitting Adjustment" .
Removal and Installati

Page 988 of 4449

INFINITI FX35 2004 Repair Manual VEHICLE SECURITY (THEFT WARNING) SYSTEM
BL-181
C
D
E
F
G
H
J
K
L
MA
B
BL
Revision: 2004 November 2004 FX35/FX45
VEHICLE SECURITY (THEFT WARNING) SYSTEMPFP:28491
Component Parts and Harness Connector L

Page 989 of 4449

INFINITI FX35 2004 Repair Manual BL-182
VEHICLE SECURITY (THEFT WARNING) SYSTEM
Revision: 2004 November 2004 FX35/FX45
System DescriptionAIS004OT
DESCRIPTION
Operation Flow
Setting the Vehicle Security System
Initial condition
Ignit

Page 990 of 4449

INFINITI FX35 2004 Repair Manual VEHICLE SECURITY (THEFT WARNING) SYSTEM
BL-183
C
D
E
F
G
H
J
K
L
MA
B
BL
Revision: 2004 November 2004 FX35/FX45
Canceling the Set Vehicle Security System
When one of the following operations is perfor

Page 991 of 4449

INFINITI FX35 2004 Repair Manual BL-184
VEHICLE SECURITY (THEFT WARNING) SYSTEM
Revision: 2004 November 2004 FX35/FX45
through back door closure motor terminal 8
through body grounds B15 and B45.
VEHICLE SECURITY SYSTEM ALARM OPERA

Page 992 of 4449

INFINITI FX35 2004 Repair Manual VEHICLE SECURITY (THEFT WARNING) SYSTEM
BL-185
C
D
E
F
G
H
J
K
L
MA
B
BL
Revision: 2004 November 2004 FX35/FX45
CAN Communication System DescriptionAIS004OU
CAN (Controller Area Network) is a serial c

Page 993 of 4449

INFINITI FX35 2004 Repair Manual BL-186
VEHICLE SECURITY (THEFT WARNING) SYSTEM
Revision: 2004 November 2004 FX35/FX45
SchematicAIS004OW
TIWM0333E

Page 994 of 4449

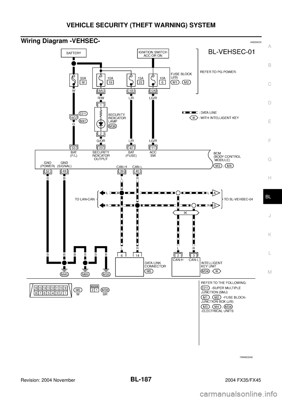
INFINITI FX35 2004 Repair Manual VEHICLE SECURITY (THEFT WARNING) SYSTEM
BL-187
C
D
E
F
G
H
J
K
L
MA
B
BL
Revision: 2004 November 2004 FX35/FX45
Wiring Diagram -VEHSEC-AIS004OX
TIWM0334E

Page 995 of 4449

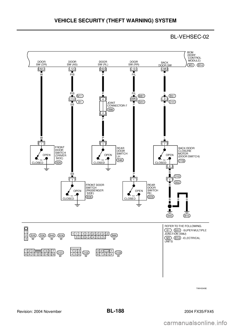
INFINITI FX35 2004 Repair Manual BL-188
VEHICLE SECURITY (THEFT WARNING) SYSTEM
Revision: 2004 November 2004 FX35/FX45
TIWH0049E

Page 996 of 4449

INFINITI FX35 2004 Repair Manual VEHICLE SECURITY (THEFT WARNING) SYSTEM
BL-189
C
D
E
F
G
H
J
K
L
MA
B
BL
Revision: 2004 November 2004 FX35/FX45
TIWH0094E