keyless INFINITI FX35 2004 Service Manual

INFINITI FX35 2004 Service Manual FX35 2004 INFINITI INFINITI https://www.carmanualsonline.info/img/42/57021/w960_57021-0.png INFINITI FX35 2004 Service Manual

Page 686 of 4449

INFINITI FX35 2004  Service Manual NAVIGATION SYSTEM
AV-95
C
D
E
F
G
H
I
J
L
MA
B
AV
Revision: 2004 November 2004 FX35/FX45
Vehicle Electronic Systems
How To Perform Vehicle Electronic Systems
1. Start the engine.
2. Push “SETTING”

Page 687 of 4449

INFINITI FX35 2004  Service Manual AV-96
NAVIGATION SYSTEM
Revision: 2004 November 2004 FX35/FX45
Selective Door Unlock (With Intelligent Key)
1. Select “Selective Door Unlock”.
2. Push “Enter” switch. 
The indicator light alt

Page 798 of 4449

INFINITI FX35 2004  Service Manual BCM (BODY CONTROL MODULE)
BCS-7
C
D
E
F
G
H
I
J
L
MA
B
BCS
Revision: 2004 November 2004 FX35/FX45
SYSTEMS CONTROLLED BY BCM DIRECTLY
NOTE:
Power supply only. No system control.
SYSTEMS CONTROLLED BY B

Page 809 of 4449

INFINITI FX35 2004  Service Manual BL-2Revision: 2004 November 2004 FX35/FX45Trouble Diagnosis Chart by Symptom  .................... 41
Check Door Switch  ................................................. 42
CHECK DOOR SWITCH (EXCEPT

Page 847 of 4449

INFINITI FX35 2004  Service Manual BL-40
POWER DOOR LOCK SYSTEM
Revision: 2004 November 2004 FX35/FX45
6. Select item to be diagnosed on “SELECT TEST ITEM” screen.
CONSULT-II APPLICATION ITEMS
Work Support
Data Monitor
*: With Inte

Page 863 of 4449

INFINITI FX35 2004  Service Manual BL-56
REMOTE KEYLESS ENTRY SYSTEM
Revision: 2004 November 2004 FX35/FX45
REMOTE KEYLESS ENTRY SYSTEMPFP:28596
Component Parts and Harness Connector LocationAIS004MA
PIIA6413E

Page 864 of 4449

INFINITI FX35 2004  Service Manual REMOTE KEYLESS ENTRY SYSTEM
BL-57
C
D
E
F
G
H
J
K
L
MA
B
BL
Revision: 2004 November 2004 FX35/FX45
System DescriptionAIS004MB
INPUTS
Power is supplied at all times
to BCM terminal 55
through 50A fus

Page 865 of 4449

INFINITI FX35 2004  Service Manual BL-58
REMOTE KEYLESS ENTRY SYSTEM
Revision: 2004 November 2004 FX35/FX45
OPERATED PROCEDURE
Power Door Lock Operation
BCM receives a LOCK signal from key fob. BCM locks all doors with input of LOCK si

Page 866 of 4449

INFINITI FX35 2004  Service Manual REMOTE KEYLESS ENTRY SYSTEM
BL-59
C
D
E
F
G
H
J
K
L
MA
B
BL
Revision: 2004 November 2004 FX35/FX45
Refer to AV- 5 8 ,  "SETTING SCREEN" . (without navigation system)
Refer to AV- 9 5 ,  "
Vehicle Elec

Page 867 of 4449

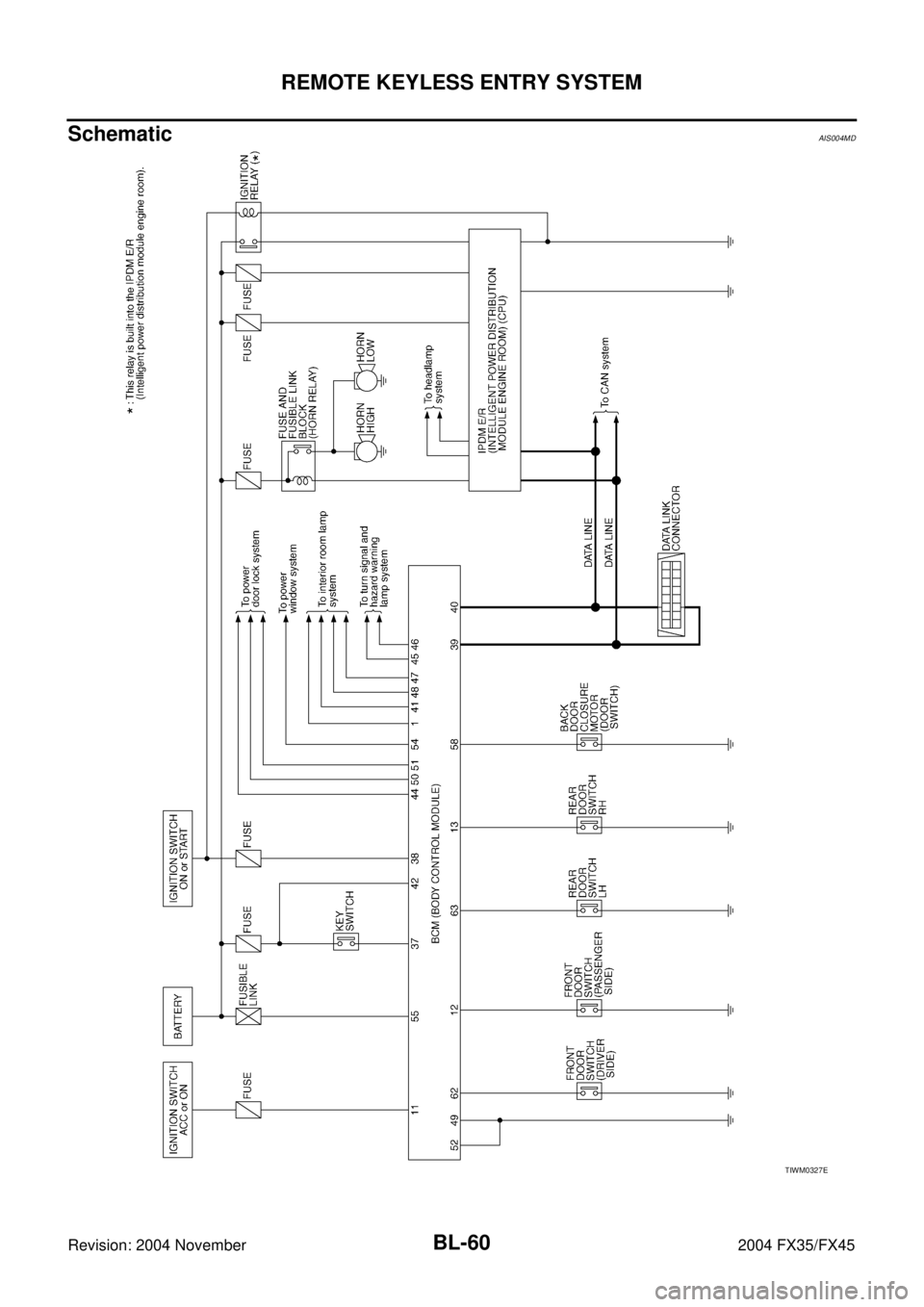
INFINITI FX35 2004  Service Manual BL-60
REMOTE KEYLESS ENTRY SYSTEM
Revision: 2004 November 2004 FX35/FX45
SchematicAIS004MD
TIWM0327E
Page:   1-10 11-20 21-30 31-40 41-50 ... 50 next >