warning INFINITI FX35 2007 Service Manual

INFINITI FX35 2007 Service Manual FX35 2007 INFINITI INFINITI https://www.carmanualsonline.info/img/42/57018/w960_57018-0.png INFINITI FX35 2007 Service Manual

Page 3546 of 4366

INFINITI FX35 2007  Service Manual LT-90
TURN SIGNAL AND HAZARD WARNING LAMPS
Revision: 2006 July 2007 FX35/FX45
TURN SIGNAL AND HAZARD WARNING LAMPSPFP:26120
Component Parts and Harness Connector LocationNKS002XC
System DescriptionNKS

Page 3547 of 4366

INFINITI FX35 2007  Service Manual TURN SIGNAL AND HAZARD WARNING LAMPS LT-91
C 
D  E 
F 
G  H 
I 
J 
L 
M  A 
B
LT 
Revision: 2006 July  2007 FX35/FX45
to combination meter terminals 5, 6 and 15
through grounds M35, M45 and M85.
TUR

Page 3548 of 4366

INFINITI FX35 2007  Service Manual LT-92
TURN SIGNAL AND HAZARD WARNING LAMPS
Revision: 2006 July 2007 FX35/FX45
through rear combination lamp control unit terminal 9
to rear combination lamp RH terminal 3,
through rear combination

Page 3549 of 4366

INFINITI FX35 2007  Service Manual TURN SIGNAL AND HAZARD WARNING LAMPS LT-93
C 
D  E 
F 
G  H 
I 
J 
L 
M  A 
B
LT 
Revision: 2006 July  2007 FX35/FX45
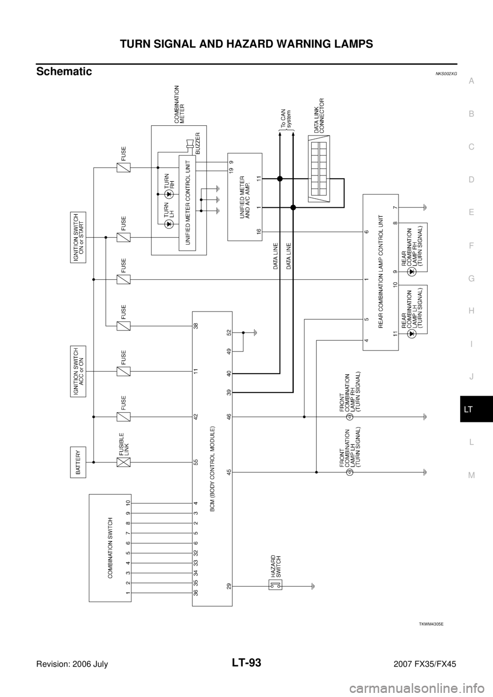
SchematicNKS002XG
TKWM4305E

Page 3550 of 4366

INFINITI FX35 2007  Service Manual LT-94
TURN SIGNAL AND HAZARD WARNING LAMPS
Revision: 2006 July 2007 FX35/FX45
Wiring Diagram — TURN —NKS002XH
TKWM4306E

Page 3551 of 4366

INFINITI FX35 2007  Service Manual TURN SIGNAL AND HAZARD WARNING LAMPS LT-95
C 
D  E 
F 
G  H 
I 
J 
L 
M  A 
B
LT 
Revision: 2006 July  2007 FX35/FX45
TKWM4307E

Page 3552 of 4366

INFINITI FX35 2007  Service Manual LT-96
TURN SIGNAL AND HAZARD WARNING LAMPS
Revision: 2006 July 2007 FX35/FX45
TKWM4308E

Page 3553 of 4366

INFINITI FX35 2007  Service Manual TURN SIGNAL AND HAZARD WARNING LAMPS LT-97
C 
D  E 
F 
G  H 
I 
J 
L 
M  A 
B
LT 
Revision: 2006 July  2007 FX35/FX45
Terminals and Reference Values for BCMNKS002XI
CAUTION:
Check combination switch

Page 3554 of 4366

INFINITI FX35 2007  Service Manual LT-98
TURN SIGNAL AND HAZARD WARNING LAMPS
Revision: 2006 July 2007 FX35/FX45
Terminals and Reference Value for Rear Combination Lamp Control UnitNKS004R6
42 L/R Battery power  
supply  OFF — Batter

Page 3555 of 4366

INFINITI FX35 2007  Service Manual TURN SIGNAL AND HAZARD WARNING LAMPS LT-99
C 
D  E 
F 
G  H 
I 
J 
L 
M  A 
B
LT 
Revision: 2006 July  2007 FX35/FX45
5 PU Turn signal lamp RH signal ON 
Turn signal switch OFF,  
hazard switch OFF  A