navigation system INFINITI FX35 2007 Owner's Manual
Page 707 of 4366

Page 708 of 4366

Page 709 of 4366

Page 710 of 4366

Page 711 of 4366

Page 712 of 4366

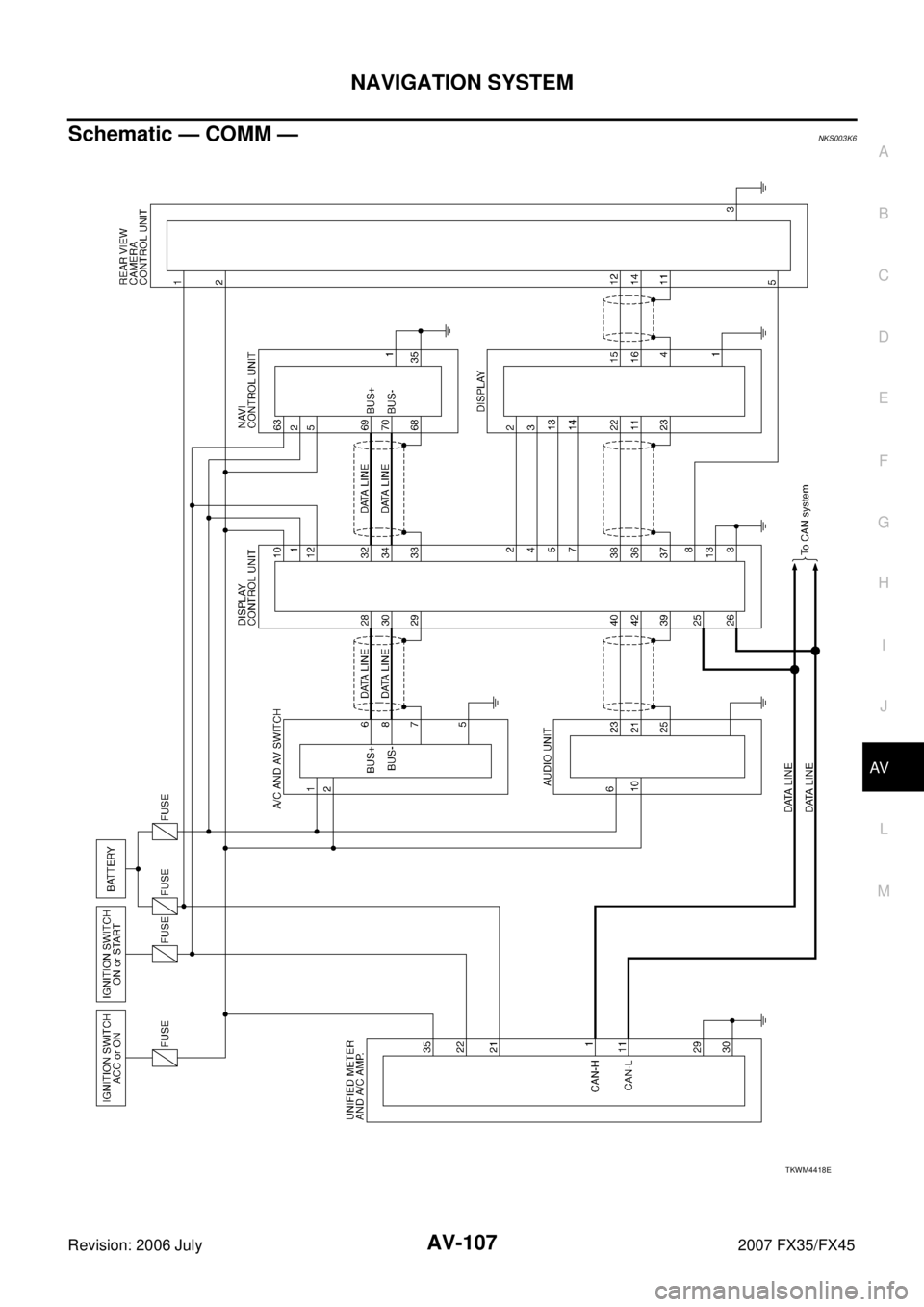
Page 713 of 4366

Page 714 of 4366

Page 715 of 4366

Page 716 of 4366

View, print and download for free: navigation system - INFINITI FX35 2007 Owner's Manual, 4366 Pages, PDF Size: 55.42 MB. Search in INFINITI FX35 2007 Owner's Manual online. CarManualsOnline.info is the largest online database of car user manuals. INFINITI FX35 2007 Owner's Manual PDF Download. ABCDEFGHIJKMLQUICK REFERENCE INDEX AGENERAL INFORMATIONGIGeneral InformationBENGINEEMEngine MechanicalLUEngine Lubrication SystemCOEngine Cooling SystemECEngine
All product names, logos, and brands are property of their respective owners.