navigation system INFINITI QX56 2007 Factory Service Manual
[x] Cancel search | Manufacturer: INFINITI, Model Year: 2007, Model line: QX56, Model: INFINITI QX56 2007Pages: 3061, PDF Size: 64.56 MB
Page 1 of 3061

-1
QUICK REFERENCE INDEX
AGENERAL INFORMATIONGIGeneral Information
BENGINEEMEngine Mechanical
LUEngine Lubrication System
COEngine Cooling System
ECEngine Control System
FLFuel System
EXExhaust System
ACCAccelerator Control System
CTRANSMISSION/
TRANSAXLEATAutomatic Transmission
DDRIVELINE/AXLETFTransfer
PRPropeller Shaft
FFDFront Final Drive
RFDRear Final Drive
FAXFront Axle
RAXRear Axle
ESUSPENSIONFSUFront Suspension
RSURear Suspension
WTRoad Wheels & Tires
FBRAKESBRBrake System
PBParking Brake System
BRCBrake Control System
GSTEERINGPSPower Steering System
HRESTRAINTSSBSeat Belts
SRSSupplemental Restraint System (SRS)
IBODYBLBody, Lock & Security System
GWGlasses, Window System & Mirrors
RFRoof
EIExterior & Interior
IPInstrument Panel
SESeat
APAdjustable Pedal
JAIR CONDITIONERATCAutomatic Air Conditioner
KELECTRICALSCStarting & Charging System
LTLighting System
DIDriver Information System
WWWiper, Washer & Horn
BCSBody Control System
LANLAN System
AVAudio Visual, Navigation & Telephone System
ACSAuto Cruise Control System
PGPower Supply, Ground & Circuit Elements
LMAINTENANCEMAMaintenance
Edition: August 2006
Revision: December 2007
Publication No. SM7E-1J60U1
B
D
© 2007 NISSAN NORTH AMERICA, INC.
All rights reserved. No part of this Service Manual may be reproduced or stored in a retrieval system, or transmitted in any
form, or by any means, electronic, mechanical, photo-copying, recording or otherwise, without the prior written permission
of Nissan North America, Inc.
A
C
E
F
G
H
I
J
K
L
M
Page 402 of 3061

ATC-32
< SERVICE INFORMATION >
TROUBLE DIAGNOSIS
How to Perform Trouble Diagnosis for Quick and Accurate Repair
INFOID:0000000003533243
WORK FLOW
SYMPTOM TABLE
Component Parts and Harness Connector LocationINFOID:0000000003533244
ENGINE COMPARTMENT
*1AT C - 5 0 , "Operational Check (Front)"
or AT C - 5 1 , "
Operational Check
(Rear)" .
SHA900E
Symptom Reference Page
A/C system does not come on. Go to Trouble Diagnosis Procedure for A/C System. AT C - 5 2
A/C system display is malfunctioning. Go to Navigation System. AV- 7 3
A/C system cannot be controlled. Go to Self-diagnosis Function.AT C - 4 8 , "
A/C Sys-
tem Self-Diagno-
sis Function"
Air outlet does not change.
Go to Trouble Diagnosis Procedure for Mode Door Motor. AT C - 5 4
Mode door motor is malfunctioning.
Discharge air temperature does not change.
Go to Trouble Diagnosis Procedure for Air Mix Door Motor. AT C - 5 9
Air mix door motor is malfunctioning.
Intake door does not change.
Go to Trouble Diagnosis Procedure for Intake Door Motor. AT C - 7 0
Intake door motor is malfunctioning.
Defroster door motor is malfunctioning. Go to Trouble Diagnosis Procedure for Defroster Door Motor. AT C - 7 4
Front blower motor operation is malfunction-
ing.Go to Trouble Diagnosis Procedure for Front Blower Motor.
AT C - 7 8
Rear blower motor operation is malfunction-
ing.Go to Trouble Diagnosis Procedure for Rear Blower Motor.
AT C - 8 5
Rear discharge air temperature and/or air
outlet does not change.Go to Trouble Diagnosis Procedure for Rear Air Control circuit.
AT C - 9 3
Magnet clutch does not engage. Go to Trouble Diagnosis Procedure for Magnet Clutch. AT C - 9 6
Insufficient cooling Go to Trouble Diagnosis Procedure for Insufficient Cooling.AT C - 1 0 0
Insufficient heating Go to Trouble Diagnosis Procedure for Insufficient Heating.AT C - 1 0 8
Noise Go to Trouble Diagnosis Procedure for Noise.AT C - 1 0 9
Self-diagnosis cannot be performed. Go to Trouble Diagnosis Procedure for Self-diagnosis. AT C - 111
Memory function does not operate. Go to Trouble Diagnosis Procedure for Memory Function.AT C - 11 2
Page 541 of 3061

AV-1
ELECTRICAL
C
D
E
F
G
H
I
J
L
M
SECTION AV
A
B
AV
N
O
P
CONTENTS
AUDIO, VISUAL, NAVIGATION & TELEPHONE SYS-
TEM
SERVICE INFORMATION ............................3
PRECAUTIONS ...................................................3
Precaution for Supplemental Restraint System
(SRS) "AIR BAG" and "SEAT BELT PRE-TEN-
SIONER" ...................................................................
3
PREPARATION ...................................................4
Commercial Service Tool ..........................................4
AUDIO .................................................................5
Component Parts and Harness Connector Loca-
tion ............................................................................
5
System Description ...................................................6
Schematic .................................................................8
Wiring Diagram - AUDIO - .........................................9
Terminal and Reference Value for Audio Unit .........20
Terminal and Reference Value for BOSE Speaker
Amp .........................................................................
23
Terminal and Reference Value for Rear Audio Re-
mote Control Unit ....................................................
25
Terminal and Reference Value for AV Switch .........26
Terminal and Reference Value for Satellite Radio
Tuner (Factory Installed) .........................................
28
AV Switch Self-Diagnosis Function .........................28
Trouble Diagnosis ...................................................29
Noise Inspection ......................................................31
Power Supply Circuit Inspection .............................31
Satellite Radio Tuner (Factory Installed) Power
and Ground Supply Circuit Inspection .....................
32
Satellite Radio Tuner (Factory Installed) Commu-
nication Circuit Inspection .......................................
33
Satellite Radio Tuner (Factory Installed) Left
Channel Audio Signal Circuit Inspection .................
35
Satellite Radio Tuner (Factory Installed) Right
Channel Audio Signal Circuit Inspection .................
36
Steering Switch Check ............................................37
AV Switch Check .....................................................38
Audio Communication Line Check ..........................38
Sound Is Not Heard from Front Door Speaker or
Front Tweeter ..........................................................
39
Sound Is Not Heard from Rear Door Speaker or
Rear Door Tweeter ..................................................
41
Sound Is Not Heard from Center Speaker ...............44
Sound Is Not Heard from Subwoofer .......................44
Removal and Installation .........................................46
AUDIO ANTENNA .............................................52
System Description ..................................................52
Wiring Diagram - W/ANT - .......................................53
Location of Antenna .................................................54
Window Antenna Repair ..........................................54
TELEPHONE .....................................................56
Component Parts and Harness Connector Loca-
tion ...........................................................................
56
System Description ..................................................56
Wiring Diagram - H/PHONE - ..................................58
Terminal and Reference Value for Bluetooth Con-
trol Unit ....................................................................
60
Bluetooth Control Unit Self-Diagnosis Function ......60
Power Supply and Ground Circuit Inspection for
Bluetooth Control Unit .............................................
61
Removal and Installation .........................................62
DVD ENTERTAINMENT SYSTEM ....................64
Component Parts and Harness Connector Loca-
tion ...........................................................................
64
Description ...............................................................64
Schematic ................................................................66
Wiring Diagram - DVD - ...........................................67
Trouble Diagnosis ....................................................70
Power Supply Circuit Inspection ..............................70
Removal and Installation .........................................71
NAVIGATION SYSTEM ....................................73
System Description ..................................................73
CAN Communication System Description ...............75
Component Parts Location ......................................76
Schematic ................................................................77
Wiring Diagram - NAVI - ..........................................78
Schematic ................................................................85
Page 542 of 3061

AV-2
Wiring Diagram - COMM - ......................................86
Terminal and Reference Value for NAVI Control
Unit .........................................................................
89
Terminal and Reference Value for Display Control
unit ..........................................................................
91
Terminal and Reference Value for Display unit ......95
Terminal and Reference Value for AV Switch ........96
Terminal and Reference Value for BCM .................97
On Board Self-Diagnosis Function .........................97
Self-Diagnosis Mode (DCU) ...................................98
Self-Diagnosis Mode (NAVI) ..................................101
Confirmation/Adjustment Mode .............................103
CAN Diagnostic Support Monitor ...........................109
AV Switch Self-Diagnosis Function .......................110
Power Supply and Ground Circuit Inspection for
NAVI Control Unit ..................................................
110
Power Supply and Ground Circuit Inspection for
Display Control Unit ...............................................
111
Power Supply and Ground Circuit Inspection for
Display Unit ...........................................................
112
Power Supply and Ground Circuit Inspection for
AV Switch ..............................................................
113
Vehicle Speed Signal Inspection for NAVI Control
Unit ........................................................................
114
Vehicle Speed Signal Inspection for Display Con-
trol Unit ..................................................................
115
Illumination Signal Inspection for NAVI Control
Unit ........................................................................
116
Illumination Signal Inspection for Display Control
Unit ........................................................................
116
Ignition Signal Inspection for NAVI Control Unit ....117
Ignition Signal Inspection for Display Control Unit ..117
Reverse Signal Inspection for NAVI Control Unit ..117
Reverse Signal Inspection for Display Control Unit
..
118
AV Communication Line Check (Between Display
Control Unit and NAVI Control Unit) ......................
118
Audio Communication Line Check (Between Dis-
play Control Unit and Audio Unit) ..........................
119
Display Communication Line Check (Between
Display Control Unit and Display Unit) ...................
121
AV Communication Line Check (Between Display
Control Unit and AV Switch) ..................................
122
CAN Communication Line Check ..........................123
If NAVI Control Unit Detects That DVD-ROM Map
Is Not Inserted .......................................................
123
If NAVI Control Unit Detects That Inserted DVD-
ROM Map Is Malfunctioning or If It Is Impossible to
Load Data from DVD-ROM Map ...........................
123
If Connection Between NAVI Control Unit and
GPS Antenna Is Malfunctioning ............................
124
Operating Screen for Audio and A/C Is Not Dis-
played When Showing NAVI Screen ....................
124
Color of RGB Image Is Not Proper (Only NAVI
Screen Looks Bluish) ............................................
125
Color of RGB Image Is Not Proper (Only NAVI
Screen Looks Reddish) .........................................
126
Color of RGB Image Is Not Proper (Only NAVI
Screen Looks Yellowish) .......................................
127
Color of RGB Image Is Not Proper (All Screens
Look Bluish) ..........................................................
128
Color of RGB Image Is Not Proper (All Screens
Look Reddish) .......................................................
129
Color of RGB Image Is Not Proper (All Screens
Look Yellowish) .....................................................
129
NAVI Screen Is Rolling .........................................130
Guide Sound Is Not Heard ....................................132
Screen Is Not Shown ............................................132
A/C Screen Is Not Shown (NAVI Screen Is
Shown) ..................................................................
133
FUEL ECONOMY Screen Is Not Shown ..............133
Average Fuel Economy Display Is Not Shown ("
*** " Is Shown) .......................................................
133
Distance to Empty Display Is Not Shown (" *** " Is
Shown) ..................................................................
133
Driving Distance or Average Speed Display Is Not
Shown (" *** " Is Shown) .......................................
134
WARNING DOOR OPEN Screen Is Not Shown ...134
Unable to Operate All of AV Switches (Unable to
Start Self-Diagnosis) .............................................
134
Audio Does Not Work ...........................................135
Navigation System Does Not Activate ..................135
Previous NAVI Conditions Are Not Stored ............135
Previous Vehicle Conditions Are Not Stored ........135
Position of Current Location Mark Is Not Correct .135
Radio Wave from GPS Satellite Is Not Received .136
Driving Test ...........................................................136
Example of Symptom Judged Not Malfunction .....137
Program Loading of NAVI Control Unit .................145
Removal and Installation .......................................145
Page 613 of 3061

NAVIGATION SYSTEM
AV-73
< SERVICE INFORMATION >
C
D
E
F
G
H
I
J
L
MA
B
AV
N
O
P
NAVIGATION SYSTEM
System DescriptionINFOID:0000000003533706
NOTE:
Refer to NAVI System Owner's Manual for system operation.
The navigation system periodically calculates the vehicle's current
position according to the following three signals: Travel distance of
the vehicle as determined by the vehicle speed sensor, turning angle
of the vehicle as determined by the gyroscope (angular velocity sen-
sor), and the direction of vehicle travel as determined by the GPS
antenna (GPS information).
The current position of the vehicle is then identified by comparing the
calculated vehicle position with map data read from the map DVD-
ROM, which is stored in the DVD-ROM drive (map-matching), and
indicated on the screen with a current-location mark.
By comparing the vehicle position detection results found by the
GPS and by map-matching, more accurate vehicle position data can
be used.
The current vehicle position will be calculated by detecting the dis-
tance the vehicle moved from the previous calculation point and its
direction.
TRAVEL DISTANCE
Travel distance calculations are based on the vehicle speed sensor input signal. Therefore, the calculation
may become incorrect as the tires wear down. To prevent this, an automatic distance fine adjustment function
has been adopted. Adjustments can be made in extreme cases (such as driving with tire chain fitted on tires).
Refer to AV-103, "
Confirmation/Adjustment Mode".
TRAVEL DIRECTION
Change in the travel direction of the vehicle is calculated by a gyroscope (angular velocity sensor) and a GPS
antenna (GPS information). As the gyroscope and GPS antenna have both merit and demerit, input signals
from them are prioritized in each situation. However, this order of priority may change in accordance with more
detailed travel conditions so that the travel direction is detected more accurately.
MAP-MATCHING
WKIA1371E
SEL684V
Type Advantage Disadvantage
Gyroscope (angular velocity sensor)• Can detect the vehicle's turning angle quite
accurately.• Direction errors may accumulate when the ve-
hicle is driven for long distances without stop-
ping.
GPS antenna (GPS information)• Can detect the vehicle's travel direction
(North/South/East/West).• Correct direction cannot be detected when the
vehicle speed is low.
Page 614 of 3061

AV-74
< SERVICE INFORMATION >
NAVIGATION SYSTEM
Map-matching is a function that repositions the vehicle on the road
map when a new location is judged to be the most accurate. This is
done by comparing the current vehicle position, calculated by the
method described in the position detection principle, with the road
map data around the vehicle, read from the map DVD-ROM stored in
the DVD-ROM drive.
Therefore, the vehicle position may not be corrected after the vehicle
is driven over a certain distance or time in which GPS information is
hard to receive. In this case, the current-location mark on the display
must be corrected manually.
CAUTION:
The road map data is based on data stored in the map DVD-
ROM.
• In map-matching, alternative routes to reach the destination will be
shown and prioritized, after the road on which the vehicle is cur-
rently driven has been judged and the current-location mark has
been repositioned.
If there is an error in distance and/or direction, the alternative
routes will be shown in different order of priority, and the wrong
road can be avoided.
If two roads are running in parallel, they are of the same priority.
Therefore, the current-location mark may appear on either of them
alternately, depending on maneuvering of the steering wheel and
configuration of the road.
• Map-matching does not function correctly when the road on which
the vehicle is driving is new and not recorded in the map DVD-
ROM, or when the road pattern stored in the map data and the
actual road pattern are different due to repair.
When driving on a road not present in the map, the map-matching
function may find another road and position the current-location
mark on it. Then, when the correct road is detected, the current-
location mark may leap to it.
• Effective range for comparing the vehicle position and travel direc-
tion calculated by the distance and direction with the road data
read from the map DVD-ROM is limited. Therefore, when there is
an excessive gap between the current vehicle position and the
position on the map, correction by map-matching is not possible.
GPS (GLOBAL POSITIONING SYSTEM)
GPS (Global Positioning System) has been developed and con-
trolled by the US Department of Defense. The system utilizes GPS
satellite (NAVSTAR), sending out radio waves while flying on an orbit
around the earth at the height of approx. 21,000 km (13,000 miles).
The GPS receiver calculates the vehicle's position in three dimen-
sions (latitude/longitude/altitude) according to the time lag of the
radio waves received from four or more GPS satellites (three-dimen-
sional positioning). If radio waves were received only from three
GPS satellites, the GPS receiver calculates the vehicle's position in
two dimensions (latitude/longitude), utilizing the altitude data calcu-
lated previously by using radio waves from four or more GPS satel-
lites (two-dimensional positioning).
Accuracy of the GPS will deteriorate under the following conditions.
• In two-dimensional positioning, the GPS accuracy will deteriorate when the altitude of the vehicle position
changes.
• There may be an error of approximately 10 m (30 ft) in position detected by three-dimensional positioning,
which is more accurate than two-dimensional positioning. The accuracy can be even lower depending on the
arrangement of the GPS satellites utilized for the positioning.
• Position detection is not possible when the vehicle is in an area where radio waves from the GPS satellite do
not reach, such as in a tunnel, parking lot in a building, and under an elevated highway. Radio waves from
the GPS satellites may not be received when some object is located over the GPS antenna.
SEL685V
SEL686V
SKIA0613E
SEL526V
Page 615 of 3061

NAVIGATION SYSTEM
AV-75
< SERVICE INFORMATION >
C
D
E
F
G
H
I
J
L
MA
B
AV
N
O
P
• Position correction by GPS is not available while the vehicle is stopped.
COMPONENT DESCRIPTION
NAVI Control Unit
• The gyro (angular speed sensor) and the DVD-ROM drive are
built-in units that control the navigation functions.
• Signals are received from the gyro, the vehicle speed sensor, and
the GPS antenna. Vehicle location is determined by combining this
data with the data contained in the DVD-ROM map. Location infor-
mation is shown on liquid crystal display (display unit).
• Maps, traffic control regulations, and other pertinent information
can be easily read from the DVD-ROM disc.
• The oscillator gyro sensor is used to detect changes in vehicle
steering angle.
Map DVD-ROM
• The map DVD-ROM has maps, traffic control regulations, and other pertinent information.
• To improve DVD-ROM map matching and route determination functions, the DVD-ROM uses an exclusive
Nissan format. Therefore, the use of a DVD-ROM provided by other manufacturers cannot be used.
Display Control Unit
The display control unit coordinates audio and video signals between the NAVI control unit and the display
unit.
Display Unit
Displays NAVI system information.
AV Switch
AV switch allows user to input NAVI display settings. Self diagnostics are initiated using AV switch.
GPS Antenna
GPS antenna sends signals to NAVI control unit.
CAN Communication System DescriptionINFOID:0000000003533707
Refer to LAN-4.
WKIA4593E
Page 616 of 3061

AV-76
< SERVICE INFORMATION >
NAVIGATION SYSTEM
Component Parts Location
INFOID:0000000003533708
WKIA4571E
1. Fuse block (J/B) 2. Fuse and fusible link box 3. Combination switch
M28
4. Combination meter
M245. GPS antenna 6. Display unit
M93
7. Display control unit
M94, M958. AV switch
M989. Audio unit
M45
10. Data link connector
M2211 . B C M
M18, M2012. Steering wheel audio control switches
13. NAVI control unit
B151, B152, B15414. IPDM E/R
E121, E124
Page 617 of 3061

NAVIGATION SYSTEM
AV-77
< SERVICE INFORMATION >
C
D
E
F
G
H
I
J
L
MA
B
AV
N
O
P
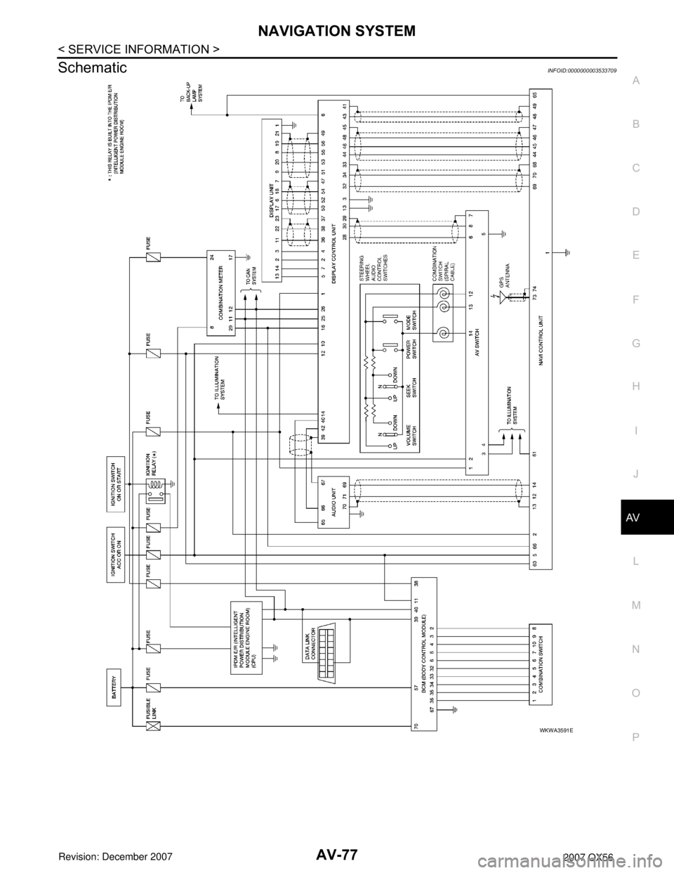
SchematicINFOID:0000000003533709
WKWA3591E
Page 618 of 3061

AV-78
< SERVICE INFORMATION >
NAVIGATION SYSTEM
Wiring Diagram - NAVI -
INFOID:0000000003533710
WKWA3592E