LAND ROVER DISCOVERY 1999 Workshop Manual
DISCOVERY 1999
LAND ROVER
LAND ROVER
https://www.carmanualsonline.info/img/64/57247/w960_57247-0.png
LAND ROVER DISCOVERY 1999 Workshop Manual
Trending: air bleeding, odometer, brake pads replacement, water pump, fuel filter location, oil temperature, bolt pattern
Page 1231 of 1529
AIR CONDITIONING
82-42REPAIRS
Evaporator - rear
$% 82.26.20
Remove
1.Remove evaporator assembly.
+ AIR CONDITIONING, REPAIRS,
Evaporator and motor assembly - rear.
2.Remove insulation from TXV.
3.Release relay from support bracket.
4.Remove ducting seal.
5.Remove 4 screws securing lower part of
casing, release and remove lower casing. 6.Remove 6 screws and 4 clips securing main
casing and remove top half of casing.
7.Loosen and release evaporator pipes unions,
release pipes and remove evaporator.
8.Remove and discard evaporator pipe 'O' rings.
Refit
1.Lubricate new 'O' rings with clean refrigerant oil
and fit to evaporator pipes
2.Position evaporator, connect pipes and tighten
unions.
3.Position main casing and secure with clips and
screws.
4.Position lower part of casing and secure with
screws.
5.Fit ducting seal
6.Secure relay to support bracket.
7.Fit insulation to TXV.
8.Fit evaporator assembly.
+ AIR CONDITIONING, REPAIRS,
Evaporator and motor assembly - rear.
Page 1232 of 1529
AIR CONDITIONING
REPAIRS 82-43
Evaporator and motor assembly - rear
$% 82.26.21
Remove
1.Depressurise air conditioning system.
+ AIR CONDITIONING, REFRIGERANT
RECOVERY, RECYCLING AND
RECHARGING, Refrigerant recovery,
recycling and recharging.
2. V8 models: Remove 4 clips securing rear
exhaust heat shield and remove heat shield.
3.Remove 2 bolts securing high and low
pressure pipes, release pipes and discard 'O'
rings.
CAUTION: Always fit plugs to open
connections to prevent contamination.
4.Remove 2 bolts securing grommet flange to
body and remove flange.
5.Remove LH rear lower trim casing.
+ INTERIOR TRIM COMPONENTS,
REPAIRS, Trim casing - side - loadspace.6.Remove 5 bolts securing seat support bracket
and remove bracket.
7.Disconnect A/C harness multiplugs from body
harness.
Page 1233 of 1529

AIR CONDITIONING
82-44REPAIRS
8.Remove 2 clips securing ducting to A/C
assembly and release ducting.
9.Remove 4 bolts securing evaporator assembly
and remove assembly.
Refit
1.Position evaporator assembly to body fit bolts
and tighten to 16 Nm (12 lbf.ft).
2.Position ducting to evaporator assembly and
secure with clips.
3.Connect harness multiplugs.
4.Position seat support bracket, fit bolts and
tighten to 24 Nm (18 lbf.ft).
5.Fit LH rear lower trim casing.
+ INTERIOR TRIM COMPONENTS,
REPAIRS, Trim casing - side - loadspace.
6.Position grommet flange and tighten bolts.
7.Lubricate new 'O' rings with clean refrigerant oil
and fit to high and low pressure pipes.
8.Position high and low pressure pipes, fit bolts
and tighten to 10 Nm (7 lbf.ft).
9. V8 models: Position exhaust heat shield and
secure with clips.
10.Repressurise air conditioning system.
+ AIR CONDITIONING, REFRIGERANT
RECOVERY, RECYCLING AND
RECHARGING, Refrigerant recovery,
recycling and recharging.
Blower motor assembly - rear
$% 82.26.33
Remove
1.Remove rear lower trim casing.
+ INTERIOR TRIM COMPONENTS,
REPAIRS, Trim casing - side - loadspace.
2.Remove 5 bolts securing third row seat support
bracket and remove bracket.
3.Disconnect blower motor multiplug and release
hose from casing.
4.Remove screws securing blower motor and
remove motor from casing.
Refit
1.Position motor, align to casing and secure with
screws.
2.Connect motor multiplug and secure hose to
casing.
3.Position seat support bracket, fit bolts and
tighten to 24 Nm (18 lbf.ft)
4.Fit rear lower trim casing .
+ INTERIOR TRIM COMPONENTS,
REPAIRS, Trim casing - side - loadspace.
Page 1234 of 1529
AIR CONDITIONING
REPAIRS 82-45
Resistor - blower motor
$% 82.26.48
Remove
1.Remove rear lower trim casing.
+ INTERIOR TRIM COMPONENTS,
REPAIRS, Trim casing - side - loadspace.
2.Disconnect resistor multiplug.
3.Remove 2 screws securing resistor pack to
casing. Remove resistor from casing.
Refit
1.Position resistor and secure with screws.
2.Connect resistor multiplug.
3.Fit rear lower trim casing .
+ INTERIOR TRIM COMPONENTS,
REPAIRS, Trim casing - side - loadspace.
Duct - centre - rear
$% 82.26.70
Remove
1.Remove headlining.
+ INTERIOR TRIM COMPONENTS,
REPAIRS, Headlining.
2.Drill out 4 rivets securing centre duct to roof.
3.Release centre duct from upper side duct and
remove.
4.Drill out 2 rivets securing mounting braces to
duct.
5.Remove braces.
Refit
1.Position braces to duct and secure with rivets.
2.Fit centre duct between upper side ducts.
3.Fit rivets securing centre duct to roof.
4.Fit headlining.
+ INTERIOR TRIM COMPONENTS,
REPAIRS, Headlining.
Page 1235 of 1529
Page 1236 of 1529
WIPERS AND WASHERS
DESCRIPTION AND OPERATION 84-1
WIPERS AND WASHERS DESCRIPTION AND OPERAT ION
Wipers and washers component layout
RHD shown, LHD similar
1Headlamp power wash relay
2Passenger compartment fuse box
(rear wiper relay, front wiper relay and IDM)
3Variable Delay Switch
4Front wash/ wipe switch
5Rear wiper motor
6Rear washer switch7Rear wiper switch
8Body Control Unit (BCU)
9Front washer pump
10Rear washer pump
11Front wiper motor assembly
12Headlamp power wash pump
Page 1237 of 1529
WIPERS AND WASHERS
84-2 DESCRIPTION AND OPERATION
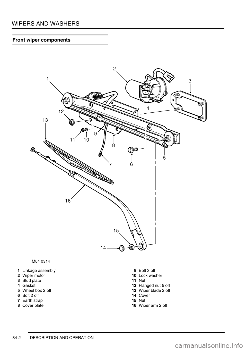
Front wiper components
1Linkage assembly
2Wiper motor
3Stud plate
4Gasket
5Wheel box 2 off
6Bolt 2 off
7Earth strap
8Cover plate9Bolt 3 off
10Lock washer
11Nut
12Flanged nut 5 off
13Wiper blade 2 off
14Cover
15Nut
16Wiper arm 2 off
Page 1238 of 1529
WIPERS AND WASHERS
DESCRIPTION AND OPERATION 84-3
Rear wiper components
1Wiper blade
2Washer jet
3Washer
4Seal
5Washer 2 off
6Lock washer 2 off
7Bolt 2 off8Wiper motor
9Nut
10Nut
11Cover
12Wiper arm
13Washer tube
Page 1239 of 1529
WIPERS AND WASHERS
84-4 DESCRIPTION AND OPERATION
Washer components
Reservoir with headlamp power wash shown
Page 1240 of 1529
WIPERS AND WASHERS
DESCRIPTION AND OPERATION 84-5
1Windscreen washer jet 2 off
2Elbow 3 off
3In-line non-return valve
4Tube
5'T' connector
6Tube
7Connector
8Filler neck tube
9Filter
10Cap
11Bracket
12Level float
13Filler neck seal
14Bolt
15Reservoir
16Pump sealing grommet (if fitted)
17Powerwash pump (if fitted)18Clip
19Tube
20Screw 2 off
21Powerwash jet 2 off
22Clip 4 off
23Tube
24'T' connector
25Tube
26Nut 2 off
27Pump sealing grommet 2 off
28Rear washer pump
29Front windscreen washer pump
30Elbow 2 off
31Tube - front windscreen
32Tube - rear tail door window
33Non-return valve
Trending: spark plugs replace, instrument cluster, cooling, fuel type, dead battery, bolt pattern, spare wheel