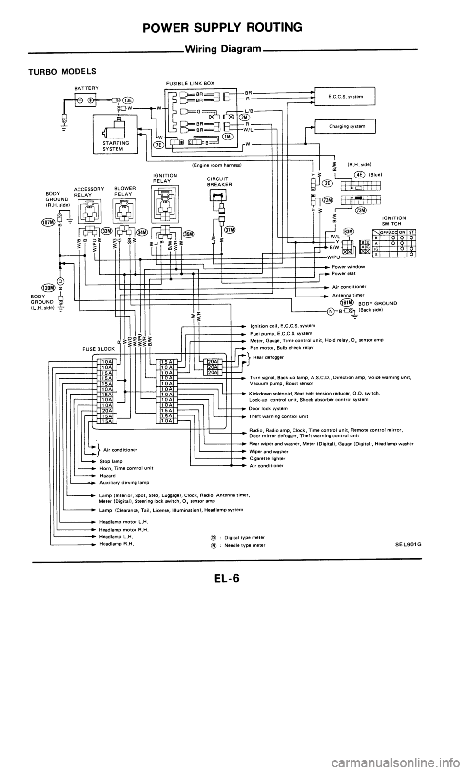
NISSAN 300ZX 1985 Z31 Electrical System Workshop Manual
Page 1 of 204

Page 2 of 204

Page 3 of 204

Page 4 of 204

Page 5 of 204

Page 6 of 204

Page 7 of 204

Page 8 of 204

Page 9 of 204

Page 10 of 204

View, print and download for free: NISSAN 300ZX 1985 Z31 Electrical System Workshop Manual, 204 Pages, PDF Size: 14.59 MB. Search in NISSAN 300ZX 1985 Z31 Electrical System Workshop Manual online. CarManualsOnline.info is the largest online database of car user manuals. NISSAN 300ZX 1985 Z31 Electrical System Workshop Manual PDF Download.
All product names, logos, and brands are property of their respective owners.