YAMAHA YZ250F 2015 Manuale duso (in Italian)
Manufacturer: YAMAHA, Model Year: 2015, Model line: YZ250F, Model: YAMAHA YZ250F 2015Pages: 384, PDF Dimensioni: 11.7 MB
Page 311 of 384

IMPIANTO DI ACCENSIONE
8-5
7. Controllare la bobina dello statore.
Fare riferimento a “CONTROLLO
DELLA BOBINA DELLO STA-
TORE” a pagina 8-47.NO OK
Sostituire la bobina dello statore.
OK
8. Controllare il sistema di accensione
del cablaggio elettrico.
Fare riferimento a “DIAGRAMMA
DEI CIRCUITI” a pagina 8-2.NO OK
Riparare o sostituire il cablaggio.
OK
Sostituire l’ECU.
Page 312 of 384

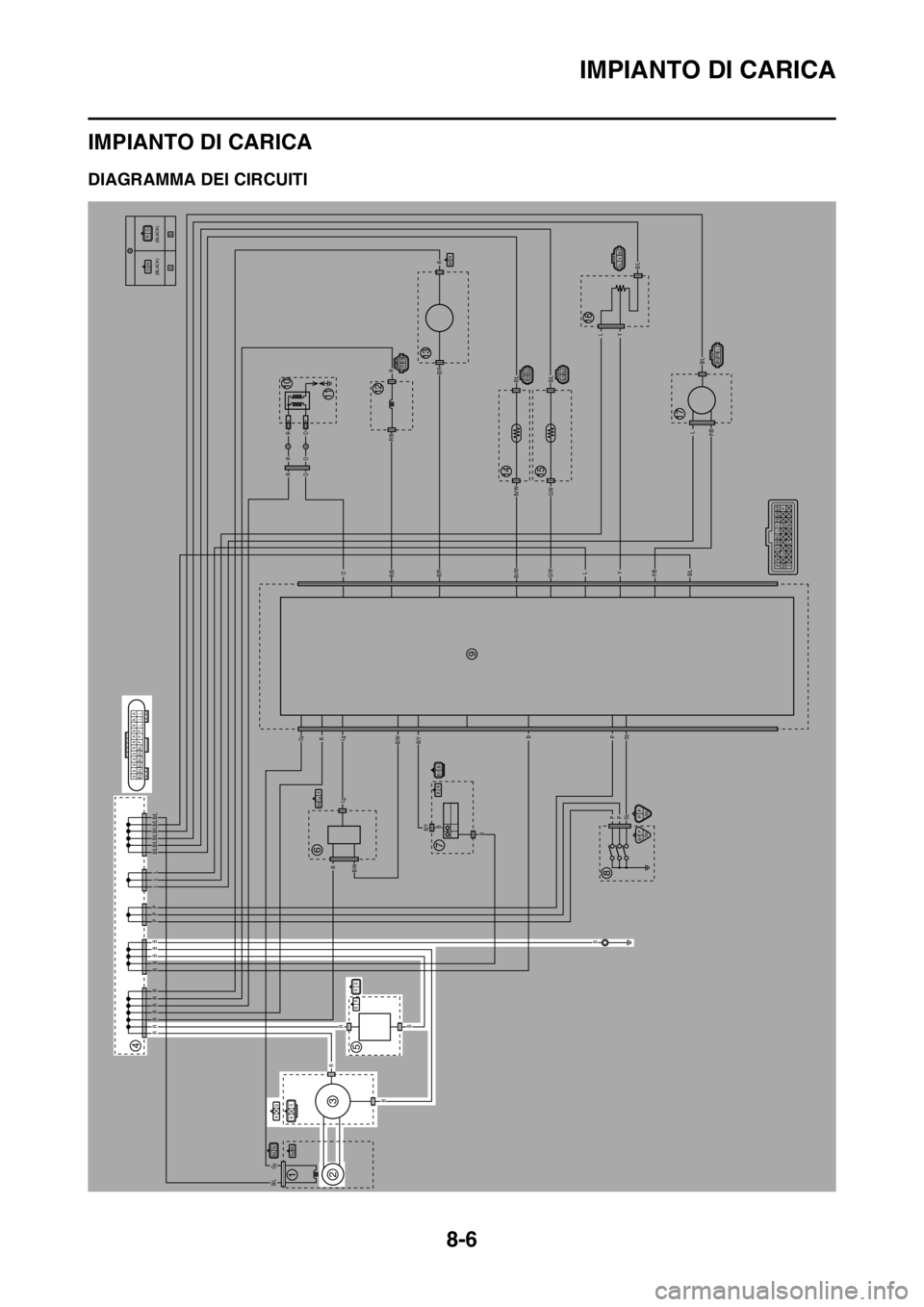
IMPIANTO DI CARICA
8-6
HAS27200
IMPIANTO DI CARICA
HAS1SM5325DIAGRAMMA DEI CIRCUITI
B/L Gy
BR
A
A
AA
B
RR R R R R R
B
B
B RR
R
Lg
LgB/WB/Y
B/YB
B
BP
PP
Sb
B/LP/B
P/B
YL
YL
L
G/WBr/W
G/WBr/W
B/LB/L
B/L
B/L
B/R
B/R
R/B
R/B
O
OROR
OR
R
R
SbB
GyR
B/W P L B/L
B/L GyB/L B/L B/L B/L B/L LL PP BBBB
PP
Sb
RB
B/RR
R B
B/Y PSb
BB
RR/B
LYB/L
B/W RLg
B/LBr/W
B/L P/B LB/LG/W
BB/Y BB/L B/L B/L B/L B/L B/LBBBBRR
PPPL L LRR RR R
B
OP Gy
R
B/Y Sb
P/B
R/BLgB/RG/WBr/WB/L L Y
RB
B/LGy
R
O
O
R(BLACK) (BLACK)
B/W
4
1
3
2
5
67
8
10
9
1211
13
1415
16
17
Page 313 of 384

IMPIANTO DI CARICA
8-7
2. Magnete in CA
3. Raddrizzatore/regolatore
4. Connettore giunto
5. Condensatore
Page 314 of 384

IMPIANTO DI CARICA
8-8
HAS1SM5326RICERCA GUASTI
Il condensatore non si carica.
NOTA
Prima di risolvere il guasto, togliere i seguenti componenti.
1. Sella
2. Presa d’aria (sinistra)
1. Controllare il cablaggio di tutto il
sistema di carica.NO OK
Ricollegare.
OK
2. Controllare il raddrizzatore/regola-
tore.
Fare riferimento a “CONTROLLO
DEL RADDRIZZATORE/REGOLA-
TORE” a pagina 8-47.NO OK
Sostituire il raddrizzatore/regolatore.
OK
3. Controllare la bobina dello statore.
Fare riferimento a “CONTROLLO
DELLA BOBINA DELLO STA-
TORE” a pagina 8-47.NO OK
Sostituire la bobina dello statore.
OK
4. Controllare il sistema di carica del
cablaggio elettrico.
Fare riferimento a “DIAGRAMMA
DEI CIRCUITI” a pagina 8-6.NO OK
Riparare o sostituire il cablaggio.
OK
Sostituire il condensatore.
Page 315 of 384

IMPIANTO DI CARICA
8-9
Page 316 of 384

IMPIANTO DI INIEZIONE CARBURANTE
8-10
HAS1SM5327
IMPIANTO DI INIEZIONE CARBURANTE
HAS1SM5328DIAGRAMMA DEI CIRCUITI
B/L Gy
BR
A
A
AA
B
RR R R R R R
B
B
B RR
R
Lg
LgB/WB/Y
B/YB
B
BP
PP
Sb
B/LP/B
P/B
YL
YL
L
G/WBr/W
G/WBr/W
B/LB/L
B/L
B/L
B/R
B/R
R/B
R/B
O
OROR
OR
R
R
SbB
GyR
B/W P L B/L
B/L GyB/L B/L B/L B/L B/L LL PP BBBB
PP
Sb
RB
B/RR
R B
B/Y PSb
BB
RR/B
LYB/L
B/W RLg
B/LBr/W
B/L P/B LB/LG/W
BB/Y BB/L B/L B/L B/L B/L B/LBBBBRR
PPPL L LRR RR R
B
OP Gy
R
B/Y Sb
P/B
R/BLgB/RG/WBr/WB/L L Y
RB
B/LGy
R
O
O
R(BLACK) (BLACK)
B/W
4
1
3
2
5
67
8
10
9
1211
13
1415
16
17
Page 317 of 384

IMPIANTO DI INIEZIONE CARBURANTE
8-11
1. Sensore di posizione dell’albero motore
2. Magnete in CA
3. Raddrizzatore/regolatore
4. Connettore giunto
5. Condensatore
7. Interruttore di arresto motore
8. Interruttore folle
9. ECU
12.Iniettore carburante
13.Pompa del carburante
14.Sensore temperatura aria di aspirazione
15.Sensore temperatura liquido refrigerante
16.Sensore posizione acceleratore
17.Sensore pressione aria di aspirazione
Page 318 of 384

IMPIANTO DI INIEZIONE CARBURANTE
8-12
HAS1SM5329STRUMENTO DI DIAGNOSTICA YAMAHA
Questo modello utilizza lo strumento di diagnostica Yamaha per identificare i guasti.
Per informazioni su come utilizzare lo strumento di diagnostica Yamaha, fare riferimento al manuale
operativo in dotazione con lo strumento.
CARATTERISTICHE DELLO STRUMENTO DI DIAGNOSTICA YAMAHA
Lo strumento di diagnostica Yamaha consente di analizzare i problemi più rapidamente rispetto ai
metodi tradizionali.
Utilizzando questo software, i dati dell’ECU e dei sensori, oltre alle informazioni su diagnosi dei guas-
ti, manutenzione del veicolo e di altro tipo possono essere registrati e visualizzati su un computer
mediante un adattatore USB collegato all’interfaccia del computer attraverso un cavo di comunicazi-
one collegato all’ECU del veicolo.
È possibile memorizzare i dati ottenuti utilizzando le varie funzioni.
FUNZIONI DELLO STRUMENTO DI DIAGNOSTICA YAMAHA
Tuttavia, lo strumento di diagnostica non può essere utilizzato a piacimento per cambiare le funzioni
di base del veicolo, ad esempio per regolare l’anticipo dell’accensione. Strumento di diagnostica Yama-
ha
90890-03231
Strumento di diagnostica Yama-
ha (US)
90890-03234
Modalità di diagnostica dei guasti Vengono letti i codici di guasto dell’ECU e i contenuti ven-
gono visualizzati.
Modalità di diagnostica del funzion-
amentoConsente di controllare il valore di uscita di ogni sensore
e attuatore.
Modalità di controllo Consente di determinare se un sensore o un attuatore
funziona correttamente.
Modalità di regolazione CO Consente di regolare la concentrazione di emissioni CO
con regime al minimo.
Modalità di monitoraggio Visualizza un grafico dei valori di uscita dei sensori per
stabilire le effettive condizioni di funzionamento.
Modalità di registrazione Consente di registrare e salvare il valore di uscita del sen-
sore in condizioni di guida.
Visualizzazione del registro Visualizza i dati registrati.
Riscrittura dell’ECU Se necessario, è possibile riscrivere l’ECU utilizzando gli
appositi dati forniti da Yamaha. Non è possibile modifi-
care la regolazione dell’anticipo dell’accensione ecc. ris-
petto allo stato originale del veicolo.
Page 319 of 384

IMPIANTO DI INIEZIONE CARBURANTE
8-13
COLLEGAMENTO DELLO STRUMENTO DI DIAGNOSTICA YAMAHA
1. Rimuovere il connettore per collegare lo strumento di impostazione.
2. Collegare il cavo secondario dello strumento di diagnostica FI.
3. Collegare il cavo secondario dello strumento di diagnostica FI alla batteria.
NOTA
• Preparare da se la batteria da 12 V completamente carica.
• Per informazioni su come collegare e utilizzare lo strumento di diagnostica Yamaha, fare riferimen-
to al "MANUALE DI FUNZIONAMENTO DELLO STRUMENTO DI DIAGNOSTICA YAMAHA".
HAS1SM5330DETTAGLI PER LA RICERCA GUASTI
Questa sezione descrive le azioni da effettuare per ogni numero di codice guasto visualizzato nello
strumento di diagnostica Yamaha. Controllare e riparare gli elementi o i componenti che causano il
malfunzionamento seguendo l’ordine specificato nella tabella di risoluzione dei problemi.
Dopo aver controllato e riparato la parte che non funziona correttamente, reimpostare la visualizza-
zione dello strumento di diagnostica Yamaha seguendo il “Metodo di ripristino”.
N. codice guasto:Visualizzato nello strumento di diagnostica Yamaha se il motore non funziona nor-
malmente
N. codice di diagnostica:Da utilizzare quando la modalità di diagnostica è attiva Cavo secondario strumento di di-
agnostica FI
90890-03212
YU-03212
1. Veicolo
2. Connettore per collegare la parte opzionale
3. Cavo secondario strumento di diagnostica
FI
4. Cablaggio secondario (incluso con lo stru-
mento di diagnostica Yamaha)
5. Cavo di comunicazione del veicolo (incluso
con lo strumento di diagnostica Yamaha)
6. Strumento di diagnostica Yamaha
7. Batteria (12 V)
1
3 2
2456
7
Page 320 of 384

IMPIANTO DI INIEZIONE CARBURANTE
8-14
Codice guasto 12
SintomoSensore posizione albero motore: non vengono ricevuti seg-
nali normali dal sensore di posizione dell’albero motore.
Sistema di prevenzione
guastiImpossibile avviare il motore
Impossibile guidare il veicolo
N. codice di diagnostica—
Visualizzazione nello stru-
mento di diagnostica—
Procedura—
Or-
dineCausa probabile del mal-
funzionamento e controlloAzione di manutenzione Metodo di ripristino
1 Collegamento del connettore
del sensore di posizione
dell’albero motore.
Controllare la condizione di
bloccaggio del connettore.
Scollegare il connettore e
controllare i perni (terminali
piegati o rotti e condizione di
bloccaggio dei perni).Collegamento errato Col-
legare saldamente il connet-
tore o riparare/sostituire il
cablaggio elettrico.Avviare il motore.
Numero di codice guasto non
visualizzato Riparazione
completata.
N. di codice guasto visualiz-
zato Passare all’ordine
successivo.
2 Collegamento del connettore
ECU del cablaggio elettrico.
Controllare la condizione di
bloccaggio del connettore.
Scollegare il connettore e
controllare i perni (terminali
piegati o rotti e condizione di
bloccaggio dei perni).Collegamento errato Col-
legare saldamente il connet-
tore o riparare/sostituire il
cablaggio elettrico.Avviare il motore.
Numero di codice guasto non
visualizzato Riparazione
completata.
N. di codice guasto visualiz-
zato Passare all’ordine
successivo.
3 Continuità del cablaggio
elettrico.Aperto o in corto circuito
Sostituire il cablaggio elettri-
co.
Tra il connettore del sensore
di posizione dell’albero mo-
tore e il connettore ECU.
grigio–grigio
nero/blu–nero/bluAvviare il motore.
Numero di codice guasto non
visualizzato Riparazione
completata.
N. di codice guasto visualiz-
zato Passare all’ordine
successivo.
4 Condizione di montaggio del
sensore di posizione dell’al-
bero motore.
Verificare eventuali allenta-
menti o serraggi eccessivi.
Controllare lo spazio tra il
sensore di posizione dell’al-
bero motore e rotore pickup.Sensore montato erronea-
mente Rimontare o sosti-
tuire il sensore.
“GENERATORE E AVVIA-
MENTO UNIDIREZIONALE”
a pagina 5-63.Avviare il motore.
Numero di codice guasto non
visualizzato Riparazione
completata.
N. di codice guasto visualiz-
zato Passare all’ordine
successivo.
5 Il sensore di posizione dell’al-
bero motore è difettoso.Controllare il sensore di po-
sizione dell’albero motore.
“CONTROLLO DEL SEN-
SORE DI POSIZIONE
DELL’ALBERO MOTORE” a
pagina 8-46.Avviare il motore.
Numero di codice guasto non
visualizzato Riparazione
completata.
N. di codice guasto visualiz-
zato Passare all’ordine
successivo.