AUDI 5000CS 1986 C2 System Wiring Diagram

AUDI 5000CS 1986 C2 System Wiring Diagram 5000CS 1986 C2 AUDI AUDI https://www.carmanualsonline.info/img/6/833/w960_833-0.png AUDI 5000CS 1986 C2 System Wiring Diagram
Trending: instrument panel, mirror, door lock, fuse, seat memory, engine, seats

Page 1 of 27

AUDI 5000CS 1986 C2 System Wiring Diagram SYSTEM WIRING DIAGRAMS
Cooling Fan Circuit
1986 Audi 5000CS Turbo
For x    
Copyright © 1998 Mitchell Repair Information Company, LLCMonday, July 19, 2004  05:51PM

Page 2 of 27

AUDI 5000CS 1986 C2 System Wiring Diagram SYSTEM WIRING DIAGRAMS
10-Speaker System Circuit, Sedan
1986 Audi 5000CS Turbo
For x    
Copyright © 1998 Mitchell Repair Information Company, LLCMonday, July 19, 2004  05:53PM

Page 3 of 27

AUDI 5000CS 1986 C2 System Wiring Diagram SYSTEM WIRING DIAGRAMS
10-Speaker System Circuit, Wagon
1986 Audi 5000CS Turbo
For x    
Copyright © 1998 Mitchell Repair Information Company, LLCMonday, July 19, 2004  05:53PM

Page 4 of 27

AUDI 5000CS 1986 C2 System Wiring Diagram SYSTEM WIRING DIAGRAMS
Radio Circuits
1986 Audi 5000CS Turbo
For x    
Copyright © 1998 Mitchell Repair Information Company, LLCMonday, July 19, 2004  05:53PM

Page 5 of 27

AUDI 5000CS 1986 C2 System Wiring Diagram SYSTEM WIRING DIAGRAMS
Charging Circuit
1986 Audi 5000CS Turbo
For x    
Copyright © 1998 Mitchell Repair Information Company, LLCMonday, July 19, 2004  05:53PM

Page 6 of 27

AUDI 5000CS 1986 C2 System Wiring Diagram SYSTEM WIRING DIAGRAMS
Starting Circuit
1986 Audi 5000CS Turbo
For x    
Copyright © 1998 Mitchell Repair Information Company, LLCMonday, July 19, 2004  05:53PM

Page 7 of 27

AUDI 5000CS 1986 C2 System Wiring Diagram SYSTEM WIRING DIAGRAMS
Front Wiper/Washer Circuit
1986 Audi 5000CS Turbo
For x    
Copyright © 1998 Mitchell Repair Information Company, LLCMonday, July 19, 2004  05:53PM

Page 8 of 27

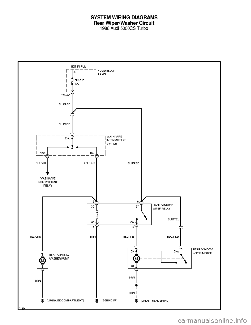
AUDI 5000CS 1986 C2 System Wiring Diagram SYSTEM WIRING DIAGRAMS
Rear Wiper/Washer Circuit
1986 Audi 5000CS Turbo
For x    
Copyright © 1998 Mitchell Repair Information Company, LLCMonday, July 19, 2004  05:53PM

Page 9 of 27

AUDI 5000CS 1986 C2 System Wiring Diagram SYSTEM WIRING DIAGRAMS
Defogger Circuit
1986 Audi 5000CS Turbo
For x    
Copyright © 1998 Mitchell Repair Information Company, LLCMonday, July 19, 2004  05:51PM

Page 10 of 27

AUDI 5000CS 1986 C2 System Wiring Diagram SYSTEM WIRING DIAGRAMS
Horn Circuit
1986 Audi 5000CS Turbo
For x    
Copyright © 1998 Mitchell Repair Information Company, LLCMonday, July 19, 2004  05:52PM
Page:   1-10 11-20 21-30 next >
Trending: fuse diagram, lock, door lock, fuse, seats, charging, instrument panel