spark plugs replace CHRYSLER PT CRUISER 2007 1.G Owners Manual
[x] Cancel search | Manufacturer: CHRYSLER, Model Year: 2007, Model line: PT CRUISER, Model: CHRYSLER PT CRUISER 2007 1.GPages: 467, PDF Size: 7.57 MB
Page 359 of 467

MAINTAINING YOUR VEHICLE
CONTENTS
m2.4L Turbo Engine Compartment............362
m2.4L Engine Compartment................363
mOnboard Diagnostic System Ð OBD II........364
NLoose Fuel Filler Cap Message............364
mEmissions Inspection And Maintenance
Programs............................365
mReplacement Parts......................366
mDealer Service.........................367
mMaintenance Procedures..................367NEngine Oil..........................368
NDrive Belts Ð Check Condition And Tension . . 372
NSpark Plugs.........................372
NIgnition Wiring System.................372
NCatalytic Converter....................372
NEngine Timing Belt....................374
NCrankcase Emission Control System........374
NFuel Filter..........................374
NAir Cleaner Element (Filter)..............375
7
Page 372 of 467

Drive Belts Ð Check Condition and Tension
At the mileage shown in the maintenance schedules,
check all drive belts for condition and proper tension.
Improper belt tension can cause belt slippage and failure.
Inspect the drive belts for evidence of cuts, cracks, or
glazing and replace them if there is any sign of damage
which could result in belt failure. If adjustment is re-
quired, see your authorized dealer for service.
Special tools are required to properly measure tension
and to restore belt tension to factory specifications. Also,
check belt routing to make sure there is no interference
between the belts and other engine components.
Spark Plugs
Spark plugs must fire properly to assure engine perfor-
mance and emission control. New plugs should be in-
stalled at the specified mileage. The entire set should be
replaced if there is any malfunction due to a faulty sparkplug. Refer to the Engine data Label located under the
hood for the proper type of spark plug for use in your
vehicle.
Ignition Wiring System
The ignition cables should be kept clean and properly
connected. Terminals should be fully seated. Cracked,
damaged, or faulty cables should be replaced.
Catalytic Converter
The catalytic converter requires the use of unleaded fuel
only. Leaded gasoline will destroy the effectiveness of the
catalyst as an emission control device.
Under normal operating conditions, the catalytic con-
verter will not require maintenance. However, it is im-
portant to keep the engine properly tuned to assure
proper catalyst operation and prevent possible catalyst
damage.
372 MAINTAINING YOUR VEHICLE
Page 420 of 467

Miles 21,000 24,000 27,000 30,000 33,000 36,000
(Kilometers) (35 000) (40 000) (45 000) (50 000) (55 000) (60 000)
Change engine oil and engine oil filter, if not
replaced at 3 months.XXXXX X
Rotate tires. X X X
Inspect the brake linings. X X
Replace theengine air cleaner filter.X
Replace thespark plugs.X
Inspect the tie rod ends and boot seals. X
Inspect thePCV valveand replace as neces-
sary.*X
Replace theMake-up air filter.X
Adjust the generator drive belt tension. X
420 SCHEDULE ªBºÐALL ENGINES
8
M
A
I
N
T
E
N
A
N
C
E
S
C
H
E
D
U
L
E
S
Page 422 of 467

Miles 57,000 60,000 63,000 66,000 69,000 72,000
(Kilometers) (95 000) (100 000) (105 000) (110 000) (115 000) (120 000)
Change engine oil and engine oil filter, if not
replaced at 3 months.XXXXX X
Rotate tires. X X X
Inspect the brake linings. X X
Replace theengine air cleaner filter.X
Replace thespark plugs and ignition cables.X
Inspect the tie rod ends and boot seals. X
Inspect thePCV valveand replace if neces-
sary. Not required if previously changed. * ³X
Replace theMake-up air filter.X
Adjust the generator drive belt tension. X
Change the automatic transaxle fluid and fil-
ter.LX
Flush and replace engine coolant at 60
months, if not done at 102,000 miles.X
422 SCHEDULE ªBºÐALL ENGINES
8
M
A
I
N
T
E
N
A
N
C
E
S
C
H
E
D
U
L
E
S
Page 423 of 467

Miles 75,000 78,000 81,000 84,000 87,000 90,000
(Kilometers) (125 000) (130 000) (135 000) (140 000) (145 000) (150 000)
Change engine oil and engine oil filter, if not
replaced at 3 months.XXXXX X
Rotate tires. X X X
Inspect the brake linings. X
Inspect theengine air cleaner filterand re-
place as necessary.*X
Replace theengine air cleaner filter.X
Replace thespark plugs.X
Inspect the tie rod ends and boot seals. X
Inspect thePCV valveand replace if neces-
sary. Not required if previously changed. * ³X
Inspect theMake-up air filter,replace as nec-
essary.X
Adjust the generator drive belt tension. X
Replace theMake-up air filter.X
SCHEDULE ªBºÐALL ENGINES 423
8
M
A
I
N
T
E
N
A
N
C
E
S
C
H
E
D
U
L
E
S
Page 425 of 467

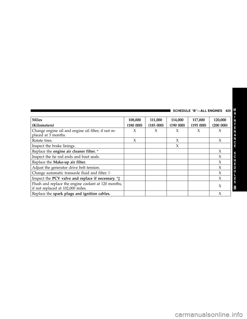
Miles 108,000 111,000 114,000 117,000 120,000
(Kilometers) (180 000) (185 000) (190 000) (195 000) (200 000)
Change engine oil and engine oil filter, if not re-
placed at 3 months.XXXXX
Rotate tires. X X X
Inspect the brake linings. X
Replace theengine air cleaner filter.*X
Inspect the tie rod ends and boot seals. X
Replace theMake-up air filter.X
Adjust the generator drive belt tension. X
Change automatic transaxle fluid and filter.LX
Inspect thePCV valve and replace if necessary.*³ X
Flush and replace the engine coolant at 120 months,
if not replaced at 102,000 miles.X
Replace thespark plugs and ignition cables.X
SCHEDULE ªBºÐALL ENGINES 425
8
M
A
I
N
T
E
N
A
N
C
E
S
C
H
E
D
U
L
E
S
Page 427 of 467

Miles 138,000 141,000 144,000 147,000 150,000
(Kilometers) (230 000) (235 000) (240 000) (245 000) (250 000)
Change engine oil and engine oil filter, if not re-
placed at 3 months.XXXXX
Rotate tires. X X X
Inspect the brake linings. X
Replace theengine air cleaner filter.*X
Replace the spark plugs.X
Change the manual transaxle fluid.² X
Replace theMake-up air filter.X
Inspect thePCV valve and replace if necessary.*³ X
* This maintenance is recommended by the manufacturer
to the owner, but is not required to maintain the emis-
sions warranty.
³ This maintenance is not required if previously replaced.
² This maintenance is required only for police, taxi,
limousine type operation, or trailer towing.LThis maintenance is required only for police, taxi,
limousine type operation, or trailer towing.
Inspection and service should also be performed anytime
a malfunction is observed or suspected. Retain all re-
ceipts.
SCHEDULE ªBºÐALL ENGINES 427
8
M
A
I
N
T
E
N
A
N
C
E
S
C
H
E
D
U
L
E
S
Page 428 of 467
![CHRYSLER PT CRUISER 2007 1.G Owners Manual SCHEDULE ªAºÐNON TURBO
Miles 6,000 12,000 18,000 24,000 30,000 36,000
(Kilometers) (10 000) (20 000) (30 000) (40 000) (50 000) (60 000)
[Months] [6] [12] [18] [24] [30] [36]
Change engine oil and CHRYSLER PT CRUISER 2007 1.G Owners Manual SCHEDULE ªAºÐNON TURBO
Miles 6,000 12,000 18,000 24,000 30,000 36,000
(Kilometers) (10 000) (20 000) (30 000) (40 000) (50 000) (60 000)
[Months] [6] [12] [18] [24] [30] [36]
Change engine oil and](/img/25/8515/w960_8515-427.png)
SCHEDULE ªAºÐNON TURBO
Miles 6,000 12,000 18,000 24,000 30,000 36,000
(Kilometers) (10 000) (20 000) (30 000) (40 000) (50 000) (60 000)
[Months] [6] [12] [18] [24] [30] [36]
Change engine oil and engine oil filter. XXXXXX
Rotate tires. XXXXXX
Inspect the brake linings. X X
Replace theengine air cleaner filter.X
Replace thespark plugs.X
Inspect the tie rod ends and boot seals. X
Replace theMake-up air filter.X
Adjust the generator drive belt tension X
428 SCHEDULE ªAºÐNON TURBO
8
M
A
I
N
T
E
N
A
N
C
E
S
C
H
E
D
U
L
E
S
Page 429 of 467
![CHRYSLER PT CRUISER 2007 1.G Owners Manual Miles 42,000 48,000 54,000 60,000 66,000
(Kilometers) (70 000) (80 000) (90 000) (100 000) (110 000)
[Months] [42] [48] [54] [60] [66]
Change engine oil and engine oil filter.XXXXX
Rotate tires.XXXXX
CHRYSLER PT CRUISER 2007 1.G Owners Manual Miles 42,000 48,000 54,000 60,000 66,000
(Kilometers) (70 000) (80 000) (90 000) (100 000) (110 000)
[Months] [42] [48] [54] [60] [66]
Change engine oil and engine oil filter.XXXXX
Rotate tires.XXXXX](/img/25/8515/w960_8515-428.png)
Miles 42,000 48,000 54,000 60,000 66,000
(Kilometers) (70 000) (80 000) (90 000) (100 000) (110 000)
[Months] [42] [48] [54] [60] [66]
Change engine oil and engine oil filter.XXXXX
Rotate tires.XXXXX
Inspect the brake linings. X
Replace theengine air cleaner filter.X
Replace thespark plugs and ignition cables.X
Inspect the tie rod ends and boot seals. X
Inspect thePCV valveand replace, if necessary.* X
Flush and replace the engine coolant at 60 months, if
not done at 102,000 miles.X
Replace theMake-up air filter.X
Adjust the generator drive belt tension. X
SCHEDULE ªAºÐNON TURBO 429
8
M
A
I
N
T
E
N
A
N
C
E
S
C
H
E
D
U
L
E
S
Page 430 of 467
![CHRYSLER PT CRUISER 2007 1.G Owners Manual Miles 72,000 78,000 84,000 90,000 96,000 102,000
(Kilometers) (120 000) (130 000) (140 000) (150 000) (160 000) (170 000)
[Months] [72] [78] [84] [90] [96] [102]
Change engine oil and engine oil filte CHRYSLER PT CRUISER 2007 1.G Owners Manual Miles 72,000 78,000 84,000 90,000 96,000 102,000
(Kilometers) (120 000) (130 000) (140 000) (150 000) (160 000) (170 000)
[Months] [72] [78] [84] [90] [96] [102]
Change engine oil and engine oil filte](/img/25/8515/w960_8515-429.png)
Miles 72,000 78,000 84,000 90,000 96,000 102,000
(Kilometers) (120 000) (130 000) (140 000) (150 000) (160 000) (170 000)
[Months] [72] [78] [84] [90] [96] [102]
Change engine oil and engine oil filter.XXXXXX
Rotate tires.XXXXXX
Inspect the brake linings. X X
Replace theengine air cleaner filter.X
Replace thespark plugs.X
Replace theengine timing belt.*X
Inspect the tie rod ends and boot seals. X
Inspect thePCV valveand replace if necessary.
Not required if previously changed. * ³X
Replace theMake-up air filter.X
Adjust the generator drive belt tension. X
Flush and replace the engine coolant, if not re-
placed at 60 months.X
430 SCHEDULE ªAºÐNON TURBO
8
M
A
I
N
T
E
N
A
N
C
E
S
C
H
E
D
U
L
E
S