INFINITI FX35 2004 Service Manual
FX35 2004
INFINITI
INFINITI
https://www.carmanualsonline.info/img/42/57021/w960_57021-0.png
INFINITI FX35 2004 Service Manual
Trending: jump cable, oil type, tire pressure reset, weight, radio controls, power steering pressure hose, snow chains
Page 1981 of 4449
EC-640
[VQ35DE]
SNOW MODE SWITCH
Revision: 2004 November 2004 FX35/FX45
12. CHECK “UNIFIED METER AND A/C AMP.”
Refer to DI-28, "
UNIFIED METER AND A/C AMP" .
OK or NG
OK >> GO TO 13.
NG >> Replace “unified meter and A/C amp.”.
13. CHECK INTERMITTENT INCIDENT
Refer to EC-135, "
TROUBLE DIAGNOSIS FOR INTERMITTENT INCIDENT" .
>>INSPECTION END
Component InspectionABS00A2P
SNOW MODE SWITCH
1. Check snow mode switch continuity between terminals 1 and 3
under the following condition.
2. If NG, replace snow mode switch.
CONDITION CONTINUITY
Snow mode switch is ON Should exist
Snow mode switch is OFF Should not exist
PBIB2012E
Page 1982 of 4449
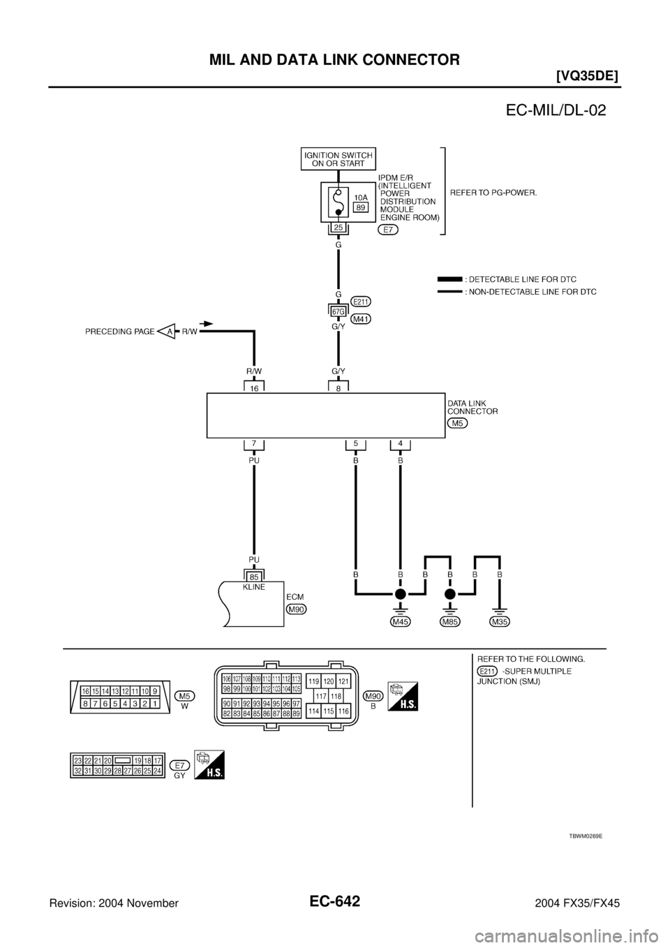
MIL AND DATA LINK CONNECTOR
EC-641
[VQ35DE]
C
D
E
F
G
H
I
J
K
L
MA
EC
Revision: 2004 November 2004 FX35/FX45
MIL AND DATA LINK CONNECTORPFP:24814
Wiring DiagramABS006Z6
TBWM0268E
Page 1983 of 4449
EC-642
[VQ35DE]
MIL AND DATA LINK CONNECTOR
Revision: 2004 November 2004 FX35/FX45
TBWM0269E
Page 1984 of 4449
![INFINITI FX35 2004 Service Manual EVAPORATIVE EMISSION SYSTEM
EC-643
[VQ35DE]
C
D
E
F
G
H
I
J
K
L
MA
EC
Revision: 2004 November 2004 FX35/FX45
EVAPORATIVE EMISSION SYSTEMPFP:14950
DescriptionABS006Z7
SYSTEM DESCRIPTION
The evaporative INFINITI FX35 2004 Service Manual EVAPORATIVE EMISSION SYSTEM
EC-643
[VQ35DE]
C
D
E
F
G
H
I
J
K
L
MA
EC
Revision: 2004 November 2004 FX35/FX45
EVAPORATIVE EMISSION SYSTEMPFP:14950
DescriptionABS006Z7
SYSTEM DESCRIPTION
The evaporative](/img/42/57021/w960_57021-1983.png)
EVAPORATIVE EMISSION SYSTEM
EC-643
[VQ35DE]
C
D
E
F
G
H
I
J
K
L
MA
EC
Revision: 2004 November 2004 FX35/FX45
EVAPORATIVE EMISSION SYSTEMPFP:14950
DescriptionABS006Z7
SYSTEM DESCRIPTION
The evaporative emission system is used to reduce hydrocarbons emitted into the atmosphere from the fuel
system. This reduction of hydrocarbons is accomplished by activated charcoals in the EVAP canister.
The fuel vapor in the sealed fuel tank is led into the EVAP canister which contains activated carbon and the
vapor is stored there when the engine is not operating or when refueling to the fuel tank.
The vapor in the EVAP canister is purged by the air through the purge line to the intake manifold when the
engine is operating. EVAP canister purge volume control solenoid valve is controlled by ECM. When the
engine operates, the flow rate of vapor controlled by EVAP canister purge volume control solenoid valve is
proportionally regulated as the air flow increases.
EVAP canister purge volume control solenoid valve also shuts off the vapor purge line during decelerating and
idling.
PBIB1631E
Page 1985 of 4449
EC-644
[VQ35DE]
EVAPORATIVE EMISSION SYSTEM
Revision: 2004 November 2004 FX35/FX45
EVAPORATIVE EMISSION LINE DRAWING
PBIB2008E
Page 1986 of 4449
EVAPORATIVE EMISSION SYSTEM
EC-645
[VQ35DE]
C
D
E
F
G
H
I
J
K
L
MA
EC
Revision: 2004 November 2004 FX35/FX45
PBIB2295E
Page 1987 of 4449
![INFINITI FX35 2004 Service Manual EC-646
[VQ35DE]
EVAPORATIVE EMISSION SYSTEM
Revision: 2004 November 2004 FX35/FX45
Component InspectionABS006Z8
EVAP CANISTER
Check EVAP canister as follows:
1. Block port B .
2. Blow air into port A INFINITI FX35 2004 Service Manual EC-646
[VQ35DE]
EVAPORATIVE EMISSION SYSTEM
Revision: 2004 November 2004 FX35/FX45
Component InspectionABS006Z8
EVAP CANISTER
Check EVAP canister as follows:
1. Block port B .
2. Blow air into port A](/img/42/57021/w960_57021-1986.png)
EC-646
[VQ35DE]
EVAPORATIVE EMISSION SYSTEM
Revision: 2004 November 2004 FX35/FX45
Component InspectionABS006Z8
EVAP CANISTER
Check EVAP canister as follows:
1. Block port B .
2. Blow air into port A and check that it flows freely out of port C .
3. Release blocked port B .
4. Apply vacuum pressure to port B and check that vacuum pres-
sure exists at the ports A and C .
5. Block port A and B .
6. Apply pressure to port C and check that there is no leakage.
FUEL TANK VACUUM RELIEF VALVE (BUILT INTO FUEL FULLER CAP)
1. Wipe clean valve housing.
2. Check valve opening pressure and vacuum.
3. If out of specification, replace fuel filler cap as an assembly.
CAUTION:
Use only a genuine fuel filler cap as a replacement. If an incor-
rect fuel filler cap is used, the MIL may come on.
EVAP CANISTER PURGE VOLUME CONTROL SOLENOID VALVE
Refer to EC-340 .
FUEL TANK TEMPERATURE SENSOR
Refer to EC-277 .
EVAP CANISTER VENT CONTROL VALVE
Refer to EC-347 .
EVAP CONTROL SYSTEM PRESSURE SENSOR
Refer to EC-357 .
PBIB1044E
SEF445Y
Pressure:
15.3 - 20.0 kPa (0.156 - 0.204 kg/cm2 , 2.22
- 2.90 psi)
Va c u u m :
−6.0 to −3.3 kPa (−0.061 to −0.034 kg/cm
2 ,
−0.87 to −0.48 psi)
SEF943S
Page 1988 of 4449
EVAPORATIVE EMISSION SYSTEM
EC-647
[VQ35DE]
C
D
E
F
G
H
I
J
K
L
MA
EC
Revision: 2004 November 2004 FX35/FX45
EVAP SERVICE PORT
Positive pressure is delivered to the EVAP system through the EVAP
service port. If fuel vapor leakage in the EVAP system occurs, use a
leak detector to locate the leak.
Removal and InstallationABS006Z9
EVAP CANISTER
Tighten EVAP canister as shown in the figure.
EVAP CANISTER VENT CONTROL VALVE
1. Turn EVAP canister vent control valve counterclockwise.
2. Remove the EVAP canister vent control valve.
Do not reuse the O-ring, replace it with a new one.
How to Detect Fuel Vapor LeakageABS006ZA
CAUTION:
Never use compressed air or a high pressure pump.
Do not exceed 4.12 kPa (0.042 kg/cm2 , 0.6 psi) of pressure in EVAP system.
NOTE:
Do not start engine.
Improper installation of EVAP service port adapter to the EVAP service port may cause a leak.
SEF462UA
PBIB1029E
PBIB1030E
Page 1989 of 4449
EC-648
[VQ35DE]
EVAPORATIVE EMISSION SYSTEM
Revision: 2004 November 2004 FX35/FX45
WITH CONSULT-II
1. Attach the EVAP service port adapter securely to the EVAP service port.
2. Also attach the pressure pump and hose to the EVAP service port adapter.
3. Turn ignition switch ON.
4. Select the “EVAP SYSTEM CLOSE” of “WORK SUPPORT
MODE” with CONSULT-II.
5. Touch “START”. A bar graph (Pressure indicating display) will
appear on the screen.
6. Apply positive pressure to the EVAP system until the pressure
indicator reaches the middle of the bar graph.
7. Remove EVAP service port adapter and hose with pressure
pump.
8. Locate the leak using a leak detector. Refer to EC-644, "
EVAP-
ORATIVE EMISSION LINE DRAWING" .
WITHOUT CONSULT-II
1. Attach the EVAP service port adapter securely to the EVAP ser-
vice port.
2. Also attach the pressure pump with pressure gauge to the EVAP
service port adapter.
PEF838U
PEF917U
SEF200U
SEF462UA
Page 1990 of 4449
EVAPORATIVE EMISSION SYSTEM
EC-649
[VQ35DE]
C
D
E
F
G
H
I
J
K
L
MA
EC
Revision: 2004 November 2004 FX35/FX45
3. Apply battery voltage between the terminals of EVAP canister vent control valve to make a closed EVAP
system.
4. To locate the leak, deliver positive pressure to the EVAP system until pressure gauge points reach 1.38 to
2.76 kPa (0.014 to 0.028 kg/cm
2 , 0.2 to 0.4 psi).
5. Remove EVAP service port adapter and hose with pressure pump.
6. Locate the leak using a leak detector. Refer to EC-644, "
EVAPORATIVE EMISSION LINE DRAWING" .
PBIB1611E
Trending: fuel pump, power steering, reset sun roof, coolant level, Door lock control unit, wiring diagram, oil dipstick