Abs INFINITI FX35 2004 Workshop Manual
[x] Cancel search | Manufacturer: INFINITI, Model Year: 2004, Model line: FX35, Model: INFINITI FX35 2004Pages: 4449, PDF Size: 99.66 MB
Page 1145 of 4449
![INFINITI FX35 2004 Workshop Manual BRC-20
[VDC/TCS/ABS]
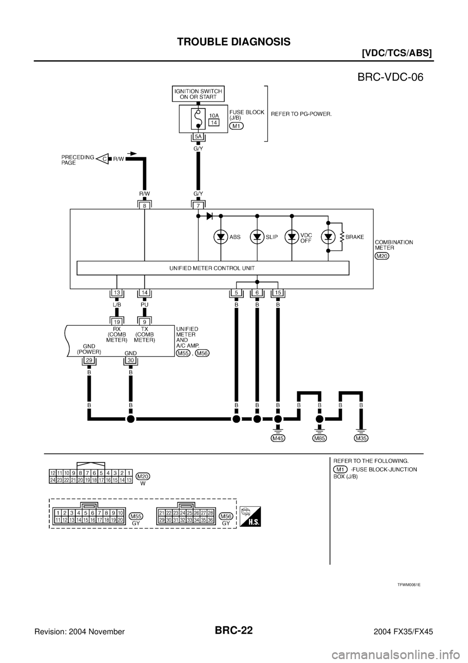
TROUBLE DIAGNOSIS
Revision: 2004 November 2004 FX35/FX45
TFWM0059E INFINITI FX35 2004 Workshop Manual BRC-20
[VDC/TCS/ABS]
TROUBLE DIAGNOSIS
Revision: 2004 November 2004 FX35/FX45
TFWM0059E](/img/42/57021/w960_57021-1144.png)
BRC-20
[VDC/TCS/ABS]
TROUBLE DIAGNOSIS
Revision: 2004 November 2004 FX35/FX45
TFWM0059E
Page 1146 of 4449
![INFINITI FX35 2004 Workshop Manual TROUBLE DIAGNOSIS
BRC-21
[VDC/TCS/ABS]
C
D
E
G
H
I
J
K
L
MA
B
BRC
Revision: 2004 November 2004 FX35/FX45
TFWM0060E INFINITI FX35 2004 Workshop Manual TROUBLE DIAGNOSIS
BRC-21
[VDC/TCS/ABS]
C
D
E
G
H
I
J
K
L
MA
B
BRC
Revision: 2004 November 2004 FX35/FX45
TFWM0060E](/img/42/57021/w960_57021-1145.png)
TROUBLE DIAGNOSIS
BRC-21
[VDC/TCS/ABS]
C
D
E
G
H
I
J
K
L
MA
B
BRC
Revision: 2004 November 2004 FX35/FX45
TFWM0060E
Page 1147 of 4449
![INFINITI FX35 2004 Workshop Manual BRC-22
[VDC/TCS/ABS]
TROUBLE DIAGNOSIS
Revision: 2004 November 2004 FX35/FX45
TFWM0061E INFINITI FX35 2004 Workshop Manual BRC-22
[VDC/TCS/ABS]
TROUBLE DIAGNOSIS
Revision: 2004 November 2004 FX35/FX45
TFWM0061E](/img/42/57021/w960_57021-1146.png)
BRC-22
[VDC/TCS/ABS]
TROUBLE DIAGNOSIS
Revision: 2004 November 2004 FX35/FX45
TFWM0061E
Page 1148 of 4449
![INFINITI FX35 2004 Workshop Manual TROUBLE DIAGNOSIS
BRC-23
[VDC/TCS/ABS]
C
D
E
G
H
I
J
K
L
MA
B
BRC
Revision: 2004 November 2004 FX35/FX45
Control Unit Input/Output Signal StandardAFS001SP
REFERENCE VALUE FROM CONSULT-II
CAUTION:
The INFINITI FX35 2004 Workshop Manual TROUBLE DIAGNOSIS
BRC-23
[VDC/TCS/ABS]
C
D
E
G
H
I
J
K
L
MA
B
BRC
Revision: 2004 November 2004 FX35/FX45
Control Unit Input/Output Signal StandardAFS001SP
REFERENCE VALUE FROM CONSULT-II
CAUTION:
The](/img/42/57021/w960_57021-1147.png)
TROUBLE DIAGNOSIS
BRC-23
[VDC/TCS/ABS]
C
D
E
G
H
I
J
K
L
MA
B
BRC
Revision: 2004 November 2004 FX35/FX45
Control Unit Input/Output Signal StandardAFS001SP
REFERENCE VALUE FROM CONSULT-II
CAUTION:
The display shows ABS actuator and electric unit (control unit) calculation data, so a normal value
might be displayed even in the event the output circuit (harness) is open or short-circuited.
Monitor item Display contentData monitor
Note: Error inspection
checklist
ConditionReference value in
normal operation
SLCT LVR POSI A/T shift positionP: P position
R: R position
N: N position
D: D position
—
GEAR A/T gear position1: 1st gear
2: 2nd gear
3: 3rd gear
4: 4th gear
5: 5th gear
FR RH SENSOR
FR LH SENSOR
RR RH SENSOR
RR LH SENSORWheel speedVehicle stopped 0 [km/h (MPH)]
BRC-37, "
Inspection 1:
Wheel Sensor System"Vehicle running (Note 1)Almost in accor-
dance with speed-
ometer display
(within ±10 %)
ACCEL POS SIG Open/close condition
of throttle valve (linked
with accelerator pedal).Accelerator pedal not
depressed (ignition switch is
ON)0 %
Communication circuit
between VDC/TCS/ABS
control unit and ECM
Depress accelerator pedal
(ignition switch is ON)0 to 100 %
ENGINE SPEED With engine runningWith engine stopped 0 rpm
EC section
Engine runningAlmost in accor-
dance with
tachometer display
STR ANGLE SIGSteering angle
detected by steering
angle sensorStraight-ahead Approx. 0 degBRC-42, "
Inspection 5:
Steering Angle Sensor
System"Steering wheel turned –756 to 756 deg
YAW RATE SENYaw rate detected by
yaw rate sensorVehicle stopped Approx. 0 d/sBRC-44, "
Inspection 6:
Yaw Rate/Side G-Sen-
sor (2WD model), Yaw
Rate/Side/Decel G-sen-
sor (AWD models) Sys-
tem"
Vehicle running –100 to 100 d/s
SIDE G-SENSORTransverse G detected
by side G-sensorVehicle stopped
Approx. 0 m/s
2BRC-44, "Inspection 6:
Yaw Rate/Side G-Sen-
sor (2WD model), Yaw
Rate/Side/Decel G-sen-
sor (AWD models) Sys-
tem"
Vehicle running
–16.7 to 16.7 m/s2
PRESS SENSORBrake fluid pressure
detected by pressure
sensorWith ignition switch turned ON
and brake pedal releasedApprox. 0 bar
BRC-40, "
Inspection 4:
Pressure Sensor Sys-
tem"With ignition switch turned ON
and brake pedal depressed0 to 170 bar
BATTERY VOLTBattery voltage sup-
plied to ABS actuator
and electric unit (con-
trol unit)Ignition switch ON 10 to 16 VBRC-48, "
Inspection 9:
ABS Actuator and Elec-
tric Unit (Control Unit)
Power Supply and
Ground System"
STOP LAMP SW Brake pedal operationBrake pedal depressed ONBRC-50, "
Inspection 10:
Stop Lamp Switch Sys-
tem"Brake pedal not depressed OFF
Page 1149 of 4449
![INFINITI FX35 2004 Workshop Manual BRC-24
[VDC/TCS/ABS]
TROUBLE DIAGNOSIS
Revision: 2004 November 2004 FX35/FX45
OFF SWVDC OFF switch
ON/OFF status VDC OFF switch ON
(When VDC OFF indicator
lamp is ON)ON
BRC-53, "VDC OFF
SWITCH"VDC O INFINITI FX35 2004 Workshop Manual BRC-24
[VDC/TCS/ABS]
TROUBLE DIAGNOSIS
Revision: 2004 November 2004 FX35/FX45
OFF SWVDC OFF switch
ON/OFF status VDC OFF switch ON
(When VDC OFF indicator
lamp is ON)ON
BRC-53, "VDC OFF
SWITCH"VDC O](/img/42/57021/w960_57021-1148.png)
BRC-24
[VDC/TCS/ABS]
TROUBLE DIAGNOSIS
Revision: 2004 November 2004 FX35/FX45
OFF SWVDC OFF switch
ON/OFF status VDC OFF switch ON
(When VDC OFF indicator
lamp is ON)ON
BRC-53, "VDC OFF
SWITCH"VDC OFF switch OFF
(When VDC OFF indicator
lamp is OFF)OFF
ABS WARN LAMPABS warning lamp ON
condition (Note 2)ABS warning lamp ON ONBRC-37, "
BASIC
INSPECTION 3: ABS
WARNING LAMP, VDC
OFF INDICATOR LAMP,
SLIP INDICATOR LAMP
and BRAKE WARNING
LAMP INSPECTION"
ABS warning lamp OFF OFF
MOTOR RELAYOperation status of
motor and motor relayIgnition switch ON or engine
running (ABS not operated)OFF
BRC-47, "
Inspection 8:
Actuator Motor System"Ignition switch ON or engine
running (ABS operated)ON
ACTUATOR RLYActuator relay opera-
tion statusActuator (solenoid) is active
(“ACTIVE TEST” with CON-
SULT-II)ON
BRC-47, "
Inspection 8:
Actuator Motor System"When actuator relay is inactive
(in fail-safe mode)OFF
OFF LAMPVDC OFF indicator
lamp status (Note 3) When VDC OFF indicator
lamp is ONON
BRC-37, "
BASIC
INSPECTION 3: ABS
WARNING LAMP, VDC
OFF INDICATOR LAMP,
SLIP INDICATOR LAMP
and BRAKE WARNING
LAMP INSPECTION"
When VDC OFF indicator
lamp is OFFOFF
SLIP LAMPSLIP indicator lamp
status (Note 4)When SLIP indicator lamp is
ONON
When SLIP indicator lamp is
OFFOFF
FR LH IN SOL
FR LH OUT SOL
FR RH IN SOL
FR RH OUT SOL
RR RH IN SOL
RR RH OUT SOL
RR LH IN SOL
RR LH OUT SOLSolenoid valve opera-
tionActuator (solenoid) is active
(“ACTIVE TEST” with CON-
SULT-II) and actuator relay is
active (ignition switch ON)ON
BRC-46, "
Inspection 7:
Solenoid and VDC
Change-Over Valve Sys-
tem"
When actuator (solenoid) is
not active or actuator relay is
inactive (in fail-safe mode)OFF
CV1
CV2
SV1
SV2VDC/TCS switch-over
valve statusWhen actuator (switch-over
valve) is active (“ACTIVE
TEST” with CONSULT-II) and
actuator relay is active (ignition
switch ON)ON
When actuator (switch-over
valve) is not active or actuator
relay is inactive (in fail-safe
mode)OFF
DECEL G-SEN
(AWD model)Longitudinal accelera-
tion detected by Decel
G-Sensor [Note 5]Vehicle stopped approx. 0 GBRC-44, "
Inspection 6:
Yaw Rate/Side G-Sen-
sor (2WD model), Yaw
Rate/Side/Decel G-sen-
sor (AWD models) Sys-
tem"
Vehicle running -1.7 to +1.7 G Monitor item Display contentData monitor
Note: Error inspection
checklist
ConditionReference value in
normal operation
Page 1150 of 4449
![INFINITI FX35 2004 Workshop Manual TROUBLE DIAGNOSIS
BRC-25
[VDC/TCS/ABS]
C
D
E
G
H
I
J
K
L
MA
B
BRC
Revision: 2004 November 2004 FX35/FX45
Note 1: Confirm tire pressure is normal.
Note 2: ON/OFF timing of ABS warning lamp
ON: Approx. INFINITI FX35 2004 Workshop Manual TROUBLE DIAGNOSIS
BRC-25
[VDC/TCS/ABS]
C
D
E
G
H
I
J
K
L
MA
B
BRC
Revision: 2004 November 2004 FX35/FX45
Note 1: Confirm tire pressure is normal.
Note 2: ON/OFF timing of ABS warning lamp
ON: Approx.](/img/42/57021/w960_57021-1149.png)
TROUBLE DIAGNOSIS
BRC-25
[VDC/TCS/ABS]
C
D
E
G
H
I
J
K
L
MA
B
BRC
Revision: 2004 November 2004 FX35/FX45
Note 1: Confirm tire pressure is normal.
Note 2: ON/OFF timing of ABS warning lamp
ON: Approx. Within 2 seconds after ignition switch is turned ON, or when a malfunction is detected.
OFF: Approx. 2 seconds after ignition switch is turned ON (when system is in normal operation) and VDC/TCS function is not activated.
Note 3: ON/OFF timing of VDC OFF indicator lamp
ON: Approx. Within 2 seconds after ignition switch is turned ON, or when a malfunction is detected and VDC OFF switch is ON.
OFF: Approx 2 seconds after ignition switch is turned ON (when system is in normal operation.) And when VDC OFF switch is OFF.
Note 4: SLIP indicator lamp ON/OFF timing
ON: Approx. Within 2 seconds after ignition switch is turned ON, or when a malfunction is detected and VDC/TCS function is activated
while driving.
OFF: Approx. 2 seconds after ignition switch is turned ON (when system is in normal operation) and VDC/TCS function is not activated.
Blinking: VDC/TCS function is active during driving
Note 5: Only AWD model.
Note 6: Serves as EBD warning lamp.
CONSULT-II FunctionsAFS002Q8
CONSULT-II MAIN FUNCTION
In a diagnosis function (main function), there are “WORK SUPPORT”, “SELF-DIAGNOSTIC RESULTS”,
“DATA MONITOR”, “CAN DIAG SUPPORT MNTR”, “ACTIVE TEST”, “FUNCTION TEST”, “ECU PART NUM-
BER”.
FLUID LEV SWON/OFF status of
brake fluid level switchWhen brake fluid level switch
ONON
BRC-51, "
Inspection 11:
Brake Fluid Level Switch
System"When brake fluid level switch
OFF OFF
VDC FAIL SIG
TCS FAIL SIG
ABS FAIL SIG
EBD FAIL SIGFail signal statusVDC fail
TCS fail
ABS fail
EBD failON
VDC system
TCS system
ABS system
EBD system VDC normal
TCS normal
ABS normal
EBD normalOFF
EBD WARN LAMPBrake warning lamp on
condition (Note 6)Brake warning lamp ON ONBRC-37, "
BASIC
INSPECTION 3: ABS
WARNING LAMP, VDC
OFF INDICATOR LAMP,
SLIP INDICATOR LAMP
and BRAKE WARNING
LAMP INSPECTION"
Brake warning lamp OFF OFF
EBD SIGNAL EBD operationEBD active ON
— EBD not active OFF
ABS SIGNAL ABS operationABS active ON
ABS not active OFF
TCS SIGNAL TCS operationTCS active ON
TCS not active OFF
VDC SIGNAL VDC operationVDC active ON
VDC not active OFF
CRANKING SIG CRANKING statusCranking ON
Not cranking OFF
4WD FAIL REQ ETS fail status (Note 5)ETS fail ON
ETS normal OFF
2WD/4WD Drive axle2WD model 2WD
AW D mod el AWD Monitor item Display contentData monitor
Note: Error inspection
checklist
ConditionReference value in
normal operation
Page 1151 of 4449
![INFINITI FX35 2004 Workshop Manual BRC-26
[VDC/TCS/ABS]
TROUBLE DIAGNOSIS
Revision: 2004 November 2004 FX35/FX45
CONSULT-II BASIC OPERATION PROCEDURE
1. Turn ignition switch OFF.
2. Connect CONSULT-II and CONSULT-II CONVERTER to data l INFINITI FX35 2004 Workshop Manual BRC-26
[VDC/TCS/ABS]
TROUBLE DIAGNOSIS
Revision: 2004 November 2004 FX35/FX45
CONSULT-II BASIC OPERATION PROCEDURE
1. Turn ignition switch OFF.
2. Connect CONSULT-II and CONSULT-II CONVERTER to data l](/img/42/57021/w960_57021-1150.png)
BRC-26
[VDC/TCS/ABS]
TROUBLE DIAGNOSIS
Revision: 2004 November 2004 FX35/FX45
CONSULT-II BASIC OPERATION PROCEDURE
1. Turn ignition switch OFF.
2. Connect CONSULT-II and CONSULT-II CONVERTER to data link connector.
CAUTION:
If CONSULT-II is used with no connection of CONSULT-II CONVERTER, malfunctions might be
detected in self-diagnosis depending on control unit which carry out CAN communication.
3. Turn ignition switch ON.
4. Touch “START (NISSAN BASED VHCL)”.
5. Touch “ABS” in the “SELECT SYSTEM” screen.
If “ABS” is not indicated, go to GI-40, "
CONSULT-II Data Link
Connector (DLC) Circuit" .
Diagnostic
test modeFunction Reference
WORK SUP-
PORTThis mode enables a technician to adjust some devices faster and more accurately
by following the indications on CONSULT-II.BRC-6, "
Adjustment of Steer-
ing Angle Sensor Neutral
Position"
SELF-DIAG-
NOSTIC
RESULTSSelf-diagnostic results can be read and erased quickly.BRC-27, "
SELF-DIAGNOSIS"
DATA MONI-
TORInput/Output data in the ABS actuator and electric unit (control unit) can be read.BRC-30, "DATA MONITOR"
CAN DIAG
SUPPORT
MNTRThe results of transmit/receive diagnosis of communication can be read. —
ACTIVE TESTDiagnostic Test Mode in which CONSULT-II drives some actuators apart from the
ABS actuator and electric unit (control unit) and also shifts some parameters in a
specified range.BRC-33, "
ACTIVE TEST"
FUNCTION
TESTConducted by CONSULT-II instead of a technician to determine whether each sys-
tem is “OK” or “NG”.—
ECU PART
NUMBERABS actuator and electric unit (control unit) part number can be read. —
SKIA3098E
PKIA2102E
Page 1152 of 4449
![INFINITI FX35 2004 Workshop Manual TROUBLE DIAGNOSIS
BRC-27
[VDC/TCS/ABS]
C
D
E
G
H
I
J
K
L
MA
B
BRC
Revision: 2004 November 2004 FX35/FX45
6. Select the required diagnostic location from the “SELECT DIAG
MODE” screen.
For further INFINITI FX35 2004 Workshop Manual TROUBLE DIAGNOSIS
BRC-27
[VDC/TCS/ABS]
C
D
E
G
H
I
J
K
L
MA
B
BRC
Revision: 2004 November 2004 FX35/FX45
6. Select the required diagnostic location from the “SELECT DIAG
MODE” screen.
For further](/img/42/57021/w960_57021-1151.png)
TROUBLE DIAGNOSIS
BRC-27
[VDC/TCS/ABS]
C
D
E
G
H
I
J
K
L
MA
B
BRC
Revision: 2004 November 2004 FX35/FX45
6. Select the required diagnostic location from the “SELECT DIAG
MODE” screen.
For further information, see CONSULT-II Operation Manual.
SELF-DIAGNOSIS
Description
If an error is detected in the system, ABS warning lamp, VDC OFF indicator lamp and SLIP indicator lamp
on the combination meter turn on. In this case, perform self-diagnosis as follows:
While CONSULT-II is used, ABS warning lamp, VDC OFF indicator lamp, SLIP indicator lamp may be
turned on in a case of no malfunctioning.
Operation Procedure
1. Turn ignition switch OFF.
2. Connect CONSULT-II and CONSULT-II CONVERTER to data link connector.
CAUTION:
If CONSULT-II is used with no connection of CONSULT-II CONVERTER, malfunctions might be
detected in self-diagnosis depending on control unit which carry out CAN communication.
3. Turn ignition switch ON.
4. Start engine and drive at approximately 30 km/h (19 MPH) or more for approximately 1 minute.
5. After stopping vehicle, with the engine running, touch “START (NISSAN BASED VHCL)”, “ABS”, “SELF-
DIAG RESULTS” in order on the CONSULT-II screen.
CAUTION:
If “START (NISSAN BASED VHCL)” is touched immediately after starting engine or turning on the
ignition switch, “ABS” might not be displayed in the System Selection screen. In this case, repeat
the operation from step 1. If it cannot be shown after several attempts, ABS actuator and electric
unit (control unit) may have malfunctioned.
6. The self-diagnostic results are displayed. (If necessary, the self-diagnostic results can be printed out by
touching “PRINT”.)
When “NO FAILURE” is displayed, check ABS warning lamp, VDC OFF indicator lamp and SLIP indica-
tor lamp.
7. Perform the appropriate inspection from the display item list, and repair or replace the malfunctioning
component.
8. Drive the vehicle at approximately 30 km/h (19 MPH) or more for approximately 1 minute.
CAUTION:
In a case that a wheel sensor is malfunctioning, ABS warning lamp, VDC OFF indicator lamp,
SLIP indicator lamp will turn on. If vehicle is not driven at approximately 30 km/h (19 MPH) or
more for at least approximately 1 minute after repair of the wheel sensor system, ABS warning
lamp, VDC OFF indicator lamp and SLIP indicator lamp may not turn off even if everything is
normal. Check again to make sure that there is no malfunction on other parts.
9. Turn ignition switch OFF to prepare for erasing the memory.
10. Start engine and touch “START (NISSAN BASED VHCL)”, “ABS”, “SELF-DIAG RESULTS”, “ERASE
MEMORY” in order on the CONSULT-II screen to erase the error memory.
If “ABS” is not indicated, go to GI-40, "
CONSULT-II Data Link Connector (DLC) Circuit" .
CAUTION:
If the error memory is not erased, re-perform the operation from step 5.
11. For the final inspection, drive at approximately 30 km/h (19 MPH) or more for approximately 1 minute and
confirm that ABS warning lamp, VDC OFF indicator lamp and SLIP indicator lamp are OFF.
SFIA2436E
Page 1153 of 4449
![INFINITI FX35 2004 Workshop Manual BRC-28
[VDC/TCS/ABS]
TROUBLE DIAGNOSIS
Revision: 2004 November 2004 FX35/FX45
Display Item List
Self-diagnostic item Malfunction detecting condition Check system
FR LH SENSOR- 1
[C1104]Circuit of fron INFINITI FX35 2004 Workshop Manual BRC-28
[VDC/TCS/ABS]
TROUBLE DIAGNOSIS
Revision: 2004 November 2004 FX35/FX45
Display Item List
Self-diagnostic item Malfunction detecting condition Check system
FR LH SENSOR- 1
[C1104]Circuit of fron](/img/42/57021/w960_57021-1152.png)
BRC-28
[VDC/TCS/ABS]
TROUBLE DIAGNOSIS
Revision: 2004 November 2004 FX35/FX45
Display Item List
Self-diagnostic item Malfunction detecting condition Check system
FR LH SENSOR- 1
[C1104]Circuit of front LH wheel sensor is open, shorted or sensor power
voltage is unusual.
BRC-37, "
Inspection 1:
Wheel Sensor System"
(Note 1) RR RH SENSOR- 1
[C1101]Circuit of rear RH wheel sensor is open, shorted or sensor power
voltage is unusual.
FR RH SENSOR- 1
[C1103]Circuit of front RH wheel sensor is open, shorted or sensor power
voltage is unusual.
RR LH SENSOR- 1
[C1102]Circuit of rear LH wheel sensor is open, shorted or sensor power
voltage is unusual.
FR LH SENSOR- 2
[C1108]ABS actuator and electric unit (control unit) cannot identify sen-
sor pulses, because of large gap between wheel sensor and sen-
sor rotor.
RR RH SENSOR- 2
[C1105]ABS actuator and electric unit (control unit) cannot identify sen-
sor pulses, because of large gap between wheel sensor and sen-
sor rotor.
FR RH SENSOR- 2
[C1107]ABS actuator and electric unit (control unit) cannot identify sen-
sor pulses, because of large gap between wheel sensor and sen-
sor rotor.
RR LH SENSOR- 2
[C1106]ABS actuator and electric unit (control unit) cannot identify sen-
sor pulses, because of large gap between wheel sensor and sen-
sor rotor.
STOP LAMP SW
[C1116]Stop lamp switch circuit is open or shorted.BRC-50, "
Inspection 10:
Stop Lamp Switch Sys-
tem"
PRESS SEN CIRCUIT
[C1142]Pressure sensor signal line is open or shorted, or sensor power
voltage is unusual, or pressure sensor is malfunctioning.BRC-40, "Inspection 4:
Pressure Sensor Sys-
tem"
ST ANG SEN CIRCUIT
[C1143]Neutral position of steering angle sensor is dislocated, or steer-
ing angle sensor is malfunctioning.BRC-42, "Inspection 5:
Steering Angle Sensor
System"
YAW RATE SENSOR
[C1145]Yaw rate sensor has generated an error, or yaw rate sensor sig-
nal line is open or shorted.BRC-44, "
Inspection 6:
Yaw Rate/Side G-Sensor
(2WD model), Yaw Rate/
Side/Decel G-sensor
(AWD models) System"
Page 1154 of 4449
![INFINITI FX35 2004 Workshop Manual TROUBLE DIAGNOSIS
BRC-29
[VDC/TCS/ABS]
C
D
E
G
H
I
J
K
L
MA
B
BRC
Revision: 2004 November 2004 FX35/FX45
FR LH IN ABS SOL
[C1120]Circuit of front LH IN ABS solenoid is open or shorted, or control
lin INFINITI FX35 2004 Workshop Manual TROUBLE DIAGNOSIS
BRC-29
[VDC/TCS/ABS]
C
D
E
G
H
I
J
K
L
MA
B
BRC
Revision: 2004 November 2004 FX35/FX45
FR LH IN ABS SOL
[C1120]Circuit of front LH IN ABS solenoid is open or shorted, or control
lin](/img/42/57021/w960_57021-1153.png)
TROUBLE DIAGNOSIS
BRC-29
[VDC/TCS/ABS]
C
D
E
G
H
I
J
K
L
MA
B
BRC
Revision: 2004 November 2004 FX35/FX45
FR LH IN ABS SOL
[C1120]Circuit of front LH IN ABS solenoid is open or shorted, or control
line is open or shorted to power supply or ground.
BRC-46, "
Inspection 7:
Solenoid and VDC
Change-Over Valve Sys-
tem"
FR LH OUT ABS SOL
[C1121]Circuit of front LH OUT ABS solenoid is open or shorted, or con-
trol line is open or shorted to power supply or ground.
RR RH IN ABS SOL
[C1126]Circuit of rear RH IN ABS solenoid is open or shorted, or control
line is open or shorted to power supply or ground.
RR RH OUT ABS SOL
[C1127]Circuit of rear RH OUT ABS solenoid is open or shorted, or con-
trol line is open or shorted to power supply or ground.
FR RH IN ABS SOL
[C1122]Circuit of front RH IN ABS solenoid is open or shorted, or control
line is open or shorted to power supply or ground.
FR RH OUT ABS SOL
[C1123]Circuit of front RH OUT ABS solenoid is open or shorted, or con-
trol line is open or shorted to power supply or ground.
RR LH IN ABS SOL
[C1124]Circuit of rear LH IN ABS solenoid is open or shorted, or control
line is open or shorted to power supply or ground.
RR LH OUT ABS SOL
[C1125] Circuit of rear LH OUT ABS solenoid is open or shorted, or con-
trol line is open or shorted to power supply or ground.
CV1
[C1164]Primary side VDC switch-over solenoid valve 1 (cut valve 1) is
open or shorted, or control line is open or shorted to power sup-
ply or ground.
CV2
[C1165]Secondary side VDC switch-over solenoid valve 2 (cut valve 2) is
open or shorted, or control line is open or shorted to power sup-
ply or ground.
SV1
[C1166]Primary side VDC switch-over solenoid valve 1 (suction valve 1)
is open or shorted, or control line is open or shorted to power
supply or ground.
SV2
[C1167]Secondary side VDC switch-over solenoid valve 2 (suction valve
2) is open or shorted, or control line is open or shorted to power
supply or ground.
PUMP MOTOR (Note 3)
[ C 1111 ]During actuator motor operation with ON, when actuator motor
turns OFF or when control line for actuator motor relay is open.
BRC-47, "
Inspection 8:
Actuator Motor System"During actuator motor operation with OFF, when actuator motor
turns ON or when control line for relay is shorted to ground.
ABS SENSOR
[ABNORMAL SIGNAL]
[C1115]Wheel sensor input is malfunction.BRC-37, "
Inspection 1:
Wheel Sensor System"
(Note 1)
BATTERY VOLTAGE
[ABNORMAL]
[C1109]ABS actuator and electric unit (control unit) power voltage is too
low.BRC-48, "
Inspection 9:
ABS Actuator and Elec-
tric Unit (Control Unit)
Power Supply and
Ground System"
ST ANG SEN SIGNAL
[C1144]Neutral position correction of steering angle sensor is not fin-
ished.BRC-42, "Inspection 5:
Steering Angle Sensor
System"ST ANG SEN COM CIR
[C1156]CAN communication line or steering angle sensor has generated
an error.
SIDE G-SEN CIRCUIT
[C1146]Side G-sensor is malfunctioning, or signal line of side G-sensor is
open or shorted.BRC-44, "
Inspection 6:
Yaw Rate/Side G-Sensor
(2WD model), Yaw Rate/
Side/Decel G-sensor
(AWD models) System"
CONTROLLER FAILURE
[C1110]Internal malfunction of ABS actuator and electric unit (control
unit)BRC-40, "Inspection 3:
VDC/TCS/ABS Control
Unit System"
Self-diagnostic item Malfunction detecting condition Check system