diagram INFINITI FX35 2004 Manual PDF

INFINITI FX35 2004 Manual PDF FX35 2004 INFINITI INFINITI https://www.carmanualsonline.info/img/42/57021/w960_57021-0.png INFINITI FX35 2004 Manual PDF

Page 1126 of 4449

INFINITI FX35 2004 Manual PDF BRC-1
BRAKE CONTROL SYSTEM
F  BRAKES
CONTENTS
C
D
E
G
H
I
J
K
L
M
SECTION BRC
A
B
BRC
Revision: 2004 November 2004 FX35/FX45
BRAKE CONTROL SYSTEM
VDC/TCS/ABS
PRECAUTIONS ..............................

Page 1133 of 4449

INFINITI FX35 2004 Manual PDF BRC-8
[VDC/TCS/ABS]
SYSTEM DESCRIPTION
Revision: 2004 November 2004 FX35/FX45
SYSTEM DESCRIPTIONPFP:00000
System DiagramAFS001SB
VDC FunctionAFS001SC
In addition to the TCS/ABS function, the driver s

Page 1135 of 4449

INFINITI FX35 2004 Manual PDF BRC-10
[VDC/TCS/ABS]
SYSTEM DESCRIPTION
Revision: 2004 November 2004 FX35/FX45
Hydraulic Circuit DiagramAFS001SH
SFIA1163E

Page 1142 of 4449

INFINITI FX35 2004 Manual PDF TROUBLE DIAGNOSIS
BRC-17
[VDC/TCS/ABS]
C
D
E
G
H
I
J
K
L
MA
B
BRC
Revision: 2004 November 2004 FX35/FX45
Wiring Diagram — VDC —AFS001SO
TFWM0056E

Page 1244 of 4449

INFINITI FX35 2004 Manual PDF DI-1
DRIVER INFORMATION SYSTEM
K  ELECTRICAL
CONTENTS
C
D
E
F
G
H
I
J
L
M
SECTION DI
A
B
DI
Revision: 2004 November 2004 FX35/FX45
DRIVER INFORMATION SYSTEM
PRECAUTION ................................

Page 1245 of 4449

INFINITI FX35 2004 Manual PDF DI-2Revision: 2004 November 2004 FX35/FX45Schematic ............................................................... 39
Wiring Diagram — WARN —  .................................. 40
Oil Pressure W

Page 1246 of 4449

INFINITI FX35 2004 Manual PDF PRECAUTION
DI-3
C
D
E
F
G
H
I
J
L
MA
B
DI
Revision: 2004 November 2004 FX35/FX45
PRECAUTION PFP:00011
Precautions for Supplemental Restraint System (SRS) “AIR BAG” and “SEAT 
BELT PRE-TENSIONER

Page 1251 of 4449

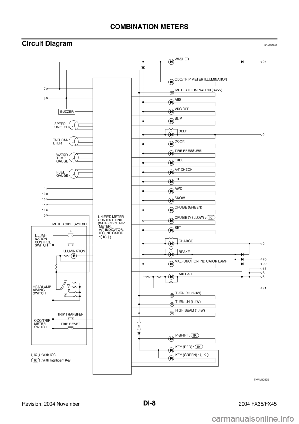
INFINITI FX35 2004 Manual PDF DI-8
COMBINATION METERS
Revision: 2004 November 2004 FX35/FX45
Circuit DiagramAKS005MK
TKWM1052E

Page 1252 of 4449

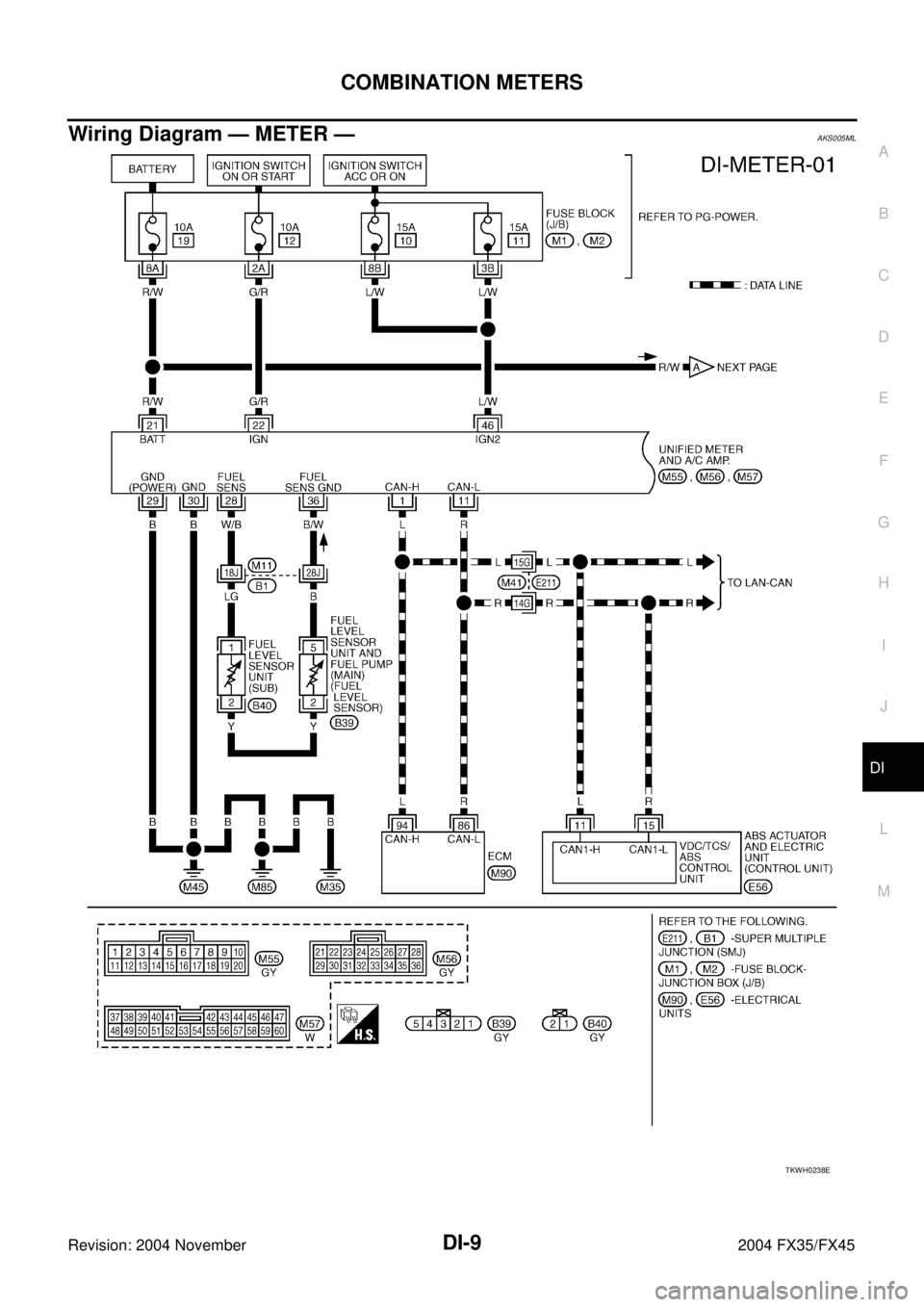
INFINITI FX35 2004 Manual PDF COMBINATION METERS
DI-9
C
D
E
F
G
H
I
J
L
MA
B
DI
Revision: 2004 November 2004 FX35/FX45
Wiring Diagram — METER —AKS005ML
TKWH0238E

Page 1258 of 4449

INFINITI FX35 2004 Manual PDF COMBINATION METERS
DI-15
C
D
E
F
G
H
I
J
L
MA
B
DI
Revision: 2004 November 2004 FX35/FX45
Power Supply and Ground Circuit InspectionAKS005MS
1. CHECK FUSE
Check for blown combination meter and unified